Support Vector Regression Modelling of an Aerobic Granular Sludge in Sequential Batch Reactor
Abstract
1. Introduction
1.1. Background
- To the very best authors’ knowledge, this is the first modelling work applying on limited dataset of 21 for aerobic sludge granulation using sequential batch reactor at high temperatures, which are 30 °C, 40 °C, and 50 °C.
- As a comparison, SVR and ANN models were developed to identify the best predictive model on limited dataset, which contains only 21 samples.
- Instead of using a trial-and-error method, an improvement has been made by using grid search algorithm in determine suitable pairs of C and γ value.
- Improvement on conventional grid search algorithm is the proposed by using optimization method using particle swarm optimization (PSO) and genetic algorithm (GA) to give better estimation of the best pair of C and γ value. The proposed method shows an improvement in accuracy performance of the COD concentration with a limited dataset.
1.2. Optimization Methods
2. Materials and Methods
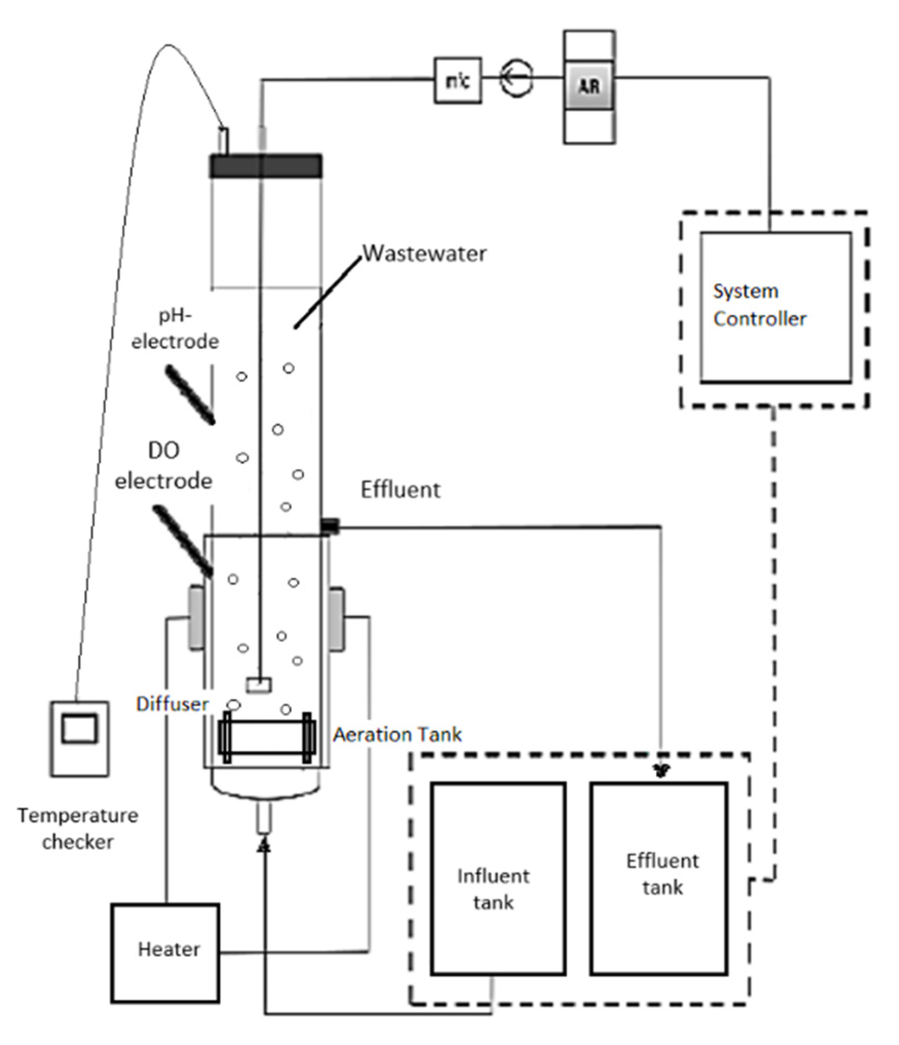
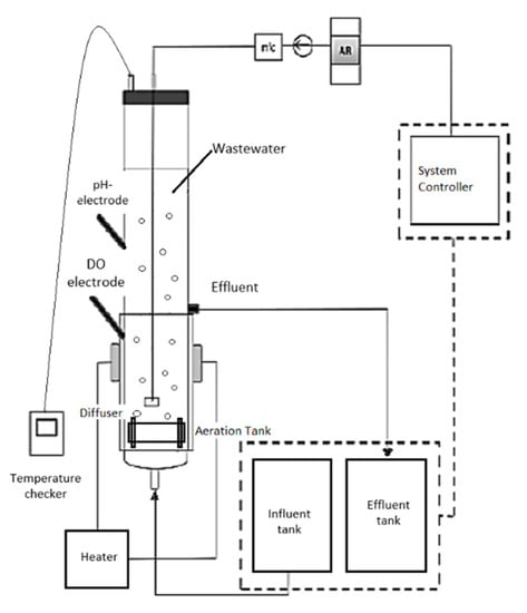
2.1. Study Area
2.2. Characteristic and Statistics Analysis of Wastewater Dataset
2.3. Data Pre-Processing
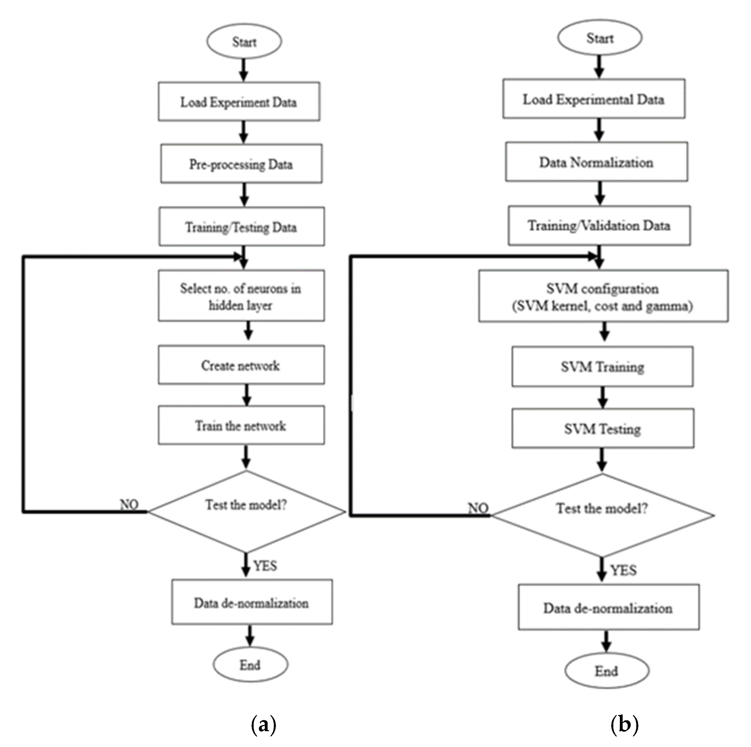
2.4. Artificial Neural Network (ANN)
ANN Structure
- Propagation function:
- Activation function:
- Node output:where input is denoted as , weight as , bias is , and time step is .
2.5. Support Vector Regression (SVR)
2.5.1. Kernel Functions
2.5.2. Cost and Gamma Parameters
2.6. Data De-Normalization
2.7. SVR–PSO Prediction Model
2.8. SVR–GA Prediction Model
2.9. Model Validation
3. Results and Discussion
3.1. SVR Training
3.2. ANN Training
3.3. Model Evaluation between ANN and SVM
3.4. Prediction Model of Optimized SVR
3.5. Model Validation and Evaluation
4. Conclusions
Supplementary Materials
Author Contributions
Funding
Institutional Review Board Statement
Informed Consent Statement
Data Availability Statement
Acknowledgments
Conflicts of Interest
References
- Tay, J.-H.; Liu, Q.-S.; Liu, Y. The role of cellular polysaccharides in the formation and stability of aerobic granules. Lett. Appl. Microbiol. 2001, 33, 222–226. [Google Scholar] [CrossRef] [PubMed]
- Morgenroth, E.; Sherden, T.; van Loosdrecht, M.; Heijnen, J.; Wilderer, P. Aerobic granular sludge in a sequencing batch reactor. Water Res. 1997, 31, 3191–3194. [Google Scholar] [CrossRef]
- Tay, J.-H.; Liu, Y.; Tay, S.T.L.; Hung, Y.T. Aerobic Granulation Technology. In Advanced Biological Treatment Processes; Wang, L.K., Shammas, N.K., Hung, Y.T., Eds.; Humana Press: Totowa, NJ, USA, 2009; pp. 109–128. [Google Scholar]
- Franca, R.D.; Pinheiro, H.M.; van Loosdrecht, M.C.; Lourenço, N.D. Stability of aerobic granules during long-term bioreactor operation. Biotechnol. Adv. 2018, 36, 228–246. [Google Scholar] [CrossRef]
- Nancharaiah, Y.; Reddy, G.K.K. Aerobic granular sludge technology: Mechanisms of granulation and biotechnological applications. Bioresour. Technol. 2018, 247, 1128–1143. [Google Scholar] [CrossRef] [PubMed]
- Kent, T.R.; Bott, C.B.; Wang, Z.-W. State of the art of aerobic granulation in continuous flow bioreactors. Biotechnol. Adv. 2018, 36, 1139–1166. [Google Scholar] [CrossRef]
- Rollemberg, S.; Barros, A.R.M.; Firmino, P.I.M.; dos Santos, A.B. Aerobic granular sludge: Cultivation parameters and removal mechanisms. Bioresour. Technol. 2018, 270, 678–688. [Google Scholar] [CrossRef]
- Nancharaiah, Y.V.; Sarvajith, M. Aerobic granular sludge process: A fast growing biological treatment for sustainable wastewater treatment. Curr. Opin. Environ. Sci. Health 2019, 12, 57–65. [Google Scholar] [CrossRef]
- Van Dijk, E.; Pronk, M.; van Loosdrecht, M. A settling model for full-scale aerobic granular sludge. Water Res. 2020, 186, 116135. [Google Scholar] [CrossRef]
- Su, K.Z.; Ni, B.J.; Yu, H.Q. Modeling and optimization of granulation process of activated sludge in sequencing batch reactors. Biotechnol. Bioeng. 2013, 110, 1312–1322. [Google Scholar] [CrossRef] [PubMed]
- Su, K.; Wang, C.; Zhang, S.; Liu, S. Lotka–Volterra equation based modeling of aerobic granulation process in sequencing batch reactors. Int. Biodeterior. Biodegrad. 2016, 115, 49–54. [Google Scholar] [CrossRef]
- Sin, G.; Gernaey, K.V.; Neumann, M.B.; van Loosdrecht, M.C.; Gujer, W. Uncertainty analysis in WWTP model applications: A critical discussion using an example from design. Water Res. 2009, 43, 2894–2906. [Google Scholar] [CrossRef] [PubMed]
- Gernaey, K.; van Loosdrecht, M.; Henze, M.; Lind, M.; Jørgensen, S.B. Activated sludge wastewater treatment plant modelling and simulation: State of the art. Environ. Model. Softw. 2004, 19, 763–783. [Google Scholar] [CrossRef]
- Henze, M.; van Loosdrecht, M.C.; Ekama, G.A.; Brdjanovic, D. Biological Wastewater Treatment; IWA Publishing: London, UK, 2008. [Google Scholar]
- Henze, M.; Gujer, W.; Mino, T.; van Loosdrecht, M.C. Activated Sludge Models ASM1, ASM2, ASM2d and ASM3; IWA Publishing: London, UK, 2000. [Google Scholar]
- Chen, L.; Tian, Y.; Cao, C.; Zhang, S.; Zhang, S. Sensitivity and uncertainty analyses of an extended ASM3-SMP model describing membrane bioreactor operation. J. Membr. Sci. 2012, 389, 99–109. [Google Scholar] [CrossRef]
- Mannina, G.; Cosenza, A.; Viviani, G. Uncertainty assessment of a model for biological nitrogen and phosphorus removal: Application to a large wastewater treatment plant. Phys. Chem. Earth Parts A/B/C 2012, 42–44, 61–69. [Google Scholar] [CrossRef]
- Sammut, C.; Webb, G.I. Encyclopedia of Machine Learning; Springer Science & Business Media: Berlin, Germany, 2011. [Google Scholar]
- Lisboa, P.J.; Taktak, A.F. The use of artificial neural networks in decision support in cancer: A systematic review. Neural Netw. 2006, 19, 408–415. [Google Scholar] [CrossRef] [PubMed]
- Gong, H.; Pishgar, R.; Tay, J. Artificial neural network modelling for organic and total nitrogen removal of aerobic granulation under steady-state condition. Environ. Tech. 2019, 40, 3124–3139. [Google Scholar] [CrossRef]
- Zaghloul, M.S.; Hamza, R.A.; Iorhemen, O.T.; Tay, J.H. Performance prediction of an aerobic granular SBR using modular multilayer artificial neural networks. Sci. Total Environ. 2018, 645, 449–459. [Google Scholar] [CrossRef]
- Zaghloul, M.S.; Hamza, R.A.; Iorhemen, O.T.; Tay, J.H. Comparison of adaptive neuro-fuzzy inference systems (ANFIS) and support vector regression (SVR) for data-driven modelling of aerobic granular sludge reactors. J. Environ. Chem. Eng. 2020, 8, 103742. [Google Scholar] [CrossRef]
- Niu, X.; Yang, C.; Wang, H.; Wang, Y. Investigation of ANN and SVM based on limited samples for performance and emissions prediction of a CRDI-assisted marine diesel engine. Appl. Therm. Eng. 2017, 111, 1353–1364. [Google Scholar] [CrossRef]
- Widodo, A.; Yang, B.-S. Support vector machine in machine condition monitoring and fault diagnosis. Mech. Syst. Signal Process. 2007, 21, 2560–2574. [Google Scholar] [CrossRef]
- Cherkassky, V.; Ma, Y. Practical selection of SVM parameters and noise estimation for SVM regression. Neural Netw. 2004, 17, 113–126. [Google Scholar] [CrossRef]
- Karamizadeh, S.; Abdullah, S.M.; Halimi, M.; Shayan, J.; Rajabi, M.J. Advantage and drawback of support vector machine functionality. In Proceedings of the 2014 International Conference on Computer, Communications, and Control Technology (I4CT), Langkawi, Malaysia, 2–4 September 2014; pp. 63–65. [Google Scholar] [CrossRef]
- Xiaofang, Y.; Yaonan, W. Parameter selection of support vector machine for function approximation based on chaos optimization. J. Syst. Eng. Electron. 2008, 19, 191–197. [Google Scholar] [CrossRef]
- Luo, Z.; Wang, P.; Li, Y.; Zhang, W.; Tang, W.; Xiang, M. Quantum-inspired evolutionary tuning of SVM parameters. Prog. Nat. Sci. 2008, 18, 475–480. [Google Scholar] [CrossRef]
- Pai, P.-F.; Hong, W.-C. Support vector machines with simulated annealing algorithms in electricity load forecasting. Energy Convers. Manag. 2005, 46, 2669–2688. [Google Scholar] [CrossRef]
- Fei, S.-W.; Liu, C.-L.; Miao, Y.-B. Support vector machine with genetic algorithm for forecasting of key-gas ratios in oil-immersed transformer. Expert Syst. Appl. 2009, 36, 6326–6331. [Google Scholar] [CrossRef]
- Kecskes, I.; Szekacs, L.; Fodor, J.C.; Odry, P. PSO and GA optimization methods comparison on simulation model of a real hexapod robot. In Proceedings of the 2013 IEEE 9th International Conference on Computational Cybernetics (ICCC), Tihany, Hungary, 8–10 July 2013; pp. 125–130. [Google Scholar] [CrossRef]
- Wang, W.; Nie, X.; Qiu, L. Support Vector Machine with Particle Swarm Optimization for Reservoir Annual Inflow fore-casting. In Proceedings of the 2010 International Conference on Artificial Intelligence and Computational Intelligence, Sanya, China, 23–24 October 2010. [Google Scholar]
- Ab Halim, M.H.; Anuar, A.N.; Azmi, S.I.; Jamal, N.S.A.; Wahab, N.A.; Ujang, Z.; Shraim, A.; Bob, M.M. Aerobic sludge granulation at high temperatures for domestic wastewater treatment. Bioresour. Technol. 2015, 185, 445–449. [Google Scholar] [CrossRef] [PubMed]
- De Kreuk, M.; Heijnen, J.; van Loosdrecht, M. Simultaneous COD, nitrogen, and phosphate removal by aerobic granular sludge. Biotechnol. Bioeng. 2005, 90, 761–769. [Google Scholar] [CrossRef]
- Samui, P.; Dixon, B. Application of support vector machine and relevance vector machine to determine evaporative losses in reservoirs. Hydrol. Process. 2011, 26, 1361–1369. [Google Scholar] [CrossRef]
- Ito, K.; Nakano, R. Optimizing Support Vector regression hyperparameters based on cross-validation. In Proceedings of the International Joint Conference on Neural Networks, Portland, OR, USA, 20–24 July 2003. [Google Scholar] [CrossRef]
- Yusuf, Z.; Wahab, N.A.; Sahlan, S. Modeling of submerged membrane bioreactor filtration process using NARX-ANFIS model. In Proceedings of the 2015 10th Asian Control Conference (ASCC), Kota Kinabalu, Malaysia, 31 May–3 June 2015. [Google Scholar] [CrossRef]
- Dahmani, K.; Dizene, R.; Notton, G.; Paoli, C.; Voyant, C.; Nivet, M.-L. Estimation of 5-min time-step data of tilted solar global irradiation using ANN (Artificial Neural Network) model. Energy 2014, 70, 374–381. [Google Scholar] [CrossRef]
- Lippmann, R.P. An introduction to computing with neural nets. IEEE ASSP Mag. 1987, 4, 4–22. [Google Scholar] [CrossRef]
- Rogers, L.L.; Dowla, F.U. Optimization of groundwater remediation using artificial neural networks with parallel solute transport modeling. Water Resour. Res. 1994, 30, 457–481. [Google Scholar] [CrossRef]
- Hecht-Nielsen, R. Kolmogorov’s mapping neural network existence theorem. In Proceedings of the International Conference on Neural Networks, San Diego, CA, USA, 24–24 June 1987; IEEE Press: New York, NY, USA, 1987; Volume 3, pp. 11–14. [Google Scholar]
- Lin, C.-T.; Lee, C. Neural Fuzzy Systems: A Neuro—Fuzzy Synergism to Intelligent Systems; Prentice-Hall: Englewood Cliffs, NJ, USA, 1996. [Google Scholar]
- Russell, S.J.; Norvig, P. Artificial Intelligence: A Modern Approach; Pearson Education Limited: Kuala Lumpur, Malaysia, 2016. [Google Scholar]
- Vapnik, V.; Golowich, S.E.; Smola, A. Support Vector Method for Function Approximation, Regression Estimation, and Signal Processing. In Advances in Neural Information Processing Systems 9; MIT Press: Massachusetts, MA, USA, 1996. [Google Scholar]
- Chuang, L.-Y.; Yang, C.-H.; Jin, L.-C. Classification of multiple cancer types using fuzzy support vector machines and outlier detection methods. Biomed. Eng. Appl. Basis Commun. 2005, 17, 300–308. [Google Scholar] [CrossRef][Green Version]
- Samanta, B.; Al-Balushi, K.; Al-Araimi, S. Artificial neural networks and support vector machines with genetic algorithm for bearing fault detection. Eng. Appl. Artif. Intell. 2003, 16, 657–665. [Google Scholar] [CrossRef]
- Jedliński, J.; Jonak, J. Early fault detection in gearboxes based on support vector machines and multilayer perceptron with a continuous wavelet transform. Appl. Soft Comput. 2015, 30, 636–641. [Google Scholar] [CrossRef]
- Vapnik, V. The Nature of Statistical Learning Theory; Springer Science & Business Media: Berlin, Germany, 2013. [Google Scholar]
- Qian, Y.; Tian, J.; Liu, L.; Zhang, Y.; Chen, Y. A tool wear predictive model based on SVM. In Proceedings of the 2010 Chinese Control and Decision Conference, Xuzhou, China, 26–28 May 2010. [Google Scholar] [CrossRef]
- Lin, H.-T.; Lin, C.-J. A study on sigmoid kernels for SVM and the training of non-PSD kernels by SMO-type methods. Neural Comput. 2003, 3, 1–32. [Google Scholar]
- Hsu, C.-W.; Chang, C.-C.; Lin, C.-J. A Practical Guide to Support Vector Classification; Department of Computer Science National Taiwan University: Taipei, Taiwan, 2003. [Google Scholar]
- Mackay, D.J.C. Bayesian Interpolation. Neural Comput. 1992, 4, 39–66. [Google Scholar] [CrossRef]
- Foresee, F.D.; Hagan, M.T. Gauss-Newton Approximation to Bayesian Learning. In Proceedings of the International Conference on Neural Networks (ICNN’97), Houston, TX, USA, 12 June 1997. [Google Scholar]
- Gao, K.; Xi, X.; Wang, Z.; Ma, Y.; Chen, S.; Ye, X.; Li, Y. Use of support vector machine model to predict membrane permeate flux. Desalination Water Treat. 2015, 1–12. [Google Scholar] [CrossRef]
- Mahmod, N.; Wahab, N.A. Dynamic Modelling of Aerobic Granular Sludge Artificial Neural Networks. Int. J. Electr. Comput. Eng. 2017, 7, 1568–1573. [Google Scholar] [CrossRef]
- Ou, C.; Lin, W. Comparison between PSO and GA for Parameters Optimization of PID Controller. In Proceedings of the 2006 International Conference on Mechatronics and Automation, Luoyang, China, 25–28 June 2006. [Google Scholar]
- Kang, Q.; He, H.; Wang, H.; Jiang, C. A Novel Discrete Particle Swarm Optimization Algorithm for Job Scheduling in Grids. In Proceedings of the 2008 Fourth International Conference on Natural Computation, Jinan, China, 18–20 October 2008. [Google Scholar]
- Gaing, Z.-L. A Particle Swarm Optimization Approach for Optimum Design of PID Controller in AVR System. IEEE Trans. Energy Convers. 2004, 19, 384–391. [Google Scholar] [CrossRef]











| Parameters | Units | Max | Min | Mean | Std. Dev. | Median | |
|---|---|---|---|---|---|---|---|
| Influent | COD | mg/L | 410 | 390 | 399.52 | 8.65 | 400 |
| TOC | mg/L | 247.50 | 245.70 | 246.73 | 0.64 | 246.90 | |
| TP | mg/L | 21 | 19 | 20 | 0.71 | 20 | |
| TN | mg/L | 54 | 51 | 52.67 | 1.20 | 53 | |
| AN | mg/L | 56 | 54 | 55 | 0.77 | 55 | |
| Biomass | g/L | 10.60 | 2.70 | 6.28 | 2.44 | 6.50 | |
| Effluent | COD | mg/L | 198 | 60 | 92.43 | 36.63 | 75 |
| TOC | mg/L | 120.50 | 11.56 | 37.34 | 31.72 | 22.9 | |
| TP | mg/L | 11.80 | 6 | 7.88 | 1.88 | 6.90 | |
| TN | mg/L | 16.50 | 7.60 | 10.84 | 2.88 | 10 | |
| AN | mg/L | 17.10 | 0.60 | 5.49 | 4.35 | 5.10 | |
| Biomass | g/L | 6.50 | 1.40 | 4.50 | 1.90 | 5.30 |
| Model | Iteration | RMSE SBR30 °C | RMSE SBR40 °C | RMSE SBR50 °C | |||
|---|---|---|---|---|---|---|---|
| SVR | 1 | 3.05 × 10−5 | 3.05 × 10−5 | 0.01 | 0.1439 | 0.1155 | 0.1238 |
| 49 | 2 | 6.10 × 10−5 | 0.01 | 0.1439 | 0.1155 | 0.1238 | |
| 97 | 0.000122 | 0.000244 | 0.01 | 0.1439 | 0.1155 | 0.1238 | |
| 145 | 16 | 0.000488 | 0.01 | 0.1438 | 0.1155 | 0.1238 | |
| 193 | 0.000977 | 0.001953 | 0.01 | 0.1438 | 0.1155 | 0.1238 | |
| 241 | 128 | 0.003906 | 0.01 | 0.1438 | 0.1155 | 0.1239 | |
| 289 | 0.007813 | 0.015625 | 0.01 | 0.1424 | 0.1142 | 0.1215 | |
| 337 | 1024 | 0.03125 | 0.01 | 0.1436 | 0.1149 | 0.1248 | |
| 385 | 0.0625 | 0.125 | 0.01 | 0.0980 | 0.0882 | 0.0916 | |
| 433 | 8192 | 0.25 | 0.01 | 0.1353 | 0.1139 | 0.1321 | |
| 481 | 0.5 | 1 | 0.01 | 0.0447 | 0.0356 | 0.0624 | |
| 529 | 3.05 × 10−5 | 4 | 0.01 | 0.1423 | 0.1141 | 0.1211 | |
| 577 | 4 | 8 | 0.01 | 0.0887 | 0.0170 | 0.0128 | |
| 540 | 0.0625 | 4 | 0.01 | 0.0887 | 0.0123 | 0.0150 | |
| 541 | 0.125 | 4 | 0.01 | 0.0887 | 0.0868 | 0.1106 | |
| 625 | 0.000244 | 32 | 0.01 | 0.0879 | 0.0852 | 0.0946 | |
| 673 | 32 | 64 | 0.01 | 0.1068 | 0.1017 | 0.1193 | |
| 696 | 0.125 | 128 | 0.01 | 0.0208 | 0.0153 | 0.0151 | |
| 721 | 0.001953 | 256 | 0.01 | 0.0290 | 0.0595 | 0.0194 | |
| 769 | 256 | 512 | 0.01 | 0.1226 | 0.1042 | 0.1195 | |
| 817 | 0.015625 | 2048 | 0.01 | 0.0358 | 0.1429 | 0.0621 | |
| 865 | 2048 | 4096 | 0.01 | 0.1240 | 0.1042 | 0.1195 | |
| 913 | 0.125 | 16,384 | 0.01 | 0.0208 | 0.0153 | 0.0151 | |
| 961 | 32768 | 32,768 | 0.01 | 0.1240 | 0.1042 | 0.1195 |
| SBR | No of Hidden Neurons | Training | Testing | ||||
|---|---|---|---|---|---|---|---|
| R2 (%) | MSE | RMSE | R2 (%) | MSE | RMSE | ||
| FFNN 30°C | 1 | 78.76 | 0.0280 | 0.1672 | 71.50 | 0.0249 | 0.1578 |
| 2 | 87.84 | 0.0160 | 0.1265 | 77.71 | 0.0195 | 0.1395 | |
| 4 | 82.15 | 0.0064 | 0.1533 | 77.46 | 0.0226 | 0.1403 | |
| 6 | 81.48 | 0.0244 | 0.1561 | 63.89 | 0.0315 | 0.1776 | |
| 8 | 93.63 | 0.0084 | 0.0084 | 75.64 | 0.0213 | 0.0213 | |
| 10 | 72.42 | 0.0118 | 0.1084 | 82.62 | 0.0027 | 0.0520 | |
| 12 | 87.34 | 0.0167 | 0.1292 | 79.61 | 0.0178 | 0.1334 | |
| 14 | 79.64 | 0.0082 | 0.0264 | 74.64 | 0.0221 | 0.1488 | |
| 16 | 82.15 | 0.0099 | 0.0994 | 71.28 | 0.0218 | 0.1476 | |
| FFNN 40°C | 1 | 68.98 | 0.0216 | 0.1471 | 71.86 | 0.0312 | 0.1765 |
| 2 | 87.84 | 0.0085 | 0.0921 | 81.80 | 0.0201 | 0.1419 | |
| 4 | 75.80 | 0.0169 | 0.1299 | 80.19 | 0.0131 | 0.1143 | |
| 6 | 89.27 | 0.0075 | 0.0865 | 84.78 | 0.0169 | 0.1298 | |
| 8 | 77.86 | 0.0154 | 0.1242 | 80.73 | 0.0103 | 0.1140 | |
| 10 | 83.63 | 0.0114 | 0.1068 | 84.53 | 0.0138 | 0.1175 | |
| 12 | 81.36 | 0.0130 | 0.1140 | 84.58 | 0.0171 | 0.1307 | |
| 14 | 96.06 | 0.0027 | 0.0524 | 85.39 | 0.0162 | 0.1672 | |
| 16 | 98.5 | 0.001 | 0.0324 | 78.15 | 0.0242 | 0.1555 | |
| FFNN 50°C | 1 | 65.01 | 0.0349 | 0.1868 | 60.73 | 0.0426 | 0.2064 |
| 2 | 91.28 | 0.0087 | 0.0933 | 84.15 | 0.0172 | 0.1312 | |
| 4 | 95.83 | 0.0042 | 0.0645 | 88.21 | 0.0128 | 0.01131 | |
| 6 | 92.00 | 0.0087 | 0.2949 | 89.10 | 0.0109 | 0.1044 | |
| 8 | 93.23 | 0.0067 | 0.0822 | 84.2 | 0.0171 | 0.1309 | |
| 10 | 95.39 | 0.0046 | 0.0678 | 8654 | 0.0146 | 0.1207 | |
| 12 | 90.97 | 0.0090 | 0.0949 | 86.79 | 0.0143 | 0.1197 | |
| 14 | 80.60 | 0.0193 | 0.1391 | 85.43 | 0.0158 | 0.1258 | |
| 16 | 81.51 | 0.0184 | 0.1358 | 78.60 | 0.0221 | 0.1488 | |
| Author | This Work (2021) | |||||
|---|---|---|---|---|---|---|
| Collected Data | COD Model: 21 | |||||
| Model | SVR | FFNN | ||||
| R2 (%) | MSE | R2 (%) | MSE | |||
| SBR30 °C | 89.29 | 0.0095 | 82.62 | 0.0207 | ||
| SBR40 °C | 88.43 | 0.0131 | 85.39 | 0.1672 | ||
| SBR50 °C | 93.43 | 0.0065 | 89.10 | 0.0109 | ||
| Author | M.S. Zaghloul et al. (2018) | |||||
| Collected Data | COD Model: 2686 | |||||
| Model | SVR | FFNN | ||||
| R2 (%) | MSE | R2 (%) | MSE | |||
| COD (mg/L) | 99.98 | 0.2701 | 98.85 | 0.1211 | ||
| Author | M.S. Zaghloul et al. (2020) | |||||
| Collected Data | COD Model: 2920 | |||||
| Model | ANFIS | SVR | ||||
| R2 (%) | MSE | R2 (%) | MSE | |||
| COD (mg/L) | 98.50 | 0.348 | 99.99 | 0.035 | ||
| Author | H. Gong et. al. (2018) | |||||
| Collected Data | COD Model: 205 and 136 | |||||
| Model | ANN | |||||
| R2 (%) | MSE | |||||
| COD (mg/L) | 90.00 | 2.399 | ||||
| 2.05 | |
| 2.05 | |
| Population/generation size | 20 |
| Crossover rate | 0.9 |
| 0.4 | |
| 0.9 | |
| Maximum iteration | 100 |
| SBR | Model | Training | Testing | ||
|---|---|---|---|---|---|
| R² (%) | MSE | R² (%) | MSE | ||
| 30°C | SVR–PSO | 99.98 | 1.1898 × 10−5 | 98.04 | 0.0023 |
| SVR–GA | 99.99 | 7.8769 × 10− | 98.03 | 0.0024 | |
| SVR–Grid Search | 98.41 | 0.0012 | 89.29 | 0.0095 | |
| 40°C | SVR–PSO | 98.82 | 8.5298 × 10−4 | 92.54 | 0.0109 |
| SVR–GA | 98.88 | 7.9146 × 10−4 | 91.82 | 0.0109 | |
| SVR–Grid Search | 96.69 | 0.00032 | 88.43 | 0.01312 | |
| 50°C | SVR–PSO | 97.83 | 0.0040 | 94.59 | 0.0064 |
| SVR–GA | 98.19 | 0.0032 | 94.11 | 0.0067 | |
| SVR–Grid Search | 96.17 | 0.0041 | 93.43 | 0.0065 | |
| Goodness of Fit SBR30 °C | SVR–PSO | SVR–GA | SVR–Grid Search | |||
|---|---|---|---|---|---|---|
| Training | Testing | Training | Testing | Training | Testing | |
| RSS | 0.0012 | 0.0189 | 9.492 × 10−5 | 0.0189 | 0.0105 | 0.0834 |
| R2 | 0.9999 | 0.9804 | 0.9999 | 0.9802 | 0.9921 | 0.9224 |
| Adjusted R2 | 0.9999 | 0.9780 | 0.9999 | 0.9778 | 0.9912 | 0.9127 |
| RMSE | 0.0037 | 0.0486 | 0.0032 | 0.0487 | 0.0341 | 0.1021 |
| P1 | 0.9979 | 1.043 | 0.9938 | 1.0380 | 0.9535 | 1.065 |
| P2 | 0.0007 | 0.0078 | 0.0017 | 0.0085 | 0.0236 | 0.0088 |
| Goodness of Fit SBR40 °C | SVR–PSO | SVR–GA | SVR–Grid Search | |||
| Training | Testing | Training | Testing | Training | Testing | |
| RSS | 0.0086 | 0.0588 | 0.0084 | 0.0679 | 0.0239 | 0.0781 |
| R2 | 0.9882 | 0.9254 | 0.9888 | 0.9182 | 0.9629 | 0.8984 |
| Adjusted R2 | 0.9896 | 0.9161 | 0.9875 | 0.9079 | 0.9588 | 0.8857 |
| RMSE | 0.0310 | 0.0857 | 0.0305 | 0.0921 | 0.0516 | 0.0988 |
| P1 | 0.9755 | 0.8116 | 0.9813 | 0.8297 | 0.0046 | 0.7899 |
| P2 | 0.0024 | 0.0304 | 0.0034 | 0.0275 | −0.0197 | 0.0512 |
| Goodness of Fit SBR50 °C | SVR–PSO | SVR–GA | SVR–Grid Search | |||
| Training | Testing | Training | Testing | Training | Testing | |
| RSS | 0.0178 | 0.0456 | 0.0153 | 0.0515 | 0.0241 | 0.0446 |
| R2 | 0.9783 | 0.9459 | 0.9819 | 0.9411 | 0.9715 | 0.9465 |
| Adjusted R2 | 0.9755 | 0.9399 | 0.9796 | 0.9345 | 0.9680 | 0.9405 |
| RMSE | 0.0471 | 0.0712 | 0.0438 | 0.0756 | 0.0549 | 0.0704 |
| P1 | 0.8593 | 0.8529 | 0.8764 | 0.8665 | 0.8722 | 0.8481 |
| P2 | 0.0445 | 0.06321 | 0.0440 | 0.0644 | 0.0416 | 0.0684 |
Publisher’s Note: MDPI stays neutral with regard to jurisdictional claims in published maps and institutional affiliations. |
© 2021 by the authors. Licensee MDPI, Basel, Switzerland. This article is an open access article distributed under the terms and conditions of the Creative Commons Attribution (CC BY) license (https://creativecommons.org/licenses/by/4.0/).
Share and Cite
Ahmad Yasmin, N.S.; Abdul Wahab, N.; Ismail, F.S.; Musa, M.J.; Halim, M.H.A.; Anuar, A.N. Support Vector Regression Modelling of an Aerobic Granular Sludge in Sequential Batch Reactor. Membranes 2021, 11, 554. https://doi.org/10.3390/membranes11080554
Ahmad Yasmin NS, Abdul Wahab N, Ismail FS, Musa MJ, Halim MHA, Anuar AN. Support Vector Regression Modelling of an Aerobic Granular Sludge in Sequential Batch Reactor. Membranes. 2021; 11(8):554. https://doi.org/10.3390/membranes11080554
Chicago/Turabian StyleAhmad Yasmin, Nur Sakinah, Norhaliza Abdul Wahab, Fatimah Sham Ismail, Mu’azu Jibrin Musa, Mohd Hakim Ab Halim, and Aznah Nor Anuar. 2021. "Support Vector Regression Modelling of an Aerobic Granular Sludge in Sequential Batch Reactor" Membranes 11, no. 8: 554. https://doi.org/10.3390/membranes11080554
APA StyleAhmad Yasmin, N. S., Abdul Wahab, N., Ismail, F. S., Musa, M. J., Halim, M. H. A., & Anuar, A. N. (2021). Support Vector Regression Modelling of an Aerobic Granular Sludge in Sequential Batch Reactor. Membranes, 11(8), 554. https://doi.org/10.3390/membranes11080554

