An Evaluation of the Water Quality Characteristics of Shipboard Sewage Disposal and Usability Based on Water Quality Enhancement
Abstract
1. Introduction
2. Materials and Methods
2.1. Experimental Materials
2.2. Experiment Apparatus and Methodology
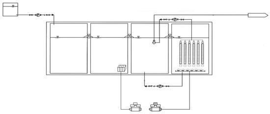
2.2.1. Experiment Apparatus
2.2.2. Experimental Method
3. Results and Considerations
3.1. CODCr Concentration Changes and Removal Efficiency Based on Mixing:Aeration Conditions
3.2. Changes in T-N Concentration and Removal Efficiency Based on Mixing:Aeration Conditions
3.3. Changes in T-P Concentration and Removal Efficiency Based on Mixing:Aeration Conditions
3.4. Maximum Efficiency for Respective Condition and MEPC. 227(64) Regulation Compliance
4. Conclusions
- (1)
- The CODCr removal efficiencies were 90.33%, 94.67%, 83.33% and 94.67%. The average efficiency of over 90% indicated positive performance in treating organic matters.
- (2)
- The T-N removal efficiencies were 96.99%, 95.71%, 94.69% and 97.34%, of which the average exceeded 93%. However, further details of the mechanism need to be identified by investigating nitrogen removal issues such as DO aeration condition, stirring duration, ORP and NO3.
- (3)
- The T-P removal efficiencies were 96.11%, 96.27%, 96.05% and 96.11%, of which the average exceeded 95%. The SBR and MBR process formed anaerobic and aerobic conditions without a separate coagulation process for removing phosphorus, thereby enabling easy phosphorus release and uptake.
- (4)
- As a result of comparison with MEPC. 227(64) regulation, the treated water’s T-P concentration is unsatisfactory, but since the removal rate is satisfied, it will not be a problem, and in future, an additional study will be necessary for T-P removal.
Author Contributions
Acknowledgments
Conflicts of Interest
References
- A Strategic analysis of shipbuilding marine industry and development trend of plant engineering technology. Ind. Policy Anal. Inst. 2014.
- Park, K.H.; Han, S.K.; Kim, B.H. A Study on State and Development Strategy in Cruise Industry. Korea Tour. Enhanc. Soc. 2015, 3, 19–32. [Google Scholar]
- Kim, C.J. A Study on development plan of cruise business centered on Korean Peninsula. Ind. Manag. Rev. 2000, 6, 207–230. [Google Scholar]
- Kim, H.S. A Study on the Marketing Strategies for the activation of Cruise Industry: A Case of Incheon Port. Korea Port Econ. Assoc. 2008, 24, 407–441. [Google Scholar]
- Doo, H.W. A Study on International Regulations regarding Cruise Ship Pollution and the Improvement of Korea Legislation. Marit. Law Rev. 2012, 24, 307–338. [Google Scholar]
- Kim, K.T. An Exploratory Study on the Developing Strategy of Korean Cruise Ports. Korea Port Econ. Assoc. 2014, 30, 51–75. [Google Scholar]
- Lee, E.S.; Kim, I.S. Shipboard sewage treatment by SBR process with BM. J. Korean Navig. Port Res. 2011, 35, 817–822. [Google Scholar] [CrossRef]
- Jang, S.A. The tendency of international conventions relating to marine environment. Soc. Nav. Archit. Korea 2003, 40, 18–27. [Google Scholar]
- Kim, H.J. The major decisions of MEPC 64th session. J. Korean Regist. Shipp. Tech. Inf. 2012. NO. 2012-IMO-13. [Google Scholar]
- Marine Environment Protection. 64th session Agenda item 23. Mar. Environ. Proj. Com. 2012, 23. [Google Scholar]
- International Marine Organization. Briefings of IMO Meeting MEPC 67 NO. IMO-0028-2014. In Proceedings of the International Marine Organization Meeting, London, UK, 13–17 October 2014. [Google Scholar]
- Song, Y.I.; Lee, S.L.; Kwak, P.J. The Change of Organics and Nutrients According to Aerobic Condition in SBR Process. J. Water Treat. 2001, 9, 89–97. [Google Scholar]









| Parameters | Units | Measured Values | |
|---|---|---|---|
| Avg. | |||
| Influent and Effluent flow rate | L/hr | 2 | |
| Temperature | °C | 25 | |
| pH | - | 7.2 | |
| Condition | CODCr | mg/L | 300 |
| T-N | mg/L | 150 | |
| T-P | mg/L | 90 | |
| Parameters | Units | Conditions | ||||
|---|---|---|---|---|---|---|
| Anaerobic phase | Drain flow | L/h | Auto | |||
| Anaerobic phase | O | |||||
| MLSS | mg/L | 2000 | ||||
| SBR reactor | Aeration | min | 60 | 50 | 40 | 60 |
| DO | mg/L | 3 | ||||
| Mixing | min | 60 | 70 | 80 | 90 | |
| DO | mg/L | 0.2 | ||||
| MBR (aeration period) | Drain flow | L/h | 2 | |||
| Drain (On/Off) | min | 3/7 | ||||
| HRT | min | 360 | ||||
| Remark | MEPC. 227(64) | Research Result (Maximum Efficiency) |
|---|---|---|
| Chemical Oxygen Demand (COD) | Less than or equal to 125 mg/L | 16 mg/L Removal rate: 94.67% |
| Total Nitrogen (T-N) | Less than or equal to 20 Qi/Qe mg/L or 70% removal | 3.984 mg/L Removal rate: 97.34% |
| Total Phosphorus (T-P) | Less than or equal to 1.0 Qi/Qe mg/L or 80% removal | 3.36 mg/L Removal rate: 96.27% |
© 2019 by the authors. Licensee MDPI, Basel, Switzerland. This article is an open access article distributed under the terms and conditions of the Creative Commons Attribution (CC BY) license (http://creativecommons.org/licenses/by/4.0/).
Share and Cite
Choi, Y.-I.; Ji, H.-J.; Shin, D.-Y.; Mansoor, S.; Kwan, M.-J.; Lee, S.-C.; Jung, J.-H.; Jung, B.-G.; Sung, N.-C.; Wang, J.-P. An Evaluation of the Water Quality Characteristics of Shipboard Sewage Disposal and Usability Based on Water Quality Enhancement. Appl. Sci. 2019, 9, 418. https://doi.org/10.3390/app9030418
Choi Y-I, Ji H-J, Shin D-Y, Mansoor S, Kwan M-J, Lee S-C, Jung J-H, Jung B-G, Sung N-C, Wang J-P. An Evaluation of the Water Quality Characteristics of Shipboard Sewage Disposal and Usability Based on Water Quality Enhancement. Applied Sciences. 2019; 9(3):418. https://doi.org/10.3390/app9030418
Chicago/Turabian StyleChoi, Young-Ik, Hyeon-Jo Ji, Dae-Yeol Shin, Sana Mansoor, Min-Ji Kwan, Seung-Chul Lee, Jin-Hee Jung, Byung-Gil Jung, Nak-Chang Sung, and Jei-Pil Wang. 2019. "An Evaluation of the Water Quality Characteristics of Shipboard Sewage Disposal and Usability Based on Water Quality Enhancement" Applied Sciences 9, no. 3: 418. https://doi.org/10.3390/app9030418
APA StyleChoi, Y.-I., Ji, H.-J., Shin, D.-Y., Mansoor, S., Kwan, M.-J., Lee, S.-C., Jung, J.-H., Jung, B.-G., Sung, N.-C., & Wang, J.-P. (2019). An Evaluation of the Water Quality Characteristics of Shipboard Sewage Disposal and Usability Based on Water Quality Enhancement. Applied Sciences, 9(3), 418. https://doi.org/10.3390/app9030418
