Implementation of a Dimmable LED Driver with Extendable Parallel Structure and Capacitive Current Sharing
Abstract
:1. Introduction
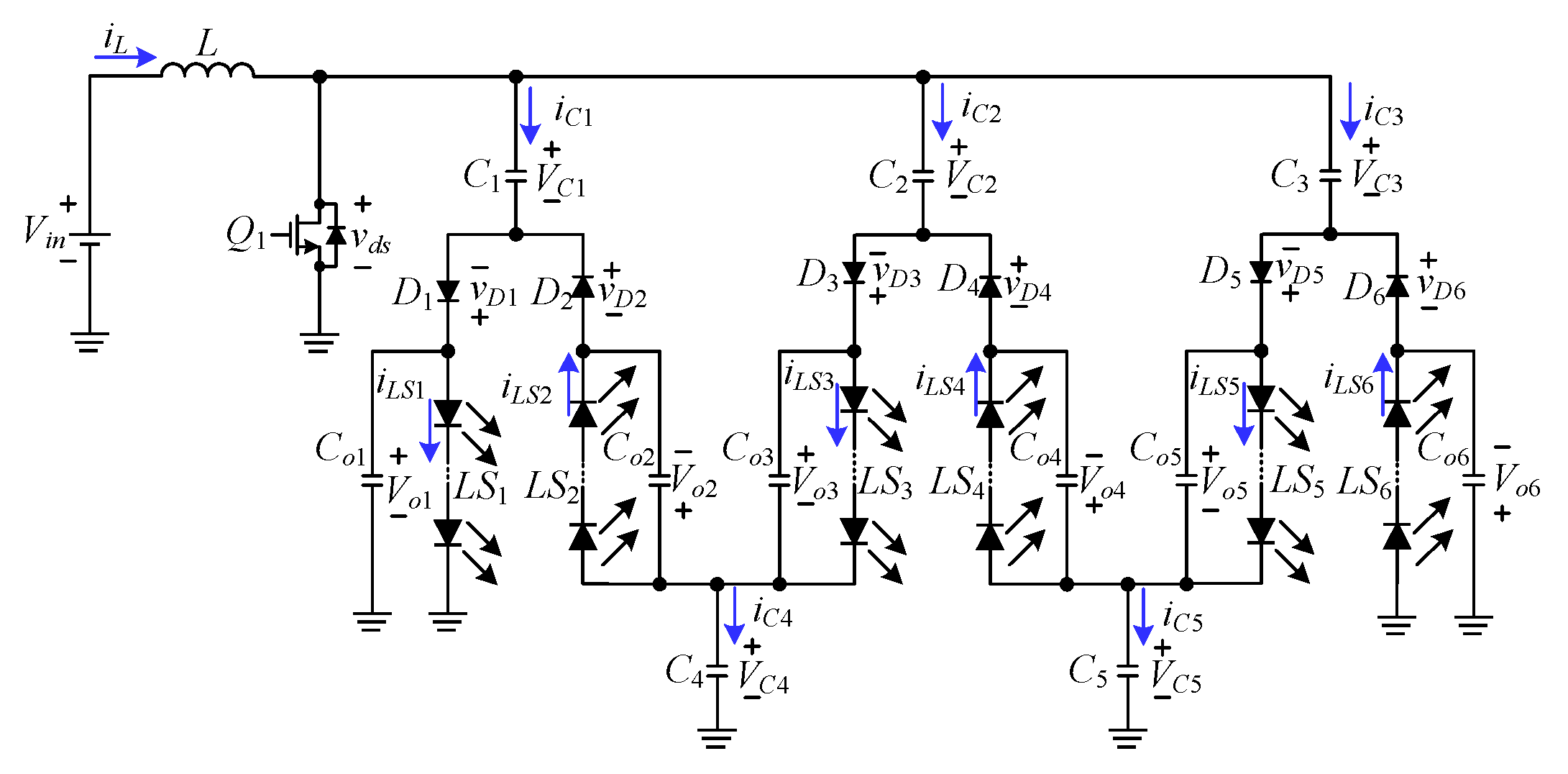
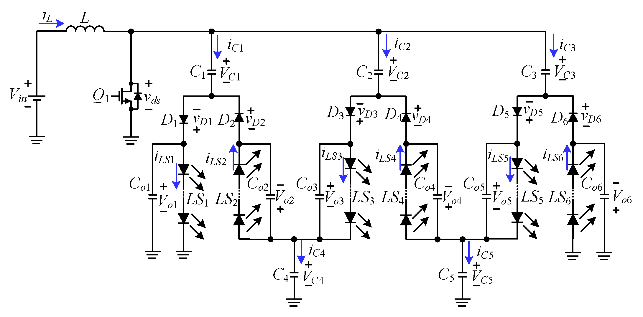
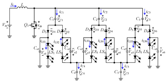
2. Proposed LED Driver Circuit
- (1)
- All the capacitors are large enough such that the voltages across them can be regarded as constant.
- (2)
- The input voltage is signified by Vin and the output voltages are represented by Vo1, Vo2, Vo3, Vo4, Vo5, and Vo6.
- (3)
- The currents in L and Q1 are indicated by iL and ids, respectively.
- (4)
- The currents in C1, C2, C3, C4, and C5 are denoted by iC1, iC2, iC3, iC4, and iC5, respectively.
- (5)
- The currents in Co1, Co2, Co3, Co4, Co5, and Co6 are signified by io1, io2, io3, io4, io5, and io6, respectively.
- (6)
- The voltages on L and Q1 are represented by vL and vds, respectively.
- (7)
- The voltages on C1, C2, C3, C4, and C5 are expressed by VC1, VC2, VC3, VC4, and VC5, respectively.
- (8)
- The switching period is denoted by Ts.
- (9)
- The turn-on time interval of Q1 is DTs, where D is the duty cycle.
- (10)
- The switch, the inductor and all diodes and capacitors are viewed as ideal, and all the LED strings are identical.
- (11)
- The gate driving signal for Q1 is signified by vgs.
- (12)
- The circuit is operated in the continuous conduction mode (CCM), that is, there are two operating states over one switching cycle, as shown in Figure 2.
2.1. Operating Principle Analysis
- (1)
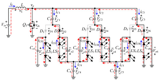
- State 1: []: As shown in Figure 3, Q1 is turned on. At the same time, D1, D3, and D5 are turned off, whereas D2, D4, and D6 are turned on. During this state, the voltage across L is Vin, L is magnetized, whereas C1, C2, C3, C4, and C5 are discharged through Q1 and provide energy to LS2, LS4, and LS6 and Co2, Co4, and Co6. In addition, the energy required by LS1, LS3, and LS5 is provided by Co1, Co3, and Co5, respectively.
- (2)
- State 2: []: As shown in Figure 4, Q1 is turned off. At the same time, D2, D4, and D6 are turned off, whereas D1, D3, and D5 are turned on. During this state, the voltage across L is Vin – va, where va = VC1 + Vo1. The inductor L, together with Vin, charges C1, C2, C3, C4, C5, Co1, Co3, and Co5, whereas the energy required by LS2, LS4, and LS6 are provided by Co2, Co4, and Co6, respectively.
2.2. Voltage Gain
2.3. Boundary Condition of Input Inductor L
2.4. Current Sharing Concept
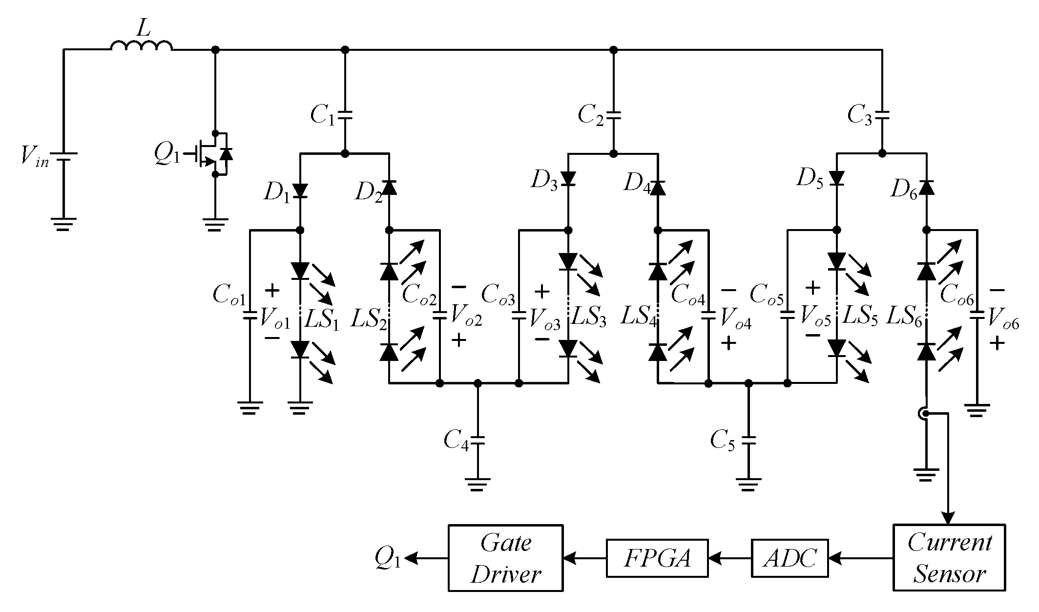
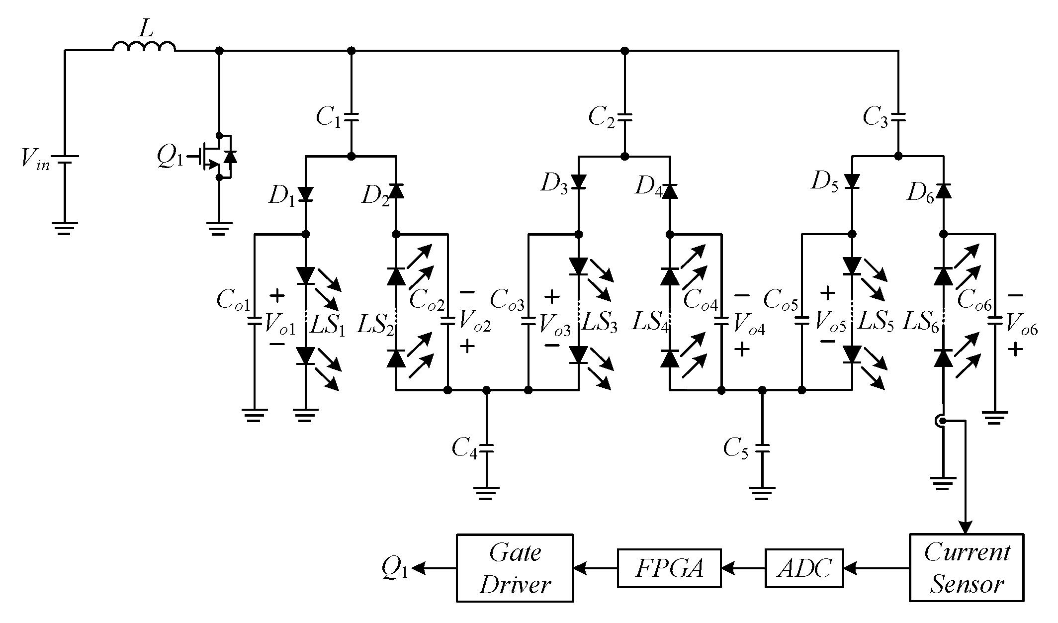
3. System Control Strategy
4. Design Considerations
4.1. Determination of Duty Cycle
4.1.1. Duty Cycles at Rated Load
4.1.2. Duty Cycles at Minimum Load
4.2. Design of L
4.3. Design of Co1–Co6
4.4. Design of C1–C5
5. Experimental Results
6. Further Discussion on Current-Sharing Performance
7. Conclusions
Author Contributions
Funding
Acknowledgments
Conflicts of Interest
Nomenclature
| Q1 | Main switch |
| C1, C2, C3, C4, C5 | Current-sharing interleaved capacitors |
| L | Input inductor |
| D1, D2, D3, D4, D5, D6 | Diodes |
| Co1, Co2, Co3, Co4, Co5, Co6 | Output capacitors |
| LS1, LS2, LS3, LS4, LS5, LS6 | LED strings |
| Ts | Switching period |
| fs | Switching frequency |
| D | Duty cycle |
| t0, t1 | Time instants |
| Req | Equivalent output resistance |
| vgs | Gate driving signal for Q1 |
| vds, va | Voltage across Q1 |
| ids | Current in Q1 |
| VC1, VC2, VC3, VC4, VC5 | Voltages across C1, C2, C3, C4, C5 |
| iC1, iC2, iC3, iC4, iC5 | Currents in C1, C2, C3, C4, C5 |
| iC1(on) | Current iC1 during turn-on period of Q1 |
| iC1(off) | Current iC1 during turn-off period of Q1 |
| IC1(on) | Constant value of iC1 during turn-on period |
| IC1(off) | Constant value of iC1 during turn-off period |
| vL | Voltage across L |
| vL(on) | Voltage across L during turn-on period of Q1 |
| vL(off) | Voltage across L during turn-off period of Q1 |
| iL | Current in L |
| IL,min | Minimum DC value of iL |
| ∆iL | Peak-to-peak value of current ripple of iL |
| vD1, vD2, vD3, vD4, vD5, vD6 | Voltages across D1, D2, D3, D4, D5, D6 |
| iD1, iD2, iD3, iD4, iD5, iD6 | Currents in D1, D2, D3, D4, D5, D6 |
| iLS1, iLS2, iLS3, iLS4, iLS5, iLS6 | Currents in LS1, LS2, LS3, LS4, LS5, LS6 |
| ILS1, ILS2 | Dc values of iLS1, iLS2 |
| Vin | Input voltage |
| Vin,max | Maximum input voltage |
| Vin,min | Minimum input voltage |
| Vo | Output voltage |
| Vo1, Vo2, Vo3, Vo4, Vo5, Vo6 | Voltages across Co1, Co2, Co3, Co4, Co5, Co6 |
| iCo1, iCo2, iCo3, iCo4, iCo5, iCo6 | Currents in Co1, Co2, Co3, Co4, Co5, Co6 |
| Iin | Input current |
| Iin,min | Minimum input current |
| Io,rated | LED rated current |
| Io,min | LED minimum current |
| Po,min | Minimum output power |
| Po,rated | Rated output power |
| Dmax,rated | Maximum duty cycle at rated load |
| Dmin,rated | Minimum duty cycle at rated load |
| Dmax,min | Maximum duty cycle at minimum load |
| Dmin,min | Minimum duty cycle at minimum load |
| QC1_on | Electric charge in C1 during turn-on period |
| QC1_off | Electric charge in C1 during turn-off period |
| VF | LED forward voltage |
| VF,LED | LED forward cut-in voltage |
| RF,LED | LED resistance |
| ILED | LED dc current |
| ILSx | Dc current in the x-th LED string |
| ILSy | Dc current in the y-th LED string |
| CSEPy | y-th CSEPy |
References
- Narendran, N.; Gu, Y. Life of LED-based white light sources. IEEE J. Disp. Technol. 2005, 1, 167–171. [Google Scholar] [CrossRef]
- Sinnadurai, R.; Ahamed, K.M.K.A.; Azri, M.; Vikneswaran. Development of white LED down light for indoor lighting. In Proceedings of the IEEE STUDENT’12, Kuala Lumpur, Malaysia, 6–9 October 2012. [Google Scholar]
- Steigerwald, D.A.; Bhat, J.C.; Collins, D.; Fletcher, R.M.; Holcomb, M.O.; Ludowise, M.J.; Martin, P.S.; Rudaz, S.L. Illumination with solid state lighting technology. IEEE J. Sel. Top. Quantum Electron. 2002, 8, 310–320. [Google Scholar] [CrossRef]
- Qu, X.; Wong, S.C.; Tse, C.K. Color control system for RGB LED light sources using junction temperature measurement. In Proceedings of the IEEE IECON’07, Taipei, Taiwan, 5–8 November 2007. [Google Scholar]
- Chiub, C.-L.; Chen, K.-H. A high accuracy current-balanced control technique for LED backlight. In Proceedings of the IEEE PESC’08, Rhodes, Greece, 15–19 June 2008. [Google Scholar]
- Yu, W.; Lai, J.-S.; Ma, H.; Zheng, C. High-efficiency dc-dc converter with twin bus for dimmable LED lighting. IEEE Trans. Power Electron. 2011, 26, 2095–2100. [Google Scholar] [CrossRef]
- Lohaus, L.; Liao, L.; Strache, S.; Wunderlich, R.; Heinen, S. Energy efficient current control technique for driving high power LEDs. In Proceedings of the VDE PRIME’12, Aachen, Germany, 12–15 June 2012. [Google Scholar]
- Li, S.N.; Zhong, W.X.; Chen, W.; Hui, S.Y.R. Novel self-configurable current-mirror techniques for reducing current imbalance in parallel light-emitting diode (LED) strings. IEEE Trans. Power Electron. 2012, 27, 2153–2162. [Google Scholar] [CrossRef]
- Li, Y.-C.; Chen, C.-L. A novel primary-side regulation scheme for single-stage high-power-factor ac-dc LED driving circuit. IEEE Trans. Ind. Electron. 2013, 60, 4978–4986. [Google Scholar] [CrossRef]
- Hwu, K.I.; Tu, W.C.; Hon, M.J. A dimmable LED driver based on current balancing transformer with magnetizing energy recycling considered. IEEE J. Disp. Technol. 2014, 10, 388–395. [Google Scholar] [CrossRef]
- Zhang, R.; Chung, H.S.-H. Use of daisy-chained transformers for current-balancing multiple LED strings. IEEE Trans. Power Electron. 2014, 29, 1418–1433. [Google Scholar] [CrossRef]
- Lin, Y.-L.; Chiu, H.-J.; Lo, Y.-K.; Leng, C.-M. Light-emitting diode driver with a combined energy transfer inductor for current balancing control. IET Power Electron. 2015, 8, 1834–1843. [Google Scholar] [CrossRef]
- Zhang, R.; Chung, H.S.-H. Capacitor-isolated multistring LED driver with daisy-chained transformers. IEEE Trans. Power Electron. 2015, 30, 3860–3875. [Google Scholar] [CrossRef]
- Hwu, K.I.; Jiang, W.Z.; Hsiao, C.W. Dimmable LED driver based on twin-bus converter and differential-mode transformer. IEEE J. Disp. Technol. 2016, 12, 1122–1129. [Google Scholar] [CrossRef]
- Qu, X.; Wong, S.C.; Tse, C.K. An improved LCLC current-source-output multistring LED driver with capacitive current balancing. IEEE Trans. Power Electron. 2015, 30, 5783–5791. [Google Scholar] [CrossRef]
- Hwu, K.I.; Jiang, W.Z.; Chen, W.H. Automatic current-sharing extendable two-channel LED driver with non-pulsating input current and zero dc flux. Int. J. Circuit Theory Appl. 2018, 46, 1462–1484. [Google Scholar] [CrossRef]
- Chen, X.; Huang, D.; Li, Q.; Lee, F.C. Multichannel LED driver with CLL resonant converter. IEEE J. Emerg. Sel. Top. Power Electron. 2015, 3, 589–598. [Google Scholar] [CrossRef]
- Ye, Y.; Cheng, K.W.E.; Lin, J.; Wang, D. Single-switch multichannel current-balancing LED drive circuits based on optimized SC techniques. IEEE Trans. Ind. Electron. 2015, 62, 4761–4768. [Google Scholar] [CrossRef]
- Hwu, K.I.; Jiang, W.Z. Nonisolated two-channel LED driver with automatic current balance and zero voltage switching. IEEE Trans. Power Electron. 2016, 31, 8359–8370. [Google Scholar] [CrossRef]
- Hwu, K.I.; Jiang, W.Z. Input-current-ripple-free two-channel LED driver. IEEE Trans. Ind. Electron. 2017, 64, 5865–5874. [Google Scholar] [CrossRef]
- Hwu, K.I.; Jiang, W.Z. Single-switch coupled-inductor-based two-channel LED driver with a passive regenerative snubber. IEEE Trans. Power Electron. 2017, 32, 4482–4490. [Google Scholar] [CrossRef]
- EHP-AX08EL/GT01H-P01/5670/Y/K42 High Power LED-1W Datasheet; Everlight Electronics Co., Ltd.: New Taipei, Taiwan, 2011.






















| Circuit Operating Mode | CCM |
|---|---|
| Input voltage (Vin) | |
| Output voltage (Vo) | |
| LED Rated current (Io,rated)/Rated Power (Po,rated) | 350 mA/29 W |
| LED Minimum current (Io,min)/ Min. Power (Po,min) | 87.5 mA/7.25 W |
| Switching frequency (fs)/Period (Ts) | 100 kHz/10 µs |
| LED forward voltage (VF) and current (IF) at rated condition | 3.45 V/0.35 A |
| LED cut-in forward voltage (VF,LED) at zero current | 2.7 V |
| LED strings | 6 strings with 4 LEDs per string |
| Components | Specifications |
|---|---|
| MOSFET: Q1 | IRF3250Z |
| Diodes: D1, D2, D3, D4, D5, D6 | STPS30L60C |
| Current Sharing Capacitors: C1, C2, C3, C4, C5 | 22 µF/25 V |
| Output Capacitors: Co1, Co2, Co3, Co4, Co5, Co6 | 47 µF/25 V |
| Inductor | Core: T106-18B, L = 60 µH |
| Gate Driver | TC4420 |
| LS1 | LS2 | LS3 | LS4 | LS5 | LS6 | |
|---|---|---|---|---|---|---|
| ILS (mA) | 85.4 | 86 | 85.2 | 86.6 | 85.3 | 86.5 |
| VLED (V) | 10.7 | 11.4 | 10.6 | 11.5 | 10.6 | 11.5 |
| Error (%) | −0.5 | 0.2 | −0.73 | 0.9 | −0.62 | 0.78 |
| LS1 | LS2 | LS3 | LS4 | LS5 | LS6 | |
|---|---|---|---|---|---|---|
| ILS (mA) | 172 | 175 | 172 | 175 | 172 | 175 |
| VLED (V) | 11.3 | 12.1 | 11.2 | 12.1 | 11.2 | 12.2 |
| Error (%) | −0.86 | 0.86 | −0.86 | 0.86 | −0.86 | 0.86 |
| LS1 | LS2 | LS3 | LS4 | LS5 | LS6 | |
|---|---|---|---|---|---|---|
| ILS (mA) | 348 | 352 | 348 | 347 | 349 | 351 |
| VLED (V) | 12.4 | 13 | 12.3 | 13.2 | 12.3 | 13 |
| Error (%) | −0.33 | 0.81 | −0.33 | −0.62 | −0.04 | 0.53 |
© 2019 by the authors. Licensee MDPI, Basel, Switzerland. This article is an open access article distributed under the terms and conditions of the Creative Commons Attribution (CC BY) license (http://creativecommons.org/licenses/by/4.0/).
Share and Cite
Hwu, K.-I.; Tai, Y.-K.; Tu, H.-H. Implementation of a Dimmable LED Driver with Extendable Parallel Structure and Capacitive Current Sharing. Appl. Sci. 2019, 9, 5177. https://doi.org/10.3390/app9235177
Hwu K-I, Tai Y-K, Tu H-H. Implementation of a Dimmable LED Driver with Extendable Parallel Structure and Capacitive Current Sharing. Applied Sciences. 2019; 9(23):5177. https://doi.org/10.3390/app9235177
Chicago/Turabian StyleHwu, Kuo-Ing, Yu-Kun Tai, and Hsiang-Hao Tu. 2019. "Implementation of a Dimmable LED Driver with Extendable Parallel Structure and Capacitive Current Sharing" Applied Sciences 9, no. 23: 5177. https://doi.org/10.3390/app9235177
APA StyleHwu, K.-I., Tai, Y.-K., & Tu, H.-H. (2019). Implementation of a Dimmable LED Driver with Extendable Parallel Structure and Capacitive Current Sharing. Applied Sciences, 9(23), 5177. https://doi.org/10.3390/app9235177

