Free Space Optic Receiver with Strongly Overlapped Photodetectors’ Field of View
Abstract
1. Introduction
1.1. State-of-the-Art
1.2. Receiver Concept
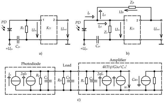
1.3. Parallel Amplifier Topology
1.4. Conditions Preserving Parallel Amplifier Advantages
2. Free Space Optic (FSO) Receiver Design
2.1. Receiver and Transmitter Parameters
2.2. FSO Receiver Bandwidth
2.3. Selecting a Suitable Photodetector
2.4. Selecting a Suitable Follow-Up Amplifier
3. FSO Receiver Assembly
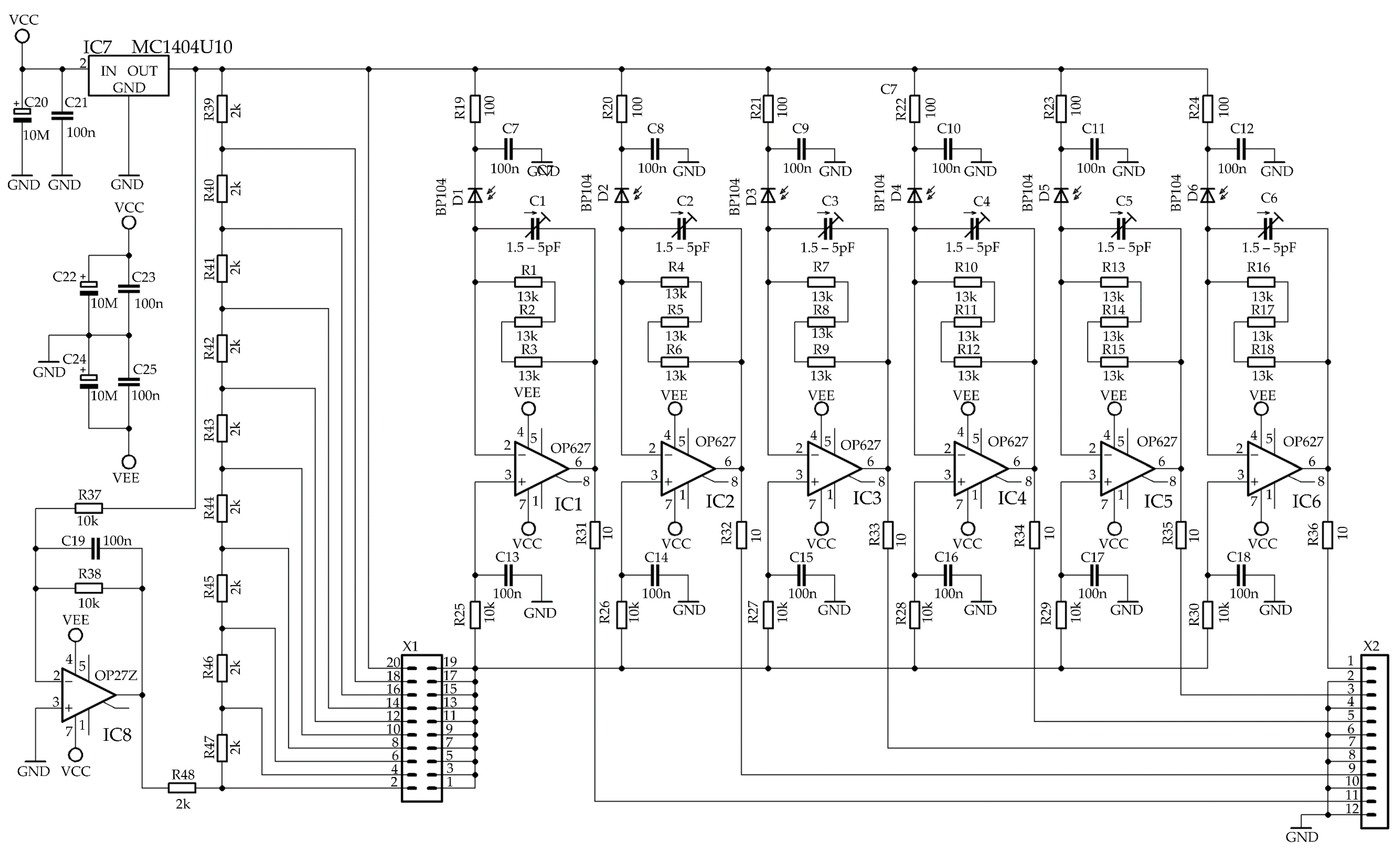
Detailed Circuit Diagram of the FSO Receiver
4. FSO Receiver Measurements
5. Conclusions
Author Contributions
Funding
Conflicts of Interest
References
- Trishenkov, M.A. Detection of Low-Level Optical Signals: Photodetectors, Focal Plane Arrays and Systems; Solid-State Science and Technology Library; Springer: Basel, Switzerland, 1997; ISBN 0792346912. [Google Scholar]
- Puschell, J.; Bayse, R. High data rate ultraviolet communication systems for the tactical battlefield. In Proceedings of the Tactical Communications Conference, Fort Wayne, IN, USA, 24–26 April 1990; pp. 253–267. [Google Scholar]
- Majumdar, A. Non-Line-Of-Sight (NLOS) Ultraviolet and Indoor Free-Space Optical (FSO) Communications. In Advanced Free Space Optics (FSO); Springer: New York, NY, USA, 2015; pp. 177–202. [Google Scholar]
- Mcclintock, R.; Razeghi, M.; Tournie, E.; Haddadi, A.; Brown, G.J. Free-space optical communication using mid-infrared or solar-blind ultraviolet sources and detectors. In Proceedings of the SPIE, Quantum Sensing and Nanophotonic Devices IX, San Francisco, CA, USA, 22–26 January 2012. [Google Scholar]
- Hall, E.; Cao, Z.L. Omnidirectional Viewing using a Fish Eye Lens. In Proceedings of the SPIE, Bellingham, WA, USA, 22 January 1987; pp. 250–256. [Google Scholar]
- Iguchi, Y.; Yamaguchi, J. Omni-directional 3D measurement using double fish-eye stereo vision. In Proceedings of the IEEE 21st Korea-Japan Joint Workshop on Frontiers of Computer Vision, Mokpo, Korea, 28–30 January 2015; ISBN 978-1-4799-1720-4. [Google Scholar]
- Takeya, A.; Kuroda, T.; Nishiguchi, K.; Ichikawa, A. Omnidirectional vision system using two mirrors. In Proceedings of the SPIE, San Diego, CA, USA, 8 December 1998; pp. 250–256. [Google Scholar]
- Zhang, C.; Xu, J.; Xi, N.; Jia, Y.; Li, W. Development of an omni-directional 3D camera for robot navigation. In Proceedings of the IEEE/ASME International Conference on Advanced Intelligent Mechatronics, Kachsiung, Taiwan, 11–14 July 2012. [Google Scholar]
- Sooyeong, Y.; Ahuja, N. An omnidirectional stereo vision system using a single camera. In Proceedings of the ICPR, Hong Kong, China, 20–24 August 2006; pp. 861–865. [Google Scholar]
- Marsh, G.; Kahn, J.M. 50 Mb/s diffuse infrared free-space link using on-off keying with decision-feedback equalization. IEEE Photonics Technol. Lett. 1994, 6, 1268–1270. [Google Scholar] [CrossRef]
- Agrawal, N.; Davis, C.C. Design of free space optical omnidirectional transceivers for indoor applications using non-imaging optical devices. In Proceedings of the SPIE, Free-Space Laser Communications VIII, San Diego, CA, USA, 10–12 August 2008. [Google Scholar]
- Murshid, S.; Lovell, G.L.; Finch, M.F. Omnidirectional Free Space Optical Receiver Architecture. In Proceedings of the SPIE, Photonic Applications for Aerospace, Commercial, and Harsh Environments IV, Baltimore, MD, USA, 29 April–1 May 2013. [Google Scholar]
- Murshid, S.H.; Lovell, G.L.; Finch, M.F. Modeled and experimental results of a omnidirectional free-space optical receiver architecture. Opt. Eng. 2017, 56. [Google Scholar] [CrossRef]
- Burton, A.; Ghassemlooy, Z.; Rajbhandari, S.; Liaw, S.K. Design and analysis of an angular-segmented full-mobility visible light communications receiver. Trans. Emerg. Telecommun. Technol. 2014, 25, 591–599. [Google Scholar] [CrossRef]
- Jungnickel, V.; Forck, A.; Haustein, T.; Kruger, U.; Pohl, V.; von Helmolt, C. Electronic tracking for wireless infrared communications. IEEE Trans. Wirel. Commun. 2003, 2, 989–999. [Google Scholar] [CrossRef]
- Trisno, S.; Tzunh-Hsien, H.; Milner, S.D.; Davis, C.C. Theoretical and experimental characterization of omnidirectional optical links for free space optical communications. In Proceedings of the MILCOM, Monterey, CA, USA, 31 October–3 November 2004; pp. 1151–1157. [Google Scholar]
- Alqudah, Y.A.; Kavehrad, M. Optimum Order of Angle Diversity with Equal-Gain Combining Receivers for Broad-Band Indoor Optical Wireless Communications. IEEE Trans. Veh. Technol. 2004, 53, 94–105. [Google Scholar] [CrossRef]
- Farr, N.; Chave, A.D.; Freitag, L.; Preisig, J.; White, S.N.; Yoerger, D.; Sonnichsen, F. Optical modem technology for seafloor observatories. In Proceedings of the OCEANS, Washington, DC, USA, 17–23 September 2005. [Google Scholar]
- Liu, X.; Gong, C.; Li, S.; Xu, Z. Signal Characterization and Receiver Design for Visible Light Communication under Weak Illuminance. IEEE Commun. Lett. 2016, 20, 1349–1352. [Google Scholar] [CrossRef]
- Sundqvist, B.; Backstrom, G. Low noise and drift by parallel amplifiers. Rev. Sci. Instrum. 1975, 928–929. [Google Scholar] [CrossRef]
- Scandurra, G.; Giusi, G.; Ciofi, C. Multichannel Amplifier Topologies for High-Sensitivity and Reduced Measurement Time in Voltage Noise Measurements. IEEE Instrum. Meas. 2013, 62, 1145–1153. [Google Scholar] [CrossRef]
- Coloumbe, J.; Rossel, O.; Bernard, S.; Soulier, F.; Cathebras, G. A new shared-input amplifier architecture with enhanced noise-power efficiency for parallel biosignal recordings. In Proceedings of the IEEE International Symposium on Circuits and Systems, Seoul, Korea, 20–23 May 2012; pp. 846–849. [Google Scholar]
- Hausman, H. Modeling parallel amplifiers. In Proceedings of the IEEE International Conference on Microwaves, Communications, Antennas and Electronic Systems, Tel Aviv, Israel, 2–4 November 2015; pp. 1–5. [Google Scholar]
- Wahab, F.A.; Leong, T.K.; Zulkifli, H.; Ibrahim, M.I.B.; Talib, M.A.B.; Zamri, N.A.; Ibrahim, O.K. Multiple transmitters & receivers for free space optical communication link performance analysis. J. Telecommun. Electron. Comput. Eng. 2016, 8, 29–32. [Google Scholar]
- Noor, M.D.; Haedzerin, N.; Al-Khateeb, W.; Naji, A.W. Experimental evaluation of multiple transmitters/receivers on free space optics link. In Proceedings of the IEEE Student Conference on Research and Development, Cyberjaya, Malaysia, 19–20 December 2011; pp. 128–133. [Google Scholar]
- Feiyang, W.U.; Logeeswaran, V.J.; Saif, M. Integrated receiver architectures for board-to-board free-space optical interconnects. Appl. Phys. A 2009, 95, 1079–1088. [Google Scholar] [CrossRef]
- Barlow, R. Statistics: A Guide to the Use of Statistical Methods in the Physical Sciences; Manchester Physics Series; John Wiley & Sons: Chichester, UK, 1989; ISBN 0-471-92294-3. [Google Scholar]
- Sedlacek, M.; Salounova, D.; Vrbicky, J. Linearni Algebra; VSB-TUO: Ostrava, Czech Republic, 1994; ISBN 80-7078-227-7. [Google Scholar]
- Dostal, Z. Linearni Algebra; VSB-TUO: Ostrava, Czech Republic, 2001; ISBN 80-7078-832-1. [Google Scholar]
- Basta, I. Zpracovani a Zaznam Signalu; CVUT: Praha, Czech Republic, 1996; ISBN 80-01-01171-2. [Google Scholar]
- Zalud, V.; Kulesov, V. Polovodicové Obvody s Malym Sumem; SNTL: Praha, Czech Republic, 1980. [Google Scholar]
- Jung, W. Op Amp Applications; Analog Devices: Norwood, MA, USA, 2002; ISBN 0-916550-26-5. [Google Scholar]
- Senior, J.M.; Yousif, M. Optical Fiber Communications: Principles and Practice; Prentice Hall Europe: London, UK, 2009; ISBN 978-0-13-032681-2. [Google Scholar]
- Ippolitto, L.J. Satellite Communications Systems Engineering: Atmospheric Effects, Satellite Link Design, and System Performance; Wiley: Hoboken, NJ, USA, 2008; ISBN 9780470725276. [Google Scholar]














| Photodiode | Idg (Dark Room) | I0 (Incandescent Bulbs 200 lx) | I0 (LED Lamps 400 lx) | I0 (Daylight 550 lx *) |
|---|---|---|---|---|
| BPW34 | 62 pA | 26.6 μA | 4.18 μA | 19.3 μA |
| BP104F | 46.9 pA | 20.8 μA | 132.3 nA | 7.09 μA |
| Type | Ca [pF] | Cin [pF] | fx [MHz] | Rin [kΩ] | Ia [μA] | fT [MHz] | fp [kHz] | Rfb [kΩ] | Cfb [pF] | ||
|---|---|---|---|---|---|---|---|---|---|---|---|
| OP27G | 8 | 27 | 3 | 1.5 | 0.583 × 10−24 | 28.4 | 1.82 | 8 | 281.3 | 20.96 | 5.06 |
| OPA602BP | 1 | 20 | 13 | 1.5 | 6.005 × 10−24 | 2.76 | 18.7 | 6.5 | 346.2 | 22.99 | 4.62 |
| OPA627BP | 8 | 27 | 5.2 | 1.5 | 1.751 × 10−24 | 9.46 | 5.47 | 16 | 140.6 | 41.92 | 2.53 |
| Active Photodetector Count | 1 | 2 | 3 | 6 |
|---|---|---|---|---|
| Measured mean BER value [/] (short optical route) | 4.25 × 10−5 | 2.49 × 10−5 | 1.66 × 10−9 | / |
| Corresponding SNR value [dB] (short optical route) | 17.91 | 18.19 | 21.45 | / |
| Measured mean BER value [/] (long optical route) | / | / | 4.79 × 10−5 | 2.72 × 10−8 |
| Corresponding SNR value [dB] (long optical route) | / | / | 17.85 | 20.72 |
| Calculated SNR value [dB] related to the long optical route | 14.31 | 14.59 | 17.85 | 20.72 |
| Operating Photodetector Count | 1 | 2 | 3 | 6 |
|---|---|---|---|---|
| Vdiff voltage controlling VGA [V] | 1.002 | 0.935 | 0.896 | 0.867 |
© 2019 by the authors. Licensee MDPI, Basel, Switzerland. This article is an open access article distributed under the terms and conditions of the Creative Commons Attribution (CC BY) license (http://creativecommons.org/licenses/by/4.0/).
Share and Cite
Witas, K.; Nedoma, J. Free Space Optic Receiver with Strongly Overlapped Photodetectors’ Field of View. Appl. Sci. 2019, 9, 343. https://doi.org/10.3390/app9020343
Witas K, Nedoma J. Free Space Optic Receiver with Strongly Overlapped Photodetectors’ Field of View. Applied Sciences. 2019; 9(2):343. https://doi.org/10.3390/app9020343
Chicago/Turabian StyleWitas, Karel, and Jan Nedoma. 2019. "Free Space Optic Receiver with Strongly Overlapped Photodetectors’ Field of View" Applied Sciences 9, no. 2: 343. https://doi.org/10.3390/app9020343
APA StyleWitas, K., & Nedoma, J. (2019). Free Space Optic Receiver with Strongly Overlapped Photodetectors’ Field of View. Applied Sciences, 9(2), 343. https://doi.org/10.3390/app9020343

