Effects of Nozzle Exit Angle on the Pressure Characteristics of SRWJs Used for Deep-Hole Drilling
Abstract
Featured Application
Abstract
1. Introduction
2. Generation of SRWJs
3. Experimental Setup and Procedures
3.1. Facilities and Procedures
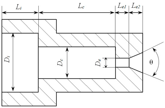
3.2. Design of Organ-Pipe Nozzles
3.3. Experimental Uncertainties
4. Experimental Results and Discussion
4.1. Axial Pressure Oscillations
4.2. Preliminary Non-Dimensional Analysis
5. Conclusions
- (1)
- The exit angle of the organ-pipe nozzle greatly affects the axial pressure oscillations of SRWJs, with different angles causing obviously different values of Pmax and Pa at standoff distances of S > 10 mm.
- (2)
- The exit angle of 0° always leads to the largest values of Pmax and Pa under the two inlet pressures, and makes the jet possess the typical pressure feature of a SRWJ; while for the other exit angles, both Pmax and Pa decrease rapidly with the increasing standoff distance.
- (3)
- At an inlet pressure of 10 MPa, the exit angle of 90° always results in the minimum values of Pmax and Pa at almost all the testing standoff distances, while at an inlet pressure of 20 MPa, the exit angle of 60° takes the place of 90°.
- (4)
- When the exit angle is 0°, both Pmax and Pa have a convex quadratic relationship with the standoff distance, while they have a concave quadratic relationship with the standoff distance when the exit angle is 30°, 45°, 60°, 75°, and 90°.
Author Contributions
Funding
Conflicts of Interest
Nomenclature
| Dj | jet diameter (m) |
| Di | inlet diameter of organ-pipe nozzle (m) |
| Dc | chamber diameter of organ-pipe nozzle (m)] |
| De | exit diameter of organ-pipe nozzle (m) |
| Ma | Mach number, Uj/c |
| Kn | mode number |
| Lc | chamber length of organ-pipe nozzle (m) |
| Le1 | length of the straight part of the nozzle exit (m) |
| Le2 | length of the divergent part of the nozzle exit (m) |
| A1 | upstream cross-section area at the contraction (m2) |
| A2 | downstream cross-section area at the contraction (m2) |
| Sd | Strouhal number |
| Uj | jet velocity (m/s) |
| Pa | pressure oscillation amplitude (MPa) |
| Pmax | pressure oscillation peak (MPa) |
| Pmin | minimum pressure oscillation (MPa) |
| Pi | inlet pressure (MPa) |
| P0 | environment pressure (MPa) |
| S | standoff distance (m) |
| f0 | frequency of the pressure wave (Hz) |
| fv | structuring frequency of the jet (Hz) |
| λ | length of the standing wave (m) |
| c | local sound speed (m/s) |
| n | natural number |
| ρ | water density (kg/m3) |
| g | gravity acceleration (m/s2) |
| hf | frictional head loss (m) |
| hj | local head loss (m) |
| η | coefficient of the frictional head loss |
| k | coefficient of the local head loss |
| l | length of the flow channel (m) |
| u | flow velocity in the nozzle (m/s) |
| θ | exit angle of organ-pipe nozzle (°) |
| γ | experimental error of Pa |
References
- Zelenak, M.; Foldyna, J.; Scucka, J.; Hloch, S.; Riha, Z. Visualisation and measurement of high-speed pulsating and continuous water jets. Measurement 2015, 72, 1–8. [Google Scholar] [CrossRef]
- Karpuz, C. Energy Efficiency of Drilling Operations. In Energy Eff Miner Ind; Awuah-Offei, K., Ed.; Springer: Cham, Switzerland, 2018; pp. 71–86. ISBN 978-3-319-54198-3. [Google Scholar]
- Liu, S.; Liu, Z.; Cui, X.; Jiang, H. Rock breaking of conical cutter with assistance of front and rear water jet. Tunn. Undergr. Space Technol. 2014, 42, 78–86. [Google Scholar] [CrossRef]
- Shen, C.; Lin, B.; Sun, C.; Zhang, Q.; Li, Q. Analysis of the stress–permeability coupling property in water jet slotting coal and its impact on methane drainage. J. Pet. Sci. Eng. 2015, 126, 231–241. [Google Scholar] [CrossRef]
- Kang, C.; Liu, H.; Soyama, H. Estimation of aggressive intensity of a cavitating jet with multiple experimental methods. Wear 2018, 394, 176–186. [Google Scholar] [CrossRef]
- Schwartzentruber, J.; Spelt, J.; Papini, M. Prediction of surface roughness in abrasive waterjet trimming of fiber reinforced polymer composites. Int. J. Mach. Tool Manuf. 2017, 122, 1–17. [Google Scholar] [CrossRef]
- Liu, Y.; Wei, J.; Ren, T.; Lu, Z. Experimental study of flow field structure of interrupted pulsed water jet and breakage of hard rock. Int. J. Rock Mech. Min. Sci. 2015, 78, 253–261. [Google Scholar] [CrossRef]
- Huang, M.; Kang, Y.; Wang, X.; Hu, Y.; Li, D.; Cai, C.; Liu, Y. Experimental investigation on the impingement characteristics of a self-excited oscillation pulsed supercritical carbon dioxide jet. Exp. Therm. Fluid Sci. 2018, 94, 304–315. [Google Scholar] [CrossRef]
- Arthurs, D.; Ziada, S. Self-excited oscillations of a high-speed impinging planar jet. J. Fluid Struct. 2012, 34, 236–258. [Google Scholar] [CrossRef]
- Johnson, V.; Lindenmuth, W.; Conn, A.; Frederick, G. Feasibility Study of Tuned-Resonator, Pulsating Cavitating Water Jet for Deep-Hole Drilling; SAND-81-7126, Technical Report; Department of Energy Office of Scientific and Technical Information: Oak Ridge, TN, USA, 1981. Available online: https://www.osti.gov/biblio/6266875 (accessed on 24 April 2017).
- Crow, S.; Champagne, F. Orderly structure in jet turbulence. J. Fluid Mech. 1971, 48, 547–591. [Google Scholar] [CrossRef]
- Chahine, G.; Johnson, V. Mechanics and applications of self-resonating cavitating jets. Proc. Int. Symp. Jets Cav. ASME 1985, 15, 21–33. [Google Scholar]
- Li, G.; Shi, H.; Liao, H.; Shen, Z.; Niu, J.; Huang, Z.; Luo, H. Hydraulic pulsed cavitating jet-assisted drilling. Pet. Sci. Technol. 2009, 27, 197–207. [Google Scholar] [CrossRef]
- Li, G.; Shen, Z.; Zhou, C.; Zhang, D.; Chen, H. Investigation and application of self-resonating cavitating water jet in petroleum engineering. Pet. Sci. Technol. 2005, 23, 1–15. [Google Scholar]
- Ding, X.; Kang, Y.; Li, D.; Wang, X.; Zeng, D. Experimental Investigation on Surface Quality Processed by Self-Excited Oscillation Pulsed Waterjet Peening. Materials 2017, 10, 989. [Google Scholar] [CrossRef] [PubMed]
- Peng, K.; Tian, S.; Li, G.; Huang, Z.; Yang, R.; Guo, Z. Bubble dynamics characteristics and influencing factors on the cavitation collapse intensity for self-resonating cavitating jets. Pet. Explor. Dev. 2018, 45, 343–350. [Google Scholar] [CrossRef]
- Liu, W.; Kang, Y.; Zhang, M.; Zhou, Y.; Wang, X.; Li, D. Frequency Modulation and Erosion Performance of a Self-Resonating Jet. Appl. Sci. 2017, 7, 932. [Google Scholar]
- Fang, Z.; Kang, Y.; Wang, X.; Li, D.; Hu, Y.; Huang, M.; Wang, X. Numerical and experimental investigation on flow field characteristics of organ pipe nozzle. In Proceedings of the IOP Conference Series: Earth and Environmental Science, Montreal, QC, Canada, 22–26 September 2014. [Google Scholar]
- Chahine, G.; Genoux, P. Collapse of a cavitating vortex ring. J. Fluid Eng. 1983, 105, 400–405. [Google Scholar] [CrossRef]
- Li, D.; Chen, Y.; Kang, Y.; Wang, Z.; Wang, X.; Fan, Q.; Yuan, M. Experimental investigation of the preferred Strouhal number used in self-resonating pulsed waterjet. J. Mech. Sci. Technol. 2018, 32, 4223–4229. [Google Scholar] [CrossRef]
- Li, D.; Li, X.; Kang, Y.; Wang, X.; Long, X.; Wu, S. Experimental investigation on the influence of internal surface roughness of organ pipe nozzle on the characteristics of high pressure jet. J. Mech. Eng. 2015, 51, 169–176. (In Chinese) [Google Scholar] [CrossRef]
- Li, D.; Kang, Y.; Ding, X.; Wang, X.; Fang, Z. Effects of Nozzle Inner Surface Roughness on the Performance of Self-Resonating Cavitating Waterjets under Different Ambient Pressures. Stroj. Vestn. J. Mech. Eng. 2017, 63, 92–102. [Google Scholar] [CrossRef]
- Li, D.; Kang, Y.; Ding, X.; Liu, W. Experimental study on the effects of feeding pipe diameter on the cavitation erosion performance of self-resonating cavitating waterjet. Exp. Therm. Fluid Sci. 2017, 82, 314–325. [Google Scholar] [CrossRef]
- Li, D.; Kang, Y.; Ding, X.; Wang, X.; Fang, Z. An experimental investigation on the pressure characteristics of high speed self-resonating pulsed waterjets influenced by feeding pipe diameter. J. Mech. Sci. Technol. 2016, 30, 4997–5007. [Google Scholar] [CrossRef]
- Li, D.; Kang, Y.; Ding, X.; Wang, X.; Fang, Z. Effects of area discontinuity at nozzle inlet on the characteristics of self-resonating cavitating waterjet. Chin. J. Mech. Eng. 2016, 29, 813–824. [Google Scholar] [CrossRef]
- Li, D.; Kang, Y.; Ding, X.; Liu, W. Effects of the geometry of impinging surface on the pressure oscillations of self-resonating pulsed waterjet. Adv. Mech. Eng. 2017, 9, 1687814017720081. [Google Scholar] [CrossRef]
- Li, D.; Kang, Y.; Wang, X.; Ding, X.; Fang, Z. Effects of nozzle inner surface roughness on the cavitation erosion characteristics of high speed submerged jets. Exp. Therm. Fluid Sci. 2016, 74, 444–452. [Google Scholar] [CrossRef]
- Li, D.; Kang, Y.; Ding, X.; Wang, X.; Fang, Z. Effects of area discontinuity at nozzle inlet on the characteristics of high speed self-excited oscillation pulsed waterjets. Exp. Therm. Fluid Sci. 2016, 79, 254–265. [Google Scholar] [CrossRef]
- Li, D.; Kang, Y.; Ding, X.; Wang, X.; Liu, W. Effects of feeding pipe diameter on the performance of a jet-driven Helmholtz oscillator generating pulsed waterjets. J. Mech. Sci. Technol. 2017, 31, 1203–1212. [Google Scholar] [CrossRef]
- Qu, Y.; Chen, S. Orthogonal experimental research on the structural parameters of a self-excited pulsed cavitation nozzle. Eur. J. Mech.-B/Fluid 2017, 65, 179–183. [Google Scholar] [CrossRef]
- Arthurs, D.; Ziada, S. Effect of nozzle thickness on the self-excited impinging planar jet. J. Fluid Struct. 2014, 44, 1–16. [Google Scholar] [CrossRef]
- Fan, J.; Wang, Z.; Chen, S. Self-excited oscillation frequency characteristics of a paralleled pulsed jet nozzle. Energy Proced. 2017, 141, 619–624. [Google Scholar]
- Wang, X.; Kang, Y.; Zhang, M.; Yuan, M.; Li, D. The Effects of the Downstream Contraction Ratio of Organ-Pipe Nozzle on the Pressure Oscillations of Self-Resonating Waterjets. Energies 2018, 11, 3137. [Google Scholar] [CrossRef]









| Made | Nominal Pressure (MPa) | Burst Pressure (MPa) | Accuracy | Influence Effects of Supply (10 V) | Influence Effects of Load (10 V) | Thermal Error (10 K) |
|---|---|---|---|---|---|---|
| BD Sensors | 45 | 100 | ±0.5% FS | 0.05% FS | ±0.2% | ±0.5% FS |
| Made | Nominal Pressure (MPa) | Burst Pressure (MPa) | Frequency Response (KHz) | Accuracy | Repeatability | Nonlinearity |
|---|---|---|---|---|---|---|
| Measurement SPECIALTIES™ | 35 | 105 | 288 | ≤±0.25% FS | ±0.2% | ±0.25% |
| Pi (MPa) | Li (mm) | Lc (mm) | Le1 (mm) | Le2 (mm) | θ | Di (mm) | Dc (mm) | De (mm) |
|---|---|---|---|---|---|---|---|---|
| 10 | 10 | 21 | 2 | 3 | 0°, 30°, 45°, 60°, 75°, 90° | 13 | 5 | 2 |
| 20 | 15 |
© 2019 by the authors. Licensee MDPI, Basel, Switzerland. This article is an open access article distributed under the terms and conditions of the Creative Commons Attribution (CC BY) license (http://creativecommons.org/licenses/by/4.0/).
Share and Cite
Li, D.; Wang, Z.; Yuan, M.; Fan, Q.; Wang, X. Effects of Nozzle Exit Angle on the Pressure Characteristics of SRWJs Used for Deep-Hole Drilling. Appl. Sci. 2019, 9, 155. https://doi.org/10.3390/app9010155
Li D, Wang Z, Yuan M, Fan Q, Wang X. Effects of Nozzle Exit Angle on the Pressure Characteristics of SRWJs Used for Deep-Hole Drilling. Applied Sciences. 2019; 9(1):155. https://doi.org/10.3390/app9010155
Chicago/Turabian StyleLi, Deng, Zu’an Wang, Miao Yuan, Qi Fan, and Xiaochuan Wang. 2019. "Effects of Nozzle Exit Angle on the Pressure Characteristics of SRWJs Used for Deep-Hole Drilling" Applied Sciences 9, no. 1: 155. https://doi.org/10.3390/app9010155
APA StyleLi, D., Wang, Z., Yuan, M., Fan, Q., & Wang, X. (2019). Effects of Nozzle Exit Angle on the Pressure Characteristics of SRWJs Used for Deep-Hole Drilling. Applied Sciences, 9(1), 155. https://doi.org/10.3390/app9010155

