Theoretical Assessment of DC/DC Power Converters’ Basic Topologies. A Common Static Model
Abstract
:Featured Application
Abstract
1. Introduction
2. Operating Modes of a DC/DC Converter. Definition of Parameters
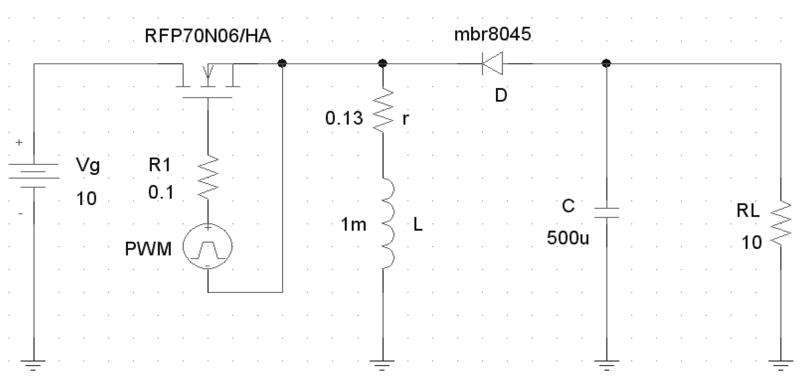
3. Boost Converter
3.1. Determination of the Generator-Supplied Current
3.2. Loss Resistance, Loss Voltage and Voltage Gain Determination
3.3. Input Resistance
3.4. Efficiency
3.5. Conventional Approximate Analysis
3.6. Discontinuous Conduction Mode (DCM)
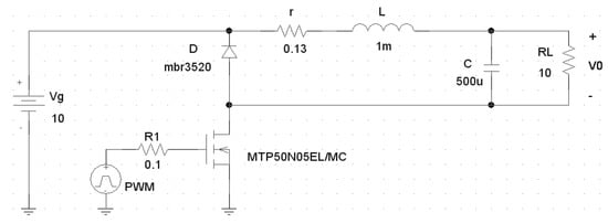
4. Buck Converter
4.1. Determination of Generator-Supplied Current
4.2. Loss Resistance, Loss Voltage and Voltage Gain Determination
4.3. Input Resistance
4.4. Efficiency
4.5. Conventional Approximate Analysis
4.6. Discontinuous Conduction Mode (DCM)
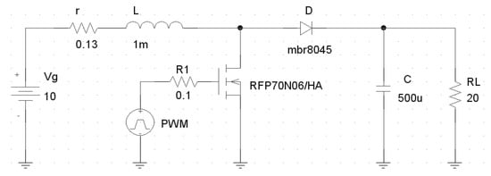
5. Buck-Boost Converter
5.1. Determination of Generator-Supplied Current
5.2. Loss Resistance, Loss Voltage and Voltage Gain Determination
5.3. Input Resistance
5.4. Efficiency
5.5. Conventional Approximate Analysis
5.6. Discontinuous Conduction Mode (DCM)
6. Results
6.1. Boost Converter
6.2. Buck Converter
6.3. Buck-Boost Converter
7. Discussion
8. Conclusions
Author Contributions
Conflicts of Interest
References
- Blaabjerg, F.; Chen, Z.; Kjær, S.B. Power electronics as efficient interface in dispersed power generation systems. IEEE Trans. Pow. Electron. 2004, 19, 1184–1194. [Google Scholar] [CrossRef]
- Ferrera, M.B.; Durán, E.; Pérez, S.; Andújar, J.M. A Converter for Bipolar DC Link Based on SEPIC-Cuk Combination. IEEE Trans. Pow. Electron. 2015, 30, 6483–6487. [Google Scholar] [CrossRef]
- Durán, E.; Galán, J.A.; Sidrach-de-Cardona, M.; Andújar, J.M. A new application of the buck-boost-derived converters to obtain the I-V curve of photovoltaic modules. In Proceedings of the Power Electronics Specialists Conference, Orlando, FL, USA, 17–21 June 2007; pp. 413–417. [Google Scholar] [CrossRef]
- Segura, F.; Andújar, J.M. Power management based on sliding control applied to fuel cell systems: A further step towards the hybrid control concept. Appl. Energy 2012, 99, 213–225. [Google Scholar] [CrossRef]
- Vasallo, M.J.; Andújar, J.M.; García, C.; Brey, J.J. A Methodology for Sizing Backup Fuel-Cell/Battery Hybrid Power Systems. IEEE Trans. Ind. Electron. 2010, 57, 1964–1975. [Google Scholar] [CrossRef]
- Segura, F.J.; Andújar, J.M.; Durán, E. Analog Current Control Techniques for Power Control in PEM Fuel Cell Hybrid Systems: A Critical Review and a Practical Application. IEEE Trans. Ind. Electron. 2011, 88, 1171–1184. [Google Scholar] [CrossRef]
- Chakraborty, C.; Iu, H.H.-C.; Lu, D.D.-C. Power Converters, Control, and Energy Management for Distributed Generation. IEEE Trans. Ind. Electron. 2015, 62, 4466–4470. [Google Scholar] [CrossRef]
- Andújar, J.M.; Segura, F.; Durán, E.; Rentería, L.A. Optimal interface based on power electronics in distributed generation systems for fuel cells. Renew. Energy 2011, 36, 2759–2770. [Google Scholar] [CrossRef]
- Segura, F.; Durán, E.; Andújar, J.M. Design, building and testing of a stand-alone fuel cell hybrid system. J. Power Sour. 2009, 193, 276–284. [Google Scholar] [CrossRef]
- Na, W.; Chen, P.; Kim, J. An Improvement of a Fuzzy Logic-Controlled Maximum Power Point Tracking Algorithm for Photovoltaic Applications. Appl. Sci. 2017, 7, 326. [Google Scholar] [CrossRef]
- Zhang, G.; Qian, J.; Zhang, X. Application of a High-Power Reversible Converter in a Hybrid Traction Power Supply System. Appl. Sci. 2017, 7, 282. [Google Scholar] [CrossRef]
- Chen, M.; Ma, S.; Wu, J.; Huang, L. Analysis of MPPT Failure and Development of an Augmented Nonlinear Controller for MPPT of Photovoltaic Systems under Partial Shading Conditions. Appl. Sci. 2017, 7, 95. [Google Scholar] [CrossRef]
- Valera-García, J.J.; Atutxa-Lekue, I. Integrated Power Systems for Offshore Vessels. Control, trends and challenges. Rev. Iberoam. Autom. Inf. Ind. 2016, 13, 3–14. [Google Scholar] [CrossRef]
- Piris-Botalla, L.; Oggier, G.G.; Airabella, A.M.; García, G.O. Extending the sot-switching operating range of a bidirectional three-port DC-DC converter. Rev. Iberoam. Autom. Inf. Ind. 2016, 13, 127–134. [Google Scholar] [CrossRef]
- Real-Calvo, R.; Moreno-Munoz, A.; Pallares-Lopez, V.; Gonzalez-Redondo, M.J.; Moreno-Garcia, I.M.; Palacios-Garcia, E.J. Intelligent Electronic System to Control the Interconnection Between Distributed Generation Resources and Power Grid. Rev. Iberoam. Autom. Inf. Ind. 2017, 14, 56–69. [Google Scholar] [CrossRef]
- Middlebrook, R.D.; Cuk, S. Modeling and analysis methods for DC-to-DC switching converters. In Proceedings of the IEEE International Semiconductor Power Converter Conference, Lake Buena Vista, FL, USA, 28–31 March 1977; pp. 90–111. [Google Scholar]
- Wester, G.W. Low-Frequency Characterization of Switched DC-DC Converters. Ph.D. Thesis, California Institute of Technology, Pasadena, CA, USA, 1972. [Google Scholar]
- Wester, G.W.; Middlebrook, R.D. Low-frequency characterization of switched DC-to-DC converters. IEEE Trans. Aeros. Electron. Syst. 1973, AES-9, 376–385. [Google Scholar] [CrossRef]
- Owen, H.A.; Capel, A.; Ferrante, J.G. Simulation and analysis methods for sampled power electronic systems. In Proceedings of the IEEE Power Electronics Specialists Conference, Cleveland, OH, USA, 8–10 June 1976; pp. 45–55. [Google Scholar] [CrossRef]
- Lee, F.C.Y.; Iwens, R.P.; Yu, Y.; Triner, J.E. Generalized computer-aided discrete time domain modeling and analysis of DC-DC converters. IEEE Trans. Ind. Electron. Cont. Inst. 1979, IECI-26, 58–69. [Google Scholar] [CrossRef]
- Cuk, S.; Middlebrook, R.D. A general unified approach to modelling switching dc-to-dc converters in discontinuous conduction mode. In Proceedings of the IEEE Power Electronics Specialists Conference, Palo Alto, CA, USA, 14–16 June 1977. [Google Scholar] [CrossRef]
- Vorperian, V.; Cuk, S. Small signal analysis of resonant converters. In Proceedings of the IEEE Power Electronics Specialists Conference, Albuquerque, NM, USA, 6–9 June 1983. [Google Scholar] [CrossRef]
- Vorperian, V.; Tymerski, R.; Lee, F.C.Y. Equivalent circuit models for resonant and PWM switches. IEEE Trans. Power Electron. 1989, 4, 205–214. [Google Scholar] [CrossRef]
- Vorperian, V. Simplified analysis of PWM converters using model of PWM switch. Part I and II. IEEE Trans. Aeros. Electron. Syst. 1990, 26, 490–505. [Google Scholar] [CrossRef]
- Sanders, S.R.; Noworolski, J.M.; Liu, X.Z.; Verghese, G.C. Generalized averaging method for power conversion circuits. IEEE Trans. Power Electron. 1991, 6, 251–259. [Google Scholar] [CrossRef]
- Noworolski, J.M.; Sanders, S.R. Generalized in-plane circuit averaging. In Proceedings of the IEEE Applied Power Electronics Conference and Exposition, Dallas, TX, USA, 10–15 March 1991. [Google Scholar] [CrossRef]
- Oliver, J.A.; Cobos, J.A.; Uceda, J.; Rascon, M.; Quinones, C. Systematic approach for developing large-signal averaged models of multi-output PWM converters. In Proceedings of the IEEE Power Electronics Specialists Conference, Galway, Ireland, 23 June 2000. [Google Scholar] [CrossRef]
- Luowei, Z.; Sucheng, L.; Weiguo, L.; Shuchang, H. Quasi-steady-state large-signal modelling of DC-DC switching converter: Justification and application for varying operating conditions. IET Power Electron. 2014, 7, 2455–2464. [Google Scholar] [CrossRef]
- Yan, Y.; Lee, F.C.; Mattavelli, P. Comparison of small signal characteristics in current mode control schemes for point-of-load buck converter applications. IEEE Trans. Power Electron. 2013, 28, 3405–3414. [Google Scholar] [CrossRef]
- Xin, L.; Xinbo, R.; Qian, J.; Mengke, S.; Chi, K.T. Small-Signal Models with Extended Frequency Range for DC-DC Converters with Large Modulation Ripple Amplitude. IEEE Trans. Power Electron. 2017. [Google Scholar] [CrossRef]
- El Aroudi, A.; Giaouris, D.; Iu, H.H.-C.; Hiskens, I.A. A review on stability analysis methods for switching mode power converters. IEEE J. Emerg. Sel. Top. Circuits Syst. 2015, 5, 302–315. [Google Scholar] [CrossRef]
- Zhioua, M.; El Aroudi, A.; Belghith, S.; Bosque-Moncusí, J.M.; Giral, R.; Al Hosani, K.; Al-Numay, M. Modeling Dynamics Bifurcation Behavior and Stability Analysis of a DC-DC Boost Converter in Photovoltaic Systems. Int. J. Bifur. Chaos 2016, 26, 1650166. [Google Scholar] [CrossRef]
- Beg, O.A.; Abbas, H.; Johnson, T.T.; Davoudi, A. Model Validation of PWM DC-DC Converters. IEEE Trans. Ind. Electron. 2017, 64, 7049–7059. [Google Scholar] [CrossRef]
- Enrique, J.M.; Durán, E.; Sidrach-De-Cardona, M.; Andújar, J.M. Theoretical Assessment of the Maximum Power Point Tracking Efficiency of Photovoltaic Facilities with Different Converter Topologies. Sol. Energy 2007, 81, 31–38. [Google Scholar] [CrossRef]
- Durán, E.; Andújar, J.M.; Galán, J.A.; Sidrach-De-Cardona, M. Methodology and experimental system for measuring and displaying I-V characteristic curves of PV facilities. Prog. Photovoltaic. Res. Appl. 2009, 17, 574–586. [Google Scholar] [CrossRef]
- Erickson, R.W.; Cuk, S.; Middlebrook, R.D. Large-signal modelling and analysis of switching regulators. In Proceedings of the IEEE Power Electronics Specialists Conference, Cambridge, MA, USA, 14–17 June 1982. [Google Scholar] [CrossRef]
- Middlebrook, R.D.; Cuk, S. A General Unified Approach to Modelling Switching-Converter Power Stages. In Proceedings of the IEEE Power Electronics Specialists Conference, Cleveland, OH, USA, 8–10 June 1976. [Google Scholar] [CrossRef]
- Singer, S.; Erickson, R. Canonical modeling of power processing circuits based on the POPI concept. IEEE Trans. Power Electron. 1992, 7, 37–43. [Google Scholar] [CrossRef]
- Tamerski, R.; Vorperian, V. Generation, Classification and Analysis of Switched-Mode DC-to-DC Converters by the Use of Converter Cells. In Proceedings of the Elecommunications Energy Conference, Toronto, ON, Canada, 19–22 October 1986. [Google Scholar] [CrossRef]
























| Model | Converter | AVr | Ri | h |
|---|---|---|---|---|
| Developed | Boost | 0.45% | 0.66% | 0.30% |
| Buck | 0.73% | 1.61% | 0.31% | |
| Buck-boost | 1.4% | 1.98% | 0.84% | |
| Conventional | Boost | 2.93% | 2.19% | 2.69% |
| Buck | 7.10% | 5.39% | 8.09% | |
| Buck-boost | 7.57% | 5.87% | 8.65% |
| Parameter | Boost | Buck | Buck-boost |
|---|---|---|---|
| RX | |||
| VX | |||
| AVi | |||
| δf-crit | |||
| where: | |||
| For all converters: | |||
© 2017 by the authors. Licensee MDPI, Basel, Switzerland. This article is an open access article distributed under the terms and conditions of the Creative Commons Attribution (CC BY) license (http://creativecommons.org/licenses/by/4.0/).
Share and Cite
Enrique, J.M.; Barragán, A.J.; Durán, E.; Andújar, J.M. Theoretical Assessment of DC/DC Power Converters’ Basic Topologies. A Common Static Model. Appl. Sci. 2018, 8, 19. https://doi.org/10.3390/app8010019
Enrique JM, Barragán AJ, Durán E, Andújar JM. Theoretical Assessment of DC/DC Power Converters’ Basic Topologies. A Common Static Model. Applied Sciences. 2018; 8(1):19. https://doi.org/10.3390/app8010019
Chicago/Turabian StyleEnrique, Juan Manuel, Antonio Javier Barragán, Eladio Durán, and José Manuel Andújar. 2018. "Theoretical Assessment of DC/DC Power Converters’ Basic Topologies. A Common Static Model" Applied Sciences 8, no. 1: 19. https://doi.org/10.3390/app8010019
APA StyleEnrique, J. M., Barragán, A. J., Durán, E., & Andújar, J. M. (2018). Theoretical Assessment of DC/DC Power Converters’ Basic Topologies. A Common Static Model. Applied Sciences, 8(1), 19. https://doi.org/10.3390/app8010019

