Next Article in Journal
On the Optimisation of Practical Wireless Indoor and Outdoor Microcells Subject to QoS Constraints
Next Article in Special Issue
Strategies to Automatically Derive a Process Model from a Configurable Process Model Based on Event Data
Previous Article in Journal
Stochastic Investigation of Consolidation Process in Spatially Correlated Heterogeneous Soils
Previous Article in Special Issue
Reliability-Based and Cost-Oriented Product Optimization Integrating Fuzzy Reasoning Petri Nets, Interval Expert Evaluation and Cultural-Based DMOPSO Using Crowding Distance Sorting
 
 
Font Type:
Arial Georgia Verdana
Font Size:
Aa Aa Aa
Line Spacing:
Column Width:
Background:
Article

Decision Support Simulation Method for Process Improvement of Intermittent Production Systems

Faculty of Mechanical Engineering and Informatics, Institute of Logistics, University of Miskolc, 3515 Miskolc-Egyetemváros, Hungary
Appl. Sci. 2017, 7(9), 950; https://doi.org/10.3390/app7090950
Submission received: 20 August 2017 / Revised: 2 September 2017 / Accepted: 13 September 2017 / Published: 15 September 2017
(This article belongs to the Special Issue Modeling, Simulation, Operation and Control of Discrete Event Systems)

Abstract

Nowadays production system processes are undergoing sweeping changes. The trends include an increase in the number of product variants to be produced, as well as the reduction of the production’s lead time. These trends were induced by new devices of the industry’s 4.0, namely the Internet of Things and cyber physical systems. The companies have been applying intermittent production systems (job production, batch production) because of the increase in the number of product variants. Consequently, increasing the efficiency of these systems has become especially important. The aim of development in the long term—not achievable in many cases—is the realization of unique production, with mass production’s productivity and lower cost. The improvement of complex production systems can be realized efficiently only through simulation modeling. A standardized simulation method for intermittent production systems has not been elaborated so far. In this paper, I introduce a simulation method for system improvement and present its application possibilities and a practical example.

1. Introduction

Continuous improvement of production processes based on customer demands is necessary in order to increase or maintain competitiveness. The only companies that can stay competitive in the long term are those that are able to carry out continuous improvements and adapt to external environmental changes in all the companies’ areas [1]. If we take into consideration the sweeping changes in the transformation of production systems in the last 50 years and the developmental possibilities that arise from the technological progress, we can see that process improvement is a very important research area [2]. The general trends are the satisfaction of unique customer demands, as well as a reduction in production lead time [3,4]. These trends create some new challenges that can only be overcome with intensive improvement of intermittent production systems. Process improvement can refer to the production systems to be realized. Intermittent production systems are especially complex because in the material flow routes for products/product families the technological equipment’s operation time and changeover time often differ, as do the applied unit load making devices [4,5]. In practice, improvement can be realized by using the lean philosophy’s device system [5,6]. However, the application of simulation modeling technology is becoming more prominent because of the processing’s increasing complexity and developmental demand. We can explain simulation as a method for making a computer model on the basis of the real/planned systems; consequently, we examine these systems’ status changes [3]. We can classify the simulation models according to several aspects. If the simulation model’s input data contain stochastic variables, we can speak about a stochastic simulation model; otherwise, the simulation model is deterministic [7].
We can distinguish discrete and continuous simulation models on the basis of another classification aspect. The system’s status will be changed in the discrete points of time in the case of the discrete model and at every point of time in the case of the continuous model [8,9]. Basically, the discrete simulation models are used for the production areas [10,11]. Simulation modeling has been applied in both continuous production systems [12,13] and intermittent production systems (for example: process improvement [14], production scheduling [10], etc.). Besides the examination of production systems, simulation modeling has been applied in other areas as well (for example: disaster logistics [15], port logistics [16], air circulation in a tennis hall [17], and electric distribution [18]). The objective of the simulation examinations can be the determination of selected system parameters at different model settings [19,20], simulation examination of real-time systems [21,22,23], or optimizing the workings of assigned systems [24,25] for intermittent manufacturing systems. Such examinations have been carried out by discrete event controlled simulation modeling [19,20,21,22,23,24,25] or Petri nets [26,27,28,29]. Discrete event controlled simulation modeling has become increasingly important due to its applicability and flexibility. However, the studies have only examined the production processes of one product family (in which the examined products’ material flow routes are the same) and/or contain several simplifications.
These studies do not explain how we can create a simulation investigational model in the case of the most complex intermittent manufacturing systems. There is a need for a simulation investigational model for intermittent production systems that is able to analyze the logistical processes of more than one product family simultaneously, where the parameters of the logistical processes can differ from each other (e.g., operation times, changeover times, batch sizes, or types of the unit load forming devices), as well as having numerous material flow nodes and backflows. The ability to model such systems is very important because the complexity of manufacturing systems will increase in the future as a result of the diversification of customer needs.
We have carried out numerous research projects [6,30,31,32] in recent years and have gained a great deal of experience in simulation modeling technology. I have elaborated a general simulation investigational method based on our experience that is able to examine the operation of even the most complex intermittent production systems. Here I introduce the applied framework’s most important characteristics and the elaborated simulation method for the making of the simulation examination, present the method’s application possibilities, and give a short example related to an intermittent manufacturing system. I wanted to introduce the investigational method’s working with real company data as well, but it was not possible due to confidentiality obligations.

2. Introduction of the Applied Simulation’s Framework

We applied the Plant Simulations’ framework 10.1 for the elaborated simulation investigational method. This framework was made by Siemens PLM Software. Naturally the elaborated investigational method can be applied to other simulation frameworks as well (for example: simul8, arena, etc.).
The applied framework most important characteristics are [33]:
  • Discrete event-controlled operation: The framework enables the model’s fast running because the software will only examine the next important event (for example: arrival of a truck, making a product, etc.).
  • Object-oriented approach: The framework contains predefined objects whose behavior can be set with predefined input data columns in most events (we can use the simtalk programming language if necessary).
  • Graphical display possibility: There are numerous types of diagrams and functions for displaying the created model’s output data.
  • Animation display possibility: We can also execute the created simulation models with the use of animation.
  • Interactive working: Modification of the input data is possible while the simulation is running (the simulations’ operation will change because of the modification).
  • Connection possibility to external databases: We can connect the simulations’ framework to external databases (for example: Oracle, SQL, ODBC, XML, etc.).
The simulation framework’s most important structural elements are:
  • Class library: This element contains all the objects for making the simulation model. The class library’s one object name is “class,” which object parameters can modify arbitrarily, as well as creating new classes (by copy or inheritance).
  • Toolbox: This element enables faster access to the objects. These objects exist in the class library as well. Consequently, there is a close link between the toolbox’s and the class library’s objects.
  • Modeling area: Actually, a simulation model can be made in a “frame” (the “frame” is a modeling area for the simulation model). We can create several frames within a frame (in horizontal and/or vertical structures) to enhance transparency (for example: if we have to make a simulation model of a manufacturing plant we can use a frame for the raw material warehouse, another frame for the production system and so on).
  • Console: We can gain some information about the current status of the simulation model objects while the simulation model is running (for example: values of variables, failure messages, etc.).

3. Simulation of Investigational Method for Intermittent Manufacturing Systems

There are numerous possibilities to improving a production system’s logistics processes (for example: reduction of changeover time, reduction of operation time, installation of new technological equipment, etc.). However, their effects are difficult to forecast in the case of intermittent manufacturing systems. In practice, it may be that an intended improvement will not reach its aim (predefined productivity, etc.), which can lead to unsatisfied customer demands. In addition, the long-term examination of improvement possibilities can result in a competitive disadvantage. We introduce here the steps for a simulation of investigational method for performing more efficient intermittent production system examinations. With improvement, decision lead time can be decreased and efficiency can be increased. Figure 1 shows the elaborated simulation investigational model’s steps.
Step 1. Determination of the simulation examination’s aims: There can be numerous objectives regarding the simulation examination of the production systems:
  • Elimination of planning failure.
  • Comparison of planning alternatives.
  • Determination of the logistics system’s capability.
  • Comparison of the management strategy versions.
  • Determination of the more efficient production program.
  • Examination of the planned development’s effects, etc.
Step 2. Definition of the examined system: We have to define the examined system’s boundaries (for example: a production line, total production system, etc.).
Step 3. Investigation of the system working: After the examined system’s boundaries have been defined, the simulation model maker has to become familiar with material and information flow features of the examined logistics system.
Step 4. Realization of simulation model of the material flow system: We have to create the examined material flow system’s simulation model (this model does not contain the moveable units and unit load making devices), taking into consideration the following. We can simplify the modeling process using standardized objects. Thus, we have elaborated a technological operation object that is able to realize all operation types. We suggest using the simulation model’s predefined objects for transportation and warehousing tasks. We can create a basic model with the location of the necessary objects and creation of the material flow relation. We have to complement the simulation model with the Plant Simulation’s objects in those cases where we need to carry out special tasks such as human work or special material handling activities. The essential objects of the material flow system to be created are as follows.
(1). Technological objects class: We can distinguish four types of technological operations in an intermittent production system:
  • Single operation: This technological workplace makes an operation on one product in a work cycle (for example: screw driving, turning, drilling, etc.).
  • Parallel operation: This technological workplace makes an operation on several products in a work cycle (for example: heat treatment, painting, etc.).
  • Assembly operation: This technological workplace makes one product out of several products in a work cycle.
  • Disassembly operation: This technological workplace makes several products from one product in a work cycle.
We have elaborated a simulation object (Figure 2) for the standardized modeling of all the technological operations. This allows for simpler and more standardized object control. If we are required to use a number of technological operation objects, in the interest of transparency we can use the frame object (a frame object can contain one or more technological objects).
Introduction of the elements of the technological objects class (Figure 2):
  • Objects 1, 2: Input buffer object.
  • Object 3: Assembly tasks modeling object.
  • Object 4: Disassembly tasks modeling object.
  • Object 5: Parallel tasks modeling object.
  • Object 6: Output buffer. The finished products will go to the next operation in direct mode (the product will be transmitted to the next workplace) or indirect mode (the unit load will be transmitted to the next workplace). The transmission will take place on the basis of the data table’s data for the technological operation (see Step 6).
  • Object 7: This object enables the placement of the unit load formation device (the product appearing on Object 6 will be loaded on Object 7’s unit load formation device in the case of indirect transmission).
Table 1 presents the objects applied in technological operations (the control of the technological object’s operation will be realized on the basis of the technological object’s data table; see Step 6).
(2). Store object: The modeling of the storage areas can be realized with the store object shown in Figure 3.
This object’s capacity is adjustable and its contents can be queried or modified with use of the programming technical devices.
(3). Line object (Figure 4): We have to use the line object for simple modeling of the material flow tasks. If we use this object then we can set the most important information, such as this object’s acceleration, speed, direction of product movement, as well as capacity. For greater accuracy, we can use special objects for specific material handling equipment (for example: forklift, monorail system, etc.).
Step 5. Filling in the A–C data tables: We have to fill in the A–C data tables with the modeled material flow system’s data according to the system in Step 4.
A. Manufacturing data table (Table 2): This data table contains the data of the operations of products. The first column of the table contains the finished product’s name, Column 2 the input product’s name and Column 5 the output product’s name. Column 3 contains the number of the incorporated part. Data Column 4 contains the identification of the operation to be realized. Column 6 contains the output product’s identification of the unit load formation device, while Column 7 contains the unit load formation device’s capacity. Column 8 contains the operational time; Column 9 contains the set-up time. We have to write the words “direct” or “indirect” in Column 7 depending on the transmission mode.
B. Unit load (UL) data table (Table 3): For logistics system modeling the unit load information is essential. This data table contains the manufacturing data table’s input and output product names. It shows which kinds of unit load formation device (henceforward: ULFD) we can use, what the ULFD’s capacity is, sizes and the stackable unit load’s number in the case of one product. In addition, Data Column 7 contains the starting inventory data that will be used in the case of the launch of the simulation program.
C. Production plan data table (Table 4): This table shows when (Column 4, 5), what (Column 1), and how (Column 2, 3) to make a product.
Step 6. Filling in the D–E data tables on the basis of the A–C data tables: We have to fill in the D and E data tables with data from the A–C data tables. We advise writing a program for this in the case of a large database and manual inputting for smaller databases.
D. Control data table (Table 5): The control data table shows what kinds of operations the parts need to go through in order to make the finished product. The control data table has to be created on the basis of the manufacturing data table’s data (the product’s manufacturing’s process can be built on the basis of the manufacturing data table’s data Column 1–5). Modification of the product’s manufacturing process is done modifying of the control data table’s data. The control data table’s contains a finished product’s manufacturing process where the first column’s product names are the same. If a product goes through an operation then its name will change. Consequently the previous operation’s output product (Data Column 3) will be the following operation’s input product (Data Column 2). The control data table shows how output product (Column data 3) proceeds from the input product (Column data 2) through the operations (Data Column 4 and so on). We have to mark those cells’ value with “1” where the given product’s (line) assigned operation (Column) will be realized. A chained list will be created regarding the finished products where the final step’s result will be the finished products. The control data table contains all of the finished products’ material flow.
E. Technological operation data table (Table 6): This data table will be filled on the basis of the production plan, control, and the manufacturing data tables. This data table is created in the case of every technological operation, and tables contain the activities to be realized. The data table will show which input product (Data Column 2) do we need to work on, what the size of the series is (Data Column 3), what the material catering’s starting station is (Data Column 4), what the worked product’s ULFD is (Data Column 6), and the ULFD capacity (Data Column 7). In addition, this data table contains the product processing’s operation time (Data Column 8) and set up time (Data Column 9). Programming is suggested for bigger databases.
Step 7. Definition and adaptation of the evaluation indicators: We have to define the indicators to be examined while taking into consideration the investigational objectives and then adjust the indicators in the simulation model (for example: maximum stock level, operating costs, etc.).
Most simulation framework systems are able to visualize the examined indicator’s data (for example: frequency function, distribution function, diagrams), which contributes to more efficient decision-making.
Step 8. Creation and running the simulation program: We have to run the simulation program in the following way. The first step is creation of the movable units (products, ULFD) and starting stocks on the basis of the unit load data table. Next the manufacturing processes’ control has to be realized on the basis of the technological object data table (every object has such a data table). The data tables’ instructions have to be performed line by line. The chosen indicator’s value has to be determined by running the simulation model.
Step 9. Evaluation of the determined results: We have to evaluate the determined indicators’ values after the simulation has been run.
Step 10. Making the decision: After the evaluation, we have to make decisions about a new examination (Step 5) or realization of the improvement (Step 11).

4. Possible Applications of a Decision-Making Simulation Method

Continuous changes of the product types and amounts to be produced based on customer needs results in frequent re-planning of the logistics processes of intermittent production systems. The effects of the alteration to be realized can be difficult to forecast because of the examined system’s complexity; consequently, it is necessary to reduce the decision risks by high precision determination of different logistics indicators. The value of the needed indicators can be determined by the elaborated simulation investigational method; thus, the improvement decision can be made with minimum risk. We examine a planned system’s working by application of the investigational method, where the decision’s result can be realization of the examined system or execution of a new examination with modified parameters based on the values of the determined indicators. We have to execute the simulation examinations while obtaining the necessary data for the final decision. This can be a repetitive process. The elaborated investigational method is suitable for the following cases:
(1). Decision support for determination of the storage capacity to be created: Precise determination of the storage capacity needed for a system to be realized can cause significant difficulty because of the complexity of the processes. In such cases the necessary controls and alterations can be executed by the elaborated simulation method.
Most important indicator:
-
Maximum stock level: This is how to determine the maximum storage capacity need(s) regarding one or more storage systems. The maximum stock level of the storage system s can be calculated as follows:
Q s Max = max t Θ S { q So + q sbz q skt } ,
where Θ S is the date when stock movements were executed, q So is the starting stock level, q sbt contains the stocked in amounts, q skt the stocked out product quantities regarding date t.
(2). Decision support for determination of the material handling equipment’s efficient utilization: The working strategy and efficiency of the material handling equipment can be difficult to evaluate before the realization of the examined system regarding the intermittent production systems, but the necessary controls and alterations can be executed by using elaborated simulation investigational method.
Most important indicators:
-
Rate of the effective route length: This expresses what percentage of the material handling equipment’s total traveled route length was executed without an unladen vehicle. The rate of the effective route length in case of the material handling equipment m can be calculated as follows:
R m U = d Θ m U ( l d ) / d Θ m ( l d ) ,
where Θ m is a set containing the identification of the traveled route sections for the material handling equipment m, Θ m U includes the identification of the effective route sections, and l d indicates the length of the route section d according to Equation (2).
-
Capacity utilization of the material handling equipment: This introduces what percentage of the material handling equipment’s transportation capacity is utilized during the examinational period. The transportation capacity of the material handling equipment m can be defined as follows:
C m U = d Θ m U ( l d c m , d U ) / d Θ m ( l d c m , d max ) ,
where c m , d U indicates the delivered products’ quantity regarding route section d of material handling equipment m and c m , d max contains the transportable maximum quantity regarding route section d.
-
Stock in, stock out and commission efficiency of the material handling equipment: This introduces the material handling equipment’s average stock in, stock out and commission quantities per unit time. The average stock in, stock out and commission efficiency of material handling equipment m can be calculated as follows:
P m i = N m i / T m i ,
where i { S I , S O , C A } can contain 3 kinds of values depend on the type of the examined operation (Stock In, Stock Out, Commission Activity). N m i indicates the number of operations in case of operation type i of the material handling equipment m, while T m i shows the length of the examinational period regarding operation type i of material handling equipment m.
(3). Decision support for determining the actuation of the technological machines: The working properties and efficiency of technological machines to be applied can be difficult to evaluate for intermittent production systems; however, the necessary controls and alterations can be realized using the elaborated simulation investigational method.
Most important indicators:
-
The rate of value-added activities: This introduces that what percentage of the assigned technological machine’s examinational period is spent on value-added activities.
-
The rate of waiting: This indicator shows what percentage of the assigned technological machine’s examination period is spent on waiting.
-
The rate of changeover activities: This indicator introduces what percentage of the assigned technological machine’s examination period is spent on changeover activities.
-
The rate of blocking activities: This indicator shows what percentage of the assigned technological machine’s examination period is spent on blocking activities (the machine is not able to move the parts to the following station because the station is occupied).
-
Amount of completed products: This shows how many products were completed during the investigational period by the assigned technological machine.
The rate of the value added, waiting, changeover and blocking activities can be calculated as follows:
R e j = o Θ e j ( t o ) / T e
where j { V A , W T , C O , B } indicates the type of examined operation and Θ e j contains the operations of technological machine e regarding operation type j. In addition, T e is the length of the examinational period in the case of technological machine e.
(4). Decision support for determining the application of the human resources.
Most important indicators:
-
The rate of value-added activities: This introduces what percentage of the assigned worker’s examination period is spent on value-added activities.
-
The rate of waiting: This indicator shows that what percentage of the assigned operator’s examination period is spent on waiting.
-
The rate of changeover activities: This indicator introduces the percentage of the assigned operator’s examination period spent on changeover activities.
-
The rate of blocking activities: This indicator shows the percentage of the assigned operator’s examination period spent idle due to blocking activities (the person is not able to move the parts to the following station because of the station’s occupation).
-
Amount of completed products: This shows the number of products completed during the investigational period by the assigned operator.
The rate of the value-added, waiting, changeover, and blocking activities can be calculated as follows:
R h k = o Θ h k ( t 0 ) / T h ,
where k { V A , W T , C O , B } indicates the type of examined operation and Θ h k contains the operations of the human resource h regarding the operation type k. In addition, T h is the length of the examinational period in case of the human resource h.
In most cases, the above indicators give appropriate support for making an improved decision, although in some special examinations it may be necessary to examine other indicators as well e.g., if we have to define the floor area for storage instead of storage capacity need). In addition, visualizing the determined indicator values with diagrams can provide relevant help to support decision-making.

5. Application of the Elaborated Simulation Investigational Method

In this section, we will introduce the elaborated investigational method through an imagined assembly cell’s examination.
Steps of the examination:
Step 1. Determination of the simulation examination’s aims: The main objective is the determination of the inter-operational store’s floor area’s size. There can be necessary the realization of the examination in many cases, e.g., if the product structure to be produced or the production plan will change at a relevant complexity manufacturing system in the future [6].
Step 2. Definition of the examined system: the examined manufacturing cell contains 16 stages operations and seven stages of inter-operation storage. These objects will get the parts from the manufacturing plant and send the completed parts to the finished goods storage.
Step 3. Investigation of the system working: we defined the most important characteristics in order to describe the working of the examined system (e.g., operational time, mode of the working, changeover time, applied unit load forming device, unit load forming device’s capacity, mode of materials handling in case of every product). We want to create a complex manufacturing cell in order to test the method.
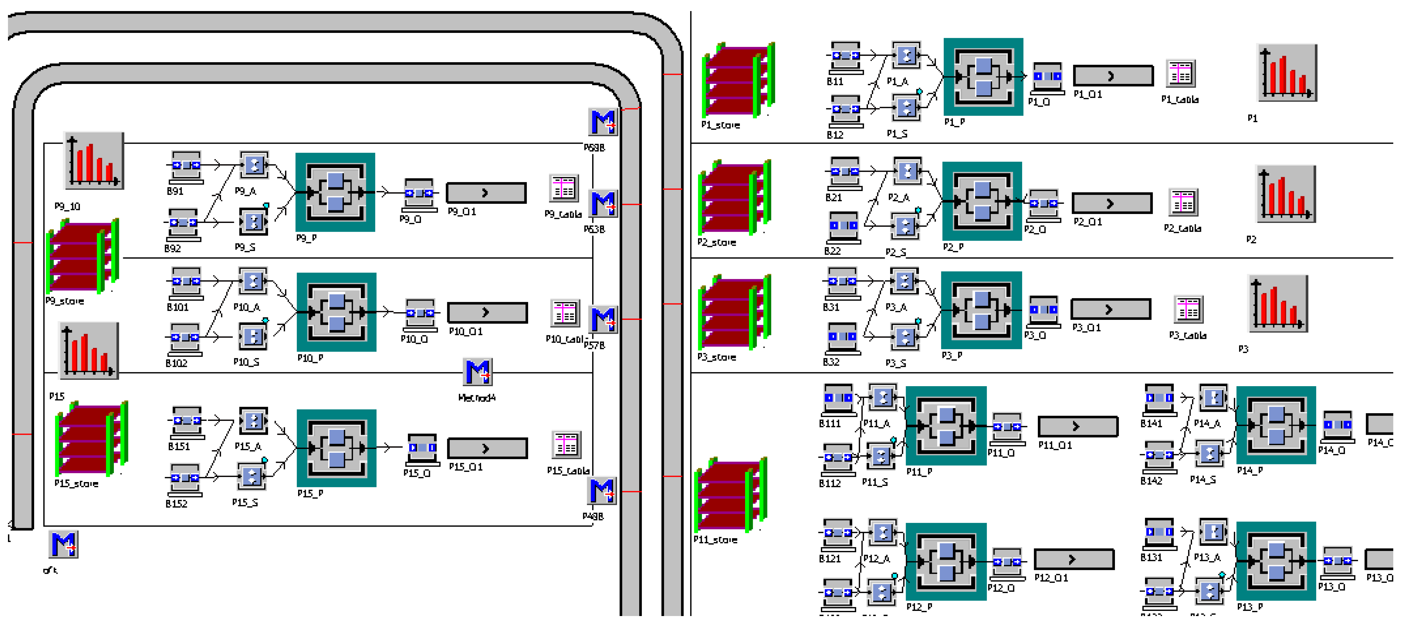
Step 4. Realization of simulation model of the material flow system: we placed the material flow system’s objects on the basis of instructions in Section 3 (16 operations, seven stages of the inter-operational storage, traffic routes), as well as defining the material flow connections between these objects (Figure 5). The inter-operational storage is realized on floor level with stacking.
Step 5. Filling in the A–C data tables: Uploading the manufacturing data table (Table 7), unit load data table (Table 8), and the production plan data table (Table 9) with the investigational data. Step 5 in Section 3 gives guidance for interpreting Table 7, Table 8 and Table 9.
Step 6. Filling in Data tables D and E on the basis of data from A–C data tables: in this step the data of the control data table (Table 10) is input from the manufacturing (A) and the production plan (C) data tables. In addition the production plan (C), manufacturing (A) and the control (D) data tables’ data are input to the technological operation data table (Table 11). We have to fill out a data table for each operation (16 operations). We can automate this upload (for large databases), or we can input it manually (for small databases). Step 5 in Section 3 gives guidance for interpreting Table 10 and Table 11.
Step 7. Definition and adaptation of the evaluation indicators: We determined the inter-operational storage area size on the basis of the relative frequency functions related to the reserved area of the inventories (we examined seven stages of the inter-operational storage). This function introduces the reserved area of the inventories according to relative frequency (the storage will be on floor level and so we can determine the reserved area on the basis of unit load size and the stacking amount).
Step 8. Creation and running the simulation program: We created a mode in the simulation program that will allow the units to be moved (products, unit loads) automatically, and afterwards it will also automatically execute the manufacturing instructions on the basis of the technological object’s data table. The evaluation indicators are determined while the simulation program is running.
Step 9. Evaluation of the determined results: We carried out the evaluation on the basis of the relative frequency function values related to inter-operational storage areas (we examined this function for all seven stages of the inter-operational storage). We determined the inter-operational storage area size at 100% occurrence probability (Figure 6). If necessary, we can define the probability of another occurrence.
Step 10. Making the decision: Table 12 introduces the necessary size of the storage areas on the basis of 100% occurrence probability.
The Plant Simulation framework enables us to simply and flexibly determine and visualize the characteristics (e.g., utilization of machines, waiting time of operations, etc.) of arbitrary elements (e.g., material handling equipment, parts, storages, etc.) of the created simulation model by setting the data’s creation mode to be visualized.

6. Conclusions

In real-time situations, most companies make efforts to satisfy unique customer needs, thus increasing the complexity of the production systems in the future. In the case of numerous complex logistics systems, application of a decision support simulation method is required for making appropriate improvement decisions.
Such a method examines production systems where the parameters of the logistics processes of product families can significantly differ from each other (in operation times, changeover times, batch sizes, types of the unit load forming devices, etc.) and where material flow nodes and backflows occur.
After a review of the literature, it was found that simulation examinations have tended to be related to production processes of one product family and/or contained several simplifications; I have not found any other elaborated simulation investigational method that enables the realization of simulation examination regarding every type of intermittent production system. In order to eliminate this gap, in this paper I have elaborated and introduced a decision support simulation method based on my practical experience. Realization of the simulation investigational model can take less time than in earlier methods (the modeling steps are clear and simple to implement) and we can also examine every complex intermittent production systems (production systems in the automotive or electronic industries, etc.) using the elaborated investigational method. The method focuses on the indicators of present and the future intermittent production systems that are most important for making a correct improvement decision or for avoiding possible improvement failures (e.g., low productivity, small storage capacity, etc.), without discussing the optimization possibilities of the intermittent production system.
Future aims are to work out data structures that enable the automatic creation of the investigation model. If this can be realized, the investigation’s lead time will be reduced. Elaboration and adaptation of several optimization algorithms is another potential research area (e.g., route planning, volume of time schedule of production, etc.).

Acknowledgments

The described research was carried out as part of the EFOP-3.6.1-16-00011 “Younger and Renewing University—Innovative Knowledge City—institutional development of the University of Miskolc aiming at intelligent specialization” project implemented in the framework of the Szechenyi 2020 program. The realization of this project is supported by the European Union, co-financed by the European Social Fund.

Conflicts of Interest

The authors declare no conflict of interest.

References

  1. Womack, J.P.; Jones, D.T. Lean Thinking; Simon & Schuster Inc.: Delran, NJ, USA, 2008. [Google Scholar]
  2. Rother, M.; Shook, J. Learning to See: Value Stream Mapping to Add Value and Eliminate Muda; Lean Enterprise Institute: Cambridge, MA, USA, 2003. [Google Scholar]
  3. Cselényi, J.; Illés, B. Planning and Controlling of Material Flow Systems; Textbook; Miskolci Egyetemi Kiadó: Miskolc, Hungary, 2006. [Google Scholar]
  4. Tyagi, S.; Choudhary, A.; Cai, X.; Yang, K. Value stream mapping to reduce the lead-time of a product development process. Int. J. Prod. Econ. 2015, 160, 202–212. [Google Scholar] [CrossRef]
  5. Košťál, P.; Velíšek, K. Flexible Manufacturing System. World Acad. Sci. Eng. Technol. Int. J. Mech. Aerosp. Ind. Mechatron. Manuf. Eng. 2011, 5, 917–921. [Google Scholar]
  6. Tamás, P. Application of value stream mapping at flexible manufacturing systems. Key Eng. Mater. 2016, 686, 168–173. [Google Scholar] [CrossRef]
  7. Bratley, P.; Fox, B.L.; Schrage, L.E. A Guide to Simulation, 2nd ed.; Springer: New York, NY, USA, 1987; ISBN 978-1-4612-6457-6. [Google Scholar]
  8. Tako, A.A.; Robinson, S. The application of discrete event simulation and system dynamics in the logistics and supply chain context. Decis. Support Syst. 2012, 52, 802–815. [Google Scholar] [CrossRef]
  9. Rodic, A.; Mester, G. The Modeling and Simulation of an Autonomous QuadRotor Microcopter in a Virtual Outdoor Scenario. Acta Polytech. Hung. 2011, 8, 107–122. [Google Scholar]
  10. Gubán, M.; Gubán, Á. Production scheduling with genetic algorithm. Adv. Logist. Syst. Theory Pract. 2012, 6, 33–44. [Google Scholar]
  11. Sadiku, M.; Tofighi, M. A tutorial on simulation of queueing models. Int. J. Electr. Eng. Educ. 1999, 36, 102–120. [Google Scholar] [CrossRef]
  12. Erdélyi, F.; Tóth, T.; Kulcsár, G.Y.; Mileff, P.; Hornyák, O.; Nehéz, K.; Körei, A. New Models and Methods for Increasing the Efficiency of Customized Mass Production. J. Mach. Manuf. 2009, 49, 11–17. [Google Scholar]
  13. Despotović-Zrakić, D.; Barać, D.; Bogdanović, Z.; Jovanić, B.; Radenković, B. Software Environment for Learning Continuous System Simulation. Acta Polytech. Hung. 2014, 11, 107–122. [Google Scholar] [CrossRef]
  14. Solding, P.; Gullander, P. Concepts for simulation based value stream mapping. In Proceedings of the 2009 Winter Simulation Conference, Austin, TX, USA, 13–16 December 2009; pp. 2231–2237. [Google Scholar]
  15. D’Uffizi, A.; Simonetti, M.; Stecca, G.; Confessore, G. A Simulation Study of Logistics for Disaster Relief Operations. Procedia CIRP 2015, 33, 157–162. [Google Scholar] [CrossRef]
  16. Leriche, D.; Oudani, M.; Cabani, A.; Hoblos, G.; Mouzna, J.; Boukachour, J.; El Hilali Alaoui, A. Simulating new logistics system of Le Havre Port. IFAC-PapersOnLine 2015, 48, 418–423. [Google Scholar] [CrossRef]
  17. Sui, X.; Han, G.; Chen, F. Numerical simulation on air distribution of a tennis hall winter and evaluation on indoor thermal environment. Eng. Rev. 2014, 34, 109–118. [Google Scholar]
  18. Izadi, M.; Razavi, F. Loss reduction in a distribution system by considering interest rate. Eng. Rev. 2015, 35, 179–191. [Google Scholar]
  19. Rybicka, J.; Tiwari, A. Testing a flexible manufacturing system facility production capacity through discrete event simulation: Automotive case study. World Acad. Sci. Eng. Technol. Int. J. Mech. Aerosp. Ind. Mechatron. Manuf. Eng. 2016, 10, 712–716. [Google Scholar]
  20. Jilcha, K.; Berhan, E.; Sherif, H. Workers and Machine Performance Modeling in Manufacturing System Using Arena Simulation. Comput. Sci. Syst. Biol. 2015. [Google Scholar] [CrossRef]
  21. Arkadiusz, G.; Antoni, S. Simulation Based Analysis of Reconfigurable Manufacturing System Configurations. Appl. Mech. Mater. 2016, 844, 50–59. [Google Scholar]
  22. Renna, P. Allocation improvement policies to reduce process time based on workload evaluation in job shop manufacturing systems. Int. J. Ind. Eng. Comput. 2017, 8, 373–384. [Google Scholar] [CrossRef]
  23. Kitazawa, M.; Takahashi, S.; Takahashi, T.; Ternao, T. Improving a Cellular Manufacturing System through Real Time-Simulation and -Measurement. In Proceedings of the 2016 IEEE 40th Annual Computer Software and Applications Conference (COMPSAC), Atlanta, GA, USA, 10–14 June 2016. [Google Scholar] [CrossRef]
  24. Song, B.; Hutabarat, W.; Tiwari, A. Integrating optimization of simulation for flexible manufacturing system. In Proceedings of the 14th International Conference on Manufacturing Research, Loughborough, UK, 6–8 September 2016. [Google Scholar] [CrossRef]
  25. Hachicha, W.; Triki, H. Manufacturing System Design Based on Axiomatic Design: Case of Assembly Line. J. Ind. Eng. Manag. 2017. [Google Scholar] [CrossRef]
  26. Martinez, J.; Muro, P.; Silva, M. Modelling, Validation and Software Implementation of Production Systems Using High-Level Petri Nets. In Proceedings of the IEEE Conference on Robotics and Automation, Raleigh, NC, USA, 31 March–3 April 1987; pp. 307–314. [Google Scholar]
  27. Hillion, H.P. Timed Petri Nets and Application to Multi-Stage Production Systems; Advances in Petri Nets; Springer: New York, NY, USA, 1989. [Google Scholar]
  28. Abdul-Hussin, M.H. Elementary Siphons of Petri Nets and Deadlock Control in FMS. J. Comput. Commun. 2015, 1–12. [Google Scholar] [CrossRef]
  29. Li, Z.W.; Zhou, M.C. Elementary siphons of Petri nets and their application to deadlock prevention in flexible manufacturing systems. IEEE Trans. Syst. Man Cybern. A 2004, 34, 38–51. [Google Scholar] [CrossRef]
  30. Tamás, P.; Illés, B. Simulation examination of logistics systems in the automotive industry. J. Prod. Eng. 2015, 18, 69–72. [Google Scholar]
  31. Tamás, P.; Illés, B.; Tollár, S. Simulation of a flexible manufacturing system. Adv. Logist. Syst. Theory Pract. 2012, 6, 25–32. [Google Scholar]
  32. Dobos, P.; Illés, B.; Tamás, P. Conception for selection of adequate warehousing material handling strategy. Adv. Logist. Syst. Theory Pract. 2015, 9, 53–60. [Google Scholar]
  33. Available online: https://www.plm.automation.siemens.com/en/products/tecnomatix/manufacturing-simulation/material-flow/plant-simulation.shtml (accessed on 10 August 2017).
Figure 1. Steps of the simulation investigation method of intermittent manufacturing systems.
Figure 1. Steps of the simulation investigation method of intermittent manufacturing systems.
Applsci 07 00950 g001
Figure 2. Technological objects class.
Figure 2. Technological objects class.
Applsci 07 00950 g002
Figure 3. Store object.
Figure 3. Store object.
Applsci 07 00950 g003
Figure 4. Line object.
Figure 4. Line object.
Applsci 07 00950 g004
Figure 5. Simulation model of the examined materials handling system.
Figure 5. Simulation model of the examined materials handling system.
Applsci 07 00950 g005
Figure 6. Relative frequency of storage’s floor area needs.
Figure 6. Relative frequency of storage’s floor area needs.
Applsci 07 00950 g006
Table 1. Applied objects in the case of technological operations.
Table 1. Applied objects in the case of technological operations.
Operation TypeTransmission ModeObj. 1Obj. 2Obj. 3Obj. 4Obj. 5Obj. 6Obj. 7
Simple OperationDirectX X XX
IndirectX X XXX
Parallel OperationDirectX X XX
IndirectX X XXX
Assembly OperationDirectXXX XX
IndirectXXX XXX
Disassembly OperationDirect X XXX
Indirect X XXXX
Table 2. Structure of the manufacturing data table.
Table 2. Structure of the manufacturing data table.
Name of Data ColumnData Type
1. Finished Product’s NameString
2. Input Product NameString
3. Number of Incorporated PartsInteger
4. Technological Operation’s NameString
5. Output Product’s NameString
6. Unit Load Formation Device’s NameString
7. Unit Load Formation Device’s CapacityInteger
8. Technological Operation’s Processing TimeTime
9. Technological Operation’s Setup TimeTime
Table 3. Structure of the unit load data table.
Table 3. Structure of the unit load data table.
Data Column’s NameData Type
1. Product’s NameString
2. Unit Load Formation Device’s NameString
3. Unit Load Formation Device’s CapacityInteger
4. Unit Load’s WidthInteger
5. Unit Load’s lengthInteger
6. Unit Load’s HeightInteger
7. Stackable Unit Load’s NumberInteger
8. Product’s Starting InventoryInteger
Table 4. Structure of the production plan data table.
Table 4. Structure of the production plan data table.
Data Column’s NameData Type
1. Product’s NameString
2. Product’s AmountInteger
3. Technological Operation’s NameString
4. DateDate
5. Shift’s NumberInteger
Table 5. Structure of the control data table.
Table 5. Structure of the control data table.
Data Column’s NameData Type
1. Finished product’s NameString
2. Input Product’s NameString
3. Output Product’s NameString
4. Technological Operation 1String
5. Technological Operation 2String
……String
Table 6. Structure of the technological operation data table.
Table 6. Structure of the technological operation data table.
Data Column’s NameData Type
1. Finished Product’s NameString
2. Input Product’s NameString
3. Product’s NumberInteger
4. Source Object’s NameString
5. Output Product’s NameString
6. ULFD’s NameString
7. ULFD’s CapacityInteger
8. Technological Operation’s Processing TimeTime
9. Technological Operation’s Setup TimeTime
Table 7. Manufacturing data table.
Table 7. Manufacturing data table.
Finished Product’s NameInput Product NameIncorporated Part’s Number (pcs)Technological Operation’s NameOutput Product NameUnit Load Formation Device’s NameUnit Load Formation Device’s NameTechnological Operation’s Processing Time (s)Setup Time (s)
TR_8K9833021ETR_8K9833311F_U301P1TR_8K9833309E_OP10direct11227200
TR_8K9833021ETR_8K0833329C1P1TR_8K9833309E_OP10direct11227200
TR_8K9833021ETR_8K0833331C1P1TR_8K9833309E_OP10direct11227200
TR_8K9833021EKAU_8T0831135C2P1TR_8K9833309E_OP10direct11227200
TR_8K9833021ETR_8K0833333C1P1TR_8K9833309E_OP10direct11227200
TR_8K9833021ETR_8K0833335C1P1TR_8K9833309E_OP10direct11227200
TR_8K9833021ETR_8K0833673B1P1TR_8K9833309E_OP10direct11227200
TR_8K9833021ETR_8K9833309E_OP101P1TR_8K9833309E_OP20CONT_507827451637200
……
Table 8. Unit load (UL) data table.
Table 8. Unit load (UL) data table.
Product’s NameUnit Load Formation Device’s (ULFD) NameUnit Load Formation Device’s Capacity (pcs/ULFD)Unit Load’s Width (m)Unit Load’s Length (m)Unit Load’s Height (m)Stackable Unit Load’s Number (pcs)
KAU_8K0839065BKLT_6147500.400.600.025
KAU_8K9833311FCONT_507827451.201.801.504
TR_8K0833111D_L00CONT_507823701.201.801.254
TR_8K0833111D_U40CONT_507823701.201.801.254
TR_8K0833111D_UG0CONT_5040335701.802.400.744
TR_8K0833311F_L00CONT_507827451.201.801.504
……
Table 9. Production plan data table.
Table 9. Production plan data table.
Product’s NameProduct’s Amount (pcs)Technological Operation’s NameDateShifts’ Number
TR_8K9833309E_OP1050P125 October 20161
TR_8K9833309E_OP2050P225 October 20161
TR_8K9833309E_OP5050P325 October 20161
TR_8K9833601_OP4050P125 October 20161
TR_8K9833305E_OP6050P1025 October 20161
TR_8K9833305E_OP7050P326 October 20161
TR_8K9833305E_OP8050P1326 October 20161
……
Table 10. Control data table.
Table 10. Control data table.
Finished Product’s NameInput Product’s NameOutput Product’s NameP1P2P3P4P5aP5bP6P7P8P9P10P11P12P13P14P15
TR_8K9833021ETR_8K9833311F_U30TR_8K9833309E_OP101
TR_8K9833021ETR_8K0833331CTR_8K9833309E_OP101
TR_8K9833021EKAU_8T0831135CTR_8K9833309E_OP101
TR_8K9833021ETR_8K0833335CTR_8K9833309E_OP101
TR_8K9833021ETR_8K0833673BTR_8K9833309E_OP101
TR_8K9833021ETR_8K9833309E_OP10TR_8K9833309E_OP20 1
TR_8K9833021EN_90895601TR_8K9833309E_OP20 1
TR_8K9833021ETR_8K9833309E_OP20TR_8K9833309E_OP50 1
……
Table 11. Technological operations data table for operation P1.
Table 11. Technological operations data table for operation P1.
Finished Product’s NameInput Product’s NameProduct’s Number (pcs)Source Object’s NameOutput Product’s NameULFD’s NameULFD’s Capacity (pcs/ULFD)Technological Operation’s Processing Time (s)Technological Operation’s Setup Time (s)
TK_8K9833021ETR_8K9833311F_U3050RAKTARTR_8K9833309E_OP10direct11227200
TK_8K9833021ETR_8K0833331C50RAKTARTR_8K9833309E_OP10direct11227200
TK_8K9833021EKAU_8T0831135C100RAKTARTR_8K9833309E_OP10direct11227200
TK_8K9833021ETR_8K0833335C50RAKTARTR_8K9833309E_OP10direct11227200
TK_8K9833021ETR_8K0833673B50RAKTARTR_8K9833309E_OP10direct11227200
TK_8K9833021EKAU_8K9833603C50RAKTARTR_8K9833601_OP40CONT_2105161100597200
TK_8K9833021EKAU_8K0839065B50RAKTARTR_8K9833601_OP40CONT_2105161100597200
……
Table 12. Needed storage area.
Table 12. Needed storage area.
Identification of the StorageNeeded Storage Area Need (m2)
P14
P22
P33
P52
P9–P105
P11–P1420
P154

Share and Cite

MDPI and ACS Style

Tamás, P. Decision Support Simulation Method for Process Improvement of Intermittent Production Systems. Appl. Sci. 2017, 7, 950. https://doi.org/10.3390/app7090950

AMA Style

Tamás P. Decision Support Simulation Method for Process Improvement of Intermittent Production Systems. Applied Sciences. 2017; 7(9):950. https://doi.org/10.3390/app7090950

Chicago/Turabian Style

Tamás, Péter. 2017. "Decision Support Simulation Method for Process Improvement of Intermittent Production Systems" Applied Sciences 7, no. 9: 950. https://doi.org/10.3390/app7090950

APA Style

Tamás, P. (2017). Decision Support Simulation Method for Process Improvement of Intermittent Production Systems. Applied Sciences, 7(9), 950. https://doi.org/10.3390/app7090950

Note that from the first issue of 2016, this journal uses article numbers instead of page numbers. See further details here.

Article Metrics

Back to TopTop