Experimental Investigations of Composite Adsorbent 13X/CaCl2 on an Adsorption Cooling System
Abstract
:Featured Application
Abstract
1. Introduction
2. Materials and Methods
2.1. Materials
2.2. CaCl2 Solution Preparation
2.3. 13X/CaCl2 Composite Adsorbent Preparation
2.4. Washing and Activating
3. Experimental Investigation
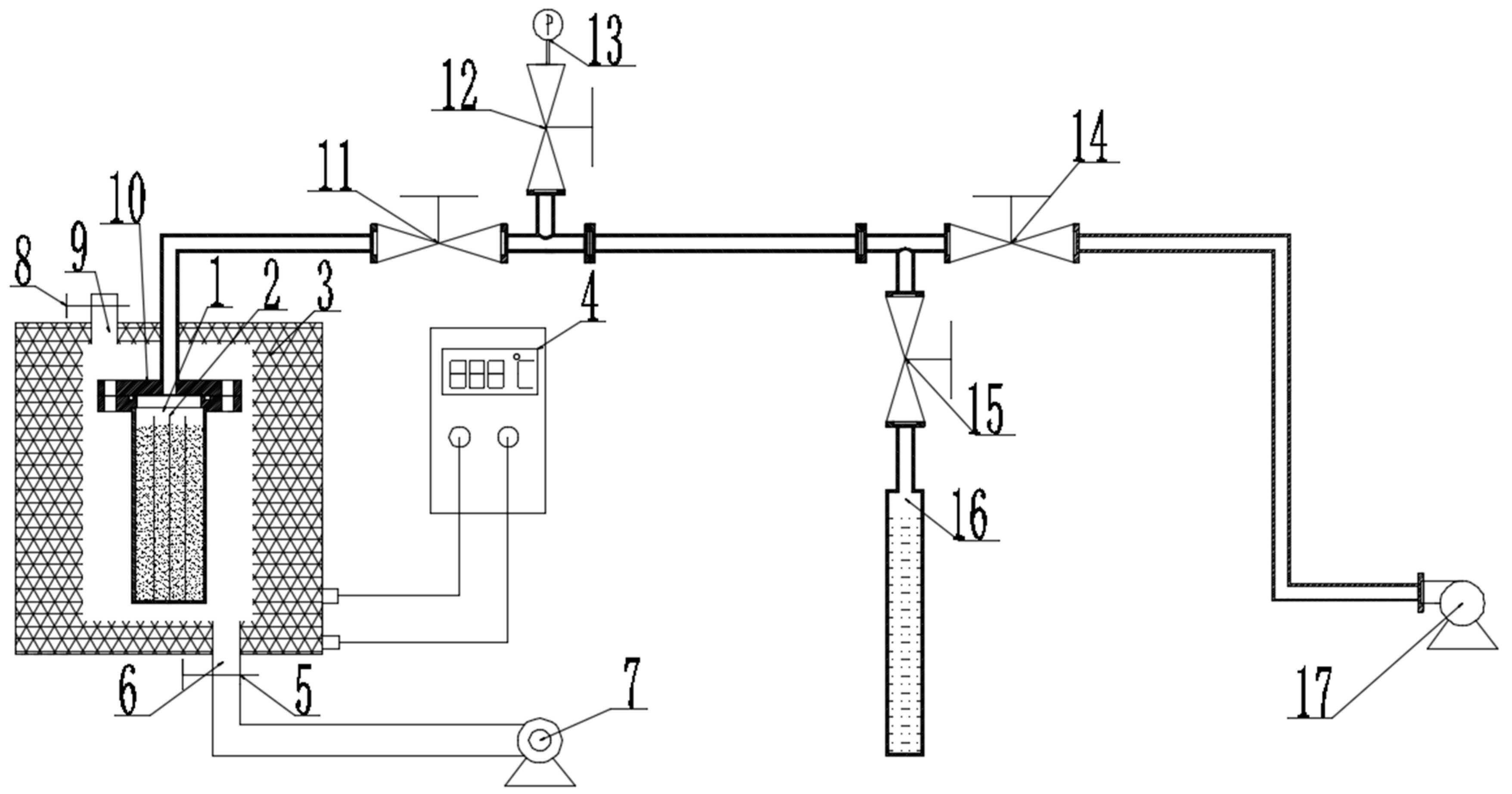
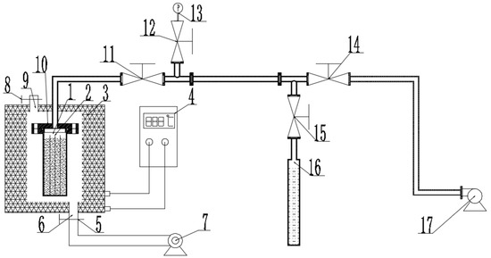
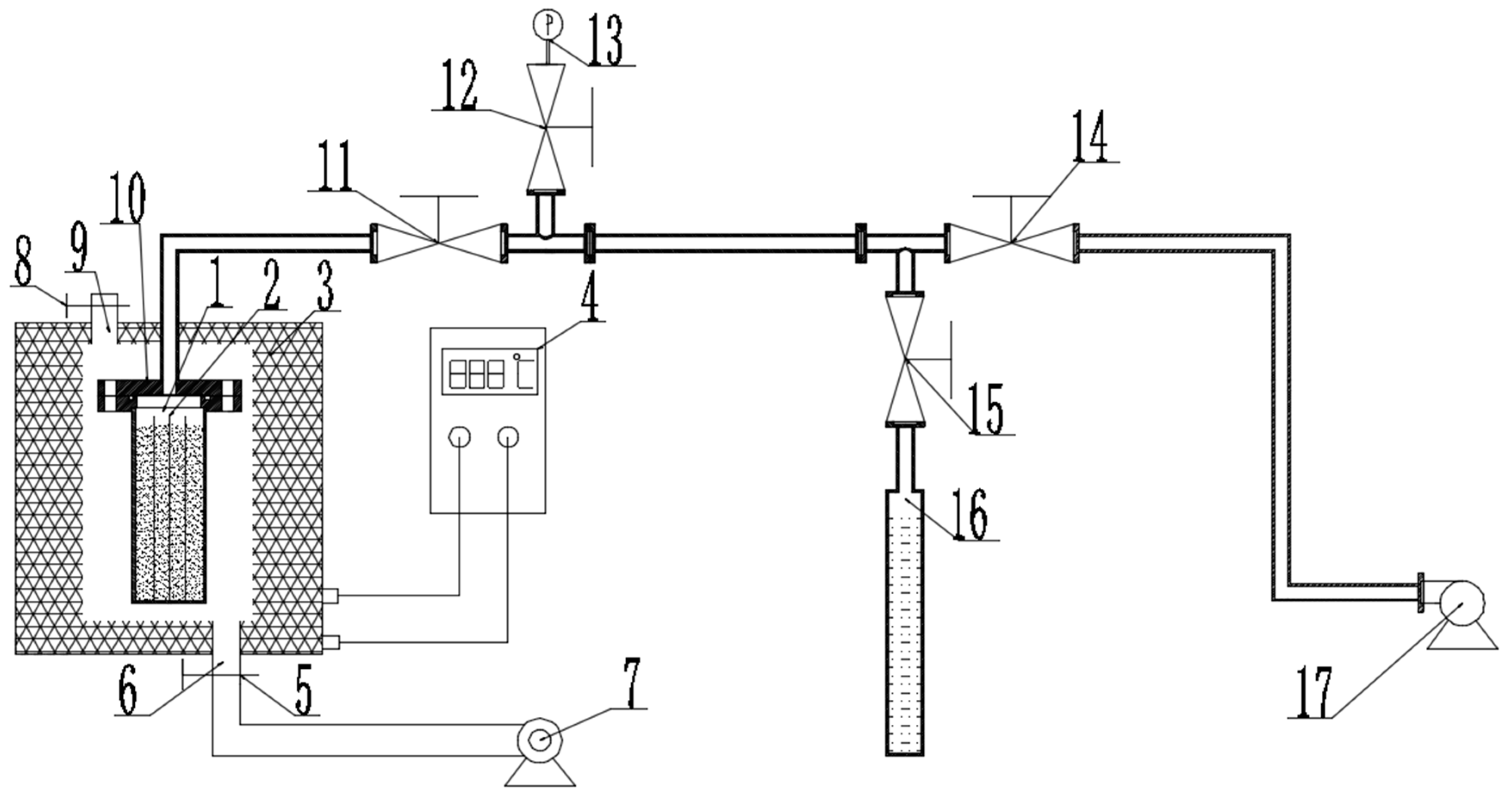
3.1. Adsorbent Performance Testing Device
3.2. Experimental Content and Steps
4. Results and Discussion
4.1. Heat Transfer Character of Adsorbent Bed
4.2. Variation of the Temperature and Pressure during the Process of the Experiment
4.3. Equilibrium Water Uptake of the Zeolite 13X/CaCl2 Composite Adsorbents
5. Uncertainty Analysis
6. Conclusions
Acknowledgments
Author Contributions
Conflicts of Interest
References
- Chan, K.C.; Chao, C.Y.H.; Wu, C.L. Measurement of properties and performance prediction of the new MWCNT-embedded zeolite 13X/CaCl2 composite adsorbents. Int. J. Heat Mass Transf. 2015, 89, 308–319. [Google Scholar] [CrossRef]
- Tso, C.Y.; Chao, C.Y.H. Activated carbon, silica-gel and calcium chloride composite adsorbents for energy efficient solar adsorption cooling and dehumidification systems. Int. J. Refrig. 2012, 35, 1626–1638. [Google Scholar] [CrossRef]
- Wang, R.Z.; Oliveira, R.G. Adsorption refrigeration—An efficient way to make good use of waste heat and solar energy. Prog. Energy Combust. Sci. 2006, 32, 424–458. [Google Scholar] [CrossRef]
- Solmuş, İ.; Kaftanoğlu, B.; Yamalı, C.; Baker, D. Experimental investigation of a natural zeolite–water adsorption cooling unit. Appl. Energy 2011, 88, 4206–4213. [Google Scholar] [CrossRef]
- Xu, T. Best Practices For Energy Efficient Cleanrooms: Control of Chilled Water System; LBNL-58635; Lawrence Berkeley National Laboratory: Berkeley, CA, USA, 2005.
- Kim, D.S.; Ferreira, C.A.I. Solar refrigeration options: A state-of-the-art review. Int. J. Refrig. 2008, 31, 3–15. [Google Scholar] [CrossRef]
- Wang, R.Z.; Ge, T.S.; Chen, C.J.; Ma, Q.; Xiong, Z.Q. Solar sorption cooling systems for residential application: Options and guidelines. Int. J. Refrig. 2009, 32, 638–660. [Google Scholar] [CrossRef]
- Zhang, X.J.; Sumathy, K.; Dai, Y.J.; Wang, R.Z. Dynamic hygroscopic effect of the composite material used in desiccant rotary wheel. Sol. Energy 2006, 80, 1058–1061. [Google Scholar] [CrossRef]
- Restuccia, G.; Freni, A.; Vasta, S.; Aristov, Y. Selective water sorbent for solid sorption chiller: Experimental results and modeling. Int. J. Refrig. 2004, 27, 284–293. [Google Scholar] [CrossRef]
- Chan, K.C.; Chao, C.Y.H.; Sze-To, G.N.; Hui, K.S. Performance predictions fora new zeolite 13X/CaCl2 composite adsorbent for adsorption cooling systems. Int. J. Heat Mass Transf. 2012, 55, 3214–3224. [Google Scholar] [CrossRef]
- Wang, W.; Huang, Z.H.; Wang, R.Z. Experimental investigation of isochoric adsorption character measurement. J. Eng. Thermophys. 2003, 5, 733–736. [Google Scholar]
- Wang, L.; Chen, L.; Wang, H.L.; Liao, D.L. The adsorption refrigeration characteristics of alkaline-earth metal chlorides and its composite adsorbents. Renew. Energy 2009, 34, 1016–1023. [Google Scholar] [CrossRef]
- Zhong, Y.; Critoph, R.E.; Thorpe, R. Evaluation of the performance of solid sorption refrigeration systems using carbon dioxide as refrigerant. Appl. Therm. Eng. 2006, 26, 1807–1811. [Google Scholar] [CrossRef]
- Sacha, O.; Tariq, A.S. Performance Evaluation of a Lithium-Chloride Absorption Refrigeration and an Assessment of Its Suitability for Biomass Waste Heat. Appl. Sci. 2012, 2, 709–725. [Google Scholar]
- Ni, C.C.; San, J.Y. Measurement of apparent solid–side mass diffusivity of a water vapor–silica gel system. Int. J. Heat Mass Transf. 2002, 45, 1839–1847. [Google Scholar] [CrossRef]
- Zhang, X.J.; Qiu, L.M. Moisture transport and adsorption on silica gel-calcium chloride composite adsorbents. Energy Convers. Manag. 2007, 48, 320–326. [Google Scholar] [CrossRef]
- Sayılgan, Ş.C.; Mobedi, M.; Ülkü, S. Effect of regeneration temperature on adsorption equilibria and mass diffusivity of zeolite 13X-water pair. Microporous Mesoporous Mater. 2015, 224, 9–16. [Google Scholar] [CrossRef]
- Tatsidjodoung, P.; Le Pierrės, N.; Heintz, J.; Lagre, D.; Luo, L.; Durier, F. Experimental and numerical investigations of a zeolite 13X/water reactor for solar heat storage in buildings. Energy Convers. Manag. 2016, 108, 488–500. [Google Scholar] [CrossRef]
- Mette, B.; Kerskes, H.; Drück, H.; Muller-Steinhagen, H. Experimental and numerical investigations on the water vapor adsorption isotherms and kinetics of binderless zeolite13X. Int. J. Heat Mass Transf. 2014, 71, 555–561. [Google Scholar] [CrossRef]
- Tso, C.Y.; Chan, K.C.; Chao, C.Y.H.; Wu, C.L. Experimental performance analysis on an adsorption cooling system using zeolite 13X/CaCl2 adsorbent with various operation sequences. Int. J. Heat Mass Transf. 2015, 85, 343–355. [Google Scholar] [CrossRef]
- Wu, W.D.; Zhang, H.; Sun, D.W. Mathematical simulation and experimental study of a modified zeolite 13X-water adsorption refrigeration module. Appl. Therm. Eng. 2009, 29, 645–651. [Google Scholar] [CrossRef]
- Wang, L.B.; Bu, X.B.; Li, H.S.; Ma, W.B. Preparation and Performance Testing of Composite adsorbents for Solar Adsorption Refrigeration. Adsorpt. Sci. Technol. 2013, 31, 573–581. [Google Scholar] [CrossRef]
- Pal, A.; Thu, K.; Mitra, S.; El-Sharkawy, I.I.; Saha, B.B.; Kil, H.S.; Yoon, S.H.; Miyawaki, J. Study on biomass derived activated carbons for adsorptive heat pump application. Int. J. Heat Mass Transf. 2017, 110, 7–19. [Google Scholar] [CrossRef]
- El-Sharkawy, I.I.; Pal, A.; Miyazaki, T.; Saha, B.B.; Koyama, S. A study on consolidated composite adsorbents for cooling application. Appl. Therm. Eng. 2016, 98, 1214–1220. [Google Scholar] [CrossRef]
- El-Sharkawy, I.I.; Uddin, K.; Miyazaki, T.; Saha, B.B.; Koyama, S.; Kil, H.Y.; Yoon, S.H.; Miyawaki, J. Adsorption of ethanol onto phenol resin based adsorbents for developing next generation cooling systems. Int. J. Heat Mass Transf. 2015, 81, 171–178. [Google Scholar] [CrossRef]
- Choudhury, B.; Saha, B.B.; Chatterjee, P.K.; Sarkar, J.P. An overview of developments in adsorption refrigeration systems towards a sustainable way of cooling. Appl. Energy 2013, 104, 554–567. [Google Scholar] [CrossRef]
- Jiang, Y.; Zhang, Y.; Wang, Z.; Qu, T.; Yu, R. Adsorption of trace moisture in methyl methacrylate by molecular sieves. Inorg. Chem. Ind. 2006, 38, 29–31. [Google Scholar]












| Index Name | ||
|---|---|---|
| Name | Zeolite 13X | Anhydrous calcium chloride |
| Particle Size | 3–5 mm | ------ |
| Effective Substance Content | 99% | ≥96.0% |
| Bulk Density | 0.7 g/mL | ------ |
| State of Matter | Solid grain | White powder |
| Molecular Formula | Na2O·Al2O3·2.45SiO2·6H2O | CaCl2 |
| Manufacturer | LangfangYatailongxing Chemical Industry Co., Ltd. | Sinopharm Chemical Reagent Co., Ltd. |
| No. | Preparation Concentration/(wt %) | Weight of CaCl2/(g) | Weight of Distilled Water/(g) | Deviation/(wt %) | Dissolved or Not |
|---|---|---|---|---|---|
| 1 | 5 | 4.9917 | 95.0682 | −0.2258 | dissolved |
| 2 | 10 | 10.0682 | 90.0058 | 0.6076 | dissolved |
| 3 | 15 | 15.0189 | 85.0142 | 0.0929 | dissolved |
| 4 | 20 | 20.0726 | 79.9135 | 0.3700 | dissolved |
| 5 | 25 | 25.0651 | 75.0465 | 0.1486 | dissolved |
| 6 | 30 | 30.0183 | 70.0568 | −0.0141 | dissolved |
| 7 | 35 | 34.9077 | 65.0023 | −0.1739 | dissolved |
| 8 | 40 | 40.0563 | 59.9941 | 0.0903 | dissolved |
| 9 | 45 | 45.0016 | 55.0072 | −0.0053 | not |
| 10 | 50 | 50.0015 | 50.0237 | −0.0222 | not |
| Concentration CaCl2/(wt %) | Weight of Sample Zeolite 13X/(g) | Conditions of Zeolite 13X after 24 h | Whether or Not Can Be Used in Experiments |
|---|---|---|---|
| 5 | 10.1052 | integrated | yes |
| 10 | 10.0214 | integrated | yes |
| 15 | 10.0497 | integrated | yes |
| 20 | 10.1831 | little cracking | yes |
| 25 | 10.0628 | more cracking | no |
| 30 | 10.1067 | Excessive cracking | no |
| 35 | 10.1447 | Excessive cracking | no |
| 40 | 10.1362 | Excessive cracking | no |
| No. | Types of Composite Adsorption | Times of Washing | Heating Temperature/(°C) | Heating Time/(h) |
|---|---|---|---|---|
| CA5X | 5 wt % CaCl2—13X | 4 | 300 | 10 |
| CA10X | 10 wt % CaCl2—13X | 4 | 300 | 10 |
| CA15X | 15 wt % CaCl2—13X | 4 | 300 | 10 |
| CA20X | 20 wt % CaCl2—13X | 4 | 300 | 10 |
© 2017 by the authors. Licensee MDPI, Basel, Switzerland. This article is an open access article distributed under the terms and conditions of the Creative Commons Attribution (CC BY) license (http://creativecommons.org/licenses/by/4.0/).
Share and Cite
Zhao, H.; Jia, S.; Cheng, J.; Tang, X.; Zhang, M.; Yan, H.; Ai, W. Experimental Investigations of Composite Adsorbent 13X/CaCl2 on an Adsorption Cooling System. Appl. Sci. 2017, 7, 620. https://doi.org/10.3390/app7060620
Zhao H, Jia S, Cheng J, Tang X, Zhang M, Yan H, Ai W. Experimental Investigations of Composite Adsorbent 13X/CaCl2 on an Adsorption Cooling System. Applied Sciences. 2017; 7(6):620. https://doi.org/10.3390/app7060620
Chicago/Turabian StyleZhao, Huizhong, Shaolong Jia, Junfeng Cheng, Xianghu Tang, Min Zhang, Haoxin Yan, and Wenting Ai. 2017. "Experimental Investigations of Composite Adsorbent 13X/CaCl2 on an Adsorption Cooling System" Applied Sciences 7, no. 6: 620. https://doi.org/10.3390/app7060620
APA StyleZhao, H., Jia, S., Cheng, J., Tang, X., Zhang, M., Yan, H., & Ai, W. (2017). Experimental Investigations of Composite Adsorbent 13X/CaCl2 on an Adsorption Cooling System. Applied Sciences, 7(6), 620. https://doi.org/10.3390/app7060620

