Multi-Objective Optimization of Voltage-Stability Based on Congestion Management for Integrating Wind Power into the Electricity Market
Abstract
:1. Introduction
2. Uncertainty Analysis and Wind Farm Modeling
2.1. Wind Speed
2.2. System Load
2.3. Wind Turbine Modeling
3. Proposed Congestion Management Approach
3.1. P-VSCOPF
3.2. Stability Margin
3.3. Sensitivity Analysis
3.3.1. VSI Analysis
3.3.2. CDF
3.4. MOPSO Algorithm
3.5. Price Analysis
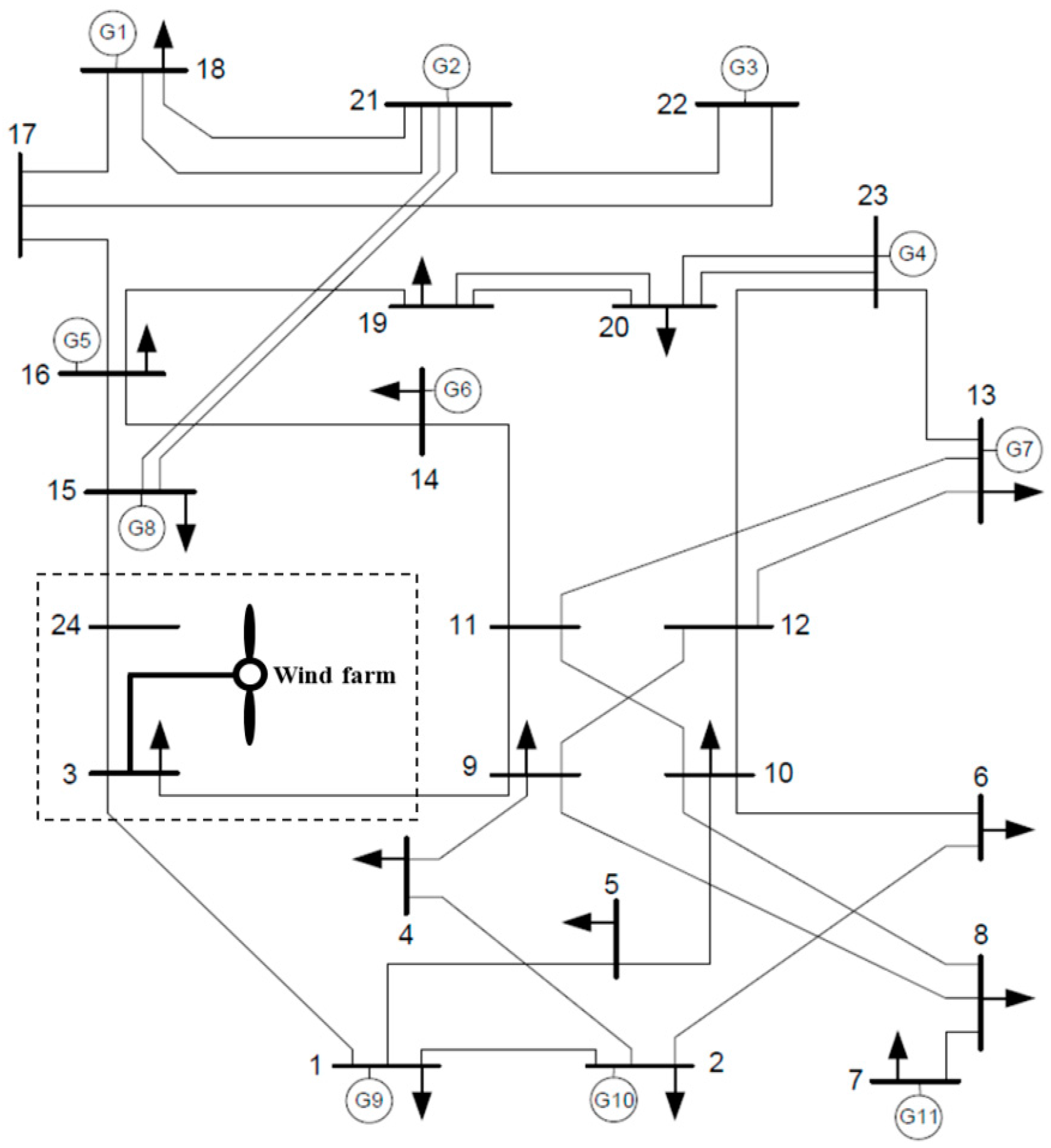
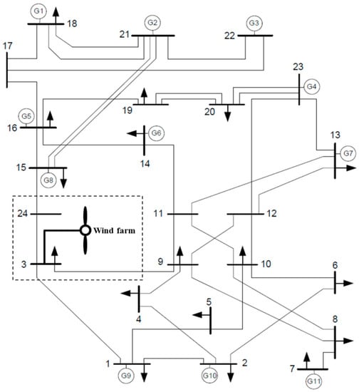
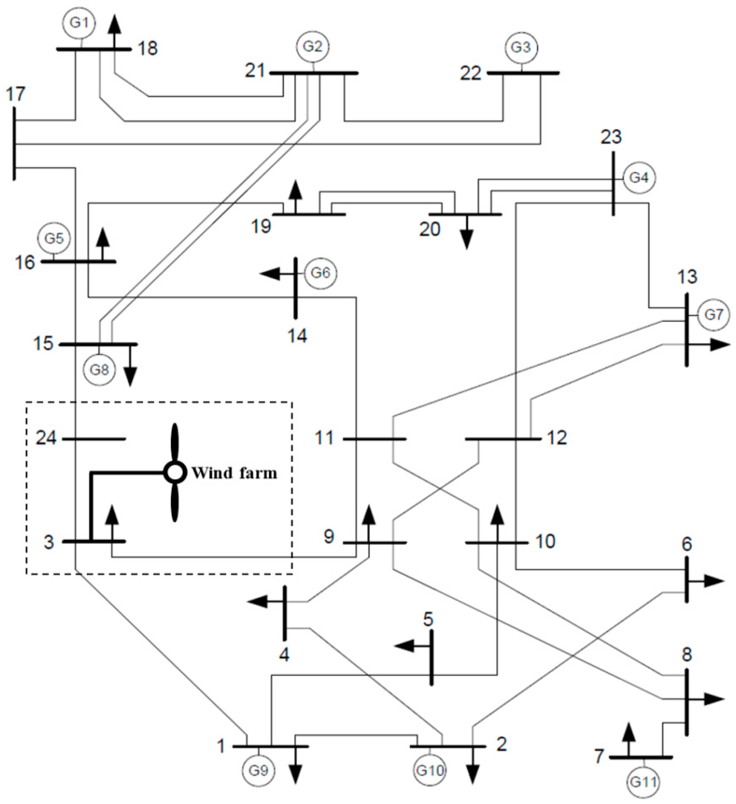
4. Simulation Results
4.1. Probability Distributions of Wind Power and Load
4.2. Optimal Locations of Wind Farms
4.3. Solution Results and Comparison
5. Conclusions
Acknowledgments
Author Contributions
Conflicts of Interest
Nomenclature
| Constants | |
| Air density (=1.205 kg/m2) | |
| Optimal tip speed ratio | |
| Optimal power coefficient of wind turbine | |
| Rotator radius | |
| Optimal rotational speed | |
| Cut-in speed of wind turbine | |
| Rated speed of wind turbine | |
| Cut-out speed of wind turbine | |
| Maximum and minimum limits of possible power | |
| Maximum and minimum limits of loading margin | |
| Maximum and minimum limits of supply bid | |
| Maximum and minimum limits of demand bid | |
| Maximum and minimum limits of reactive power | |
| Maximum limit of line currents between nodes i and j | |
| Maximum and minimum limits of voltage magnitude | |
| Maximum and minimum limits of shadow price | |
| Scheduling time (e.g., 24 h) | |
| Acceleration coefficients | |
| Variables | |
| Blade pitch angle | |
| Wind speed | |
| Scale parameter of Rayleigh distribution | |
| Shape and scale parameter of Weibull distribution | |
| Standard deviation of load | |
| Expected value of probability variable | |
| Weighting factor | |
| Rated power of wind turbine | |
| Active power output of wind farm at bus i | |
| Active power of nth wind turbine | |
| Variation in active power of nth bus | |
| Power outputs of generator and load, respectively | |
| Current power outputs of generator and, respectively | |
| Supply and demand bid volumes (in MW), respectively | |
| Bid prices for supply and demand (in $/MWh) | |
| Generator reactive power | |
| Variation of power flow in critical condition | |
| Power flowing through lines in both directions | |
| Voltage magnitude at buses i and j, respectively | |
| Line currents in both directions | |
| Power output of SNB point for voltage collapse | |
| Power output at base operating point | |
| Voltage angle at buses i and j, respectively | |
| Angle and magnitude of ijth element of Ybus, respectively | |
| Loading parameter under critical conditions | |
| Loss distribution factor | |
| Lagrange multiplier | |
| Dual variable | |
| Constant load demand power factor angle | |
| Position and velocity of ith particle at iteration k, respectively | |
| Initial and final values of inertia weight | |
| Numbers and Sets | |
| Reduced Jacobian matrix | |
| Number of wind turbines | |
| Number of iterations | |
| Maximum number of allowed iterations | |
| Random numbers between 0 and 1 | |
Appendix A. Derivation of CDF
References
- Kumar, A.; Srivastava, S.C.; Singh, S.N. Congestion management in competitive power market: A bibliographical survey. Int. J. Electr. Power Energy Syst. 2005, 76, 153–164. [Google Scholar] [CrossRef]
- Méndez, R.; Rudnick, H. Congestion management and transmission rights in centralized electric markets. IEEE Trans. Power Syst. 2004, 19, 889–896. [Google Scholar] [CrossRef]
- Pillay, A.; Karthikeyan, S.P.; Kothari, D. Congestion management in power systems—A review. Int. J. Electr. Power Energy Syst. 2015, 70, 83–90. [Google Scholar] [CrossRef]
- Hong, Y.Y.; Wu, C.P. Day-ahead electricity price forecasting using a hybrid principal component analysis network. Energies 2012, 5, 4711–4723. [Google Scholar] [CrossRef]
- Wang, Q.; Zhang, G.; McCally, J.D.; Zheng, T.; Litvinov, E. Risk-Based Locational Marginal Pricing and Congestion Management. IEEE Trans. Power Syst. 2014, 29, 2518–2528. [Google Scholar] [CrossRef]
- Pandey, S.N.; Tapaswi, S.; Srivastava, L. Growing RBFNN-based soft computing approach for congestion management. Neural Comput. Appl. 2009, 18, 945–955. [Google Scholar] [CrossRef]
- Xie, J.; Wang, L.; Bian, Q.; Zhang, X.; Zeng, D.; Wang, K. Optimal Available Transfer Capability Assessment Strategy for Wind Integrated Transmission Systems Considering Uncertainty of Wind Power Probability Distribution. Energies 2016, 9, 704. [Google Scholar] [CrossRef]
- Tan, A.; Lin, X.; Sun, J.; Lyu, R.; Li, Z.; Peng, L.; Khalid, M.S. A Novel DFIG Damping Control for Power System with High Wind Power Penetration. Energies 2016, 9, 521. [Google Scholar] [CrossRef]
- De Quevedo, P.M.; Contreras, J. Optimal Placement of Energy Storage and Wind Power under Uncertainty. Energies 2016, 9, 528. [Google Scholar] [CrossRef]
- Sood, Y.R.; Singh, R. Optimal model of congestion management in deregulated environment of power sector with promotion of renewable energy sources. Renew. Energy 2010, 35, 1828–1836. [Google Scholar] [CrossRef]
- Deb, S.; Gope, S.; Goswami, A.K. Congestion management considering wind energy sources using evolutionary algorithm. Electr. Power Compon. Syst. 2015, 43, 723–732. [Google Scholar] [CrossRef]
- Ahmadi, H.; Lesani, H. Transmission congestion management through LMP difference minimization: A renewable energy placement case study. Arab. J. Sci. Eng. 2014, 39, 1963–1969. [Google Scholar] [CrossRef]
- Morgan, E.C.; Lackner, M.; Vogel, R.M.; Baise, L.G. Probability distributions for offshore wind speeds. Energy Convers. Manag. 2011, 52, 15–26. [Google Scholar] [CrossRef]
- Aguado, J.A.; Quintana, V.H.; Madrigal, M.; Rosehar, W.D. Coordinated spot market for congestion management of inter-regional electricity markets. IEEE Trans. Power Syst. 2004, 19, 180–187. [Google Scholar] [CrossRef]
- Saini, A.; Saxena, A.K. Optimal power flow based congestion management methods for competitive electricity market. Int. J. Eng. Comput. Electr. Eng. 2010, 2, 73–80. [Google Scholar] [CrossRef]
- Talukdarar, B.K.; Sinhaa, A.K.; Mukhopadhyaya, S.; Bose, A. A computationally simple method for cost-efficient generation rescheduling and load shedding for congestion management. Int. J. Electr. Power Energy Syst. 2005, 77, 379–388. [Google Scholar] [CrossRef]
- Su, H.Y.; Hsu, Y.L; Chen, Y.C. PSO-based voltage control strategy for loadability enhancement in smart power grids. Appl. Sci. 2016, 6, 449. [Google Scholar] [CrossRef]
- Esmaili, M.; Shayanfar, H.A.; Amjady, N. Congestion management considering voltage security of power systems. Energy Convers. Manag. 2009, 50, 2562–2569. [Google Scholar] [CrossRef]
- Milano, F.; Cañizares, C.A.; Invernizzi, M. Multiobjective optimization for pricing system security in electricity markets. IEEE Trans. Power Syst. 2003, 18, 596–604. [Google Scholar] [CrossRef]
- Conejo, A.J.; Milano, F.; García-Bertrand, R. Congestion management ensuring voltage stability. IEEE Trans. Power Syst. 2006, 21, 357–364. [Google Scholar] [CrossRef]
- Pandit, M.; Chaudhary, V.; Dubey, H.M.; Panigrahi, B.K. Multi-period wind integrated optimal dispatch using series PSO-DE with time-varying Gaussian membership function based fuzzy selection. Int. J. Electr. Power Energy Syst. 2015, 73, 259–272. [Google Scholar] [CrossRef]
- Manwell, J.F.; McGowan, J.G.; Rogers, A. Wind Energy Explained: Theory Design and Application; John Wiley & Sons: Chichester, UK, 2002. [Google Scholar]
- Ramirez, P.; Carta, J.A. Influence of the data sampling interval in the estimation of the parameters of the Weibull wind speed probability density distribution: A case study. Energy Convers. Manag. 2005, 46, 2419–2438. [Google Scholar] [CrossRef]
- Choi, J.W.; Heo, S.Y.; Kim, M.K. Hybrid operation strategy of wind energy storage system for power grid frequency regulation. IET Gener. Trans. Distrib. 2016, 10, 736–749. [Google Scholar] [CrossRef]
- Kim, M.K.; Hur, D. An optimal pricing scheme in electricity markets by parallelizing security constrained optimal power flow based market-clearing model. Int. J. Electr. Power Energy Syst. 2013, 48, 161–171. [Google Scholar] [CrossRef]
- Kim, M.K.; Park, J.K.; Nam, Y.W. Market clearing for pricing system security based on voltage stability criteria. Energy 2011, 36, 1255–1264. [Google Scholar] [CrossRef]
- Kim, S.S.; Kim, M.K.; Park, J.K. Consideration of Multiple Uncertainties for Evaluation of Available Transfer Capability using fuzzy continuation power flow. Int. J. Electr. Power Energy Syst. 2008, 30, 581–593. [Google Scholar] [CrossRef]
- Ferris, M.C. MATLAB and GAMS: Interfacing Optimization and Visualization Software; Comuter Sciences Department, University of Wisconsin-Madison: Madison, WI, USA, 2005. Available online: http://www.cs.wisc.edu/math-prog/matlab.html (accessed on 7 April 2017).
- Min, C.G.; Hur, D.; Park, J.K. Economic Evaluation of Offshore Wind Farm in Korea. J. Electr. Eng. Technol. 2014, 63, 1192–1198. [Google Scholar] [CrossRef]
- Kumar, A.; Srivastava, S.C.; Singh, S.N. A zonal congestion management approach using ac transmission congestion distribution factors. Electr. Power Syst. Res. 2014, 72, 85–93. [Google Scholar] [CrossRef]










| Rank | Between Buses | VSI |
|---|---|---|
| 1 | 3–24 | 1121.57 |
| 2 | 23–20 | 735.85 |
| 3 | 17–16 | 698.50 |
| 4 | 16–14 | 473.11 |
| 5 | 19–20 | 475.72 |
| 6 | 19–16 | 350.73 |
| 7 | 18–17 | 335.22 |
| 8 | 21–15 | 304.80 |
| 9 | 10–6 | 274.51 |
| 10 | 1–2 | 223.31 |
| Bus | CDF | Bus | CDF |
|---|---|---|---|
| 1 | 0.4330 | 13 | −0.0768 |
| 2 | 0.4853 | 14 | −0.3205 |
| 3 | 1.3113 | 15 | −0.7625 |
| 4 | 0.3358 | 16 | −0.634 |
| 5 | 0.0359 | 17 | −0.5492 |
| 6 | −0.4014 | 18 | −0.5419 |
| 7 | −0.0498 | 19 | −0.5507 |
| 8 | 0.1511 | 20 | −0.4097 |
| 9 | 0.3992 | 21 | −0.6040 |
| 10 | 0.1580 | 22 | −0.5824 |
| 11 | −0.0463 | 23 | −0.3308 |
| 12 | 0.0232 | 24 | −1.8239 |
| Bus | LMP ($/MWh) | NCP ($/MWh) | PG (MW) | PD (MW) | PayISO ($/h) |
|---|---|---|---|---|---|
| 1 | 19.4849 | 0.1934 | 172 | 95.04 | −1499.55 |
| 2 | 19.5338 | 0.2067 | 172 | 128.04 | −858.71 |
| 3 | 18.7920 | 0.0381 | 295.1 | 158.40 | 2976.65 |
| 4 | 20.1954 | 0.3120 | 0 | 91.48 | 1847.48 |
| 5 | 19.9423 | 0.2783 | 0 | 62.48 | 1245.99 |
| 6 | 20.2911 | 0.3769 | 0 | 119.68 | 2428.43 |
| 7 | 20.2384 | 0.3134 | 220.9 | 161.22 | −1208.19 |
| 8 | 20.6143 | 0.3823 | 0 | 150.48 | 3102.04 |
| 9 | 19.7676 | 0.2084 | 0 | 154.00 | 3044.22 |
| 10 | 19.8959 | 0.2633 | 0 | 171.60 | 3414.13 |
| 11 | 19.7557 | 0.0982 | 0 | 0 | 0 |
| 12 | 19.7065 | 0.0519 | 0 | 0 | 0 |
| 13 | 19.5299 | 0.0000 | 237.8 | 233.20 | −99.62 |
| 14 | 19.5805 | 0.0460 | 0 | 256.08 | 5014.17 |
| 15 | 18.7755 | −0.2834 | 167 | 461.64 | 5532.00 |
| 16 | 18.9073 | −0.2417 | 155 | 132.00 | −434.87 |
| 17 | 18.5877 | −0.3417 | 0 | 0 | 0 |
| 18 | 18.7890 | −0.3691 | 400 | 439.56 | −2176.06 |
| 19 | 19.0499 | −0.1925 | 0 | 238.92 | 731.42 |
| 20 | 18.9498 | −0.2156 | 0 | 168.96 | 4551.40 |
| 21 | 18.3782 | −0.3990 | 400 | 0 | −3201.76 |
| 22 | 17.9248 | −0.5160 | 300 | 0 | −7351.28 |
| 23 | 18.8138 | −0.2532 | 350 | 0 | −12417.08 |
| 24 | 18.5280 | −0.3474 | 0 | 0 | −7040.64 |
| Method | TTL (MW) | System Losses (MW) | TML (MW) | ALC (MW) | PayISO ($/h) | VSM (MW) |
|---|---|---|---|---|---|---|
| Conventional OPF | 3056.97 | 52.63 | 3246.19 | 189.22 | 1049.95 | 364.37 |
| VSCOPF | 3139.86 | 42.39 | 3555.11 | 385.25 | 820.13 | 640.87 |
| P-VSCOPF | 3222.77 | 41.92 | 3638.04 | 415.36 | 812.26 | 685.43 |
© 2017 by the authors. Licensee MDPI, Basel, Switzerland. This article is an open access article distributed under the terms and conditions of the Creative Commons Attribution (CC BY) license (http://creativecommons.org/licenses/by/4.0/).
Share and Cite
Choi, J.-W.; Kim, M.-K. Multi-Objective Optimization of Voltage-Stability Based on Congestion Management for Integrating Wind Power into the Electricity Market. Appl. Sci. 2017, 7, 573. https://doi.org/10.3390/app7060573
Choi J-W, Kim M-K. Multi-Objective Optimization of Voltage-Stability Based on Congestion Management for Integrating Wind Power into the Electricity Market. Applied Sciences. 2017; 7(6):573. https://doi.org/10.3390/app7060573
Chicago/Turabian StyleChoi, Jin-Woo, and Mun-Kyeom Kim. 2017. "Multi-Objective Optimization of Voltage-Stability Based on Congestion Management for Integrating Wind Power into the Electricity Market" Applied Sciences 7, no. 6: 573. https://doi.org/10.3390/app7060573
APA StyleChoi, J.-W., & Kim, M.-K. (2017). Multi-Objective Optimization of Voltage-Stability Based on Congestion Management for Integrating Wind Power into the Electricity Market. Applied Sciences, 7(6), 573. https://doi.org/10.3390/app7060573
