Fault Diagnosis Model of Photovoltaic Array Based on Least Squares Support Vector Machine in Bayesian Framework
Abstract
:1. Introduction
2. The Selection of the Fault Feature
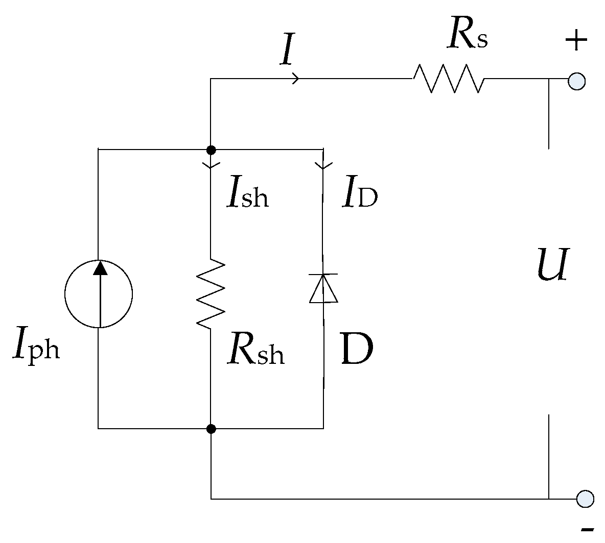
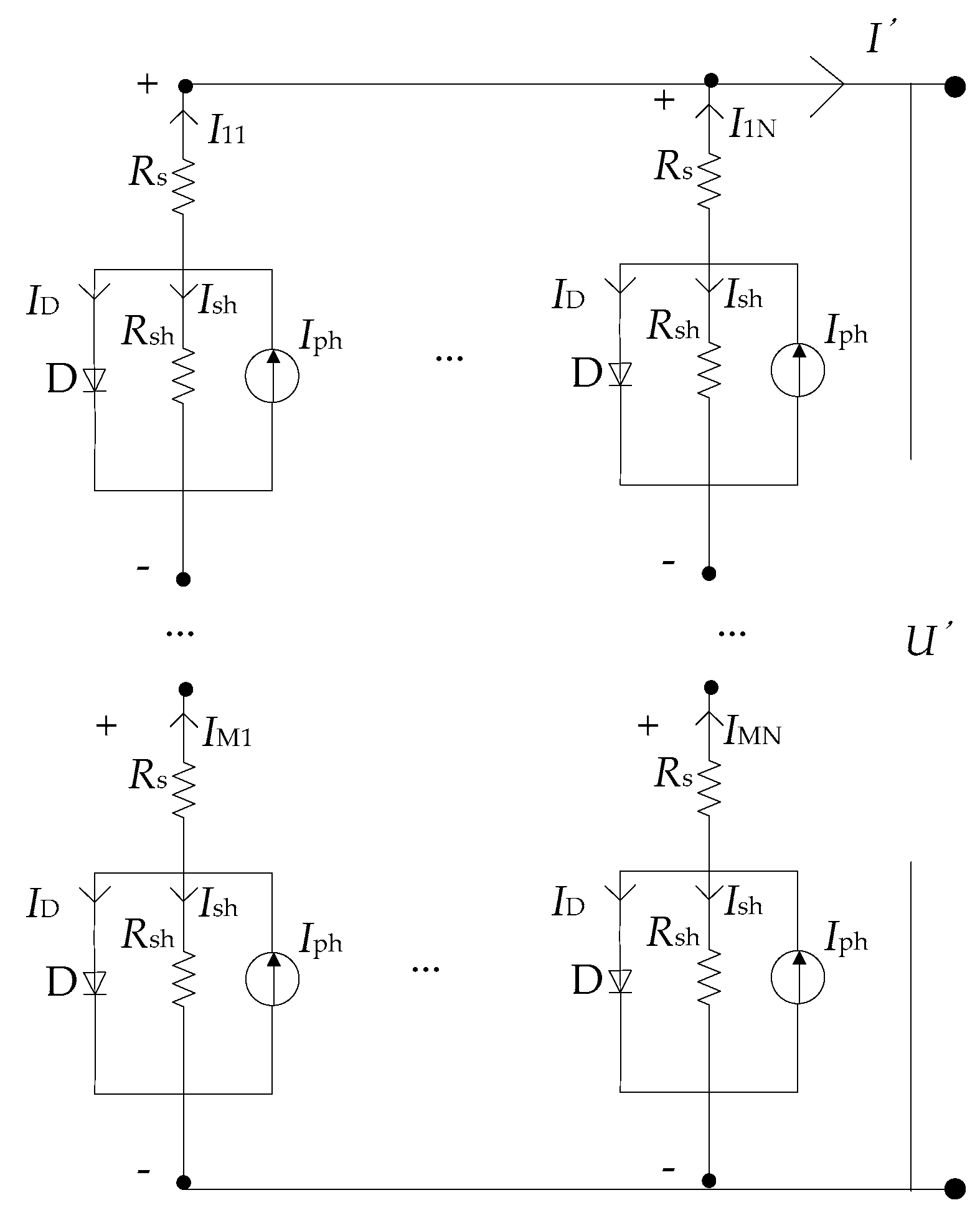
2.1. Analysis of Internal Parameters of Photovoltaic Array Equivalent Circuit in Fault State
2.2. Analysis of the Output Characteristics of Photovoltaic Array in Fault State
3. The Establishment of the Photovoltaic Array Fault Diagnosis Model
3.1. The Establishment of the Initial LSSVM Multi-Classifiers Model
3.1.1. The Method of LSSVM Classifier
3.1.2. The Initial LSSVM Multi-Classifiers Model
3.2. The Posteriori Probability of the Optimal LSSVM Multi-Classifiers
4. Simulation and Results
4.1. The Simulation of Photovoltaic System
4.2. The Simulation Data in Different States
4.3. The Standardization Analysis of the Data
4.4. Results Analysis
5. Experimental Results
5.1. Experimental Platform
5.2. Experimental Results
6. Conclusions
Acknowledgments
Author Contributions
Conflicts of Interest
References
- Sahu, B.K. A study on global solar PV energy developments and policies with special focus on the top ten solar PV power producing countries. Renew. Energy 2015, 43, 621–634. [Google Scholar] [CrossRef]
- Rezgui, W.; Mouss, L.H.; Mouss, M.D.; Kadri, O.; DISSA, A. Electrical faults detection for the intelligent diagnosis of a photovoltaic generator. J. Electr. Eng. 2014, 14, 77–84. [Google Scholar]
- Chine, W.; Mellit, A.; Lughi, V.; Malek, A.; Sulligoi, G.; Pavan, A.M. A novel ault diagnosis technique for photovoltaic systems based on artificial neural networks. Renew. Energy 2016, 90, 501–512. [Google Scholar] [CrossRef]
- Jiang, L.L.; Maskell, D.L. Automatic fault detection and diagnosis for photovoltaic systems using combined artificial neural network and analytical based methods. In Proceedings of the 2015 International Joint Conference on Neural Networks (IJCNN), Killarney, Ireland, 12–17 July 2015; pp. 1–8. [Google Scholar]
- Mekki, H.; Mellit, A.; Salhi, H. Artificial neural network-based modelling and fault detection of partial shaded photovoltaic modules. Simul. Model. Prac. Theory 2016, 67, 1–13. [Google Scholar] [CrossRef]
- Silvestre, S.; Chouder, A.; Karatepe, E. Automatic fault detection in grid connected PV systems. Sol. Energy 2013, 94, 119–127. [Google Scholar] [CrossRef]
- Garoudja, E.; Kara, K.; Chouder, A.; Silvestre, S.; Kichou, S. Efficient fault detection and diagnosis procedure for photovoltaic systems. In Proceedings of the 2016 8th International Conference on Modelling, Identification and Control (ICMIC), Algiers, Algeria, 15–17 November 2016; pp. 851–856. [Google Scholar]
- Spataru, S.V.; Sera, D.; Hacke, P.; Kerekes, T.; Teodorescu, R. Fault identification in crystalline silicon PV modules by complementary analysis of the light and dark current-voltage characteristics. Prog. Photovolt. 2016, 24, 517–532. [Google Scholar] [CrossRef]
- Platon, R.; Martel, J.; Woodruff, N.; Chau, T.Y. Online fault detection in PV systems. IEEE Trans. Sustain. Energy 2015, 6, 1200–1207. [Google Scholar] [CrossRef]
- Hu, Y.H.; Zhang, J.F.; Cao, W.P.; Wu, J.D.; Tian, G.Y.; Finney, S.J.; Kirtley, J.L. Online two-section PV array fault diagnosis with optimized voltage sensor locations. IEEE Trans. Ind. Electron. 2015, 62, 7237–7246. [Google Scholar] [CrossRef]
- Li, X.; Li, Y.Y.; Seem, J.E.; Lei, P. Detection of internal resistance change for photovoltaic arrays using Extremum-Seeking control MPPT signals. IEEE Trans. Control Syst. Technol. 2016, 24, 325–333. [Google Scholar] [CrossRef]
- Hariharan, R.; Chakkarapani, M.; Ilango, G.S.; Nagamani, C. A method to detect photovoltaic array faults and partial shading in PV systems. IEEE J. Photovolt. 2016, 6, 1278–1285. [Google Scholar] [CrossRef]
- Khawaja, T.; Vachtsevanos, G. A novel bayesian least squares support vector machine based anomaly detector for fault diagnosis. In Proceedings of the Annual Conference of the Prognostics and Health Management Society (PHM 2009), San Diego, CA, USA, 27 September–1 October 2009. [Google Scholar]
- Luts, J.; Ojeda, F.; Van de Plas, R.; De Moor, B.; Van Huffel, S.; Suykens, J.A.K. A tutorial on support vector machine-based methods for classification problems in chemometrics. Anal. Chim. Acta 2010, 665, 129–145. [Google Scholar] [CrossRef] [PubMed]
- Khawaja, T.S. A Bayesian Least Squares Support Vector Machines Based Framework for Fault Diagnosis and Failure Prognosis. Ph.D. Thesis, Georgia Institute of Technology, Atlanta, GA, USA, August 2010. [Google Scholar]
- Liu, C.; Kong, D.W.; Fan, Z.C.; Yu, Q.H.; Cai, M.L. Large Flow Compressed Air Load Forecasting Based on Least Squares Support Vector Machine within the Bayesian Evidence Framework. In Proceedings of the IECON 2013—39th Annual Conference of the IEEE Industrial Electronics Society, Vienna, Austria, 10–13 November 2013; pp. 7886–7991. [Google Scholar]
- Fahrenbruch, A.L.; Bube, R.H. Fundamentals of Solar Cells; Academic Press: New York, NY, USA, 1983. [Google Scholar]
- Hongmei, T.; Fernando, M.D.; Kevin, E.; Eduard, M.; Peter, J. A detailed performance model for photovoltaic systems. Sol. Energy J. 2012. Available online: https://www.nrel.gov/docs/fy12osti/54601.pdf (accessed on 30 September 2017).
- Syafaruddin, E.; Karatepe, T.H. Controlling of artificial neural network for fault diagnosis of photovoltaic array. In Proceedings of the 16th International Conference on Intelligent System Application to Power Systems, Hersonissos, Greece, 25–28 September 2011; pp. 1–6. [Google Scholar]
- Wang, Y.Z.; Li, Z.H.; Wu, C.H. A survey of online fault diagnosis for photovoltaic modules based on four parameters. Proc. CSEE 2014, 34, 2078–2087. [Google Scholar]
- Van Gestel, T.; Suykens, J.A.; Lanckriet, G.; Lambrechts, A.; De Moor, B.; Vandewalle, J. Bayesian framework for least-squares support vector machine classifiers, Gaussian processes, and kernel Fisher discriminant analysis. Neural Comput. 2002, 14, 1115–1147. [Google Scholar] [CrossRef] [PubMed]
- Suykens, J.A.K.; Vandewalle, J. Least squares support vector machine classifiers. Neural Process. Lett. 1999, 9, 293–300. [Google Scholar] [CrossRef]
- Keerthi, S.S.; Chin-Jen, L. Asymptotic behavior of support vector machines with Gaussian kernel. Neural Comput. 2013, 15, 1667–1689. [Google Scholar] [CrossRef] [PubMed]
- Lin, H.T.; Lin, C.J. A study on sigmoid kernels for SVM and the training of non-PSD kernels by SMO-type methods. Submit. Neural Comput. 2003, 27, 15–23. [Google Scholar]
- Kreβel, U. Pairwise classification and support vector machines. In Advances in Kernel Methods-Support Vector Learning; MIT Press: Cambridge, MA, USA, 1999; pp. 255–268. [Google Scholar]
- Laudani, A.; Fulginei, F.R.; Salvini, A. Identification of the one-diode model for photovoltaic modules from datasheet values. Sol. Energy 2014, 108, 432–446. [Google Scholar] [CrossRef]







| Parameters | Values |
|---|---|
| Maximum power current Im (A) | 8.36 |
| Maximum power voltage Um (V) | 37.10 |
| Short-circuit current ISC (A) | 8.86 |
| Open-circuit voltage UOC (V) | 44.00 |
| The Fault Features | Z1-UOC | Z2-ISC | Z3-Um | Z4-Im | Z5-Iρh | Z6-RS | Z7-Rsh |
|---|---|---|---|---|---|---|---|
| 1# | 0.2137 | 0.6974 | 0.3387 | 0.7831 | 0.6974 | 0.2084 | 0.7831 |
| 2# | 0.2000 | 0.7227 | 0.2837 | 0.7214 | 0.7227 | 0.2376 | 0.7214 |
| 3# | 0.2378 | 0.7139 | 0.3369 | 0.7524 | 0.7139 | 0.2641 | 0.7524 |
| 4# | 0.2819 | 0.6996 | 0.2069 | 0.8000 | 0.6996 | 0.2726 | 0.8000 |
| 5# | 0.2530 | 0.7964 | 0.3101 | 0.7426 | 0.7964 | 0.2758 | 0.7426 |
| 6# | 0.2062 | 0.7618 | 0.2351 | 0.7930 | 0.7618 | 0.2000 | 0.7930 |
| 7# | 0.2578 | 0.8000 | 0.2484 | 0.7643 | 0.8000 | 0.2083 | 0.7643 |
| 8# | 0.2894 | 0.7282 | 0.2000 | 0.7325 | 0.7282 | 0.3166 | 0.7325 |
| 9# | 0.2301 | 0.7970 | 0.3220 | 0.7533 | 0.7970 | 0.2378 | 0.7533 |
| 10# | 0.2297 | 0.6690 | 0.2863 | 0.7868 | 0.6690 | 0.2947 | 0.7868 |
| The Two-Classifiers | 1&2 | 1&3 | 1&4 | 2&3 | 2&4 | 3&4 |
|---|---|---|---|---|---|---|
| 1# | 0.9629 | 0.6045 | 0.5476 | 0.6753 | 0.6773 | 0.6572 |
| 2# | 0.9134 | 0.5660 | 0.5407 | 0.6644 | 0.6328 | 0.6651 |
| 3# | 0.9235 | 0.6057 | 0.5472 | 0.6734 | 0.6735 | 0.6689 |
| 4# | 0.8862 | 0.7007 | 0.5651 | 0.6904 | 0.8952 | 0.7176 |
| 5# | 0.9783 | 0.6160 | 0.5491 | 0.6786 | 0.7073 | 0.6645 |
| 6# | 0.9724 | 0.6364 | 0.5530 | 0.6831 | 0.7266 | 0.7033 |
| 7# | 0.9654 | 0.5867 | 0.5443 | 0.6715 | 0.6625 | 0.6423 |
| 8# | 0.8526 | 0.7227 | 0.5512 | 0.6625 | 0.6534 | 0.6235 |
| 9# | 0.9238 | 0.6808 | 0.5813 | 0.6912 | 0.7913 | 0.6518 |
| 10# | 0.9595 | 0.5775 | 0.5426 | 0.6693 | 0.6505 | 0.6465 |
| The Fault Types | The Short Circuit | The Open Circuit | The Abnormal Aging | The Normal | The Actual Fault Type | The Fault Type of Diagnose |
|---|---|---|---|---|---|---|
| 1# | 0.4249 | 0.1282 | 0.1614 | 0.2855 | 1 | 1 |
| 2# | 0.3926 | 0.1028 | 0.1780 | 0.3266 | 1 | 1 |
| 3# | 0.3751 | 0.1315 | 0.1931 | 0.3003 | 1 | 1 |
| 4# | 0.3553 | 0.2988 | 0.2049 | 0.1410 | 1 | 1 |
| 5# | 0.4285 | 0.1271 | 0.1631 | 0.2813 | 1 | 1 |
| 6# | 0.4093 | 0.1497 | 0.1593 | 0.2817 | 1 | 1 |
| 7# | 0.4248 | 0.1251 | 0.1812 | 0.2689 | 1 | 1 |
| 8# | 0.3837 | 0.1518 | 0.1625 | 0.3020 | 1 | 1 |
| 9# | 0.4405 | 0.1216 | 0.1478 | 0.2901 | 1 | 1 |
| 10# | 0.4340 | 0.1202 | 0.1516 | 0.2942 | 1 | 1 |
| The Fault Diagnose Models | |||||
|---|---|---|---|---|---|
| The LSSVM Algorithm in Bayesian Theory | The LSSVM Algorithm | The Standard SVM Algorithm | |||
| O | Percent | O | Percent | O | Percent |
| 40 | 97.5% | 40 | 92.5% | 40 | 90.0% |
| The Fault Types | The Short Circuit | The Open Circuit | The Abnormal Aging | The Normal | The Actual Fault Type | The Fault Type of Diagnose |
|---|---|---|---|---|---|---|
| 11# | 0.5163 | 0.1237 | 0.1895 | 0.1705 | 1 | 1 |
| 12# | 0.3024 | 0.1303 | 0.4596 | 0.1077 | 1 | 3 |
| 13# | 0.4926 | 0.2902 | 0.1239 | 0.0933 | 1 | 1 |
| 14# | 0.3954 | 0.2197 | 0.2124 | 0.1725 | 1 | 1 |
| 15# | 0.4697 | 0.2303 | 0.1176 | 0.1824 | 1 | 1 |
| 16# | 0.4213 | 0.1478 | 0.1355 | 0.2954 | 1 | 1 |
© 2017 by the authors. Licensee MDPI, Basel, Switzerland. This article is an open access article distributed under the terms and conditions of the Creative Commons Attribution (CC BY) license (http://creativecommons.org/licenses/by/4.0/).
Share and Cite
Sun, J.; Sun, F.; Fan, J.; Liang, Y. Fault Diagnosis Model of Photovoltaic Array Based on Least Squares Support Vector Machine in Bayesian Framework. Appl. Sci. 2017, 7, 1199. https://doi.org/10.3390/app7111199
Sun J, Sun F, Fan J, Liang Y. Fault Diagnosis Model of Photovoltaic Array Based on Least Squares Support Vector Machine in Bayesian Framework. Applied Sciences. 2017; 7(11):1199. https://doi.org/10.3390/app7111199
Chicago/Turabian StyleSun, Jiamin, Fengjie Sun, Jieqing Fan, and Yutu Liang. 2017. "Fault Diagnosis Model of Photovoltaic Array Based on Least Squares Support Vector Machine in Bayesian Framework" Applied Sciences 7, no. 11: 1199. https://doi.org/10.3390/app7111199
APA StyleSun, J., Sun, F., Fan, J., & Liang, Y. (2017). Fault Diagnosis Model of Photovoltaic Array Based on Least Squares Support Vector Machine in Bayesian Framework. Applied Sciences, 7(11), 1199. https://doi.org/10.3390/app7111199
