Evaluation of Reaction Parameters of the Phenol Steam Reforming over Ni/Co on ZrO2 Using the Full Factorial Experimental Design
Abstract
:1. Introduction
2. Experimental
2.1. Catalyst Preparation
2.2. Catalyst Characterization
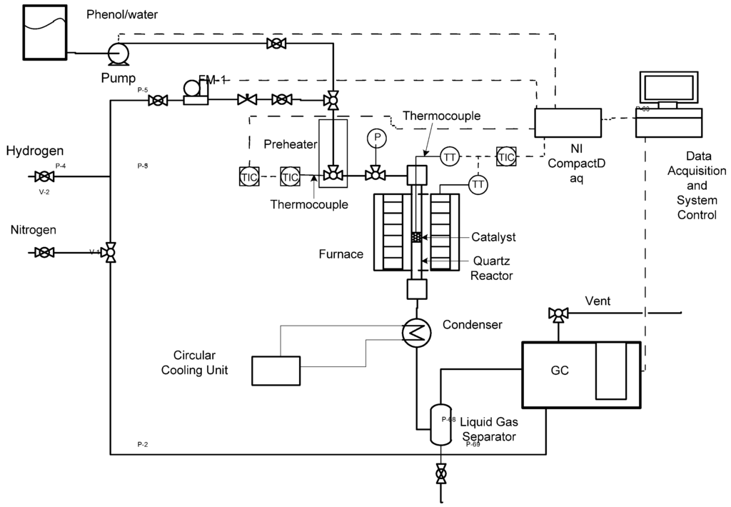
2.3. Catalyst Performance Test
2.4. Statistical Design of Experiment
3. Results and Discussion
3.1. Characterisation of the Fresh Catalysts
3.2. Factors Screening in a Full 25 Factorial Design for the Initial Regression Model
3.3. Reduced Model Equation for Phenol Conversion (Y1) and Hydrogen Yield (Y2)
3.4. Effects of Operating Conditions on Reaction Responses
3.4.1. Main Effect Plots for Y1 and Y2
3.4.2. Interaction Plots for Y1 and Y2
3.4.3. Surface and Contour Plots for Phenol Conversion (Y1) Response
3.4.4. Surface and Contour Plots for Hydrogen Yield (Y2) Response
3.4.5. Response Optimization
3.5. Coke Analysis
4. Conclusions
Acknowledgments
Author Contributions
Conflicts of Interest
References
- Ebshish, A.; Yaakob, Z.; Taufiq-Yap, Y.H.; Bshish, A. Investigation of the process conditions for hydrogen production by steam reforming of glycerol over Ni/Al2O3 catalyst using response surface methodology (RSM). Materials 2014, 7, 2257–2272. [Google Scholar] [CrossRef]
- Bu, Q.; Lei, H.; Ren, S.; Wang, L.; Holladay, J.; Zhang, Q.; Tang, J.; Ruan, R. Phenol and phenolics from lignocellulosic biomass by catalytic microwave pyrolysis. Bioresour. Technol. 2011, 102, 7004–7007. [Google Scholar] [CrossRef] [PubMed]
- Polychronopoulou, K.; Bakandritsos, A.; Tzitzios, V.; Fierro, J.L.G.; Efstathiou, A.M. Absorption-enhanced reforming of phenol by steam over supported Fe catalysts. J. Catal. 2006, 241, 132–148. [Google Scholar] [CrossRef]
- Garbarino, G.; Sanchez Escribano, V.; Finocchio, E.; Busca, G. Steam reforming of phenol-ethanol mixture over 5% Ni/Al2O3. Appl. Catal. B Environ. 2012, 113–114, 281–289. [Google Scholar] [CrossRef]
- Garbarino, G.; Wang, C.; Valsamakis, I.; Chitsazan, S.; Riani, P.; Finocchio, E.; Flytzani-Stephanopoulos, M.; Busca, G. A study of Ni/Al2O3 and Ni–La/Al2O3 catalysts for the steam reforming of ethanol and phenol. Appl. Catal. B Environ. 2015, 174–175, 21–34. [Google Scholar] [CrossRef]
- Nabgan, W.; Tuan Abdullah, T.A.; Mat, R.; Nabgan, B.; Gambo, Y.; Moghadamian, K. Acetic acid-phenol steam reforming for hydrogen production: Effect of different composition of La2O3-Al2O3 support for bimetallic Ni-Co catalyst. J. Environ. Chem. Eng. 2016, 4, 2765–2773. [Google Scholar] [CrossRef]
- Shukla, S.; Seal, S. Thermodynamic Tetragonal Phase Stability in Sol-Gel Derived Nanodomains of Pure Zirconia. J. Phys. Chem. B 2004, 108, 3395–3399. [Google Scholar] [CrossRef]
- Llorca, J.; Homs, N.; Sales, J.; de la Piscina, P.R. Efficient Production of Hydrogen over Supported Cobalt Catalysts from Ethanol Steam Reforming. J. Catal. 2002, 209, 306–317. [Google Scholar] [CrossRef]
- Batista, M.S.; Santos, R.K.S.; Assaf, E.M.; Assaf, J.M.; Ticianelli, E.A. High efficiency steam reforming of ethanol by cobalt-based catalysts. J. Power Source 2004, 134, 27–32. [Google Scholar] [CrossRef]
- Moura, J.S.; Souza, M.O.G.; Bellido, J.D.A.; Assaf, E.M.; Opportus, M.; Reyes, P.; do Carmo Rangel, M. Ethanol steam reforming over rhodium and cobalt-based catalysts: Effect of the support. Int. J. Hydrogen Energy 2012, 37, 3213–3224. [Google Scholar] [CrossRef]
- Papadopoulou, E.; Delimaris, D.; Denis, A.; Machocki, A.; Ioannides, T. Alcohol reforming on cobalt-based catalysts prepared from organic salt precursors. Int. J. Hydrogen Energy 2012, 37, 16375–16381. [Google Scholar] [CrossRef]
- Polychronopoulou, K.; Fierro, J.L.G.; Efstathiou, A.M. The phenol steam reforming reaction over MgO-based supported Rh catalysts. J. Catal. 2004, 228, 417–432. [Google Scholar] [CrossRef]
- Rioche, C.; Kulkarni, S.; Meunier, F.C.; Breen, J.P.; Burch, R. Steam reforming of model compounds and fast pyrolysis bio-oil on supported noble metal catalysts. Appl. Catal. B Environ. 2005, 61, 130–139. [Google Scholar] [CrossRef]
- Goodwin, A.K.; Rorrer, G.L. Conversion of Xylose and Xylose-Phenol Mixtures to Hydrogen-Rich Gas by Supercritical Water in an Isothermal Microtube Flow Reactor. Energy Fuels 2009, 23, 3818–3825. [Google Scholar] [CrossRef]
- Wang, S.; Zhang, F.; Cai, Q.; Li, X.; Zhu, L.; Wang, Q.; Luo, Z. Catalytic steam reforming of bio-oil model compounds for hydrogen production over coal ash supported Ni catalyst. Int. J. Hydrogen Energy 2014, 39, 2018–2025. [Google Scholar] [CrossRef]
- Pinheiro, A.N.; Valentini, A.; Sasaki, J.M.; Oliveira, A.C. Structural characterization of highly stable Pt−Ni supported zeolites and its catalytic performance for methane reforming with CO2. In Studies in Surface Science and Catalysis; Antoine Gédéon, P.M., Florence, B., Eds.; Elsevier: Paris, France, 2008; Part A; Volume 174, pp. 205–208. [Google Scholar]
- Zhou, L.; Guo, Y.; Zhang, Q.; Yagi, M.; Hatakeyama, J.; Li, H.; Chen, J.; Sakurai, M.; Kameyama, H. A novel catalyst with plate-type anodic alumina supports, Ni/NiAl2O4/γ-Al2O3/alloy, for steam reforming of methane. Appl. Catal. A Gen. 2008, 347, 200–207. [Google Scholar] [CrossRef]
- Kwak, B.S.; Kim, J.; Kang, M. Hydrogen production from ethanol steam reforming over core–shell structured NixOy–, FexOy–, and CoxOy–Pd catalysts. Int. J. Hydrogen Energy 2010, 35, 11829–11843. [Google Scholar] [CrossRef]
- Peppley, B.A.; Amphlett, J.C.; Kearns, L.M.; Mann, R.F. Methanol–steam reforming on Cu/ZnO/Al2O3 catalysts. Part 2. A comprehensive kinetic model. Appl. Catal. A Gen. 1999, 179, 31–49. [Google Scholar] [CrossRef]
- Chen, J.; Sun, L.; Wang, R.; Zhang, J. Hydrodechlorination of Chlorobenzene Over Ni2P/SiO2 Catalysts: Influence of Ni2P Loading. Catal. Lett. 2009, 133, 346–353. [Google Scholar] [CrossRef]
- Wu, C.; Wu, F.; Bai, Y.; Yi, B.; Zhang, H. Cobalt boride catalysts for hydrogen generation from alkaline NaBH4 solution. Mater. Lett. 2005, 59, 1748–1751. [Google Scholar] [CrossRef]
- Mas, V.; Dieuzeide, M.L.; Jobbágy, M.; Baronetti, G.; Amadeo, N.; Laborde, M. Ni(II)-Al(III) layered double hydroxide as catalyst precursor for ethanol steam reforming: Activation treatments and kinetic studies. Catal. Today 2008, 133–135, 319–323. [Google Scholar] [CrossRef]
- Jiang, C.J.; Trimm, D.L.; Wainwright, M.S.; Cant, N.W. Kinetic study of steam reforming of methanol over copper-based catalysts. Appl. Catal. A Gen. 1993, 93, 245–255. [Google Scholar] [CrossRef]
- Siahvashi, A.; Chesterfield, D.; Adesina, A.A. Nonoxidative and Oxidative Propane Dehydrogenation over Bimetallic Mo–Ni/Al2O3 Catalyst. Ind. Eng. Chem. Res. 2013, 52, 4017–4026. [Google Scholar] [CrossRef]
- Seong, M.; Shin, M.; Cho, J.-H.; Lee, Y.-C.; Park, Y.-K.; Jeon, J.-K. Reactor sizing for butane steam reforming over Ni and Ru catalysts. Korean J. Chem. Eng. 2014, 31, 412–418. [Google Scholar] [CrossRef]
- Mastalir, A.; Frank, B.; Szizybalski, A.; Soerijanto, H.; Deshpande, A.; Niederberger, M.; Schomäcker, R.; Schlögl, R.; Ressler, T. Steam reforming of methanol over Cu/ZrO2/CeO2 catalysts: A kinetic study. J. Catal. 2005, 230, 464–475. [Google Scholar] [CrossRef]
- Jia, A.-P.; Hu, G.-S.; Meng, L.; Xie, Y.-L.; Lu, J.-Q.; Luo, M.-F. CO oxidation over CuO/Ce1−xCuxO2−δ and Ce1−xCuxO2−δ catalysts: Synergetic effects and kinetic study. J. Catal. 2012, 289, 199–209. [Google Scholar] [CrossRef]
- Goltsov, V.A.; Veziroglu, T.N.; Goltsova, L.F. Hydrogen civilization of the future—A new conception of the IAHE. Int. J. Hydrogen Energy 2006, 31, 153–159. [Google Scholar] [CrossRef]
- Cai, W.; de la Piscina, P.R.; Homs, N. Oxidative steam reforming of bio-butanol for hydrogen production: effects of noble metals on bimetallic CoM/ZnO catalysts (M = Ru, Rh, Ir, Pd). Appl. Catal. B Environ. 2014, 145, 56–62. [Google Scholar] [CrossRef]
- Radlein, D.; Piskorz, J.; Scott, D.S. Proceedings of the 9th International Conference on Fundamentals Aspects, Analytical Techniques, Processes and Applications of PyrolysisFast pyrolysis of natural polysaccharides as a potential industrial process. J. Anal. Appl. Pyrolysis 1991, 19, 41–63. [Google Scholar] [CrossRef]
- Mguni, L.L. Biodiesel Production over Supported Nano-Magnesium Oxide Particles. Ph.D. Thesis, University of Johannesburg, Johannesburg, South Africa, April 2012. [Google Scholar]
- Fatsikostas, A.N.; Kondarides, D.I.; Verykios, X.E. Production of hydrogen for fuel cells by reformation of biomass-derived ethanol. Catal. Today 2002, 75, 145–155. [Google Scholar] [CrossRef]
- Martens, J.H.A.; Van ’t Blik, H.F.J.; Prins, R. Characterization of supported cobalt and cobalt-rhodium catalysts: II. Temperature-Programmed Reduction (TPR) and Oxidation (TPO) of CoTiO2 and Co-RhTiO2. J. Catal. 1986, 97, 200–209. [Google Scholar] [CrossRef]
- Abdullah, T.A.T.; Nabgan, W.; Kamaruddin, M.J.; Mat, R.; Johari, A.; Ahmad, A. Hydrogen production from acetic acid steam reforming over bimetallic Ni-Co on La2O3 catalyst-Effect of the catalyst dilution. Appl. Mech. Mater. 2014, 493, 39–44. [Google Scholar] [CrossRef]
- Mi, Y.; Yuan, D.; Liu, Y.; Zhang, J.; Xiao, Y. Synthesis of hexagonal close-packed nanocrystalline nickel by a thermal reduction process. Mater. Chem. Phys. 2005, 89, 359–361. [Google Scholar] [CrossRef]
- Beach, E.R.; Shqau, K.; Brown, S.E.; Rozeveld, S.J.; Morris, P.A. Solvothermal synthesis of crystalline nickel oxide nanoparticles. Mater. Chem. Phys. 2009, 115, 371–377. [Google Scholar] [CrossRef]
- Nabgan, W.; Abdullah, T.A.T.; Mat, R.; Nabgan, B.; Jalil, A.A.; Firmansyah, L.; Triwahyono, S. Production of hydrogen via steam reforming of acetic acid over Ni and Co supported on La2O3 catalyst. Int. J. Hydrogen Energy 2016. [Google Scholar] [CrossRef]
- Ingersoll, J.C.; Mani, N.; Thenmozhiyal, J.C.; Muthaiah, A. Catalytic hydrolysis of sodium borohydride by a novel nickel–cobalt–boride catalyst. J. Power Sources 2007, 173, 450–457. [Google Scholar] [CrossRef]
- Li, Y.; Wang, R.; Qi, F.; Wang, C. Preparation, characterization and microwave absorption properties of electroless Ni–Co–P-coated SiC powder. Appl. Surf. Sci. 2008, 254, 4708–4715. [Google Scholar] [CrossRef]
- Cabo, M.; Garroni, S.; Pellicer, E.; Milanese, C.; Girella, A.; Marini, A.; Rossinyol, E.; Suriñach, S.; Baró, M.D. Hydrogen sorption performance of MgH2 doped with mesoporous nickel- and cobalt-based oxides. Int. J. Hydrogen Energy 2011, 36, 5400–5410. [Google Scholar] [CrossRef]
- Han, S.J.; Bang, Y.; Yoo, J.; Seo, J.G.; Song, I.K. Hydrogen production by steam reforming of ethanol over mesoporous Ni–Al2O3–ZrO2 xerogel catalysts: Effect of nickel content. Int. J. Hydrogen Energy 2013, 38, 8285–8292. [Google Scholar] [CrossRef]
- Lin, S.S.Y.; Kim, D.H.; Ha, S.Y. Metallic phases of cobalt-based catalysts in ethanol steam reforming: The effect of cerium oxide. Appl. Catal. A Gen. 2009, 355, 69–77. [Google Scholar] [CrossRef]
- Xu, J.; Zhou, W.; Li, Z.; Wang, J.; Ma, J. Biogas reforming for hydrogen production over nickel and cobalt bimetallic catalysts. Int. J. Hydrogen Energy 2009, 34, 6646–6654. [Google Scholar] [CrossRef]
- Alves-Rosa, M.A.; Martins, L.; Hammer, P.; Pulcinelli, S.H.; Santilli, C.V. Sulfated zirconia foams synthesized by integrative route combining surfactants, air bubbles and sol-gel transition applied to heterogeneous catalysis. RSC Adv. 2016, 6, 6686–6694. [Google Scholar] [CrossRef]
- Mondal, T.; Pant, K.K.; Dalai, A.K. Catalytic oxidative steam reforming of bio-ethanol for hydrogen production over Rh promoted Ni/CeO2–ZrO2 catalyst. Int. J. Hydrogen Energy 2015, 40, 2529–2544. [Google Scholar] [CrossRef]
- Yasu-eda, T.; Kitamura, S.; Ikenaga, N.-O.; Miyake, T.; Suzuki, T. Selective oxidation of alcohols with molecular oxygen over Ru/CaO–ZrO2 catalyst. J. Mol. Catal. A Chem. 2010, 323, 7–15. [Google Scholar] [CrossRef]
- Li, W.; Zhao, Z.; Ding, F.; Guo, X.; Wang, G. Syngas Production via Steam–CO2 Dual Reforming of Methane over LA-Ni/ZrO2 Catalyst Prepared by l-Arginine Ligand-Assisted Strategy: Enhanced Activity and Stability. ACS Sustain. Chem. Eng. 2015, 3, 3461–3476. [Google Scholar] [CrossRef]
- Kumar, P.; Sun, Y.; Idem, R.O. Comparative study of Ni-based mixed oxide catalyst for carbon dioxide reforming of methane. Energy Fuels 2008, 22, 3575–3582. [Google Scholar] [CrossRef]
- De Freitas Silva, T.; Reis, C.G.M.; Lucrédio, A.F.; Assaf, E.M.; Assaf, J.M. Hydrogen production from oxidative reforming of methane on Ni/γ-Al2O3 catalysts: Effect of support promotion with La, La–Ce and La–Zr. Fuel Process. Technol. 2014, 127, 97–104. [Google Scholar] [CrossRef]
- Khodakov, A.Y.; Chu, W.; Fongarland, P. Advances in the Development of Novel Cobalt Fischer−Tropsch Catalysts for Synthesis of Long-Chain Hydrocarbons and Clean Fuels. Chem. Rev. 2007, 107, 1692–1744. [Google Scholar] [CrossRef] [PubMed]
- Dang, C.; Yu, H.; Wang, H.; Peng, F.; Yang, Y. A bi-functional Co–CaO–Ca12Al14O33 catalyst for sorption-enhanced steam reforming of glycerol to high-purity hydrogen. Chem. Eng. J. 2016, 286, 329–338. [Google Scholar] [CrossRef]
- Luo, N.; Ouyang, K.; Cao, F.; Xiao, T. Hydrogen generation from liquid reforming of glycerin over Ni–Co bimetallic catalyst. Biomass Bioenergy 2010, 34, 489–495. [Google Scholar] [CrossRef]
- Koh, A.C.W.; Chen, L.; Kee Leong, W.; Johnson, B.F.G.; Khimyak, T.; Lin, J. Hydrogen or synthesis gas production via the partial oxidation of methane over supported nickel–cobalt catalysts. Int. J. Hydrogen Energy 2007, 32, 725–730. [Google Scholar] [CrossRef]
- Gunter, K.L.; Sutherland, J.W. An experimental investigation into the effect of process conditions on the mass concentration of cutting fluid mist in turning. J. Clean. Prod. 1999, 7, 341–350. [Google Scholar] [CrossRef]
- Bingol, D.; Tekin, N.; Alkan, M. Brilliant Yellow dye adsorption onto sepiolite using a full factorial design. Appl. Clay Sci. 2010, 50, 315–321. [Google Scholar] [CrossRef]
- Hallman, N. High Temperature, High Pressure Hydrocarbon Conversion Process. U.S. Patent 3,714,028, 30 January 1973. [Google Scholar]
- Naseri, A.; Ayadi-Anzabi, H. Monitoring of decolorization of a two dyes mixture using spectrophotometric data and multivariate curve resolution: Modeling the removal process using an experimental design method. Anal. Methods 2012, 4, 153–161. [Google Scholar] [CrossRef]
- Antony, J. A Systematic Methodology for Design of Experiments. In Design of Experiments for Engineers and Scientists, 2nd ed.; Antony, J., Ed.; Elsevier: Oxford, UK, 2014; pp. 33–50. [Google Scholar]
- Mathews, P.G. Design of Experiments with MINITAB; ASQ Quality Press: Milwaukee, WI, USA, 2005. [Google Scholar]
- Ellison, S.L.R.; Farrant, T.J.; Barwick, V.; Chemistry, R.S.O. Practical Statistics for the Analytical Scientist: A Bench Guide; RSC Publishing: Cambridge, UK, 2009. [Google Scholar]
- Cojocaru, C.; Zakrzewska-Trznadel, G. Response surface modeling and optimization of copper removal from aqua solutions using polymer assisted ultrafiltration. J. Membr. Sci. 2007, 298, 56–70. [Google Scholar] [CrossRef]
- Cobo, M.; Pieruccini, D.; Abello, R.; Ariza, L.; Córdoba, L.F.; Conesa, J.A. Steam reforming of ethanol over bimetallic RhPt/La2O3: Long-term stability under favorable reaction conditions. Int. J. Hydrogen Energy 2013, 38, 5580–5593. [Google Scholar] [CrossRef]
- Natesakhawat, S.; Watson, R.B.; Wang, X.; Ozkan, U.S. Deactivation characteristics of lanthanide-promoted sol–gel Ni/Al2O3 catalysts in propane steam reforming. J. Catal. 2005, 234, 496–508. [Google Scholar] [CrossRef]
- Yang, E.-H.; Kim, N.Y.; Noh, Y.-S.; Lim, S.S.; Jung, J.-S.; Lee, J.S.; Hong, G.H.; Moon, D.J. Steam CO2 reforming of methane over La1−xCexNiO3 perovskite catalysts. Int. J. Hydrogen Energy 2015, 40, 11831–11839. [Google Scholar] [CrossRef]
- Gallego, G.S.; Marín, J.G.; Batiot-Dupeyrat, C.; Barrault, J.; Mondragón, F. Influence of Pr and Ce in dry methane reforming catalysts produced from La1−xAxNiO3−δ perovskites. Appl. Catal. A Gen. 2009, 369, 97–103. [Google Scholar] [CrossRef]
















| Factors | Symbol | Levels | |
|---|---|---|---|
| Temperature (°C) | A | 500 | 800 |
| Feed flow rate (mL/min) | B | 0.16 | 0.46 |
| Catalyst amount (g) | C | 0.1 | 0.3 |
| Ni-Co ratio | D | 0 | 1 |
| Phenol Concentration (wt %) | E | 2 | 10 |
| Runs | A (°C) | B (mL/min) | C (g) | D | E (wt %) | Phenol Conversion | H2 | CO | CO2 |
|---|---|---|---|---|---|---|---|---|---|
| 1 | 500 | 0.46 | 0.1 | 0 | 10 | 21.6 | 31.6 | 10.4 | 58 |
| 2 | 500 | 0.46 | 0.1 | 1 | 10 | 21.0 | 31 | 10 | 59 |
| 3 | 800 | 0.46 | 0.3 | 1 | 10 | 53.4 | 41.1 | 12.8 | 46.1 |
| 4 | 800 | 0.46 | 0.3 | 1 | 2 | 13.9 | 27.6 | 8.9 | 63.5 |
| 5 | 800 | 0.16 | 0.1 | 1 | 10 | 64.0 | 54.2 | 15.3 | 30.5 |
| 6 | 800 | 0.16 | 0.1 | 1 | 2 | 17.3 | 29.5 | 9.6 | 60.9 |
| 7 | 500 | 0.16 | 0.1 | 1 | 2 | 9.4 | 25.1 | 6.8 | 68.1 |
| 8 | 500 | 0.16 | 0.1 | 0 | 2 | 13.2 | 27.5 | 8.6 | 63.9 |
| 9 | 800 | 0.46 | 0.1 | 1 | 10 | 42.1 | 34.6 | 12.5 | 52.9 |
| 10 | 800 | 0.46 | 0.1 | 0 | 2 | 11.6 | 26.9 | 7.8 | 65.3 |
| 11 | 800 | 0.16 | 0.1 | 0 | 10 | 81.9 | 62.2 | 15.9 | 21.9 |
| 12 | 500 | 0.16 | 0.1 | 1 | 10 | 37.6 | 33.9 | 11.9 | 54.2 |
| 13 | 800 | 0.46 | 0.1 | 0 | 10 | 57.9 | 51.2 | 14.8 | 34 |
| 14 | 800 | 0.16 | 0.3 | 0 | 2 | 23.2 | 32.5 | 11.2 | 56.3 |
| 15 | 500 | 0.46 | 0.3 | 1 | 10 | 22.0 | 32.3 | 10.6 | 57.1 |
| 16 | 500 | 0.46 | 0.3 | 0 | 10 | 62.6 | 53.9 | 14.9 | 31.2 |
| 17 | 500 | 0.16 | 0.3 | 1 | 10 | 44.0 | 37.5 | 12.6 | 49.9 |
| 18 | 500 | 0.16 | 0.3 | 0 | 2 | 11.6 | 27.1 | 8.5 | 64.4 |
| 19 | 800 | 0.16 | 0.1 | 0 | 2 | 19.7 | 30.7 | 9.7 | 59.6 |
| 20 | 500 | 0.46 | 0.3 | 0 | 2 | 15.6 | 28.1 | 9 | 62.9 |
| 21 | 500 | 0.46 | 0.1 | 1 | 2 | 5.0 | 22.3 | 5.9 | 71.8 |
| 22 | 800 | 0.16 | 0.3 | 1 | 2 | 16.3 | 28.4 | 9.2 | 62.4 |
| 23 | 800 | 0.16 | 0.3 | 0 | 10 | 96.8 | 72.4 | 16.1 | 11.5 |
| 24 | 800 | 0.46 | 0.1 | 1 | 2 | 9.7 | 25.2 | 7.4 | 67.4 |
| 25 | 500 | 0.16 | 0.1 | 0 | 10 | 57.4 | 45.9 | 13.5 | 40.6 |
| 26 | 500 | 0.16 | 0.3 | 0 | 10 | 58.1 | 51.5 | 14.8 | 33.7 |
| 27 | 500 | 0.46 | 0.1 | 0 | 2 | 2.7 | 21.4 | 5.8 | 72.8 |
| 28 | 500 | 0.46 | 0.3 | 1 | 2 | 5.7 | 22.4 | 6.2 | 71.4 |
| 29 | 800 | 0.16 | 0.3 | 1 | 10 | 76.3 | 55.7 | 15.7 | 28.6 |
| 30 | 800 | 0.46 | 0.3 | 0 | 10 | 77.9 | 56.8 | 15.8 | 27.4 |
| 31 | 500 | 0.16 | 0.3 | 1 | 2 | 10.6 | 26.7 | 7.7 | 65.6 |
| 32 | 800 | 0.46 | 0.3 | 0 | 2 | 19.5 | 30.1 | 9.7 | 60.2 |
| Response | Model Terms | Effect | Coefficient | p-Value |
|---|---|---|---|---|
| Phenol conversion (%) | Model Equation (6) | - | 8.74014 | 0.000 |
| A | 17.704 | −0.00216 | 0.008 | |
| B | −12.201 | −39.6608 | 0.016 | |
| C | 8.478 | −74.4782 | 0.026 | |
| D | −11.43 | −19.4077 | 0.018 | |
| E | 41.859 | 7.49008 | 0.002 | |
| AB | −1.491 | 0.023912 | 0.495 | |
| AC | 0.672 | 0.083992 | 0.727 | |
| AD | −0.518 | 0.030147 | 0.784 | |
| AE | 10.552 | 0.000846 | 0.021 | |
| BC | 3.915 | 247.554 | 0.229 | |
| BD | −0.632 | 65.8527 | 0.742 | |
| BE | −7.508 | −30.9289 | 0.036 | |
| CD | −3.939 | 133.44 | 0.227 | |
| CE | 4.986 | −30.316 | 0.049 | |
| DE | −7.779 | −6.77565 | 0.031 | |
| ABC | −2.213 | −0.22352 | 0.373 | |
| ABD | 0.635 | −0.08751 | 0.74 | |
| ABE | −0.731 | 0.03016 | 0.706 | |
| ACD | 1.525 | −0.20745 | 0.488 | |
| ACE | 0.499 | 0.046393 | 0.792 | |
| ADE | 0.042 | 0.005443 | 0.982 | |
| BCD | −4.111 | −402.183 | 0.219 | |
| BCE | 0.96 | 139.889 | 0.632 | |
| BDE | −0.528 | 27.7172 | 0.78 | |
| CDE | −1.716 | 25.9847 | 0.451 | |
| ABCD | 3.46 | 0.557974 | 0.256 | |
| ABCE | −1.642 | −0.17284 | 0.465 | |
| ABDE | 0.062 | −0.03197 | 0.973 | |
| ACDE | 1.361 | −0.02793 | 0.524 | |
| BCDE | −2.346 | −145.229 | 0.356 | |
| ABCDE | 1.47 | 0.163287 | 0.501 |
| Response | Model Terms | Effect | Coefficient | p-Value |
|---|---|---|---|---|
| Hydrogen yield (%) | Model Equation (7) | - | 31.3439 | 0 |
| A | 8.806 | −0.00816 | 0.009 | |
| B | −6.519 | −37.7222 | 0.027 | |
| C | 4.431 | −43.3667 | 0.041 | |
| D | −7.644 | −10.8661 | 0.018 | |
| E | 19.644 | 1.29028 | 0.006 | |
| AB | −2.494 | 0.032778 | 0.268 | |
| AC | −0.669 | 0.042667 | 0.657 | |
| AD | −0.669 | 0.014172 | 0.657 | |
| AE | 5.019 | 0.003003 | 0.039 | |
| BC | 1.581 | 128.333 | 0.392 | |
| BD | −0.294 | 30.1528 | 0.837 | |
| BE | −3.581 | −11.5278 | 0.048 | |
| CD | −2.444 | 95.75 | 0.273 | |
| CE | 2.644 | −10.6167 | 0.255 | |
| DE | −5.506 | −5.40194 | 0.031 | |
| ABC | −0.919 | −0.1 | 0.562 | |
| ABD | −0.519 | −0.03181 | 0.724 | |
| ABE | −2.606 | 0.012222 | 0.258 | |
| ACD | 1.006 | −0.1295 | 0.534 | |
| ACE | −0.456 | 0.022333 | 0.753 | |
| ADE | −0.431 | 0.007131 | 0.766 | |
| BCD | −0.994 | −272.917 | 0.538 | |
| BCE | 0.269 | 74.1667 | 0.85 | |
| BDE | −0.181 | 23.0069 | 0.898 | |
| CDE | −1.406 | 12.7861 | 0.428 | |
| ABCD | 2.456 | 0.345833 | 0.272 | |
| ABCE | −0.831 | −0.10833 | 0.593 | |
| ABDE | −0.906 | −0.03493 | 0.567 | |
| ACDE | 0.894 | −0.02364 | 0.571 | |
| BCDE | −0.181 | −83.8194 | 0.898 | |
| ABCDE | 1.119 | 0.124306 | 0.497 |
| Response | Model Terms | Effect | Coefficient | F-Ratio | p-Value |
|---|---|---|---|---|---|
| Phenol conversion (%) | Model Equation (8) | - | −1.87079 | 121.1 | 0.000 |
| A | 17.704 | 0.0062524 | 78.52 | 0.000 | |
| B | −12.201 | −3.13 | 37.29 | 0.000 | |
| C | 8.478 | 4.9969 | 18.01 | 0.000 | |
| D | −11.43 | 0.23866 | 32.73 | 0.000 | |
| E | 41.859 | 1.18218 | 438.95 | 0.000 | |
| AE | 10.552 | 0.00879326 | 27.89 | 0.000 | |
| BE | −7.508 | −6.25647 | 14.12 | 0.001 | |
| CE | 4.986 | 6.23214 | 6.23 | 0.021 | |
| DE | −7.779 | −1.94471 | 15.16 | 0.001 |
| Response | Model terms | Effect | Coefficient | F-Ratio | p-Value |
|---|---|---|---|---|---|
| Hydrogen yield (%) | Model Equation (9) | - | 15.7346 | 60.13 | 0.000 |
| A | 8.806 | 0.00426 | 39.93 | 0.000 | |
| B | −6.519 | −3.82292 | 21.88 | 0.000 | |
| C | 4.431 | 22.1563 | 10.11 | 0.004 | |
| D | −7.644 | 0.61562 | 30.08 | 0.000 | |
| E | 19.644 | 1.35042 | 198.67 | 0.000 | |
| AE | 5.019 | 0.004182 | 12.97 | 0.002 | |
| BE | −3.581 | −2.98437 | 6.6 | 0.017 | |
| CE | −5.506 | −1.37656 | 15.61 | 0.001 |
© 2016 by the authors; licensee MDPI, Basel, Switzerland. This article is an open access article distributed under the terms and conditions of the Creative Commons Attribution (CC-BY) license (http://creativecommons.org/licenses/by/4.0/).
Share and Cite
Nabgan, W.; Tuan Abdullah, T.A.; Mat, R.; Nabgan, B.; Gambo, Y.; Johari, A. Evaluation of Reaction Parameters of the Phenol Steam Reforming over Ni/Co on ZrO2 Using the Full Factorial Experimental Design. Appl. Sci. 2016, 6, 223. https://doi.org/10.3390/app6080223
Nabgan W, Tuan Abdullah TA, Mat R, Nabgan B, Gambo Y, Johari A. Evaluation of Reaction Parameters of the Phenol Steam Reforming over Ni/Co on ZrO2 Using the Full Factorial Experimental Design. Applied Sciences. 2016; 6(8):223. https://doi.org/10.3390/app6080223
Chicago/Turabian StyleNabgan, Walid, Tuan Amran Tuan Abdullah, Ramli Mat, Bahador Nabgan, Yahya Gambo, and Anwar Johari. 2016. "Evaluation of Reaction Parameters of the Phenol Steam Reforming over Ni/Co on ZrO2 Using the Full Factorial Experimental Design" Applied Sciences 6, no. 8: 223. https://doi.org/10.3390/app6080223
APA StyleNabgan, W., Tuan Abdullah, T. A., Mat, R., Nabgan, B., Gambo, Y., & Johari, A. (2016). Evaluation of Reaction Parameters of the Phenol Steam Reforming over Ni/Co on ZrO2 Using the Full Factorial Experimental Design. Applied Sciences, 6(8), 223. https://doi.org/10.3390/app6080223
