Shape Memory Polymer Composites of Poly(styrene-b-butadiene-b-styrene) Copolymer/Liner Low Density Polyethylene/Fe3O4 Nanoparticles for Remote Activation
Abstract
:1. Introduction
2. Experimental
2.1. Materials
2.2. Preparation of Fe3O4 Nanoparticles
2.3. Preparation of Fe3O4/SBS/LLDPE Composites
2.4. Sample Irradiation
2.5. Experimental Methods
3. Results and Discussion
3.1. Characteristics of the Fe3O4 Nanoparticles
3.2. Characteristics of the Fe3O4/SBS/LLDPE Composites
3.2.1. Mechanical Properties
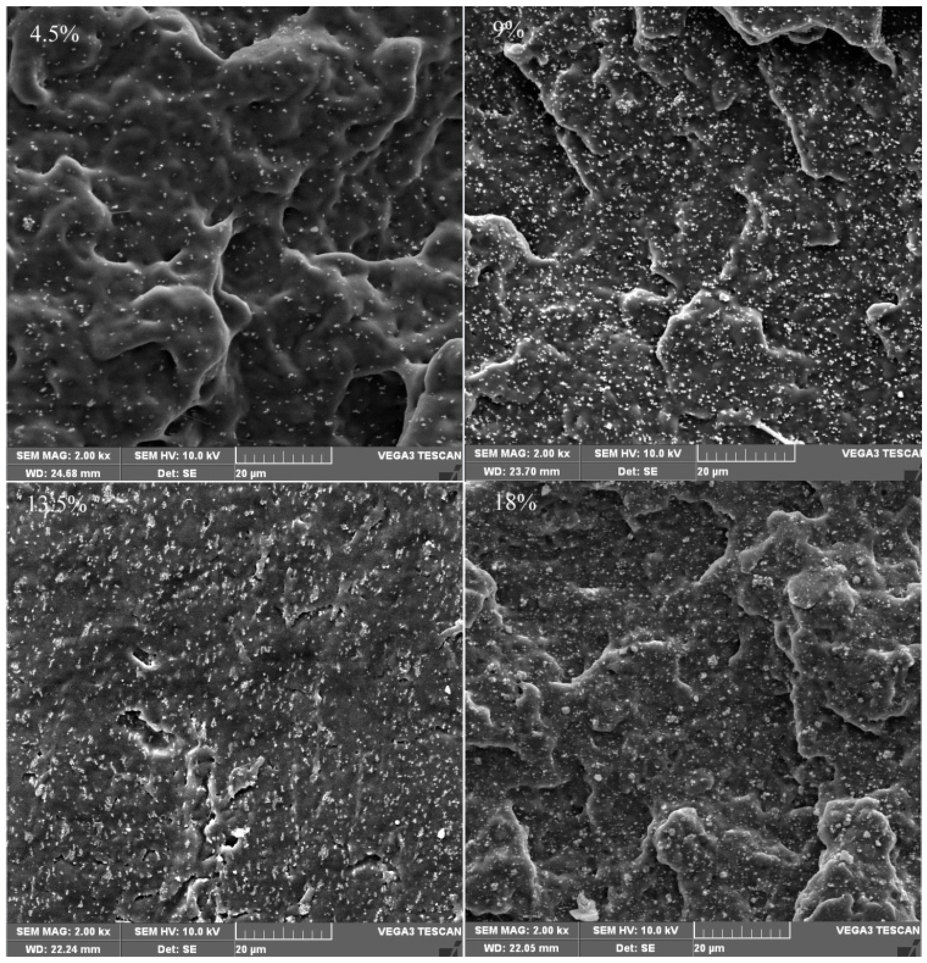
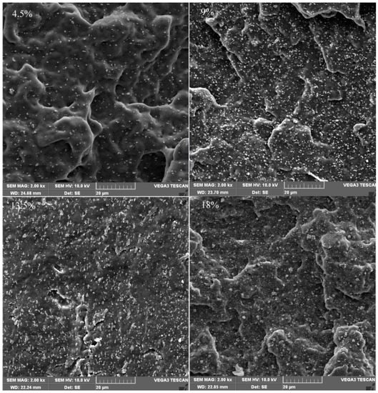
3.2.2. The SEM of Fe3O4/SBS/LLDPE Composites
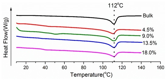
3.2.3. Thermal Analysis of Fe3O4/SBS/LLDPE Composites
3.2.4. Magnetically Induced Shape Recovery of Fe3O4/SBS/LLDPE Composites
4. Conclusions
Acknowledgments
Author Contributions
Conflicts of Interest
References
- Mather, P.T.; Luo, X.; Rousseau, I.A. Shape memory polymer research. Annu. Rev. Mater. Res. 2009, 39, 445–471. [Google Scholar] [CrossRef]
- Huang, W.M.; Yang, B.; An, L.; Li, C.; Chan, Y.S. Water-driven programmable polyurethane shape memory: demonstration and mechanism. Appl. Phys. Lett. 2005, 86, 114105. [Google Scholar] [CrossRef]
- Meng, H.; Li, G. A review of stimuli-responsive shape memory polymer composites. Polymer 2013, 54, 2199–2221. [Google Scholar] [CrossRef]
- Hearon, K.; Wierzbicki, M.A.; Nash, L.D.; Landsman, T.L.; Laramy, C.; Lonnecker, A.T.; Gibbons, M.C.; Ur, S.; Cardinal, K.O.; Wilson, T.S. A processable shape memory polymers system for biomedical applications. Adv. Healthc. Mater. 2015, 4, 1386–1398. [Google Scholar] [CrossRef] [PubMed]
- Du, F.P.; Ye, E.Z.; Yang, W.; Shen, T.H.; Tang, C.Y.; Xie, X.L.; Zhou, X.P.; Law, W.C. Electroactive shape memory polymer based on optimized multi-walled carbon nanotubes/polyvinyl alcohol nanocomposites. Compos. B Eng. 2015, 68, 170–175. [Google Scholar] [CrossRef]
- Jiang, Y.; Fang, L.; Kratz, K.; Lendlein, A. Influence of compression direction on the shape memory effect of micro-cylinder arrays prepared from semi-crystalline polymer networks. MRS Adv. 2016, 27, 1985–1993. [Google Scholar] [CrossRef]
- Zhao, Q.; Marc, B.; Lendlein, A. Shape memory polymers with multiple transitions: complex actively moving polymers. Soft Matter. 2013, 6, 1744–1755. [Google Scholar] [CrossRef]
- Zhao, Q.; Qi, H.J.; Xie, T. Recent progress in shape memory polymer: new behavior, enabling materials, and mechanistic understanding. Prog. Polym. Sci. 2015, 49, 79–120. [Google Scholar] [CrossRef]
- Wang, Y.K.; Tian, W.C.; Xie, J.Q.; Liu, Y. Thermoelectric responsive shape memory grapheme/hybro-epoxy composites for actuators. Micromachines 2016, 7, 145. [Google Scholar] [CrossRef]
- Liu, Y.J.; Du, H.Y.; Liu, L.W.; Leng, J.S. Shape memory polymers and their composites in aerospace applications: a review. Smart Mater. Struct. 2014, 23, 023001. [Google Scholar] [CrossRef]
- Hu, J.L.; Zhu, Y.; Huang, H.H.; Lu, J. Recent advances in shape memory polymers: Structure, mechanism, functionality, modeling and applications. Prog. Polym. Sci. 2012, 37, 1720–1763. [Google Scholar] [CrossRef]
- Jani, J.M.; Leary, M.; Subic, A.; Gibson, M.A. A review of shape memory alloy research, applications and opportunities. Mater. Des. 2014, 56, 1079–1113. [Google Scholar]
- Serrano, M.C.; Ameer, G.A. Recent insights into the biomedical applications of shape memory polymers. Macromol. Biosci. 2012, 12, 1156–1171. [Google Scholar] [CrossRef] [PubMed]
- Lu, H.B.; Yao, Y.T.; Huang, W.M.; Leng, L.S.; Hui, D. Significantly improving infrared light-induced shape recovery behavior of shape memory polymeric nanocomposite via a synergistic effect of carbon nanotube and boron nitride. Compos. B-Eng. 2014, 62, 256–261. [Google Scholar] [CrossRef]
- Wang, Y.K.; Zhu, G.M.; Xie, J.Q.; Meng, Q.N.; Liu, T.T.; Ren, F. An investigation on shape memory behavior of glass fiber/SBS/LDPE composites. J. Polym. Res. 2014, 21, 1–8. [Google Scholar] [CrossRef]
- Zheng, N.; Fang, G.Q.; Cao, Z.L.; Zhao, Q.; Xie, T. High strain epoxy shape memory polymer. Polym. Chem. UK 2015, 6, 3046–3053. [Google Scholar] [CrossRef]
- Yakacki, C.M.; Satarkar, N.S.; Gall, K.; Likos, R.; Hilt, J.Z. Shape memory polymer networks with Fe3O4 nanoparticles for remote activation. J. Appl. Polym. Sci. 2009, 112, 3166–3176. [Google Scholar] [CrossRef]
- Cai, Y.; Jiang, J.S.; Zheng, B.; Xie, M.R. Synthesis and properties of magnetic sensitive shape memory Fe3O4/poly (ε-caprolactone)-polyurethane nanocomposites. J. Appl. Polym. Sci. 2013, 127, 49–56. [Google Scholar] [CrossRef]
- Kokate, K.K.; Bhandarkar, S.E.; Kulkarni, S.A. Synthesis And magnetic properties of poly (3, 4-ethylenedioxythiophene)(PEDOT)/Fe3O4 composites. IJITR 2015, 3, 1925–1929. [Google Scholar]
- Jiao, M.; Zeng, J.; Jing, L.; Liu, C.; Gao, M. Flow synthesis of biocompatible Fe3O4 nanoparticles: Insight into the effects of residence time, fluid velocity, and tube reactor dimension on particle size distribution. Chem. Mater. 2015, 27, 1299–1305. [Google Scholar] [CrossRef]
- Pan, L.; Zhu, X.D.; Xie, X.M.; Liu, Y.T. Smart hybridization of TiO2 nanorods and Fe3O4 nanoparticles with pristine graphene nanosheets: Hierarchically nanoengineered ternary heterostructures for high-rate lithium storage. Adv. Funct. Mater. 2015, 25, 3341–3350. [Google Scholar] [CrossRef]
- Hearon, K.; Smith, S.E.; Maher, C.A.; Wilson, T.S.; Maitland, D.J. The effect of free radical inhibitor on the sensitized radiation crosslinking and thermal processing stabilization of polyurethane shape memory polymers. Radiat. Phys. Chem. 2013, 83, 111–121. [Google Scholar] [CrossRef] [PubMed]
- Liu, Y.Y.; Han, C.M.; Tan, H.F.; Du, X.W. Thermal, mechanical and shape memory properties of shape memory epoxy resin. Mat. Sci. Eng. A Struct. 2010, 527, 2510–2514. [Google Scholar] [CrossRef]
- Wang, Y.K.; Zhu, G.M.; Cui, X.P.; Liu, T.T.; Liu, Z.; Wang, K. Electroactive shape memory effect of radiation cross-linked SBS/LLDPE composites filled with carbon black. Colloid Polym. Sci. 2014, 292, 2311–2317. [Google Scholar] [CrossRef]
- Mohammadi, A.; Barikani, M.; Barmar, M. Synthesis and investigation of thermal and mechanical properties of in situ prepared biocompatible Fe3O4/polyurethane elastomer nanocomposites. Polym. Bull. 2015, 72, 219–234. [Google Scholar] [CrossRef]
- Razzaq, M.Y.; Anhalt, M.; Frormann, L.; Weidenfeller, B. Thermal, electrical and magnetic studies of magnetite filled polyurethane shape memory polymers. Mater. Sci. Eng. A Struct. 2007, 444, 227–235. [Google Scholar] [CrossRef]








| Samples | Rf (%) | Rr (%) | Recovery Time (s) |
|---|---|---|---|
| 4.5 wt % Fe3O4/SBS/LLDPE | 98.5 ± 0.32 | 95.4 ± 0.35 | 118 ± 2.5 |
| 9.0 wt % Fe3O4/SBS/LLDPE | 98.9 ± 0.29 | 97.5 ±0.41 | 77 ± 1.8 |
| 13.5 wt % Fe3O4/SBS/LLDPE | 99.3 ± 0.26 | 98.9 ± 0.42 | 32 ± 1.5 |
| 18.0 wt % Fe3O4/SBS/LLDPE | 99.4 ± 0.28 | 99.0 ± 0.38 | 30 ± 1.6 |
© 2016 by the authors; licensee MDPI, Basel, Switzerland. This article is an open access article distributed under the terms and conditions of the Creative Commons Attribution (CC-BY) license (http://creativecommons.org/licenses/by/4.0/).
Share and Cite
Wang, Y.; Ye, J.; Tian, W. Shape Memory Polymer Composites of Poly(styrene-b-butadiene-b-styrene) Copolymer/Liner Low Density Polyethylene/Fe3O4 Nanoparticles for Remote Activation. Appl. Sci. 2016, 6, 333. https://doi.org/10.3390/app6110333
Wang Y, Ye J, Tian W. Shape Memory Polymer Composites of Poly(styrene-b-butadiene-b-styrene) Copolymer/Liner Low Density Polyethylene/Fe3O4 Nanoparticles for Remote Activation. Applied Sciences. 2016; 6(11):333. https://doi.org/10.3390/app6110333
Chicago/Turabian StyleWang, Yongkun, Junjie Ye, and Wenchao Tian. 2016. "Shape Memory Polymer Composites of Poly(styrene-b-butadiene-b-styrene) Copolymer/Liner Low Density Polyethylene/Fe3O4 Nanoparticles for Remote Activation" Applied Sciences 6, no. 11: 333. https://doi.org/10.3390/app6110333
APA StyleWang, Y., Ye, J., & Tian, W. (2016). Shape Memory Polymer Composites of Poly(styrene-b-butadiene-b-styrene) Copolymer/Liner Low Density Polyethylene/Fe3O4 Nanoparticles for Remote Activation. Applied Sciences, 6(11), 333. https://doi.org/10.3390/app6110333
