Next Article in Journal
Information System for Determining the Prioritization of Vector Image Quality Factors
Previous Article in Journal
Evaluating the Energy Efficiency of Intermodal Trains
 
 
Font Type:
Arial Georgia Verdana
Font Size:
Aa Aa Aa
Line Spacing:
Column Width:
Background:
Article

Application of Ozone Gas Technology for Extending Shelf Life and Controlling Pests in the Orchid and Grape Industries

by
Supawud Nedphokaew
1,
Pakawat Kerpasit
2,
Poonsri Wannakarn
1,
Natchapol Ruangsap
1 and
Nattachote Rugthaicharoencheep
1,*
1
Department of Electrical Engineering, Faculty of Engineering, Rajamangala University of Technology Phra Nakhon, Bangkok 10800, Thailand
2
Department of Mechanical Engineering, Faculty of Industrial Education, Rajamangala University of Technology Phra Nakhon, Bangkok 10300, Thailand
*
Author to whom correspondence should be addressed.
Appl. Sci. 2026, 16(7), 3568; https://doi.org/10.3390/app16073568
Submission received: 6 February 2026 / Revised: 28 March 2026 / Accepted: 28 March 2026 / Published: 6 April 2026

Abstract

This paper presents the application of ozone for pest control in large-scale systems, with the potential for industrial implementation. The designed ozone generation system is capable of producing an ozone concentration of 550 ppm within 30 min in a controlled chamber. Ozone technology was applied for the control of insect pests in the orchid export industry, both for current use and future applications. A high-concentration ozone generator was designed to operate at temperatures ranging from 30 to 35 degrees Celsius. The total operating time of the system was 90 min, with a power consumption of 2647 watts. Experimental results indicated that the orchids were not adversely affected by the ozone exposure and that no chemical residues remained after treatment. Furthermore, the research evaluated the effectiveness of ozone fumigation against common orchid pests, namely aphids and red spider mites. When exposed to ozone concentrations ranging from 550 to 650 ppm for 60 min, the system achieved a 100% pest elimination rate for both species. These findings suggest that ozone treatment is a promising alternative to chemical pesticides for pest control in the orchid industry.

1. Introduction

Ozone is considered a significant trace gas present in the Earth’s atmosphere [1]. It is a highly effective oxidizing substance found in nature in the form of triatomic oxygen [2] and is widely recognized as a powerful disinfectant. Under room temperature conditions, its half-life is approximately one hour, and it naturally decomposes into oxygen gas. An important advantage of this technique is that it leaves no residue on fruit surfaces, thereby providing a safer and non-toxic alternative to traditional disinfection methods, such as chlorine washing [3]. Moreover, ozone can be produced using electrical generation systems [4]. Ozone gas has gained increasing attention as an alternative technology for food preservation and pest control, particularly in the fresh fruit and vegetable supply chain [5,6]. Ozone possesses strong oxidation characteristics that enable it to effectively eliminate microorganisms and bacteria in food products [7]. As global demand for chemical-free and environmentally friendly postharvest treatments continues to rise, ozone has emerged as a promising solution due to its strong oxidizing properties [8] and ability to destroy microorganisms and insects without leaving harmful chemical residues [9,10]. It can neutralize bacteria, fungi, and viruses and can degrade pesticide residues that remain on agricultural products [11]. In addition, ozone treatment can delay spoilage and extend the shelf life of fresh produce by reducing ethylene gas levels, which accelerate ripening [12]. These attributes make ozone an appealing technology for packers, exporters, and cold-storage operators who require effective sanitation and pest prevention methods while adhering to stricter food safety regulations [13].
The integration of ozone technology into modern food supply chains reflects a broader shift toward sustainable and “green” processing methods. Beyond its chemical efficacy, ozone is increasingly favored due to its operational versatility [14], as it can be generated on-site, eliminating the need for chemical storage and reducing the carbon footprint associated with transporting traditional sanitizers. Furthermore, as international regulatory bodies, such as the FDA and USDA, have reaffirmed the “Generally Recognized as Safe” (GRAS) status of ozone, its adoption has expanded from simple water treatment to complex atmospheric control in cold storage facilities. This transition is particularly vital in the global export market, where meeting stringent Maximum Residue Limits (MRLs) for pesticides is a prerequisite for trade. Consequently, ozone is no longer viewed merely as a supplemental cleaning agent but as a cornerstone of integrated pest management (IPM) and food safety systems worldwide.
Robert G. Hollingsworth et al. (2005) [15] investigated the use of ozone for controlling insect pests in orchids. They experimented with three gases—carbon dioxide, nitrogen, and ambient air—for ozone production. The results indicated that nitrogen could not produce ozone, whereas carbon dioxide generated ozone concentrations up to approximately 400 ppm without affecting the orchids. Based on this study, it is recommended that an ozone generation system be designed capable of producing concentrations exceeding 650 ppm to ensure effective pest control in orchids. Jodpimai et al. (2015) [16] focused on the design and installation of an ozone generation system using the dielectric barrier discharge (DBD) method. The system’s main components included an ozone tube, a high-voltage transformer, an oxygen tank, a cooling system, and an ozone concentration measurement device. The study demonstrated that ozone production using a DBD electric field can be effectively controlled by adjusting the airflow and temperature in the ozone tube, which directly affects the quantity and concentration of ozone. Mateusz Tański et al. (2023) [17] investigated surface dielectric barrier discharge (SDBD) using ozone generators equipped with high-voltage electrodes of different geometries, including smooth-edged, serrated, and thin-wire configurations. The study focused on ozone generation performance, electrical characteristics, and real-time plasma imaging. Electrical measurements and plasma visualization revealed distinct differences in discharge current behavior, power dissipation, and plasma structure among the various SDBD generator designs. Notably, the thin-wire electrode configuration significantly suppressed streamer formation. The results demonstrated that the ozone production efficiency, measured at 9.66 g/kWh, remained consistent across all three generator types. Furthermore, the findings indicate that SDBD generators can be safely operated in enclosed environments when the discharge operates at relatively low active power levels. Specifically, an SDBD generator operating at an active power of 1.7 W did not increase ozone concentration beyond 0.1 ppm in a room with a volume of 60 m3. Miłosz Zardzewiały et al. (2026) [18] investigated the impact of gaseous ozone treatments on the physical, chemical, and microbiological characteristics of strawberries during a 7-day cold storage period. The researchers tested two concentrations (10 and 50 ppm) across exposure durations of 10 and 20 min. The findings indicate that ozone exposure effectively mitigated weight loss and decelerated the fruit’s metabolic and ripening processes, as evidenced by significantly lower levels of CO2 and ethylene compared to the control group. Notably, the high-dose application (50 ppm) was superior in preserving vitamin C content and antioxidant activity. From a microbiological perspective, ozone treatment led to a substantial reduction in mesophilic bacteria, yeasts, and molds—achieving decreases of approximately 1.86 log and 0.97 log, respectively, by the seventh day. Furthermore, the researchers observed no detrimental effects on the mechanical properties or structural integrity of the fruit.
Therefore, the main goal is the development and application of an ozone gas generator designed specifically for extending the shelf life of fruits and vegetables and reducing pest infestation during postharvest handling and storage. By optimizing ozone concentration, exposure duration, and airflow circulation, the system aims to provide a safe and efficient method to replace chemical fumigation and to improve product quality throughout the distribution chain in the orchid and grape industries.

2. Principles and Theories Related to Ozone Formation

2.1. Ozone Generation by Electrical Discharge Process

Ozone can be produced by passing oxygen [19] or dry air through a high-voltage electric field, typically in the range of 1–20 kV, using dielectric barrier discharge (DBD) or silent electrical discharge techniques. The dielectric barrier discharge technique is widely recognized as one of the most efficient approaches for producing ozone [20]. Among these methods, dielectric barrier discharge is widely recognized as an efficient approach for ozone generation [21,22]. Ozone generation using an electric field in the form of dielectric barrier discharge is shown in Figure 1.
Figure 1 shows that during the discharge process, energetic electrons collide with oxygen molecules, causing them to dissociate into atomic oxygen. These reactive oxygen atoms subsequently react with molecular oxygen to form ozone.

2.2. Half-Bridge Converter

A half-bridge converter is a power conversion topology commonly used in switching power supply applications [23]. The circuit operates by alternately switching two semiconductor devices, while a series-connected capacitor arrangement splits the input voltage into two equal levels. This configuration limits the voltage stress across each switch to approximately half of the input voltage. As a result, the half-bridge converter offers stable output voltage characteristics, high conversion efficiency, and a relatively simple circuit structure [24]. The half-bridge converter circuit is shown in Figure 2.
The operation of a half-bridge converter circuit is shown in Figure 3.
Figure 3 shows that when a direct current (DC) power supply is applied to the circuit through the series-connected capacitors C1 and C2, the input voltage is divided equally across the two capacitors, resulting in each capacitor sustaining approximately half of the input voltage. The power transistors Q1 and Q2 then operate in an alternating manner, each conducting for half of the switching period.
Diodes D1 and D2 function as commutating diodes connected across transistors Q1 and Q2. They serve two primary purposes. First, when a transistor turns off, the diodes provide a path for the energy stored in the leakage and magnetizing inductance of the transformer to be transferred back to the input rectifier and filter stage. Second, they protect the transistor collectors from negative voltage excursions caused by rapid changes in the transformer’s magnetic flux. This protection prevents damage to the transistors due to excessive reverse voltage stress. Commutating diodes are typically implemented using fast-recovery or ultra-fast-recovery diode types to ensure proper operation under high switching speeds.

3. Analysis and Design of an Ozone Generation System

3.1. Design of an Ozone Generation System

The ozone generation system designed for pest control in the orchid export industry is specified to have a production rate of 1000 kg per day. The airflow and oxygen levels, with humidity not exceeding 85%, are fed to an ozone production system capable of producing up to 432 g of ozone per hour. This ozone is then sent to an ozone fumigation chamber measuring 2.5 × 2.5 × 2.5 m3. Ozone concentration can be calculated using Equation (1).
Ozone   concentration   ( g / m 3 ) = Ozone   production   ( g / h ) Flowrate   ( L / min )   ×   1000   ( L / m 3 )
The working principle of the ozone generation system used to eliminate pests in orchids is shown in Figure 4.
The ozone generation system is designed and constructed using a high-power, high-frequency switching generator, a high-voltage, high-frequency transformer, and a dielectric barrier discharge ozone tube. The operating principle begins with the high-power switching circuit generating and transmitting high-frequency, high-power electrical signals to the transformer, which increases the voltage to 160 to 4240 volts. This high-voltage, high-frequency electricity is then sent to the ozone-generating tube, creating an electric field between the electrodes. When oxygen-containing air passes through this area, it undergoes ionization. Due to ionization energy, the reaction produces an unstable single oxygen atom, which then combines to form three oxygen atoms, thus producing ozone. The operation sequence of the equipment is shown in Figure 5.
The concentration of ozone produced depends on the amount of oxygen and the airflow rate, as shown in Table 1.
For the design, four ozone generation systems were used, calculated using breathing air as the ozone source, with the following variables: airflow, 75 L/min; ozone output, 160 g/h; and room volume, 2.5 × 2.5 × 2.5 m3. The calculation method is shown in Equation (1).
Ozone   concentration   ( g / m 3 ) = 160   g / hr 75   L / min   ×   1000   ( L / m 3 )
Ozone concentration (g/m3) = 35.56 g/m3
Ozone concentration (g/m3) = 16,604 ppm
Components of an ozone generation system are shown in Figure 6.
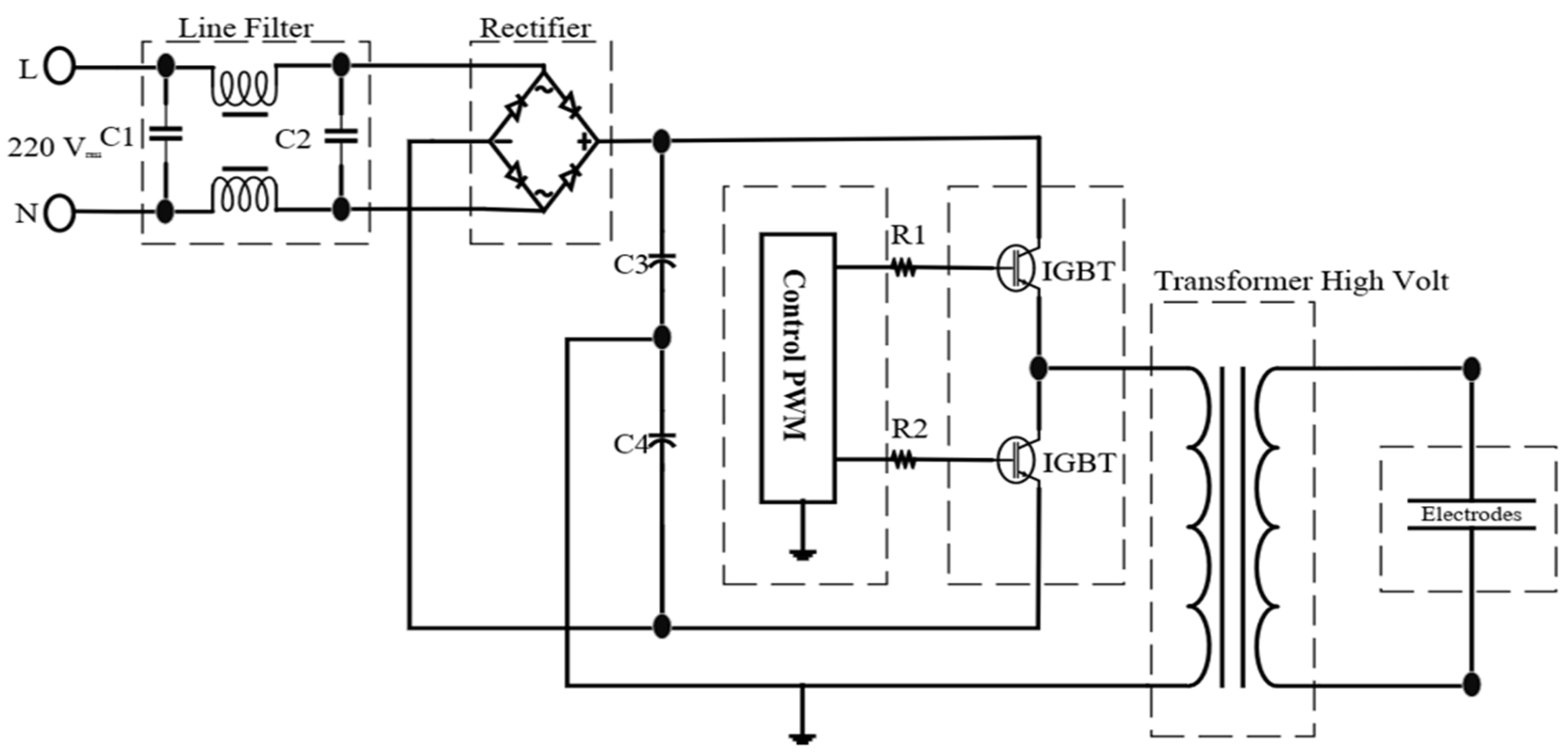
The operating principle of the ozone generation device begins with a high-power switching circuit that supplies 220 V AC at 50 Hz. This voltage passes through a noise protection circuit and diodes to obtain approximately 310 V DC. A control circuit then generates a frequency of 7–21.25 kHz, with an adjustable duty cycle of 12.55 to 69.25%. This control manages the on/off switching of IGBTs, which convert DC to high-frequency AC. These IGBTs are typically configured as half-bridge circuits. The resulting pulse signal, ranging from 132 to 168 V, is then sent to a high-frequency, high-voltage transformer. This switching circuit can deliver a maximum power output of 1000 W. The high-power switching circuit is shown in Figure 7.
The high-voltage transformer and high-frequency system are shown in Figure 8.
The transformer’s function is to increase the voltage to a range of 0–4500 V. It typically uses a high-permeation ferrite core, allowing it to operate efficiently at high frequencies to adequately power the ozone generation system. The ozone tube is shown in Figure 9.
The ozone generation tubes use electrodes to create a dielectric barrier discharge field. They are constructed from 304-grade stainless steel and utilize an electrical voltage range of 160 to 4240 V to generate ozone. The internal cooling system uses water cooling to prevent thermal breakdown, which directly impacts ozone production.

3.2. Design and Construction of an Ozone Fumigation Chamber

The ozone fumigation chamber is shown in Figure 10.
Figure 10 shows that the ozone fumigation chamber is designed with dimensions of 2.5 × 2.5 × 2.5 m3. The entrance door is 100 cm wide and 200 cm high. There are four ozone input channels with a diameter of 0.8 cm installed at the top of the chamber and two ozone exhaust channels with a diameter of 2 cm. A ventilation fan is installed at the back of the chamber to help maintain ozone distribution and to remove ozone after the fumigation process is complete. The ozone fumigation chamber has a capacity of 15.625 m3, and the location of the ozone inlet is shown in Figure 11.
The structure of the ozone fumigation chamber is shown in Figure 12.
The structure is made of painted steel to prevent rust and ozone corrosion. The walls are made of metal sheeting, and the inside is insulated with PE to prevent external heat and maintain a stable temperature. There are two orchid display shelves, each with four shelves, measuring 100 cm wide and 200 cm high, with a 40 cm distance between shelves. The operational flowchart is shown in Figure 13.

4. Results and Discussion

4.1. Performance of Ozone Generator

Performance test results of the ozone generator are shown in Table 2.
Table 2 shows that the circuit operates in two frequency ranges: 20.40–21.26 kHz and 6.97 kHz. Increasing the duty cycle increased the voltage and power supplied by the high-voltage transformer to the electrode load, resulting in an increase in electric field concentration and ozone production. Experimental results for different voltage levels used for ozone production are shown in Figure 14.
Figure 14 shows that the ozone concentration measured inside the ozone fumigation chamber designed for orchids was determined over a one-hour period with an airflow rate of 70 L/min. Using a transformer voltage range of 160–4240 V, it was found that the ozone concentration in the 160–800 V range was very low in the designed chamber. Ozone concentrations began to increase at higher levels. At voltages higher than 1520 V and between 3600 and 4240 V, ozone concentrations reached up to 500 ppm. While voltages between 3920 and 4240 V can produce slightly more ozone than at 3600 V, the electrical consumption was significantly higher. This may be due to improper control of the airflow rate and oxygen levels.

4.2. Insect Mortality Rate Under Ozone Exposure

Insect mortality experiments were conducted on insect pests of export orchids, namely thrips and spider mites. The experiments were conducted at ozone concentrations ranging from 450 to 1000 ppm, with temperatures ranging from 32 to 37 degrees Celsius. The experiments were divided into two time periods, 30 and 60 min, to determine the minimum ozone concentration and the time required for insect mortality. The ozone concentration level used to control thrips and spider mites is shown in Table 3.
Table 3 shows that exposure to high ozone concentrations for longer periods resulted in higher mortality rates. Insect mortality was observed immediately after the experiment, as well as at 5 and 8 h after completion, to ensure that the insects were indeed killed by ozone. Immediately after the experiment, ozone concentrations of 850–950 ppm for 60 min and 950 to 1000 ppm for 30 and 60 min showed a 100 percent mortality rate among the insects. Observation of the insects after 5 and 8 h showed no recovery. However, insects exposed to ozone concentrations of 551–650 ppm also exhibited a mortality rate of 100%. Nevertheless, this experiment only determined the mortality rate of the insects. Another important objective of the research was to ensure that the ozone concentrations used to control these insects do not negatively affect the orchids.

4.3. Experiment on Ozone Levels Affecting Orchid Flowers and Plants

An experiment was conducted to study the effects of ozone treatment on cut orchids and orchid plants intended for export. The experiment focused on Dendrobium and Mokara cut orchid varieties, as these are among the major export orchid varieties in the country.
Various ozone concentrations were tested, similar to those used to treat orchid pests. The results of tests on cut orchids exposed to ozone are shown in Table 4.
Table 4 shows that observations were made at three time points: immediately after the experiment, one day after the experiment, and one week after the experiment. Orchid plants affected by ozone are shown in Table 5.
The experimental results indicate that orchids exposed to ozone concentrations of 450–650 ppm maintained normal characteristics compared to untreated orchids, as observed immediately after treatment, after 1 day, and after 7 days. However, at ozone concentrations above 650 ppm, the orchids began to show slight to moderate damage, characterized by wilting and the appearance of white spots on the flowers. Orchids affected by ozone are shown in Figure 15.

4.4. Experiment Involving Orchids and Thrips in a Large-Scale System

A large-scale experiment was conducted to determine the mortality rate of orchids and thrips and the effects of ozone on orchids, using the parameters shown in Table 6.
Table 6 shows that the chamber temperature ranged from 30 to 32 °C, and the ozone concentration used was between 550 and 650 ppm. The total experiment duration was 90 min, as it took 30 min to reach a 550 ppm ozone concentration in the 15.625 m3 chamber. The ozone concentration was then increased to 650 ppm and maintained at a constant level of 600–650 ppm until the end of the experiment. The results of ozone fumigation in a large chamber used to determine insect pest mortality rates are shown in Table 7.

4.5. Changes in Grapes After Being Stored for 3 Days

The results of storing grapes for 3 days are shown in Table 8.
After a three-day observation, grapes used as a control (not treated with ozone), as well as those treated with 0.375 g of ozone and stored at room temperature, showed wrinkled skins and fungal contamination. The wrinkling primarily occurred on the fruit, and fungal growth was observed at the stem end, likely due to moisture accumulation or bruising. Observations revealed that grapes treated with ozone had a darker color than the untreated grapes, particularly at higher ozone concentrations, resulting in a deeper purple hue.

4.6. Changes in Grapes After Being Stored for 7 Days

The results of storing grapes for 7 days are shown in Table 9.
Observations revealed that approximately 80% of the untreated grapes stored at room temperature were spoiled. Those that remained unaffected became soft and wrinkled. Approximately 10% of the untreated grapes stored in the refrigerator began to wilt and soften. Grapes treated with 0.75 g of ozone and stored in the refrigerator showed signs of wrinkling but retained firm skins and vibrant color. The group of grapes treated with 0.375 g of ozone and stored at room temperature exhibited wrinkling and mold growth, likely caused by moisture and spoilage at the stem end. This was due to a prior mold outbreak, possibly containing mold spores that resulted in gray mycelial growth. Grapes treated with 2340 g of ozone mixed with water developed indentations on the grape skins.

4.7. Changes in Grapes After Being Stored for 11 Days

The results of storing grapes for 11 days are shown in Table 10.
Observations revealed that grapes not treated with ozone and stored at room temperature completely deteriorated, with spoilage occurring throughout the fruit, from the stem to the flesh. Untreated grapes stored in the refrigerator began to wilt and soften, with approximately 10% showing signs of rot. Grapes treated with 0.75 g of ozone and stored in the refrigerator began to wrinkle, but the skins remained firm, and the color remained vibrant. Mold growth started around the stem. Grapes treated with an ozone–water mixture showed severe deformation and rot, affecting approximately 10% of the samples. Grapes treated with 0.375 g of ozone and stored at room temperature developed mold and completely rotted, primarily due to moisture-induced spoilage, as evidenced by the appearance of gray mycelial threads. Grapes treated with 2340 g of ozone mixed with water developed indentations on the grape skin. These indentations were depressions in the grape skin and did not cause further rotting or mold growth.

4.8. Changes in Grapes After Being Stored for 17 Days

The results of storing grapes for 17 days are shown in Table 11.
Observations showed that grapes not treated with ozone and stored in the refrigerator began to wilt and soften, with approximately 70% showing signs of rot. Grapes treated with 0.75 g of ozone and stored in the refrigerator began to wrinkle, but the skin remained firm, and the color remained vibrant. Approximately 30% of the grapes rotted, mostly at the stem, with a smaller number rotting on the fruit itself. Mold growth occurred in approximately 10% of the grapes, beginning to appear in the stems. In the ozone–water mixture, 10% of the grapes showed rot, with all the rot occurring at the stems.

5. Conclusions

This paper presents the design and construction of a high-concentration ozone generation system for pest control in the orchid export industry. The ozone generation process is based on the ionization principle, in which purified air or oxygen is passed through an electric field, causing oxygen molecules to dissociate into unstable atomic oxygen. These atoms subsequently recombine to form ozone. From theoretical analysis and prior research on electrical energy levels and electric field configurations for ozone production, the dielectric barrier discharge method was selected as the most suitable technology. This method can generate high ozone concentrations while enabling heat dissipation to prevent electric field breakdown, thereby supporting continuous system operation. The design of an ozone fumigation chamber was also investigated in order to analyze ozone distribution within the enclosure. Previous studies indicate that ozone is effective in eliminating insect pests and that pest mortality depends on both ozone concentration and exposure duration. Therefore, designing an ozone generator that can produce sufficient ozone concentrations in a large, sealed room is essential. The generator must provide an adjustable voltage for the electrode pair to control the electric field intensity, which directly influences ozone output. In addition, controlling the airflow and oxygen feed rate—the primary reactants—is necessary, as these parameters affect the resulting ozone concentration. Experimental results confirm that insect mortality increases with higher ozone concentrations and longer exposure times. However, excessively high concentrations may damage orchid quality. Thus, determining the optimal balance of ozone concentration and exposure duration is critical to ensure effective pest control without compromising product quality for export.

Author Contributions

Conceptualization, N.R. (Nattachote Rugthaicharoencheep), S.N., P.W., P.K. and N.R. (Natchapol Ruangsap); methodology, N.R. (Nattachote Rugthaicharoencheep), S.N., P.W., P.K. and N.R. (Natchapol Ruangsap); validation, N.R. (Natchapol Ruangsap); investigation, N.R. (Nattachote Rugthaicharoencheep), S.N., P.W. and N.R.; writing—original draft, N.R. (Natchapol Ruangsap); writing—review & editing, N.R. (Nattachote Rugthaicharoencheep) and N.R. (Natchapol Ruangsap). All authors have read and agreed to the published version of the manuscript.

Funding

This research received no external funding.

Data Availability Statement

The article provides the complete set of original findings, and the corresponding authors can be contacted for further details.

Conflicts of Interest

The authors confirm that there are no conflicts of interest associated with this work.

References

  1. Cai, H.; Jin, J.; Lv, S.; Song, X.; Wang, N.; Long, G.; Shi, W.; Qin, Z.; Wu, K. The Comprehensive Vertical Ozone Observation Experiment and Result Analysis of Ozone Lidars in China. Atmosphere 2024, 15, 690. [Google Scholar] [CrossRef]
  2. D’Amario, M.; Carlo, M.D.; Natale, S.M.; Memè, L.; Marzo, G.; Matarazzo, G.; Capogreco, M. Application of Ozone Therapy in Paediatric Dentistry. Appl. Sci. 2022, 12, 11100. [Google Scholar] [CrossRef]
  3. Ullrich, L.; Gillich, E.; André, A.; Panarese, S.; Imhaus, A.F.; Fieseler, L.; Chetschik, I. Influence of Ozone Treatment during Storage on Odour-Active Compounds, Total Titratable Acidity, and Ascorbic Acid in Oranges and Bananas. Appl. Sci. 2023, 13, 10885. [Google Scholar] [CrossRef]
  4. Mascarenhas, L.A.B.; Oliveira, F.O.; Silva, E.S.d.; Santos, L.M.C.d.S.; Rodrigues, L.d.A.P.; Neves, P.R.F.; Santos, A.Á.B.; Moreira, G.A.F.; Lobato, G.M.; Machado, B.A.S. Technological Advances in Ozone and Ozonized Water Spray Disinfection Devices. Appl. Sci. 2021, 11, 3081. [Google Scholar] [CrossRef]
  5. Sarron, E.; Widehem, P.G.; Aussenac, T. Ozone Treatments for Preserving Fresh Vegetables Quality: A Critical Review. Foods 2021, 10, 605. [Google Scholar] [CrossRef] [PubMed]
  6. Sitoe, E.d.P.E.; Pacheco, F.C.; Chilala, F.D. Advances in ozone technology for preservation of grains and end products: Application techniques, control of microbial contaminants, mitigation of mycotoxins, impact on quality, and regulatory approvals. Compr. Rev. Food Sci. Food Saf. 2025, 24, e70173. [Google Scholar] [CrossRef] [PubMed]
  7. Chang, R.; Pandey, P.; James, P.; Pandey, P.; Li, Y.; Zhang, R.; Weimer, B.C. Assessment Impacts of Ozone on Salmonella Typhimurium and Escherichia coli O157:H7 in Liquid Dairy Waste. Appl. Sci. 2022, 12, 6527. [Google Scholar] [CrossRef]
  8. Prombud, T.; Anusurain, E.; Wisassakwichai, C.; Kamonkhantithorn, C. Comparative Analysis of Energy Efficiency in High-Voltage Ozone Generators: Resonant Versus Non-Resonant Systems. Energies 2025, 18, 2124. [Google Scholar] [CrossRef]
  9. Xue, W.; Macleod, J.; Blaxland, J. The Use of Ozone Technology to Control Microorganism Growth, Enhance Food Safety and Extend Shelf Life: A Promising Food Decontamination Technology. Foods 2023, 12, 814. [Google Scholar] [CrossRef]
  10. Pandiselvam, R.; Kaavya, R.; Jayanath, Y.; Veenuttranon, K.; Lueprasitsakul, P.; Divya, V.; Kothakota, A.; Ramesh, S.V. Ozone as a novel emerging technology for the dissipation of pesticide residues in foods—A review. Trends Food Sci. Technol. 2020, 97, 38–54. [Google Scholar] [CrossRef]
  11. Wang, Y.; Qiao, X.J.; Wang, Z.B. Application of Ozone Treatment in Agriculture and Food Industry a Review. Inmateh Agritural Eng. 2022, 68, 861–872. [Google Scholar] [CrossRef]
  12. Mohammad, A.A.; Salem, S.H.; Amer, H.M.; Hussein, M.S. Ozone as a postharvest treatment to maintain the quality characteristics of fresh-cut plants. J. Food Meas. Charact. 2025, 19, 4325–4336. [Google Scholar] [CrossRef]
  13. Osiriphun, S.; Langmung, M.; Baipong, S. Efficacy of ozone application and disinfection treatments on pathogens in fresh-cut vegetables. Food Appl. Biosci. J. 2019, 7, 53–63. [Google Scholar]
  14. Leontieff, D.A.; Ikehata, K.; Inanaga, Y.; Furukawa, S. Ozone for Industrial Wastewater Treatment: Recent Advances and Sector Applications. Processes 2025, 13, 2331. [Google Scholar] [CrossRef]
  15. Hollingsworth, R.G.; Armstrong, J.W. Potential of Temperature, Controlled Atmospheres, and Ozone Fumigation to Control Thrips and Mealybugs on Ornamental Plants for Export. J. Econ. Entomol. 2005, 98, 289–298. [Google Scholar] [CrossRef]
  16. Jodpimai, S.S.; Boonduang, S.; Limsuwan, P. Dielectric barrier discharge ozone generator using aluminum granules electrodes. J. Electrost. 2015, 74, 108–114. [Google Scholar] [CrossRef]
  17. Tański, M.; Reza, A.; Przytuła, D.; Garasz, K. Ozone Generation by Surface Dielectric Barrier Discharge. Appl. Sci. 2023, 13, 7001. [Google Scholar] [CrossRef]
  18. Zardzewiały, M.; Basara, O.; Kapusta, I.; Balawejder, M.; Gorzelany, J. Application of Gaseous Ozone to Enhance Quality and Microbiological Safety of Strawberries. Molecules 2026, 31, 42. [Google Scholar] [CrossRef]
  19. Al-Sager, S.M.; Hemeda, S.G.; Almady, S.S.; Almasoud, W.A.; Marey, S.A.; Al-Hamed, S.A.; Al-Ghamdi, S.; Mowafy, S.G.; Aboukarima, A.M.; Yehia, M.E. Development of a Low-Cost Ozone (O3) Generator for Research and Education in Agricultural and Food Applications. Processes 2025, 13, 3637. [Google Scholar] [CrossRef]
  20. Wu, W.; Jin, C.; Wu, Y.; Zeng, X.; Wei, L.; Ling, Z.; Wang, L. Characteristics of Nanosecond Bipolar Pulsed Water Electrode Dielectric Barrier Discharge for Ozone Generation. Processes 2025, 13, 3619. [Google Scholar] [CrossRef]
  21. Nassour, K.; Brahami, M.; Nemmich, S.; Hammadi, N.; Tilmatine, A.; Zouzou, N. A new hybrid surface-volume dielectric barrier discharge reactor for ozone generation. In Proceedings of the 2015 IEEE Industry Applications Society Annual Meeting, Addison, TX, USA, 18–22 October 2015. [Google Scholar]
  22. Jaya, G.W.; Nur, M.; Anggara, A.D.; Metungku, N.A.; Kinandana, A.W.; Zahar, I.; Zain, A.Z. Characteristics of Dielectric Barrier Discharge (DBD) as an Ozone Generator Reactor. OISAA J. Indones. Emas 2018, 1, 25–32. [Google Scholar]
  23. Alatai, S.; Salem, M.; Ishak, D.; Das, H.S.; Nazari, M.A.; Bughneda, A.; Kamarol, M. A Review on State-of-the-Art Power Converters: Bidirectional, Resonant, Multilevel Converters and Their Derivatives. Appl. Sci. 2021, 11, 10172. [Google Scholar] [CrossRef]
  24. Tang, Y.; Wu, G. Design of Switch Transformer about Half Bridge Switching Power Supply. Adv. Mater. Res. 2014, 986–987, 1799–1803. [Google Scholar] [CrossRef]
Figure 1. Ozone generation using an electric field in the form of dielectric barrier discharge.
Figure 1. Ozone generation using an electric field in the form of dielectric barrier discharge.
Applsci 16 03568 g001
Figure 2. Half-bridge converter circuit.
Figure 2. Half-bridge converter circuit.
Applsci 16 03568 g002
Figure 3. Half-bridge inverter infrastructure: (a) switchover voltage Q1 and D1; (b) switchover voltage Q2 and D2.
Figure 3. Half-bridge inverter infrastructure: (a) switchover voltage Q1 and D1; (b) switchover voltage Q2 and D2.
Applsci 16 03568 g003
Figure 4. Working principle of an ozone generation system used to eliminate pests in orchids.
Figure 4. Working principle of an ozone generation system used to eliminate pests in orchids.
Applsci 16 03568 g004
Figure 5. This ozone generation system is used to produce high-concentration ozone for eliminating insect pests in orchids.
Figure 5. This ozone generation system is used to produce high-concentration ozone for eliminating insect pests in orchids.
Applsci 16 03568 g005
Figure 6. Components of an ozone generation system.
Figure 6. Components of an ozone generation system.
Applsci 16 03568 g006
Figure 7. High-power switching circuit.
Figure 7. High-power switching circuit.
Applsci 16 03568 g007
Figure 8. A high-voltage and high-frequency transformer.
Figure 8. A high-voltage and high-frequency transformer.
Applsci 16 03568 g008
Figure 9. Ozone tube.
Figure 9. Ozone tube.
Applsci 16 03568 g009
Figure 10. Ozone fumigation chamber.
Figure 10. Ozone fumigation chamber.
Applsci 16 03568 g010
Figure 11. The ozone fumigation chamber has a capacity of 15.625 cubic meters and shows the location of the ozone inlet.
Figure 11. The ozone fumigation chamber has a capacity of 15.625 cubic meters and shows the location of the ozone inlet.
Applsci 16 03568 g011
Figure 12. Structure of the ozone fumigation chamber.
Figure 12. Structure of the ozone fumigation chamber.
Applsci 16 03568 g012
Figure 13. Operational flowchart.
Figure 13. Operational flowchart.
Applsci 16 03568 g013
Figure 14. Experimental results measuring different voltage levels used for ozone production.
Figure 14. Experimental results measuring different voltage levels used for ozone production.
Applsci 16 03568 g014
Figure 15. Orchids affected by ozone.
Figure 15. Orchids affected by ozone.
Applsci 16 03568 g015
Table 1. The amount of ozone produced depends on the flow rate of oxygen and air.
Table 1. The amount of ozone produced depends on the flow rate of oxygen and air.
Air SourceOxygen Source (98%)Oxygen Source (98%)
Airflow: 75 L/minOxygen flow: 2 L/minOxygen flow: 5 L/min
Ozone concentration: 12 mg/LOzone concentration: 130 mg/LOzone concentration: 90 mg/L
Ozone output: 40 g/hOzone output: 15.6 g/hOzone output: 108 g/h
Table 2. Performance test results of the ozone generator.
Table 2. Performance test results of the ozone generator.
No.Duty Cycle (%)Frequency (kHz)Voltage (Volt)Power (Watt)
138.8221.26160356.15
240.9421.17240378.55
348.4321.00400423.35
453.9320.89800512.95
559.0220.701520702.45
664.5220.5324801150
769.2420.4033601775
Table 3. Ozone concentrations used to control thrips and spider mites.
Table 3. Ozone concentrations used to control thrips and spider mites.
Ozone Concentration (ppm)Exposure Time (min)Immediate DeathAfter 5 h of
Experimentation
After 8 h of
Experimentation
Thrips (%)Red Spider Mite (%)Thrips (%)Red Spider Mite (%)Thrips (%)Red Spider Mite (%)
450–55030607070808090
607580859585100
551–65030657575858595
60808590100100100
651–750307080809590100
60859095100100100
751–8503080909090100100
609090100100100100
851–95030859590100100100
60100100100100100100
950–100030100100100100100100
60100100100100100100
Table 4. Results of tests on cut orchids exposed to ozone.
Table 4. Results of tests on cut orchids exposed to ozone.
Ozone Concentration (ppm) Exposure Time (min) Immediate Observation After 1 Day of Experimentation
Dendrobium ‘Sonia’ Mokara Dendrobium ‘Sonia’ Mokara
450–55030NormalNormalNormalNormal
60NormalNormalNormalNormal
551–65030NormalNormalNormalNormal
60NormalNormalNormalNormal
651–75030SlightSlightSlightSlight
60ModerateModerateModerateModerate
751–85030SlightSlightModerateModerate
60ModerateModerateSevereSevere
851–95030SevereSevereSevereSevere
60SevereSevereSevereSevere
950–100030SevereSevereSevereSevere
60SevereSevereSevereSevere
Table 5. Orchid plants affected by ozone.
Table 5. Orchid plants affected by ozone.
Ozone Concentration (ppm)Exposure Time (min)Immediate ObservationAfter 1 Day of Experimentation
StemLeafStemLeaf
450–55030NormalNormalNormalNormal
60NormalNormalNormalNormal
551–65030NormalNormalNormalNormal
60NormalNormalNormalNormal
651–75030NormalNormalNormalNormal
60NormalNormalNormalNormal
751–85030NormalNormalNormalNormal
60NormalNormalNormalNormal
851–95030NormalNormalNormalNormal
60NormalNormalNormalNormal
950–100030NormalNormalNormalNormal
60NormalNormalNormalNormal
Table 6. Parameters for ozone fumigation in a large chamber.
Table 6. Parameters for ozone fumigation in a large chamber.
DetailValueUnit
Voltage supplied to the ozone-production tube3600Volt
Power2647Watt
Airflow rate60L/min.
Oxygen flow rate5L/min.
Table 7. Results of ozone fumigation in a large room to determine insect pest mortality rates.
Table 7. Results of ozone fumigation in a large room to determine insect pest mortality rates.
Observation PeriodThripsSpider Mites
Immediate mortality75%80%
After 5 h90%90%
After 8 h100%100%
Table 8. Results of storing grapes for 3 days.
Table 8. Results of storing grapes for 3 days.
No.Types of ExperimentsFigure of GrapesObserved Results
1
Ozone-free grapes
Stored at room temperature
Applsci 16 03568 i001
The grapes remained fresh in color, but their skins were dry and beginning to wrinkle, accounting for 20% of the samples.
No mold growth
2
Ozone-free grapes
Stored in the refrigerator
Applsci 16 03568 i002
The grape skins look fresh; they are firm, not soft or mushy.
No mold growth
3
Ozone-treated grapes
Quantity: 0.75 g
Stored in the refrigerator
Applsci 16 03568 i003
The grape skins are a vibrant purplish-red, firm, and free from mold.
4
Ozone-treated grapes mixed with water
Quantity: 0.75 g
Stored in the refrigerator
Applsci 16 03568 i004
The grape skins are a deep purple, vibrant in color, firm, and free from mold.
5
Ozone-treated grapes
Quantity: 0.375 g
Stored at room temperature
Applsci 16 03568 i005
The grape skins are purplish-green and firm, and 2% show signs of mold growth.
6
Ozone-treated grapes mixed with water
Quantity: 0.375 g
Stored at room temperature
Applsci 16 03568 i006
The grapes are a vibrant purplish-red color, the skins are firm, and there is no mold.
7
Ozone-treated grapes
Quantity: 2340 g
Stored in the refrigerator
Applsci 16 03568 i007
The grape skins are purplish-red, firm, and free of mold, with a lighter color near the stem.
8
Ozone-treated grapes mixed with water.
Quantity: 2340 g
Stored in the refrigerator
Applsci 16 03568 i008
The grape skins are dark purple.
The skin is still taut and free of mold, but lighter in color near the stem.
Table 9. Results of storing grapes for 7 days.
Table 9. Results of storing grapes for 7 days.
No.Types of ExperimentsFigure of GrapesObserved Results
1
Ozone-free grapes
Stored at room temperature
Applsci 16 03568 i009
The grapes were dry and wrinkled, with 80% of them spoiled.
2
Ozone-free grapes
Stored in the refrigerator
Applsci 16 03568 i010
The grapes are brightly colored, and their skins are firm. Approximately 10% of the grape skins are beginning to soften and wrinkle.
3
Ozone-treated grapes
Quantity: 0.75 g
Stored in the refrigerator
Applsci 16 03568 i011
The grapes are brightly colored and have firm skins, with about 10% showing signs of wrinkling.
4
Ozone-treated grapes mixed with water
Quantity: 0.75 g
Stored in the refrigerator
Applsci 16 03568 i012
The grapes are brightly colored, and their skins are firm. Approximately 20% of the grapes are beginning to wrinkle.
5
Ozone-treated grapes
Quantity: 0.375 g
Stored at room temperature
Applsci 16 03568 i013
The grapes are light in color, have soft skins, and approximately 30% show signs of wrinkling.
6
Ozone-treated grapes mixed with water
Quantity: 0.375 g
Stored at room temperature
Applsci 16 03568 i014
The grapes are dark in color and have soft skins, with approximately 30% showing mycelial (fungal) growth.
7
Ozone-treated grapes
Quantity: 2340 g
Stored in the refrigerator
Applsci 16 03568 i015
The grape skins are dark purple, firm, and lighter in color near the stem.
8
Ozone-treated grapes mixed with water
Quantity: 2340 g
Stored in the refrigerator
Applsci 16 03568 i016
The grapes are dark purple, lighter in color near the stem. The skins are taut and firm, with 30% of the grapes showing indentations.
Table 10. Results of storing grapes for 11 days.
Table 10. Results of storing grapes for 11 days.
No.Types of ExperimentsFigure of GrapesObserved Results
1
Ozone-free grapes
Stored at room temperature
Applsci 16 03568 i017
Mold grew on the grapes, and all the grapes in this sample showed rotted.
2
Ozone-free grapes
Stored in the refrigerator
Applsci 16 03568 i018
Approximately 15% of the grapes were affected by fungal growth, particularly around the stem end. An additional 10% showed rot.
3
Ozone-treated grapes
Quantity: 0.75 g
Stored in the refrigerator
Applsci 16 03568 i019
1% of the grapes showed mold growth, but the skin of the grapes remained firm.
4
Ozone-treated grapes mixed with water
Quantity: 0.75 g
Stored in the refrigerator
Applsci 16 03568 i020
1% of the grapes showed mold growth, and 10% showed rot or deformation.
5
Ozone-treated grapes
Quantity: 0.375 g
Stored at room temperature
Applsci 16 03568 i021
Mold grew on the grapes, and all the grapes in this sample showed rot.
6
Ozone-treated grapes mixed with water
Quantity: 0.375 g
Stored at room temperature
Applsci 16 03568 i022
The grape skins are dry but still firm, with no signs of spoilage. However, 10% of the grape skins showed mold growth.
7
Ozone-treated grapes
Quantity: 2340 g
Stored in the refrigerator
Applsci 16 03568 i023
The grape skins are purplish-red and firm.
Mold growth was observed, likely due to moisture on the surface.
2% of the grapes showed mold growth.
8
Ozone-treated grapes mixed with water
Quantity: 2340 g
Stored in the refrigerator
Applsci 16 03568 i024
The grape skins are dark purple.
The grape skins are still firm, lighter in color near the stem, and 2% show signs of mold.
Table 11. Results of storing grapes for 17 days.
Table 11. Results of storing grapes for 17 days.
No.Types of ExperimentsFigure of GrapesObserved Results
1
Ozone-free grapes
Stored in the refrigerator
Applsci 16 03568 i025
70% of the grapes were spoiled, with rot occurring around the stems.
2
Ozone-treated grapes
(0.75 g) Stored in the refrigerator
Applsci 16 03568 i026
30% of the grapes were spoiled, mostly at the stem end, with a small proportion showing rot on the fruit surface. Approximately 10% showed fungal growth.
3
Ozone-treated grapes mixed with water
(0.75 g) Stored in the refrigerator
Applsci 16 03568 i027
10% of the grapes were spoiled, with rot occurring near the stem.
Disclaimer/Publisher’s Note: The statements, opinions and data contained in all publications are solely those of the individual author(s) and contributor(s) and not of MDPI and/or the editor(s). MDPI and/or the editor(s) disclaim responsibility for any injury to people or property resulting from any ideas, methods, instructions or products referred to in the content.

Share and Cite

MDPI and ACS Style

Nedphokaew, S.; Kerpasit, P.; Wannakarn, P.; Ruangsap, N.; Rugthaicharoencheep, N. Application of Ozone Gas Technology for Extending Shelf Life and Controlling Pests in the Orchid and Grape Industries. Appl. Sci. 2026, 16, 3568. https://doi.org/10.3390/app16073568

AMA Style

Nedphokaew S, Kerpasit P, Wannakarn P, Ruangsap N, Rugthaicharoencheep N. Application of Ozone Gas Technology for Extending Shelf Life and Controlling Pests in the Orchid and Grape Industries. Applied Sciences. 2026; 16(7):3568. https://doi.org/10.3390/app16073568

Chicago/Turabian Style

Nedphokaew, Supawud, Pakawat Kerpasit, Poonsri Wannakarn, Natchapol Ruangsap, and Nattachote Rugthaicharoencheep. 2026. "Application of Ozone Gas Technology for Extending Shelf Life and Controlling Pests in the Orchid and Grape Industries" Applied Sciences 16, no. 7: 3568. https://doi.org/10.3390/app16073568

APA Style

Nedphokaew, S., Kerpasit, P., Wannakarn, P., Ruangsap, N., & Rugthaicharoencheep, N. (2026). Application of Ozone Gas Technology for Extending Shelf Life and Controlling Pests in the Orchid and Grape Industries. Applied Sciences, 16(7), 3568. https://doi.org/10.3390/app16073568

Note that from the first issue of 2016, this journal uses article numbers instead of page numbers. See further details here.

Article Metrics

Back to TopTop