Laser Surface Microtexturing for Enhanced Adhesive Bonding in Steel–Polymer and Steel–Ceramic Joints
Featured Application
Abstract
1. Introduction
- (i)
- A quantitative comparison of laser-microtextured and non-textured interfaces for steel–PA66 and steel–Al2O3 lap joints under shear and bending loads;
- (ii)
- An application-oriented assessment of adhesive layer thickness as a technological parameter influencing joint performance;
- (iii)
- Experimental confirmation that the applied laser processing parameters enable effective surface microtexturing without inducing cracking in the investigated materials;
- (iv)
- In contrast to more generic studies on laser-induced roughening, the present work focuses on a well-defined circular microtexture and directly compares its effect on two distinct hybrid joints (steel–PA66 and steel–Al2O3) under both shear and bending loads.
2. Materials and Methods
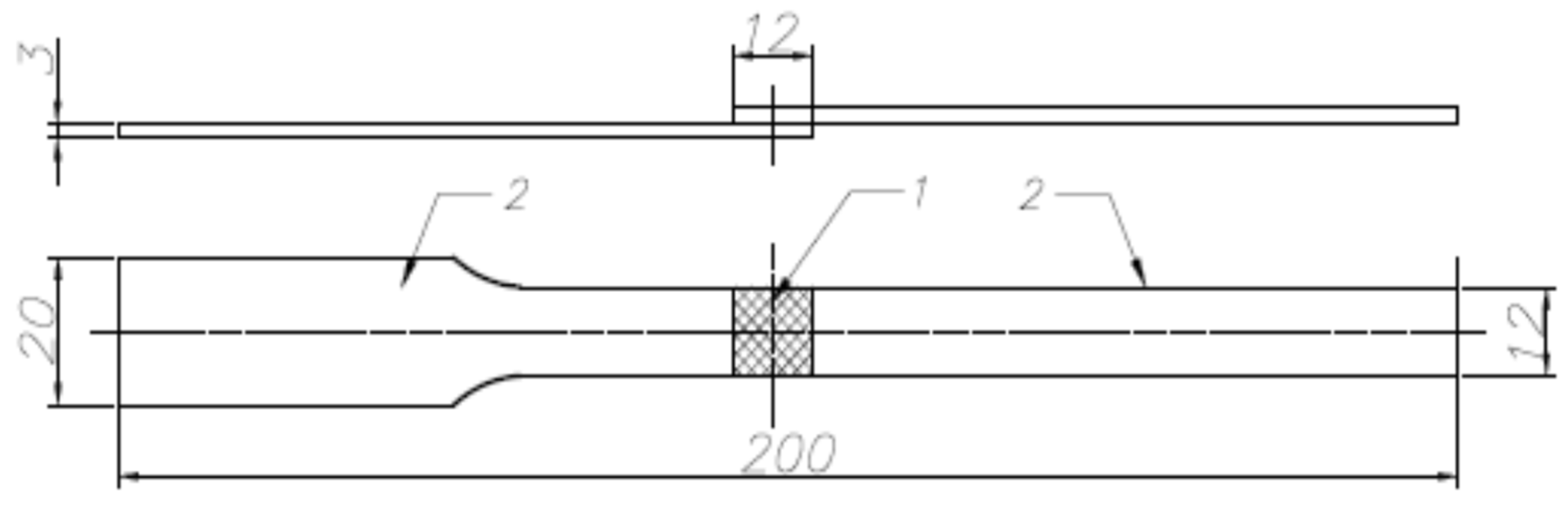
2.1. Materials and Specimen Geometry
2.2. Adhesive System
2.3. Laser Surface Microtexturing
2.4. Joint Fabrication and Bond-Line Thickness Control
2.5. Mechanical Testing
3. Results
3.1. Microtexture Geometry and Surface Characterization
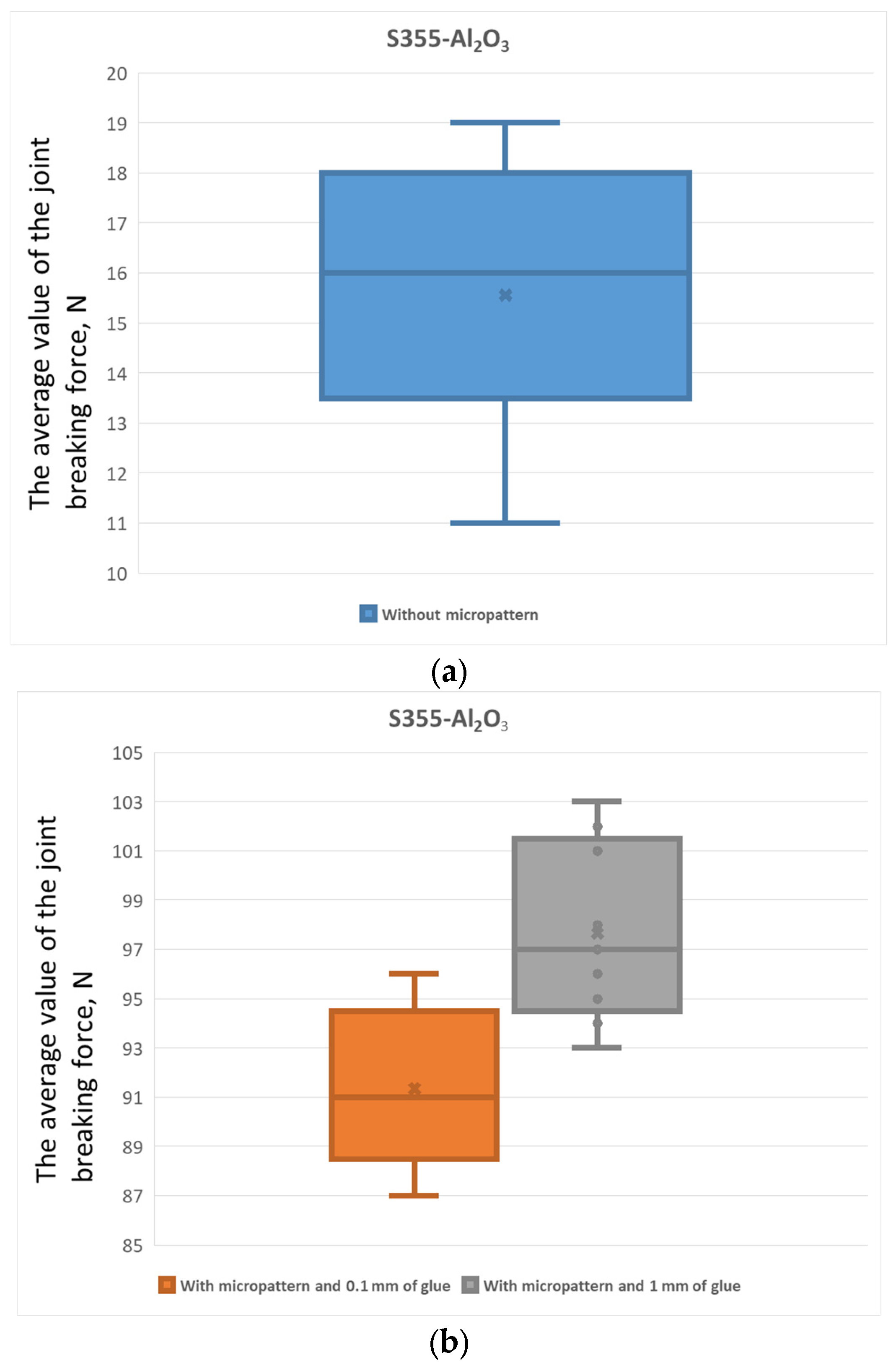
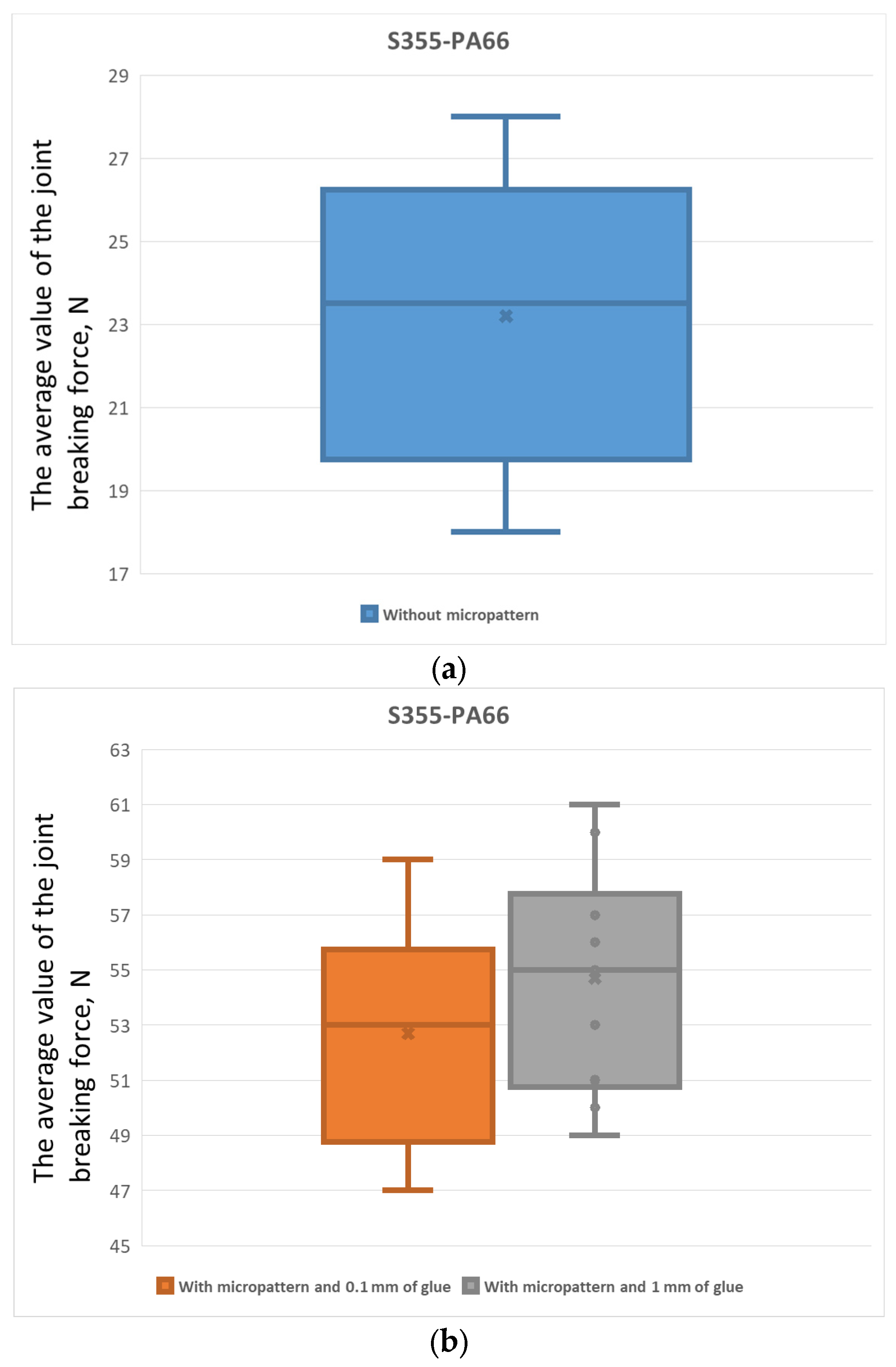
3.2. Mechanical Performance of Adhesive Joints
4. Discussion
4.1. Effect of Laser Surface Microtexturing on Joint Performance
4.2. Influence of Adhesive Layer Thickness
4.3. Comparison with Previous Studies
4.4. Application-Oriented Implications and Limitations
5. Conclusions
- Laser surface microtexturing leads to a substantial increase in both shear and bending strength compared with non-textured reference surfaces for both investigated material combinations.
- The improvement in joint performance is consistent with the formation of well-defined and repeatable microstructures, which promote mechanical interlocking between the adhesive and the textured substrate.
- Within the investigated range, the influence of adhesive layer thickness is less pronounced than the effect of surface microtexturing, indicating that microtexture-induced mechanical interlocking plays a more decisive role than the nominal bond-line thickness.
- The applied ultrashort-pulse laser processing parameters enabled the generation of stable microtextures without inducing cracking or thermal damage, confirming the suitability of this approach for hybrid metal–polymer and metal–ceramic assemblies.
Author Contributions
Funding
Institutional Review Board Statement
Informed Consent Statement
Data Availability Statement
Conflicts of Interest
References
- Cole, G.S.; Sherman, A.M. Light-weight materials for automotive applications. Mater. Charact. 1995, 35, 3–9. [Google Scholar] [CrossRef]
- Adams, R.D.; Wake, W.C. Structural Adhesive Joints in Engineering; Elsevier Applied Science Publishers: London, UK; New York, NY, USA, 1984; pp. 19–23. [Google Scholar]
- Rudawska, A. Wybrane Zagadnienia Konstytuowania Połączeń Adhezyjnych Jednorodnych i Hybrydowych; Politechnika Lubelska: Lublin, Poland, 2013; pp. 115–130. [Google Scholar]
- Rudawska, A.; Chruściel, M. Wpływ sposobu przygotowania powierzchni na wytrzymałość połączeń klejowych lotniczego stopu aluminium. Technol. Autom. Montażu 2011, 2, 42–46. [Google Scholar]
- Broughton, W.; Crocker, L.; Urquhart, J. Strength of Adhesive Joints: A Parametric Study; NPL: Teddington, UK, 2001. [Google Scholar]
- Rudawska, A. Wytrzymałość połączeń klejowych blach tytanowych po różnych sposobach przygotowania powierzchni. Inżyniera Mater. 2009, 5, 341–345. [Google Scholar]
- Godzimirski, J.; Kozakiewicz, J.; Łunarski, J.; Zielecki, W. Konstrukcyjne Połączenia Klejowe Elementów Metalowych w Budowie Maszyn; Oficyna Wydawnicza Politechniki Rzeszowskiej: Rzeszów, Poland, 1997. [Google Scholar]
- Kah, P.; Suoranta, R.; Martikainen, J.; Magnus, C. Techniques for joining dissimilar materials: Metals and polymers. Adv. Mater. Sci. 2014, 3, 152–164. [Google Scholar]
- Rozovskis, G.; Vinkevičius, J.; Jačiauskiene, J. Plasma surface modification of polyimide for improving adhesion to electroless copper coatings. J. Adhes. Sci. Technol. 1996, 10, 399–406. [Google Scholar] [CrossRef]
- Kennedy, A.C.; Kohler, R.; Poole, P. A sodium hydroxide anodize surface pretreatment for the adhesive bonding of titanium alloys. Int. J. Adhes. Adhes. 1983, 3, 133–139. [Google Scholar] [CrossRef]
- Rechner, R.; Jansen, I.; Beyer, E. Influence on the strength and aging resistance of aluminium joints by laser pre-treatment and surface modification. Int. J. Adhes. Adhes. 2010, 30, 595–601. [Google Scholar] [CrossRef]
- Ingram, C.; Ramani, K. The effect of sodium hydroxide anodization on the durability of poly(etherketonetherketoneketone) adhesive bonding of titanium. Int. J. Adhes. Adhes. 1997, 17, 39–45. [Google Scholar] [CrossRef]
- Johnsen, B.B.; Lapique, F.; Bjorgum, A. The durability of bonded aluminium joints: A comparison of AC and DC anodising pretreatments. Int. J. Adhes. Adhes. 2004, 24, 153–161. [Google Scholar] [CrossRef]
- Shen, M.X.; Zhang, Z.X.; Yang, J.T.; Xiong, G. Wetting behavior and tribological properties of polymer brushes on lasertextured surface. Polymers 2019, 11, 981. [Google Scholar] [CrossRef]
- Prakash, C.G.J.; Prasanth, R. Approaches to design a surface with tunable wettability: A review on surface properties. J. Mater. Sci. 2021, 56, 108–135. [Google Scholar] [CrossRef]
- Voisiat, B.; Aguilar-Morales, A.I.; Kunze, T.; Lasagni, A.F. Development of an analytical model for optimization of direct laser interference patterning. Materials 2020, 13, 200. [Google Scholar] [CrossRef] [PubMed]
- Milles, S.; Voisiat, B.; Nitschke, M.; Lasagni, A.F. Influence of roughness achieved by periodic structures on the wettability of aluminum using direct laser writing and direct laser interference patterning technology. J. Mater. Process. Technol. 2019, 270, 142–151. [Google Scholar] [CrossRef]
- Grützmacher, P.G.; Profito, F.J.; Rosenkranz, A. Multi-Scale Surface Texturing in Tribology—Current Knowledge and Future Perspectives. Lubricants 2019, 7, 95. [Google Scholar] [CrossRef]
- Soldera, M.; Alamri, S.; Storm, S.; Kunze, T.; Lasagni, A.F. Maximizing the efficiency of laser-fabricated diffraction gratings on PET using direct laser interference patterning. In Proceedings of the Laser-Based Micro- and Nanoprocessing XIV, San Francisco, CA, USA, 1–6 February 2020; p. 34. [Google Scholar] [CrossRef]
- Baburaj, E.G.; Starikov, D.; Evans, J.; Shafeev, G.A.; Bensaoula, A. Enhancement of adhesive joint strength by laser surface modification. Int. J. Adhes. Adhes. 2007, 27, 268–276. [Google Scholar] [CrossRef]
- Costil, S.; Convert, L.; Bourillot, E.; Pocholle, N.; François, M. Laser Texturing as Interfacial Treatment for Enhancing the Material Behaviors—The Real Influence of the Laser Treatment. In Proceedings of the Thermal Spray Proceedings, ITSC2023, Québec, QC, Canada, 22–25 May 2023; Paper No. ITSC2023P0428. pp. 428–435. [Google Scholar] [CrossRef]
- Zhang, X.; Wang, R.; Meng, S.; Chen, W.; Zhou, L.; He, W.; Pan, X. Advances and Perspectives in Laser Texturing for Adhesion Enhancement: A Comprehensive Research Progress. Prog. Surf. Sci. 2025, 100, 100781. [Google Scholar] [CrossRef]
- Wojdat, T.K.; Piwowarczyk, T. Influence of Laser Micro-Texturing and Plasma Treatment on Adhesive Bonding Properties of WC-Co Carbides with Steel. Materials 2024, 17, 5999. [Google Scholar] [CrossRef]
- Wu, H.; Ye, J.; Chen, C.; Zhang, L.; Zhao, J.; Zhu, Z.; Jiang, Z. Effect of Laser Surface Texturing on Adhesive Properties of Electronic Labels. Appl. Laser 2023, 43, 112–119. [Google Scholar] [CrossRef]
- Khan, M.A.; Halil, A.M.; Abidin, M.S.Z.; Hassan, M.H.; Ab Rahman, A.A. Influence of laser surface texturing on adhesive bonding: A comprehensive review on surface morphology and strength enhancement. Opt. Laser Technol. 2025, 191, 113339. [Google Scholar] [CrossRef]
- Tofil, S.; Kurp, P.; Manikandan, M. Surface Laser Micropatterning of Polyethylene (PE) to Increase the Shearing Strength of Adhesive Joints. Lubricants 2023, 11, 368. [Google Scholar] [CrossRef]
- Tofil, S.; Manoharan, M.; Natarajan, A. Surface Laser Micropatterning of Polyethylene Terephthalate (PET) to Increase the Shearing Strength of Adhesive Joints. Mater. Res. Proc. 2022, 24, 27–33. [Google Scholar] [CrossRef]
- Tofil, S.; Antoszewski, B.; Mulczyk, K. The Efficiency of UV Picosecond Laser Processing in the Shaping of Surface Structures on Elastomers. Polymers 2020, 12, 2041. [Google Scholar] [CrossRef] [PubMed]
- Witkowski, G.; Tofil, S.; Mulczyk, K. Effect of laser beam trajectory on pocket geometry in laser micromachining. Open Eng. 2020, 10, 830–838. [Google Scholar] [CrossRef]
- Kromer, R.; Raoelison, R.N.; Danlos, Y.; Verdy, C.; Costil, S.; Liao, H. Adhesion Strength Improvement by Laser Surface Texturing of Metallic Repair Coatings Deposited by Cold Spraying. In Proceedings of the Thermal Spray Proceedings, ITSC2021, Virtual, 24–28 May 2021; Paper No. ITSC2021P0241. pp. 241–246. [Google Scholar] [CrossRef]
- Hussein, F.I.; Akman, E.; Oztoprak, B.G.; Gunes, M.; Gundogdu, O.; Kacar, E.; Hajim, K.I.; Demir, A. Evaluation of PMMA joining to stainless steel 304 using pulsed Nd:YAG laser. Opt. Laser Technol. 2013, 49, 143–152. [Google Scholar] [CrossRef]
- Roesner, A.; Scheik, S.; Olowinsky, A.; Gillner, A.; Reisgen, U.; Schleser, M. Laser assisted joining of plastic metal hybrids. Phys. Procedia 2011, 12, 370–377. [Google Scholar] [CrossRef]
- Roesner, A.; Olowinsky, A.; Gillner, A. Long term stability of laser joined plastic metal parts. Phys. Procedia 2013, 41, 169–171. [Google Scholar] [CrossRef]
- Yuce, C.; Karpat, F.; Yavuz, N.; Dogan, O. A review on advanced joining techniques of multi material part manufacturing for automotive industry. In Proceedings of the Eighteenth TheIIER International Conference, Rome, Italy, 28–29 March 2015. [Google Scholar]
- Hopmann, C.; Kreimeier, S.; Keseberg, J.; Wenzlau, C. Joining of metal-plastics-hybrid structures using laser radiation by considering the surface structure of the metal. J. Polym. 2016, 2016, 4734913. [Google Scholar] [CrossRef]
- Bergmann, J.P.; Stambke, M. Potential of Laser-manufactured Polymermetal hybrid Joints. Phys. Procedia 2012, 39, 84–91. [Google Scholar] [CrossRef]
- Schricker, K.; Stambke, M.; Bergmann, J.P.; Brautigam, K.; Henckell, P. Macroscopic surface structures for polymer-metal hybrid joints manufactured by laser based thermal joining. Phys. Procedia 2014, 56, 782–790. [Google Scholar] [CrossRef][Green Version]
- Bauernhuber, A.; Markovits, T. Investigating thermal interactions in the case of laser assisted joining of PMMA plastic and steel. Phys. Procedia 2014, 56, 811–817. [Google Scholar] [CrossRef][Green Version]
- Katayama, S.; Kawahito, Y. Laser direct joining of metal and plastic. Scr. Mater. 2008, 59, 1247–1250. [Google Scholar] [CrossRef]
- Lambiase, F.; Liu, F. Recent Advances in Metal–Polymer Joining Processes. In Joining Processes for Dissimilar and Advanced Materials; Elsevier: Amsterdam, The Netherlands, 2022; pp. 123–151. [Google Scholar] [CrossRef]
- Lambiase, F.; Scipioni, S.I.; Lee, C.-J.; Ko, D.-C.; Liu, F. A State-of-the-Art Review on Advanced Joining Processes for Metal–Composite and Metal–Polymer Hybrid Structures. Materials 2021, 14, 1890. [Google Scholar] [CrossRef] [PubMed]
- Paranjpe, N.; Uddin, M.N.; Rahman, A.S.; Asmatulu, R. Effects of Surface Treatment on Adhesive Performance of Composite-to-Composite and Composite-to-Metal Joints. Processes 2024, 12, 2623. [Google Scholar] [CrossRef]
- Danielewski, H.; Skrzypczyk, A.; Tofil, S.; Witkowski, G.; Rutkowski, S. Numerical Simulation of Laser Welding Dissimilar Low Carbon and Austenitic Steel Joint. Open Eng. 2020, 10, 491–498. [Google Scholar] [CrossRef]
- METINVEST S355JR Steel Data Sheet. Available online: https://metinvestholding.com/pl/products/steel-grades/s355jr/ (accessed on 9 March 2026).
- PN-EN 10025-2:2019-11; Wyroby Walcowane na Gorąco ze Stali Konstrukcyjnych—Część 2: Warunki Techniczne Dostawy Stali Konstrukcyjnych Niestopowych (In English—Hot-Rolled Products from Structural Steels—Part 2: Technical Delivery Conditions for Non-Alloy Structural Steels). PKN (Polski Komitet Normalizacyjny): Warsaw, Poland, 2019.
- Plastem. Polyamide PA66 Data Sheet. Available online: https://www.plastem.pl/oferta/tworzywa-sztuczne/poliamid-pa/ (accessed on 11 February 2026).
- MULTIBOND-1101 Data Sheet. Available online: www.multibond.pl (accessed on 11 February 2026).
- Elleb, R.; Engel, T.; Antoni, F.; Fontaine, J.; Mermet, F.; Poncin-Epaillard, F. Study of femtosecond laser multi-scale textured steel surfaces on the wettability in relation to aging. J. Mater. Sci. 2021, 56, 20169–20180. [Google Scholar] [CrossRef]
- PN-EN ISO 6892-1:2020-05; Próba Rozciągania—Część 1: Metoda Badania w Temperaturze Pokojowej (In English—Tensile Test—Part 1: Test Method at Room Temperature). PKN (Polski Komitet Normalizacyjny): Warsaw, Poland, 2022.
- PN-EN ISO 291:2010; Tworzywa Sztuczne—Znormalizowane Warunki Klimatyczne Kondycjonowania i Badania (In English–Plastics–Standardized Climatic Conditioning and Testing). PKN (Polski Komitet Normalizacyjny): Warsaw, Poland, 2010.
- Mauclair, C.; Najih, B.; Comte, V.; Bourquard, F.; Delaigue, M. Dynamic spatial beam shaping for ultrafast laser processing: A review. Opto-Electron. Sci. 2025, 4, 250002. [Google Scholar] [CrossRef]
- Stribick, S.; Alhadad, B. Laser Surface Texturing for Surface Preparation of Adhesive Bonding of Polypropylene. Int. J. Adv. Manuf. Technol. 2025, 140, 4339–4354. [Google Scholar] [CrossRef]
- Siciliani, V.; Pelaccia, R.; Castagnetti, D.; Raimondi, L.; Donati, L.; Orazi, L.; Alfano, M. Enhancing the Shear Strength of Adhesive-Bonded Compression-Molded CFRP Laminates Using Selective UV Picosecond Laser Treatment. Int. J. Adv. Manuf. Technol. 2025, 141, 5697–5708. [Google Scholar] [CrossRef]
- Hirakawa, R.; Terasaki, N.; Horiuchi, S.; Hartwig, S.; Gundlach, C.; Steinberg, J. Effect of Laser Surface Treatment Conditions on the Static and Fatigue Bonding Strength of Galvanised Steel Sheet. J. Adhes. 2026, 102, 1–23. [Google Scholar] [CrossRef]
- Chey, S.Y.; Hong, S.; Kim, D.H.; Ahn, S.-H. The Effect of Laser Structuring on Hot-Press Joined Metal-Polymer Cross Tension Joints. Int. J. Precis. Eng. Manuf. 2025, 26, 961–976. [Google Scholar] [CrossRef]












| C | Mn | Si | P | S | Cu | N | Cr | Ni | Mo | V | Nb | Ti | Al |
|---|---|---|---|---|---|---|---|---|---|---|---|---|---|
| Max 0.24 | Max 1.6 | Max 0.55 | Max 0.035 | Max 0.035 | Max 0.55 | Max 0.012 | - | - | - | - | - | - | - |
| Tensile Strength (Rm, MPa) | Yield Strength (Re, MPa) | Elongation (A80 mm, %) |
|---|---|---|
| 470–630 | ≥355 | longitudinal samples ≥ 22 |
| transverse samples ≥ 20 |
| Property | Value | Unit |
|---|---|---|
| Viscosity (before it hardens) | 10,600 (component A) 6300 (component B) | mPa·s |
| Specific weight in 25 °C (before it hardens) | 1.16 (component A) 0.98 (component B) | g/mL |
| Shear strength in tensile loading (after it hardens) | 26.0 (metals) 7.0 (plastics) | N/mm2 |
| Peel-off resistance (after it hardens) | 5.0 | N/mm |
| Working temperature range | −60 ÷ +100 | °C |
| The Measured Value | Unit of Measurement | Measurement Value |
|---|---|---|
| Height | µm | 92.448 |
| Width | µm | 919.305 |
| Volume | µm3 | 3.42 × 108 |
| Joint Type | The Shear Force [N] | ||
|---|---|---|---|
| Without Micropattern | With Micropattern and 0.1 mm of Glue | With Micropattern and 1 mm of Glue | |
| S355-Al2O3 | 447 | 1857 | 2006 |
| S355-PA66 | 504 | 1764 | 1857 |
| Joint Type | The Bending Force [N] | ||
|---|---|---|---|
| Without Micropattern | With Micropattern and 0.1 mm of Glue | With Micropattern and 1 mm of Glue | |
| S355-Al2O3 | 15.55 | 91.33 | 97.66 |
| S355-PA66 | 23.2 | 52.7 | 54.7 |
Disclaimer/Publisher’s Note: The statements, opinions and data contained in all publications are solely those of the individual author(s) and contributor(s) and not of MDPI and/or the editor(s). MDPI and/or the editor(s) disclaim responsibility for any injury to people or property resulting from any ideas, methods, instructions or products referred to in the content. |
© 2026 by the authors. Licensee MDPI, Basel, Switzerland. This article is an open access article distributed under the terms and conditions of the Creative Commons Attribution (CC BY) license.
Share and Cite
Tofil, S.; Orazi, L.; Siciliani, V.; Mauclair, C.; Pereira, A.B.; Stribick, S.; Hartmann, F.; Yao, J.; Zhang, Q.; Wang, L.; et al. Laser Surface Microtexturing for Enhanced Adhesive Bonding in Steel–Polymer and Steel–Ceramic Joints. Appl. Sci. 2026, 16, 3010. https://doi.org/10.3390/app16063010
Tofil S, Orazi L, Siciliani V, Mauclair C, Pereira AB, Stribick S, Hartmann F, Yao J, Zhang Q, Wang L, et al. Laser Surface Microtexturing for Enhanced Adhesive Bonding in Steel–Polymer and Steel–Ceramic Joints. Applied Sciences. 2026; 16(6):3010. https://doi.org/10.3390/app16063010
Chicago/Turabian StyleTofil, Szymon, Leonardo Orazi, Vincenzina Siciliani, Cyril Mauclair, António B. Pereira, Sascha Stribick, Felix Hartmann, Jianhua Yao, Qunli Zhang, Liang Wang, and et al. 2026. "Laser Surface Microtexturing for Enhanced Adhesive Bonding in Steel–Polymer and Steel–Ceramic Joints" Applied Sciences 16, no. 6: 3010. https://doi.org/10.3390/app16063010
APA StyleTofil, S., Orazi, L., Siciliani, V., Mauclair, C., Pereira, A. B., Stribick, S., Hartmann, F., Yao, J., Zhang, Q., Wang, L., & Lin, S. (2026). Laser Surface Microtexturing for Enhanced Adhesive Bonding in Steel–Polymer and Steel–Ceramic Joints. Applied Sciences, 16(6), 3010. https://doi.org/10.3390/app16063010

