Evaluation of the Power System’s Connection Capabilities Using Nonlinear Optimisation with Simulated Annealing
Abstract
1. Introduction

2. Literature Review
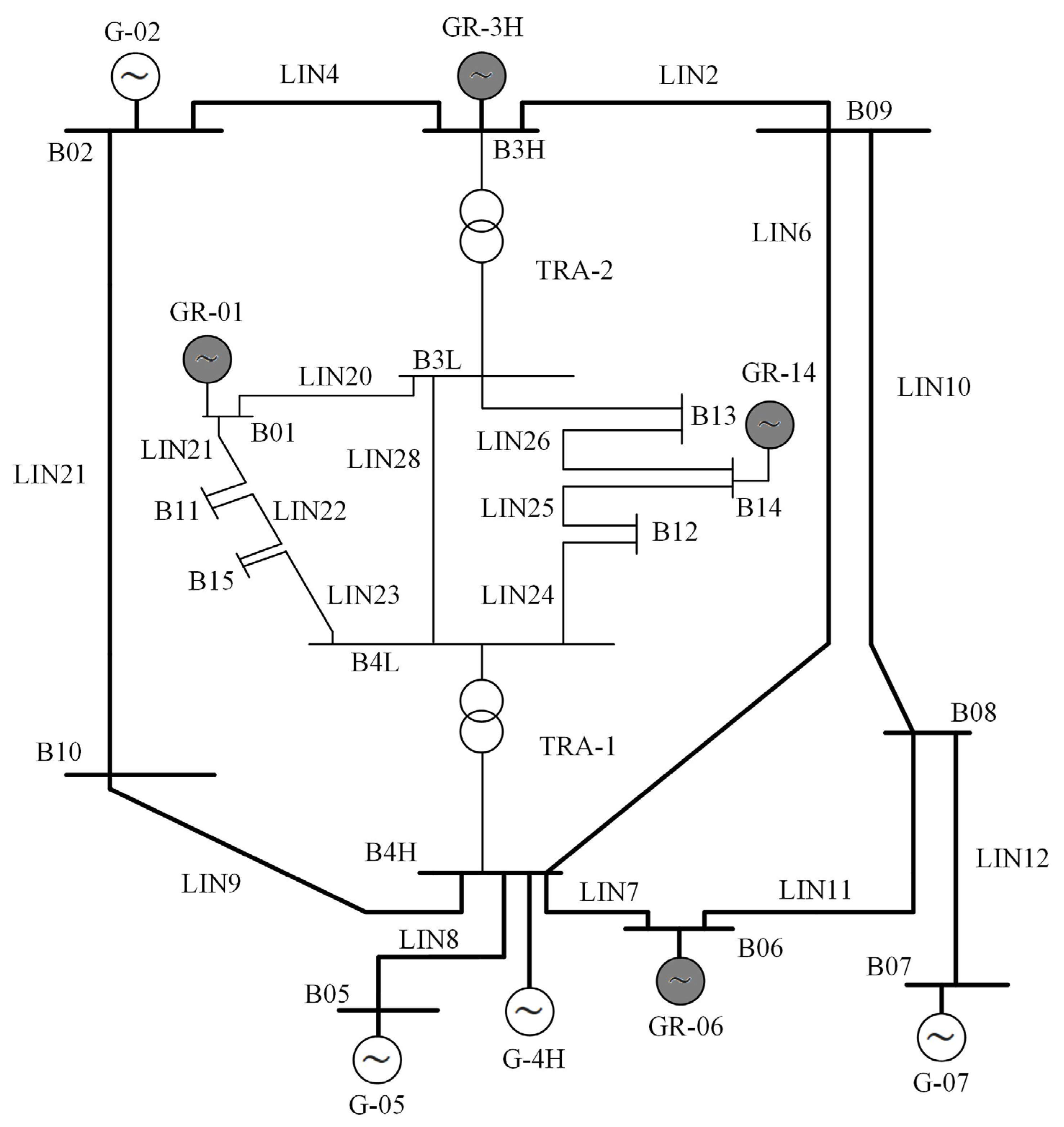
3. Description of the Proposed Calculation Method
4. Organisation and Course of the Calculation Process
| Algorithm 1 Simulated annealing algorithm |
| Procedure simulated annealing Begin i ← 0 initialise t select a random current point s0 rate s0 repeat repeat select a new point s in the neighbourhood of point s0 if Fc(s) < Fc(s0) then s0 ← s else if then s0 ← s until (termination condition) t ← f(t, i) i ← I + 1 until (stopping criterion) end |
- Initialises the control vector, s, and sets the initial temperature, T0;
- Solves the AC power flow for the base case and all N-1 considered faults using Newton’s method;
- Evaluates the objective function and verifies all technical constraints;
- Generates a new control vector in the neighbourhood of the current solution;
- Repeats the power flow and constraint checks for the candidate solution;
- Updates the best known solution;
- Then updates the temperature according to the cooling schedule and checks the stopping conditions.
5. Conclusions
- Network development planning—enables the identification of areas with the greatest connection potential and the assessment of the effects of infrastructure expansion or modernisation;
- Evaluation of connection applications—allows for quick and objective determination of the maximum power that can be connected at a given point in the network without violating the technical conditions;
- Investment analyses—providing data necessary to assess the profitability and risk of projects related to wind farms and other renewable sources.
Author Contributions
Funding
Data Availability Statement
Conflicts of Interest
Abbreviations
| TSO | Transmission System Operator |
| ML | Machine learning |
| XGBoost | eXtreme Gradient Boosting Over Decision Trees |
| MLP | Multi-Layer Perceptron |
| CNN-LSTM | Convolutional Neural Network Long Short-Term Memory |
| EMGRLs | Ensemble Models based on Graph Neural Network and Reinforcement Learning |
| GNN | Graph Neural Networks |
| RL | Reinforcement Learning |
| EEFOA | Electric Eel Foraging Optimisation Algorithm |
| BO | Bayesian Optimisation |
| PSO | Particle swarm optimisation |
| BA | Bat algorithm |
| GA | Genetic algorithm |
| ACO | Ant colony optimisation algorithm |
| OPF | Optimal Power Flow |
| SCOPF | Security Constrain Optimal Power Flow |
References
- European Union. Directive (EU) 2023/2413 of the European Parliament and of the Council of 18 October 2023 Amending Directive (EU) 2018/2001, Regulation (EU) 2018/1999 and Directive 98/70/EC as Regards the Promotion of Energy from Renewable Sources, and Repealing Council Directive (EU) 2015/652; European Union: Brussels, Belgium, 2023. [Google Scholar]
- European Commission. The European Green Deal; European Commission: Brussels, Belgium, 2019.
- Energy Instrat. Installed Capacity of Electricity Sources in Poland. Available online: https://energy.instrat.pl (accessed on 7 August 2025).
- Polish Law of May 20, 2016, on Investments in Wind Power Plants, Dz.U. 2016 poz. 961. 2016. Available online: https://climate-laws.org/document/act-of-20-may-2016-on-investments-in-wind-farms-last-amended-by-act-of-9-march-2023_be7e (accessed on 23 February 2026).
- Government Project of an Act Amending the Act on Investments in Wind Power Plants and Certain Other Acts. 2025. Available online: https://www.gov.pl/web/climate/another-draft-bill-on-renewable-energy-sources-included-in-the-council-of-ministers-work-schedule (accessed on 23 February 2026).
- Pijarski, P.; Kacejko, P.; Belowski, A. Redysponowanie instalacji OZE w praktyce—Konieczność versus konsekwencje [Redispatching of renewable energy installations in practice—Necessity versus consequences]. Rynek Energii 2025, 177, 3–10. [Google Scholar]
- Act of April 10, 1997 Energy Law, Dz. U. 1997 Nr 54 poz. 348: PE/1997. Available online: https://climate-laws.org/document/energy-law-dz-u-1997-nr-54-poz-348_ceee (accessed on 23 February 2026).
- European Commission. Commission Regulation (EU) 2015/1222 of 24 July 2015 Establishing a Guideline on Capacity Allocation and Congestion Management (CACM); European Commission: Brussels, Belgium, 2015.
- ENTSO-E. Capacity Allocation & Congestion Management (CACM); ENTSO-E: Brussels, Belgium, 2015. [Google Scholar]
- ENTSO-E. Coordinated Capacity Calculation—Implementation Guide, v1.0; ENTSO-E: Brussels, Belgium, 2018. [Google Scholar]
- Kirkpatrick, S.; Gelatt, C.D.; Vecchi, M.P. Optimization by simulated annealing. Science 1983, 220, 671–680. [Google Scholar] [CrossRef]
- Lezhniuk, P.D.; Pijarski, P.; Buslavets, O.A. Smart grid technologies in local electric grids. In Photonics Applications in Astronomy, Communications, Industry, and High Energy Physics Experiments 2017. Photonics Applications in Astronomy, Communications, Industry, and High-Energy Physics Experiments 2017, Wilga, Poland, Saturday 27 May 2017; Romaniuk, R.S., Linczuk, M., Eds.; SPIE: Cergy-Pontoise, France, 2017; p. 1044566. [Google Scholar]
- Han, H.; Jiang, X.; Cao, Y.; Luo, X.; Liu, S.; Yang, B. Flexibility Resource Planning and Stability Optimization Methods for Power Systems with High Penetration of Renewable Energy. Energies 2025, 18, 4139. [Google Scholar] [CrossRef]
- Wu, X.; Cao, Y.; Wu, H.; Qi, S.; Zhao, M.; Feng, Y.; Yu, Q. Improving Synchronization and Stability in Integrated Electricity, Gas, and Heating Networks via LSTM-Based Optimization. Energies 2025, 18, 749. [Google Scholar] [CrossRef]
- Pijarski, P.; Saigustia, C.; Kacejko, P.; Bena, L.; Belowski, A. The impact of renewable energy sources on the overload of high voltage lines—Power flow tracking versus direct current method. Arch. Electr. Eng. 2024, 519–541. [Google Scholar] [CrossRef]
- Pijarski, P.; Kacejko, P. Elimination of Line Overloads in a Power System Saturated with Renewable Energy Sources. Energies 2023, 16, 3751. [Google Scholar] [CrossRef]
- He, Z.; Chen, Y.; Zang, Y. Wind Speed Forecasting Based on Phase Space Reconstruction and a Novel Optimization Algorithm. Sustainability 2024, 16, 6945. [Google Scholar] [CrossRef]
- Baharvandi, A.; Nguyen, D.T. Optimal Network Expansion Planning Considering Uncertain Dynamic Thermal Line Rating. arXiv 2024, arXiv:2410.12508. [Google Scholar] [CrossRef]
- Saigustia, C.; Pijarski, P. Time Series Analysis and Forecasting of Solar Generation in Spain Using eXtreme Gradient Boosting: A Machine Learning Approach. Energies 2023, 16, 7618. [Google Scholar] [CrossRef]
- Liu, H.; Cai, C.; Li, P.; Tang, C.; Zhao, M.; Zheng, X.; Li, Y.; Zhao, Y.; Liu, C. Hybrid prediction method for solar photovoltaic power generation using normal cloud parrot optimization algorithm integrated with extreme learning machine. Sci. Rep. 2025, 15, 6491. [Google Scholar] [CrossRef]
- Mohammed, A.; Sakr, E.K.; Abo-Adma, M.; Elazab, R. A comprehensive review of advancements and challenges in reactive power planning for microgrids. Energy Inform. 2024, 7, 63. [Google Scholar] [CrossRef]
- Kacejko, P.; Pijarski, P. Optimal Voltage Control in MV Network with Distributed Generation. Energies 2021, 14, 469. [Google Scholar] [CrossRef]
- Bharath, S.; Vasuki, A. Adaptive energy loss optimization in distributed networks using reinforcement learning-enhanced crow search algorithm. Sci. Rep. 2025, 15, 12165. [Google Scholar] [CrossRef] [PubMed]
- Lv, L.; Fang, X.; Zhang, S.; Ma, X.; Liu, Y. Optimization of grid-connected voltage support technology and intelligent control strategies for new energy stations based on deep learning. Energy Inform. 2024, 7, 73. [Google Scholar] [CrossRef]
- Ukoba, K.; Olatunji, K.O.; Adeoye, E.; Jen, T.-C.; Madyira, D.M. Optimizing renewable energy systems through artificial intelligence: Review and future prospects. Energy Environ. 2024, 35, 3833–3879. [Google Scholar] [CrossRef]
- Pavlov-Kagadejev, M.; Jovanovic, L.; Bacanin, N.; Deveci, M.; Zivkovic, M.; Tuba, M.; Strumberger, I.; Pedrycz, W. Optimizing long-short-term memory models via metaheuristics for decomposition aided wind energy generation forecasting. Artif. Intell. Rev. 2024, 57, 143. [Google Scholar] [CrossRef]
- Pijarski, P.; Kacejko, P.; Miller, P. Advanced Optimisation and Forecasting Methods in Power Engineering—Introduction to the Special Issue. Energies 2023, 16, 2804. [Google Scholar] [CrossRef]
- Manocha, A.; Mantegna, G.; Patankar, N.; Jenkins, J.D. Reducing transmission expansion by co-optimizing sizing of wind, solar, storage and grid connection capacity. Environ. Res. Energy 2025, 2, 15011. [Google Scholar] [CrossRef]
- Ye, H.; Wang, Q.; Xian, Y.; Wen, B.; Li, Y.; Hou, S. Optimization planning of new rural multi-energy distribution network based on fuzzy algorithm. Energy Inform. 2025, 8, 32. [Google Scholar] [CrossRef]
- Ahsan, S.M.; Musilek, P. Optimizing Multi-Microgrid Operations with Battery Energy Storage and Electric Vehicle Integration: A Comparative Analysis of Strategies. Batteries 2025, 11, 129. [Google Scholar] [CrossRef]
- Mroczek, B.; Pijarski, P. Flexible management of power flows in the low-voltage grid using energy storage & artificial intelligence. J. Energy Storage 2025, 139, 118878. [Google Scholar] [CrossRef]
- Pijarski, P.; Kacejko, P. Methods of Simulated Annealing and Particle Swarm Applied to the Optimization of Reactive Power Flow in Electric Power Systems. Adv. Electr. Comp. Eng. 2018, 18, 43–48. [Google Scholar] [CrossRef]
- Zhang, C.; Chang, X.; Dai, J.; Chen, Z.; Babanezhad, M. Designing of a wide-area power system stabilizer using an exponential distribution optimizer and fuzzy controller considering time delays. Sci. Rep. 2025, 15, 1773. [Google Scholar] [CrossRef] [PubMed]
- Vukadinović, D. Recent Advances in Power Quality Analysis and Robust Control of Renewable Energy Sources in Power Grids. Energies 2024, 17, 2193. [Google Scholar] [CrossRef]
- Barakat, S.; Ibrahim, H.; Elbaset, A.A. Multi-objective optimization of grid-connected PV-wind hybrid system considering reliability, cost, and environmental aspects. Sustain. Cities Soc. 2020, 60, 102178. [Google Scholar] [CrossRef]
- Monir, N.; Sadabadi, M.S.; Soudjani, S. Logic-based Resilience Computation of Power Systems Against Frequency Requirements. In Proceedings of the 2025 European Control Conference (ECC), Thessaloniki, Greece, 24–27 June 2025. [Google Scholar]
- Agouzoul, N.; Oukennou, A.; Elmariami, F.; Boukherouaa, J.; Gadal, R.; Tarraq, A. A Comparative Study of Metaheuristics Algorithms Applied for Optimal Reactive Power Dispatch Problem Considering Load Uncertainty. In Advances in Electrical Systems and Innovative Renewable Energy Techniques; Bendaoud, M., El Fathi, A., Bakhsh, F.I., Pierluigi, S., Eds.; Springer Nature Switzerland: Cham, Switzerland, 2024; pp. 207–214. ISBN 978-3-031-49771-1. [Google Scholar]
- Pijarski, P.; Belowski, A. Outage Rates and Failure Removal Times for Power Lines and Transformers. Appl. Sci. 2025, 15, 8030. [Google Scholar] [CrossRef]
- Kacejko, P.; Pijarski, P. Cost sharing on the network upgrade individual investors applying for connection to a network of wind farms. Przegląd Elektrotechniczny 2012, 88, 27–31. [Google Scholar]
- Zhang, R.; Qu, K.; Zhao, C.; Huang, W. Robust Distribution Network Reconfiguration Using Mapping-based Column-and-Constraint Generation. arXiv 2025, arXiv:2505.24677. [Google Scholar]
- Li, F.; Liu, D.; Wang, D.; Wang, W.; Liu, Z.; Yu, H.; Su, X.; Zhang, D.; Wu, X. Enhancing System Reliability and Transient Voltage Stability through Optimized Power Sources and Network Planning. Electronics 2023, 12, 3190. [Google Scholar] [CrossRef]
- Dahal, S.; Hegglid, G.J.; Kristiansen, J.; Chhetri, B.B.; Mishra, S.; Øyvang, T. Integrating multiple slack bus operations and metaheuristic techniques for power flow optimization. Sci. Rep. 2025, 15, 16821. [Google Scholar] [CrossRef]
- Zhang, H.; Zhang, Y.; Zhang, J.; Meng, X.; Sun, J. Resilient dispatching optimization of power system driven by deep reinforcement learning model. Discov. Artif. Intell. 2025, 5, 21. [Google Scholar] [CrossRef]
- Ortmann, L.; Rubin, C.; Scozzafava, A.; Lehmann, J.; Bolognani, S.; Dörfler, F. Deployment of an Online Feedback Optimization Controller for Reactive Power Flow Optimization in a Distribution Grid. arXiv 2023, arXiv:2305.06702. [Google Scholar] [CrossRef]
- Li, H.; Jin, T.; Xu, X.; Shi, L. A Study of Multi-distributed Resource Equalization Allocation for Virtual Power Plants Based on Genetic-heuristic Algorithm. Int. J. Comput. Intell. Syst. 2025, 18, 94. [Google Scholar] [CrossRef]
- Huan, J.; He, Y.; Sun, K.; Lu, H.; Wang, H.; Wu, X. Capacity planning for wind, solar, thermal and energy storage in power generation systems considering coupled electricity-carbon markets. IET Gener. Transm. Distrib. 2024, 18, 4090–4104. [Google Scholar] [CrossRef]
- Bhadoria, A.; Marwaha, S. An optimum generation scheduling of electrical power system considering the effect of renewable energy sources by using a hybrid metaheuristic search algorithm. OPSEARCH 2024, 61, 1301–1382. [Google Scholar] [CrossRef]
- Alqahtani, M.; Alghamdi, A.S. Optimized Coordination of Distributed Energy Resources in Modern Distribution Networks Using a Hybrid Metaheuristic Approach. Processes 2025, 13, 1350. [Google Scholar] [CrossRef]
- Mohamadi, M.J.; Tolou Askari, M.; Samiei Moghaddam, M.; Ghods, V. Optimizing energy flow in advanced microgrids: A prediction-independent two-stage hybrid system approach. Energy Inform. 2025, 8, 41. [Google Scholar] [CrossRef]
- Xu, W.; Chu, Z.; Teng, F. LAPSO: A Unified Optimization View for Learning-Augmented Power System Operations. arXiv 2025, arXiv:2505.05203. [Google Scholar] [CrossRef]
- Abdelwahab, S.A.M.; El-Rifaie, A.M.; Hegazy, H.Y.; Tolba, M.A.; Mohamed, W.I.; Mohamed, M. Optimal Control and Optimization of Grid-Connected PV and Wind Turbine Hybrid Systems Using Electric Eel Foraging Optimization Algorithms. Sensors 2024, 24, 2354. [Google Scholar] [CrossRef]
- Wang, Z.; Tu, Y.; Zhang, K.; Zhou, D.; Bilgen, O. An adaptive switch strategy for acquisition functions in Bayesian optimization of wind farm layout. arXiv 2025, arXiv:2502.10778. [Google Scholar] [CrossRef]
- He, F.; Liu, Y.; Feng, Q.; Wei, S. Grid-connection transmission system planning of offshore wind farm cluster consider the project income. Front. Energy Res. 2024, 12, 1416225. [Google Scholar] [CrossRef]
- Li, C.; Kies, A.; Zhou, K.; Schlott, M.; Sayed, O.E.; Bilousova, M.; Stöcker, H. Optimal Power Flow in a highly renewable power system based on attention neural networks. Appl. Energy 2024, 359, 122779. [Google Scholar] [CrossRef]
- Moradi-Sepahvand, M.; Amraee, T.; Sadeghi Gougheri, S. Deep Learning Based Hurricane Resilient Coplanning of Transmission Lines, Battery Energy Storages, and Wind Farms. IEEE Trans. Ind. Inf. 2022, 18, 2120–2131. [Google Scholar] [CrossRef]
- Pineda, S.; Morales, J.M.; Jiménez-Cordero, A. Learning-assisted optimization for transmission switching. TOP 2024, 32, 489–516. [Google Scholar] [CrossRef] [PubMed]
- Sun, Y.; Han, W. A review of enhancing wind power with AI: Applications, economic implications, and green innovations. Digit. Econ. Sustain. Dev. 2025, 3, 8. [Google Scholar] [CrossRef]
- Zehtabiyan-Rezaie, N.; Iosifidis, A.; Abkar, M. Physics-Guided Machine Learning for Wind-Farm Power Prediction: Toward Interpretability and Generalizability. PRX Energy 2023, 2, 013009. [Google Scholar] [CrossRef]
- Bošnjaković, M.; Martinović, M.; Đokić, K. Application of Artificial Intelligence in Wind Power Systems. Appl. Sci. 2025, 15, 2443. [Google Scholar] [CrossRef]
- Wang, Y.; Song, D.; Jurić, F.; Duić, N.; Mikulčić, H. Multi-modal optimization of offshore wind farm collection system topology based on nearest better most attractive particle swarm optimization. Renew. Sustain. Energy Rev. 2025, 222, 115978. [Google Scholar] [CrossRef]
- Almalaq, A.; Alqunun, K.; Abbassi, R.; Ali, Z.M.; Refaat, M.M.; Abdel Aleem, S.H.E. Integrated transmission expansion planning incorporating fault current limiting devices and thyristor-controlled series compensation using meta-heuristic optimization techniques. Sci. Rep. 2024, 14, 13046. [Google Scholar] [CrossRef]
- Gupta, D.; Jain, S.K. Available Transfer Capability Enhancement by FACTS Devices Using Metaheuristic Evolutionary Particle Swarm Optimization (MEEPSO) Technique. Energies 2021, 14, 869. [Google Scholar] [CrossRef]
- Gerbex, S.; Cherkaoui, R.; Germond, A.J. Optimal location of multi-type FACTS devices in a power system by means of genetic algorithms. IEEE Trans. Power Syst. 2001, 16, 537–544. [Google Scholar] [CrossRef]
- Menniti, D.; Sorrentino, N. A new method for SSSC optimal location to improve power system Available Transfer Capability. In Proceedings of the 2006 IEEE/PES Power Systems Conference and Exposition, Atlanta, GA, USA, 29 October–1 November 2006; IEEE: Piscataway, NJ, USA, 2006; pp. 938–945. ISBN 1-4244-0177-1. [Google Scholar]
- Nireekshana, T.; Kesava Rao, G.; Sivanaga Raju, S. Available transfer capability enhancement with FACTS using Cat Swarm Optimization. Ain Shams Eng. J. 2016, 7, 159–167. [Google Scholar] [CrossRef]
- Mohammed, O.O.; Mustafa, M.W.; Mohammed, D.S.S.; Otuoze, A.O. Available transfer capability calculation methods: A comprehensive review. Int. Trans. Electr. Energy Syst. 2019, 29, e2846. [Google Scholar] [CrossRef]
- IEEE. IEEE Recommended Practice for Industrial and Commercial Power Systems Analysis (Brown Book); IEEE: Piscataway, NJ, USA.
- Kremens, Z.; Nowak, S.M. Analiza Systemów Elektroenergetycznych [Analysis of Electrical Power Systems], 1st ed.; WNT: Warszawa, Poland, 1996. [Google Scholar]
- Zajczyk, R. Modele Matematyczne Systemu Elektroenergetycznego do Badania Elektromechanicznych Stanów Nieustalonych i Procesów Regulacyjnych [Mathematical Models of the Power System for Studying Electromechanical Transient States and Control Processes], 1st ed.; Wydawnictwo Politechniki Gdańskiej: Gdańsk, Poland, 2003. [Google Scholar]
- European Union. Directive 2009/28/EC of the European Parliament and of the Council of 23 April 2009 on the Promotion of the Use of Energy from Renewable Sources, Amending and Subsequently Repealing Directives 2001/77/EC and 2003/30/EC; European Union: Brussels, Belgium, 2009. [Google Scholar]
- Dzahini, K.J.; Rinaldi, F.; Royer, C.W.; Zeffiro, D. Direct-search methods in the year 2025: Theoretical guarantees and algorithmic paradigms. EURO J. Comput. Optim. 2025, 13, 100110. [Google Scholar] [CrossRef]
- Khanh, P.D.; Mordukhovich, B.S.; Tran, D.B. Globally convergent derivative-free methods in nonconvex optimization with and without noise. Math. Program. 2025. [Google Scholar] [CrossRef]
- Mandal, P.K. A review of classical methods and Nature-Inspired Algorithms (NIAs) for optimization problems. Results Control Optim. 2023, 13, 100315. [Google Scholar] [CrossRef]
- Simeon Pucuhuayla, F.J.; Castillo Correa, C.; Ñaupari Huatuco, D.Z.; Molina Rodriguez, Y.P. Optimal Reconfiguration of Electrical Distribution Networks Using the Improved Simulated Annealing Algorithm with Hybrid Cooling (ISA-HC). Energies 2024, 17, 4477. [Google Scholar] [CrossRef]
- Wang, X.; Liang, H.; Jia, X.; Li, S.; Kang, S.; Gao, Y. Application of simulated annealing algorithm in multi-objective cooperative scheduling of load and storage of source network for load side of new power system. Energy Inform. 2025, 8, 52. [Google Scholar] [CrossRef]
- PSE S.A. Scope and Terms and Conditions for Performing Expert Analysis; PSE S.A: Warsaw, Poland, 2026. [Google Scholar]




| Node Code | Um | δ | Un | Pg | Qg | Pd | Qd |
|---|---|---|---|---|---|---|---|
| - | pu | ° | kV | MW | Mvar | MW | Mvar |
| B02 | 1.091 | 0 | 220 | 12 | 5.2 | 12 | 4.8 |
| B05 | 1.105 | 23 | 220 | 510 | 151.2 | 14 | 255 |
| B06 | 1.100 | −11 | 220 | 0 | 0 | 30 | 0 |
| B07 | 1.100 | 13 | 220 | 585 | 192.4 | 15 | 292.5 |
| B08 | 1.009 | −10 | 220 | - | - | 210 | 50 |
| B09 | 1.006 | −25 | 220 | - | - | 440 | 110 |
| B10 | 1.051 | −14 | 220 | - | - | 310 | 134 |
| B3H | 1.068 | −17 | 220 | 0 | 0 | 17 | 10 |
| B4H | 1.068 | −8 | 220 | 590 | 208.8 | 276 | 236 |
| B01 | 1.046 | −19 | 110 | 30 | 0 | 18 | 0 |
| B11 | 1.037 | −19 | 110 | - | - | 50 | 16 |
| B12 | 1.012 | −17 | 110 | - | - | 25 | 12 |
| B13 | 1.024 | −19 | 110 | - | - | 35 | 21 |
| B14 | 1.000 | −19 | 110 | 0 | 0 | 40 | 10 |
| B15 | 1.022 | −18 | 110 | - | - | 40 | 12 |
| B3L | 1.035 | −19 | 110 | - | - | 50 | 16 |
| B4L | 1.019 | −16 | 110 | - | - | 112 | 35 |
| Node Code | Sn | Type | Pg | Pmin | Pmax | |
|---|---|---|---|---|---|---|
| - | - | MVA | - | MW | MW | MW |
| G-05 | B05 | 720 | C | 510 | 100 | 600 |
| GR-06 | B06 | 500 | R | 0 | 0 | 500 |
| G-07 | B07 | 720 | C | 585 | 100 | 600 |
| GR-3H | B3H | 100 | R | 0 | 0 | 500 |
| G-4H | B4H | 720 | C | 590 | 100 | 600 |
| GR-01 | B01 | 100 | R | 30 | 0 | 200 |
| GR-14 | B14 | 100 | R | 0 | 0 | 200 |
| Branch Code | Start Node Code | End Node Code | R | X | B/2 | Imax |
|---|---|---|---|---|---|---|
| - | - | - | Ω | Ω | µS | A/MVA |
| LIN28 | B3L | B4L | 2.4 | 8 | 28 | 880 |
| LIN10 | B09 | B08 | 10.7 | 90 | 420 | 875 |
| LIN11 | B08 | B06 | 3.5 | 30.8 | 180 | 875 |
| LIN12 | B08 | B07 | 6 | 59.5 | 300 | 875 |
| LIN13 | B10 | B02 | 5.2 | 65 | 320 | 875 |
| LIN2 | B3H | B09 | 5.7 | 58 | 290 | 515 |
| LIN20 | B3L | B01 | 2.5 | 10.5 | 53 | 320 |
| LIN21 | B01 | B11 | 0.6 | 4 | 20 | 320 |
| LIN22 | B11 | B15 | 1.8 | 12 | 65 | 320 |
| LIN23 | B15 | B4L | 0.5 | 4 | 20 | 320 |
| LIN24 | B4L | B12 | 0.4 | 3.5 | 17.5 | 320 |
| LIN25 | B12 | B14 | 1.1 | 8.1 | 40.5 | 320 |
| LIN26 | B14 | B13 | 1.1 | 8.1 | 40.5 | 320 |
| LIN27 | B13 | B3L | 0.4 | 3.5 | 17.5 | 320 |
| LIN4 | B3H | B02 | 7.8 | 82.6 | 410 | 875 |
| LIN6 | B09 | B4H | 11.7 | 96 | 422 | 875 |
| LIN7 | B4H | B06 | 12.7 | 97 | 430 | 875 |
| LIN8 | B4H | B05 | 5.4 | 60 | 305 | 875 |
| LIN9 | B4H | B10 | 5.2 | 55 | 290 | 875 |
| TRA-1 | B4H | B4L | 2.5 | 25.4 | 0 | 250 |
| TRA-2 | B3H | B3L | 3.9 | 39.6 | 0 | 160 |
| Number | Pg | Un | Node Code | Source Code |
|---|---|---|---|---|
| - | MW | kV | - | - |
| Generation in RES | ||||
| 1 | 64 | 110 | B01 | GR-01 |
| 2 | 500 | 220 | B06 | GR-06 |
| 3 | 119 | 110 | B14 | GR-14 |
| 4 | 469 | 220 | B3H | GR-3H |
| Total | 1152 | - | - | - |
| Generation in Thermal Power Plant | ||||
| 5 | 200 | 220 | B05 | G-05 |
| 6 | 186 | 220 | B07 | G-07 |
| 7 | 186 | 220 | B4H | G-4H |
| Total | 572 | |||
| Branch Code | Start Node Code | End Node Code | In/Sn | I/S | I/In |
|---|---|---|---|---|---|
| - | - | - | (A/MVA)- | (A/MVA) | (S/Sn) |
| LIN11 | B08 | B06 | 875 | 601 | 0.7 |
| LIN12 | B08 | B07 | 875 | 407 | 0.5 |
| LIN10 | B09 | B08 | 875 | 497 | 0.6 |
| LIN6 | B09 | B4H | 875 | 147 | 0.2 |
| LIN13 | B10 | B02 | 875 | 292 | 0.3 |
| LIN4 | B3H | B02 | 875 | 302 | 0.3 |
| LIN2 | B3H | B09 | 515 | 476 | 0.9 |
| LIN8 | B4H | B05 | 875 | 451 | 0.5 |
| LIN7 | B4H | B06 | 875 | 523 | 0.6 |
| LIN9 | B4H | B10 | 875 | 485 | 0.5 |
| LIN21 | B01 | B11 | 320 | 320 | 1 |
| LIN22 | B11 | B15 | 320 | 88 | 0.3 |
| LIN25 | B12 | B14 | 320 | 320 | 1 |
| LIN27 | B13 | B3L | 320 | 230 | 0.7 |
| LIN26 | B14 | B13 | 320 | 251 | 0.8 |
| LIN23 | B15 | B4L | 320 | 154 | 0.5 |
| LIN20 | B3L | B01 | 320 | 84 | 0.3 |
| LIN28 | B3L | B4L | 880 | 311 | 0.35 |
| LIN24 | B4L | B12 | 320 | 207 | 0.65 |
| TRA-2 | B3H | B3L | 160 | 160 | 1 |
| TRA-1 | B4H | B4L | 250 | 50 | 0.2 |
| Branch Code | Start Node Code | End Node Code | In/Sn | I/S | I/In |
|---|---|---|---|---|---|
| - | - | - | (A/MVA)- | (A/MVA) | (S/Sn) |
| LIN2 | B3H | B09 | 515 | 691 | 1.3 |
| LIN21 | B01 | B11 | 320 | 417 | 1.3 |
| LIN25 | B12 | B14 | 320 | 451 | 1.4 |
| LIN27 | B13 | B3L | 320 | 375 | 1.2 |
| LIN26 | B14 | B13 | 320 | 504 | 1.6 |
| LIN24 | B4L | B12 | 320 | 337 | 1.05 |
| Number | Pg | Un | Node Code | Source Code |
|---|---|---|---|---|
| - | MW | kV | - | - |
| Generation in RES | ||||
| 1 | 79 | 110 | B01 | GR-01 |
| 2 | 465 | 220 | B06 | GR-06 |
| 3 | 74 | 110 | B14 | GR-14 |
| 4 | 321 | 220 | B3H | GR-3H |
| Total | 939 | - | - | - |
| Generation in Thermal Power Plants | ||||
| 5 | 274 | 220 | B05 | G-05 |
| 6 | 259 | 220 | B07 | G-07 |
| 7 | 259 | 220 | B4H | G-4H |
| Total | 792 | |||
| Source Code | Node Code | Before Optimisation | Optimisation Without (N-1) | Optimisation with (N-1) |
|---|---|---|---|---|
| - | MW | MW | MW | |
| G-05 | B05 | 510 | 200 | 274 |
| G-07 | B07 | 585 | 186 | 259 |
| G-4H | B4H | 590 | 186 | 259 |
| G-02 | B02 | 12 | 7 | 9 |
| Total C | 1697 (98.2%) | 565 (32.9%) | 783 (45.5%) | |
| GR-01 | B01 | 30 | 64 | 79 |
| GR-06 | B06 | 0 | 500 | 465 |
| GR-14 | B14 | 0 | 119 | 74 |
| GR-3H | B3H | 0 | 469 | 321 |
| Total R | 30 (1.8%) | 1152 (67.1%) | 939 (54.5) | |
| Total Generation | 1727 (100%) | 1717 (100%) | 1722 (100%) |
Disclaimer/Publisher’s Note: The statements, opinions and data contained in all publications are solely those of the individual author(s) and contributor(s) and not of MDPI and/or the editor(s). MDPI and/or the editor(s) disclaim responsibility for any injury to people or property resulting from any ideas, methods, instructions or products referred to in the content. |
© 2026 by the authors. Licensee MDPI, Basel, Switzerland. This article is an open access article distributed under the terms and conditions of the Creative Commons Attribution (CC BY) license.
Share and Cite
Kacejko, P.; Belowski, A.; Adamek, S.; Przepiórka, D. Evaluation of the Power System’s Connection Capabilities Using Nonlinear Optimisation with Simulated Annealing. Appl. Sci. 2026, 16, 2279. https://doi.org/10.3390/app16052279
Kacejko P, Belowski A, Adamek S, Przepiórka D. Evaluation of the Power System’s Connection Capabilities Using Nonlinear Optimisation with Simulated Annealing. Applied Sciences. 2026; 16(5):2279. https://doi.org/10.3390/app16052279
Chicago/Turabian StyleKacejko, Piotr, Adrian Belowski, Sylwester Adamek, and Dominik Przepiórka. 2026. "Evaluation of the Power System’s Connection Capabilities Using Nonlinear Optimisation with Simulated Annealing" Applied Sciences 16, no. 5: 2279. https://doi.org/10.3390/app16052279
APA StyleKacejko, P., Belowski, A., Adamek, S., & Przepiórka, D. (2026). Evaluation of the Power System’s Connection Capabilities Using Nonlinear Optimisation with Simulated Annealing. Applied Sciences, 16(5), 2279. https://doi.org/10.3390/app16052279

