Analysis of Temporal and Spatial Characteristics and Influencing Factors of Construction Deformation of Super-Large Deep Foundation Pit in Thick Sand Stratum
Abstract
1. Introduction
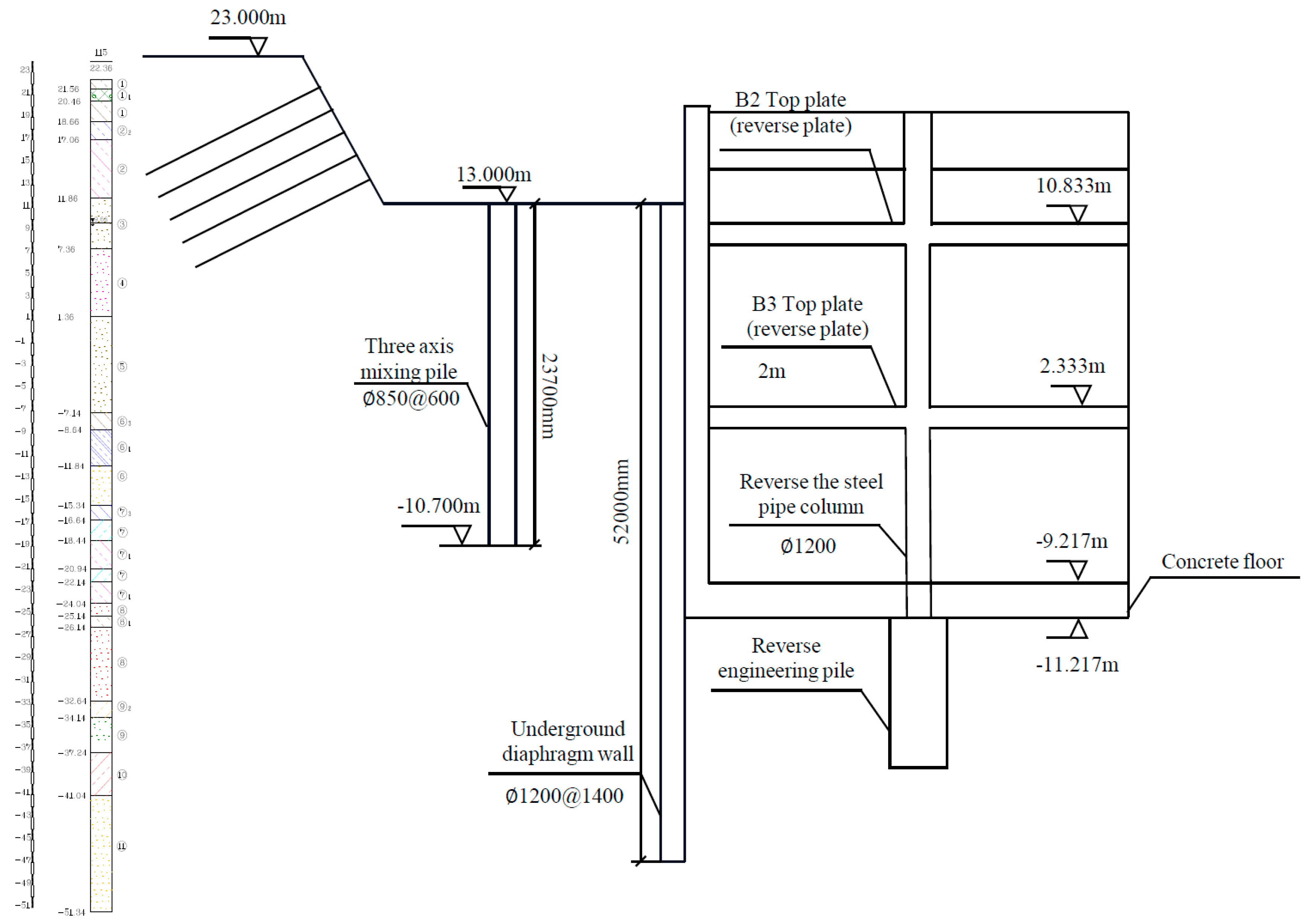
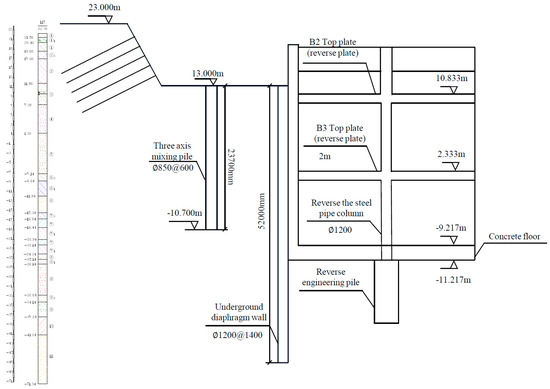
2. Project Overview
2.1. Project Background and Construction Method
2.2. Hydrogeological Conditions
3. Comparative Analysis of Monitoring Data and Numerical Simulation
3.1. Geometric Dimensions and Boundary Conditions of the Model
3.2. Soil and Structure Model
3.3. Space-Time Deformation Analysis of Foundation Pit Structure
3.3.1. Foundation Pit Column
3.3.2. Foundation Pit Is Connected to the Wall
3.3.3. Spatio-Temporal Deformation Analysis of Land Surface Subsidence
4. Influence of Construction Method on Foundation Pit Deformation
4.1. Orthogonal Design
4.2. Analysis of Deformation Sensitive Factors of Foundation Pit Column
4.3. Analysis of Sensitive Factors of Soil Heave at Pit Bottom
4.4. Analysis of Deformation Sensitive Factors of Foundation Pit Connecting Wall
4.5. Analysis of Sensitive Factors of Ground Settlement Around Foundation Pit
5. Discussion
- (1)
- Although the temporal and spatial deformation characteristics of ultra-deep foundation pits in sandy areas are obtained through comparative analysis of some existing foundation pit cases, more engineering examples are needed for analysis and verification. In addition, the mechanisms affecting the temporal and spatial deformation of the super deep foundation pit have not been explained, and further research needs to be carried out through laboratory experiments and field monitoring.
- (2)
- The orthogonal experiment only considers the influence of the excavation process and hydrogeological conditions on the deformation characteristics of foundation pit and does not consider the influence of different internal supporting structures and construction methods on the deformation characteristics of foundation pit.
- (3)
- Because of the complex groundwater conditions, sand is more sensitive to water. In a subsequent study, the author will consider the influence of fluid-structure coupling effect on the numerical simulation results.
6. Conclusions
- (1)
- Because most of the foundation pit project is located in the sandy soil, and because the compressibility of the sand itself is relatively large, under the condition of water, the rebound deformation of the foundation and the uplift of the column caused by the soil excavation are significantly larger than that under the condition of no water. The maximum deformation value of the column is between 0.54‰ and 0.65‰ He. For the construction of the super deep foundation pit, the construction method of partition excavation, digging first and then supporting, can effectively alleviate the large deformation of the internal structure of the foundation pit due to excessive unloading.
- (2)
- Due to the different embedment ratio, the displacement modes of the ground connecting wall on the north and south sides of the foundation pit are, respectively, translational mode (T) and rotation mode around the bottom (RB). The deformation generated by rotation mode around the bottom is twice that of the translational mode, and the vertical displacement Vwm of the ground connecting wall ranges from 0.3‰ to 0.9‰ He.
- (3)
- Due to the “hysteresis” of stress transfer in sand, the settlement deformation value first increases, then decreases, and then increases, and the settlement rate increases after the settlement deformation decreases. The surface settlement deformation in the north and south ranges from 0.2% to 2.3% He, and the influence range of excavation is four times the excavation depth. The transverse constraint and longitudinal support should be strengthened as much as possible in the design of the parapet structure, and the dispersing force can reduce the transverse deflection span ratio of the parapet structure. The embedment ratio of the retaining wall should be reduced appropriately, the displacement mode of the retaining wall should be changed, and the influence of the shear strength and saturation of the soil on the surrounding surface settlement should be considered in the design.
- (4)
- The sensitivity of six factors to the deformation of foundation pit structure and its surrounding environment is studied through orthogonal experiments. The deformation of the foundation pit structure and its surrounding environment is more sensitive to the factors of excavation unloading, precipitation amplitude, and column spacing. The main mechanism of foundation pit structure and surrounding surface deformation is soil rebound caused by excavation unloading. Increasing the spacing of columns can increase the force between piles and soils and inhibit the unloading rebound of soils. Timely and orderly dewatering can not only make the soil in the foundation pit produce the unloading compression phenomenon but also make the soil in the impervious layer produce seepage consolidation, which can effectively restrain the deformation trend of the foundation pit.
- (5)
- Based on the experimental results of 18 groups in this paper, it is concluded that the areas of strong, medium, and weak influence in the pit bottom uplift after foundation pit construction are (0~0.07) × L, (0.07~0.14) × L, and (0.14~0.5) × L, respectively. In addition, when the embedment ratio is between 1.8 and 2.4, the parapet structure is in translational mode (T), and when the embedment ratio is between 2.4 and 3.4, the parapet structure is in rotation mode around the bottom (RB). Reasonable planning and application of the vertical and the reverse slab and bottom plate in foundation pit can effectively restrain the uplift deformation of the column in foundation pit and the deflection deformation of the envelope structure, and reduce the deformation impact on the surrounding environment of foundation pit.
Author Contributions
Funding
Institutional Review Board Statement
Informed Consent Statement
Data Availability Statement
Conflicts of Interest
References
- Aljanabi, H.; Imam, R.; Khorand, M. Behavior of model pile in unsaturated soil subjected to cyclic loading. Acta Geotech. 2024, 20, 583–605. [Google Scholar] [CrossRef]
- Castaldo, P.; Jalayer, F.; Palazzo, B. Probabilistic assessment of groundwater leakage in diaphragm wall joints for deep excavations. Tunn. Undergr. Space Technol. 2018, 71, 531–543. [Google Scholar] [CrossRef]
- Zhang, W.S.; Yuan, Y.; Long, M.; Yao, R.H.; Jia, L.; Liu, M. Prediction of surface settlement around subway foundation pits based on spatiotemporal characteristics and deep learning models. Comput. Geotech. 2024, 168, 106149. [Google Scholar] [CrossRef]
- Houhou, M.N.; Emeriault, F.; Belounar, A. Three-dimensional numerical back-analysis of a monitored deep excavation retained by strutted diaphragm walls. Tunn. Undergr. Space Technol. 2019, 83, 153–164. [Google Scholar] [CrossRef]
- Sun, Y.Y.; Xiao, H.J. Wall displacement and ground-surface settlement caused by pit-in-pit foundation pit in soft clays. KSCE J. Civ. Eng. 2021, 25, 1262–1275. [Google Scholar] [CrossRef]
- Boscardin, M.; Cording, E. Building response to excavation-induced settlement. J. Geotech. Eng. 1989, 115, 1–21. [Google Scholar] [CrossRef]
- Li, H.; Li, Z.; Liao, S.; Li, Z.; Zhong, H. Temporal and spatial distribution characteristics of environmental deformation in ultra-deep foundation pit in Shanghai. Chin. J. Geotech. Eng. 2023, 45, 1595–1604. [Google Scholar]
- Zheng, G. Deformation control method and engineering application of foundation pit engineering in soft soil area. J. Rock Soil Eng. 2022, 44, 1–36+201. [Google Scholar]
- Wang, D.; Ye, S.; Zhang, J. Risk Reduction Measures and Monitoring Analysis of Deep Foundation Pit with Water in a Metro Station in Hefei. Water 2023, 15, 3007. [Google Scholar] [CrossRef]
- Nicotera, M.V.; Russo, G. Monitoring a deep excavation in pyroclastic soil and soft rock. Tunn. Undergr. Space Technol. 2021, 117, 104130. [Google Scholar] [CrossRef]
- Zhao, Y.; Chen, X.; Hu, B.; Huang, L.; Lu, G.; Yao, H. Automatic monitoring and control of excavation disturbance of an ultra-deep foundation pit extremely adjacent to metro tunnels. Tunn. Undergr. Space Technol. 2023, 142, 105445. [Google Scholar]
- Dong, Y.; Luan, Y.; Wang, F.; Yang, H.; Jia, Z.; Luan, H. Monitoring and prediction of horizontal displacement of underground enclosure piles in subway foundation pits. ACS Omega 2023, 8, 23389–23400. [Google Scholar] [PubMed]
- Zhang, Q.; Ma, Y.; Zhang, B.; Tian, L.; Zhang, G. Time Series Prediction on Settlement of Metro Tunnels Adjacent to Deep Foundation Pit by Clustering Monitoring Data. KSCE J. Civ. Eng. 2023, 27, 2180–2190. [Google Scholar]
- Liu, H.; Liu, X.; Zhou, X.; Wang, L.; Wang, K.; Zhang, J.; Guo, X. Study on Spatiotemporal Evolution Laws and Deformation Characteristics of Circular Deep and Large Foundation Pits in Soft Soils. Arab. J. Sci. Eng. 2024, 49, 1–25. [Google Scholar]
- Liu, Z.; Liu, F.; Wang, Y.; Zhang, Y.; Sun, Z.; Zhang, M. Prediction of retaining structure deformation of ultra-deep foundation pit by empirical mode decomposition with recurrent neural networks. Environ. Earth Sci. 2023, 82, 553. [Google Scholar]
- Zhou, X.; Pan, Y.; Qin, J.; Chen, J.-J.; Gardoni, P. Spatio-temporal prediction of deep excavation-induced ground settlement: A hybrid graphical network approach considering causality. Tunn. Undergr. Space Technol. 2024, 146, 105605. [Google Scholar]
- Zhang, D.M.; Xie, X.C.; Li, Z.L.; Zhang, J. Simplified analysis method for predicting the influence of deep excavation on existing tunnels. Comput. Geotech. 2020, 121, 103477. [Google Scholar] [CrossRef]
- Zhang, W.; Zhang, R.; Wang, W.; Zhang, F.; Goh, A.T.C. A multivariate adaptive regression splines model for determining horizontal wall deflection envelope for braced excavations in clays. Tunn. Undergr. Space Technol. 2019, 84, 461–471. [Google Scholar] [CrossRef]
- Zhang, X.; Liu, S.Y.; Wu, K.; Cai, G.J.; Lu, T.S. Numerical analysis of influences of engineering piles on rebound deformation of foundation pit. Chin. J. Geotech. Eng. 2021, 43, 11–14. [Google Scholar]
- Leng, W.; Yao, K.; Men, X.; Xu, F.; Su, H.; Chan, J.; Ye, X. Analysis of deformation characteristics of deep foundation pit considering engineering pile effect. J. Railw. Sci. Eng. 2023, 20, 1347–1358. [Google Scholar]
- Li, H.; Ren, G.; Shen, G.; Fan, R.; Zeng, W.; Dong, B. Research on deformation control and response of deep foundation pit under complex environment. J. Chengdu Univ. Technol. (Nat. Sci. Ed.) 2023, 50, 744–755. [Google Scholar]
- Liu, G.; Wang, W. Foundation Pit Engineering Manual; China Building and Construction Press: Beijing, Beijing, 2009. [Google Scholar]
- Lim, A.; Ou, C.Y.; Hsieh, P.G. Evaluation of clay constitutive models for analysis of deep excavation under undrained conditions. J. Geo Eng. 2010, 5, 9–20. [Google Scholar]
- Cheng, K.; Xu, R.; Ying, H.; Li, B.; Gan, X.; Qiu, Z.; Zhan, X.; Qin, J. Experimental analysis of excavation behavior of a 30.2-m deep foundation pit in Hangzhou soft clay area. Chin. J. Rock Mech. Eng. 2021, 40, 851–863. [Google Scholar]
- Ying, H.; Zhu, W.; Zheng, B.; Wang, G. Calculation and distribution of active earth pressure on flexible retaining wall. Chin. J. Geotech. Eng. 2014, 36, 1–6. [Google Scholar]
- Rui, R.; Jiang, W.; Xu, Y.; Xia, R.; Edo, E.E.; Ding, R. Rigid retaining wall displacement model experimental study on the influence of soil pressure. J. Rock Mech. Eng. 2023, 42, 1534–1545. [Google Scholar] [CrossRef]
- Xu, Z. Study on Deformation Behavior of Deep Foundation Pit Combined with Supporting Structure and Main Underground Structure in Shanghai Area. Ph.D. Thesis, Shanghai Jiao Tong University, Shanghai, China, 2007. [Google Scholar]
- Qiao, Y.; Yan, K.; Zhao, T.; Ding, W. Soft soil area uplifts of characteristics and mechanism of super deep circular shaft. Rock Soil Mech. 2023, 44, 2707–2716. [Google Scholar] [CrossRef]
- Yu, H.; Li, S.; Wan, Y.; Guo, L.; Chen, Z. After add uninstall circular retaining wall under the sand, the three-dimensional stress state test study. J. Civ. Eng. 2023, 56, 35–42. [Google Scholar]
- Liang, L.; Xu, C.; Fan, X.; Chen, Q. Hyperbolic stress-strain behaviour of sandy soil under plane strain unloading condition and its application on predicting displacement-dependent active earth pressure. Comput. Geotech. 2023, 155, 105219. [Google Scholar]
- Clough, G.W. Construction Induced Movements of Insitu Wall, Design and Performance of Earth Retaining Structure; ASCE: Reston, VA, USA, 1990. [Google Scholar]
- Tan, Y.; Wang, D. Characteristics of a large-scale deep foundation pit excavated by the central-island technique in Shanghai soft clay. I: Bottom-up construction of the central cylindrical shaft. J. Geotech. Geoenvironmental Eng. 2013, 139, 1875–1893. [Google Scholar] [CrossRef]
- DGJ08-11-2018; Foundation Designcode. Tongji University Press: Shanghai, China, 2019.
- Shen, H.; Kong, Y.; Pang, J. Orthogonal test on strength of ceramide hybrid fiber concrete. J. Yangtze River Sci. Res. Inst. 2021, 38, 144–148. [Google Scholar]
- Chen, L.; Chai, Z.; Shen, Z.; Chen, Y.; Xie, C.; Li, D. In situ solidification soil combined pile composite foundation pile soil stress ratio analysis. J. Rock Mech. Eng. 2023, 42, 2578–2587. [Google Scholar] [CrossRef]























| ID | Assise | Elasticity Modulus (MPa) | Natural Weight (KN/m3) | Saturated Unit Weight (KN/m3) | Cohesionc (KPa) | Frictional Angle Φ (°) | Modulus of Unloading Rebound (MPa) |
|---|---|---|---|---|---|---|---|
| ① | Miscellaneous fill | 4.14 | 18.1 | 18.74 | 0 | 10 | 12.42 |
| ② | clay | 6.31 | 18.6 | 19.08 | 25 | 25 | 18.93 |
| ③ | Fine sand | 40 | 18.6 | 22.16 | 0 | 28 | 120 |
| ④ | Silty clay | 11.7 | 19.9 | 23.40 | 10 | 30 | 35.1 |
| ⑤ | Fine sand | 45 | 19 | 20.12 | 28 | 25 | 135 |
| ⑥ | clay | 14.6 | 19 | 20.00 | 25 | 22 | 43.8 |
| ⑦ | Sandy soil | 26.2 | 19.4 | 19.84 | 0 | 30 | 78.6 |
| ⑧ | Fine sand | 75 | 20 | 20.78 | 27 | 25 | 225 |
| ⑨ | Heavy silt clay | 25.6 | 19.9 | 20.81 | 23 | 27 | 76.8 |
| ⑩ | Sandy silt | 45.7 | 20 | 20.53 | 0 | 36 | 137.1 |
| ⑪ | Fine sand | 35.3 | 19.9 | 24.25 | 0 | 32 | 105.9 |
| Construction Phase | Construction State | Construction Schedule |
|---|---|---|
| S1 | Excavation to elevation 11 m | |
| S2 | Excavation to elevation 9 m | 2021/7–2021/11 |
| S3 | Excavation to 7 m elevation | |
| S4 | Excavation to 5 m elevation | |
| S5 | Excavation to elevation 3 m | |
| S6 | Excavation to elevation 1 m | |
| S7 | B3 roof pouring | 2021/8–2021/11 |
| S8 | Excavation to elevation 0 m | 2021/11–2022/2 |
| S9 | Excavation to elevation −2 m | |
| S10 | Excavation to elevation −5 m | |
| S11 | Excavation to elevation −7 m | |
| S12 | Excavation to elevation −9 m | |
| S13 | Excavation to elevation −11 m | |
| S14 | Spring Festival shutdown | 2022/2–2022/3 |
| S15 | Excavation to elevation −13 m | 2022/4–2022/9 |
| S16 | Excavation to elevation −14.5 m | |
| S17 | B3 Baseplate construction | |
| S18 | Excavation with reversed soil pressure |
| Level | Factor | |||||
|---|---|---|---|---|---|---|
| Depth of Foundation Pit (A)/m | Precipitation Level (B)/m | Length-Width Ratio (C) | Column Spacing (D)/m | Column Length (E)/m | Column Diameter (F)/m | |
| 1 | 20 | 8 | 1 | 10 | 35 | 1 |
| 2 | 25 | 10 | 4 | 14 | 40 | 2 |
| 3 | 30 | 12 | 8 | 18 | 45 | 3 |
| Scheme | A | B | C | D | E | F | G | H | I | J |
|---|---|---|---|---|---|---|---|---|---|---|
| 1 | 20 | 12 | 1 | 14 | 35 | 1 | 68.77 | 55.00 | 11.73 | 130.17 |
| 2 | 25 | 16 | 4 | 14 | 35 | 3 | 70.63 | 52.05 | 14.98 | 113.76 |
| 3 | 20 | 16 | 8 | 10 | 40 | 1 | 72.97 | 52.00 | 9.77 | 104.78 |
| 4 | 25 | 12 | 8 | 10 | 40 | 3 | 43.78 | 39.44 | 12.07 | 93.78 |
| 5 | 30 | 8 | 1 | 10 | 45 | 3 | 67.53 | 53.62 | 17.46 | 83.65 |
| 6 | 20 | 12 | 4 | 10 | 45 | 2 | 68.80 | 55.00 | 11.70 | 103.00 |
| 7 | 30 | 16 | 4 | 10 | 35 | 2 | 87.63 | 57.27 | 16.13 | 111.21 |
| 8 | 30 | 8 | 4 | 18 | 40 | 1 | 77.36 | 59.96 | 16.59 | 108.79 |
| 9 | 25 | 8 | 8 | 14 | 45 | 2 | 49.04 | 40.44 | 12.43 | 98.86 |
| 10 | 20 | 8 | 4 | 14 | 40 | 3 | 71.70 | 52.98 | 11.73 | 103.02 |
| 11 | 25 | 12 | 4 | 18 | 45 | 1 | 69.20 | 58.13 | 13.48 | 101.84 |
| 12 | 25 | 16 | 1 | 18 | 40 | 2 | 66.21 | 52.75 | 15.91 | 100.03 |
| 13 | 20 | 8 | 8 | 18 | 35 | 2 | 66.94 | 50.86 | 14.78 | 96.66 |
| 14 | 25 | 8 | 1 | 10 | 35 | 1 | 71.96 | 56.86 | 14.64 | 101.47 |
| 15 | 30 | 16 | 8 | 14 | 45 | 1 | 99.15 | 76.52 | 14.73 | 143.28 |
| 16 | 20 | 16 | 1 | 18 | 45 | 3 | 71.65 | 52.98 | 14.54 | 113.60 |
| 17 | 30 | 12 | 8 | 18 | 35 | 3 | 75.85 | 54.95 | 23.48 | 102.09 |
| 18 | 30 | 12 | 1 | 14 | 40 | 2 | 88.28 | 60.56 | 15.79 | 119.93 |
Disclaimer/Publisher’s Note: The statements, opinions and data contained in all publications are solely those of the individual author(s) and contributor(s) and not of MDPI and/or the editor(s). MDPI and/or the editor(s) disclaim responsibility for any injury to people or property resulting from any ideas, methods, instructions or products referred to in the content. |
© 2025 by the authors. Licensee MDPI, Basel, Switzerland. This article is an open access article distributed under the terms and conditions of the Creative Commons Attribution (CC BY) license (https://creativecommons.org/licenses/by/4.0/).
Share and Cite
Shen, H.-X.; Yang, Y.-H.; Xiang, P.; Ji, H.-G.; Liu, W.-D.; Guo, H.-J. Analysis of Temporal and Spatial Characteristics and Influencing Factors of Construction Deformation of Super-Large Deep Foundation Pit in Thick Sand Stratum. Appl. Sci. 2025, 15, 3553. https://doi.org/10.3390/app15073553
Shen H-X, Yang Y-H, Xiang P, Ji H-G, Liu W-D, Guo H-J. Analysis of Temporal and Spatial Characteristics and Influencing Factors of Construction Deformation of Super-Large Deep Foundation Pit in Thick Sand Stratum. Applied Sciences. 2025; 15(7):3553. https://doi.org/10.3390/app15073553
Chicago/Turabian StyleShen, Heng-Xiang, Ying-Hui Yang, Peng Xiang, Hong-Guang Ji, Wei-Dong Liu, and Hong-Jun Guo. 2025. "Analysis of Temporal and Spatial Characteristics and Influencing Factors of Construction Deformation of Super-Large Deep Foundation Pit in Thick Sand Stratum" Applied Sciences 15, no. 7: 3553. https://doi.org/10.3390/app15073553
APA StyleShen, H.-X., Yang, Y.-H., Xiang, P., Ji, H.-G., Liu, W.-D., & Guo, H.-J. (2025). Analysis of Temporal and Spatial Characteristics and Influencing Factors of Construction Deformation of Super-Large Deep Foundation Pit in Thick Sand Stratum. Applied Sciences, 15(7), 3553. https://doi.org/10.3390/app15073553

