Inner-Loop Controllers for Grid-Forming Converters
Abstract
1. Introduction
1.1. Grid-Following Converters
1.2. Grid-Forming Converters
1.3. Inner-Loop Controllers
- Level 3 (tertiary control): This energy production level controls the power flow between the microgrid and the grid.
- Level 2 (secondary control): This ensures that the electrical levels into the microgrid are inside the required values. In addition, it can include a synchronization control loop to seamlessly connect or disconnect the microgrid to the distribution system.
- Level 1 (primary control): The Droop control method is often used in this level to emulate physical behaviors that makes the system stable and more damped. It can include a virtual impedance control loop to emulate physical output impedance.
- Level 0 (inner control loops): Regulation issues of each module are integrated in this level. Current and voltage, feedback and feedforward, and linear and nonlinear control loops can be performed to regulate the output voltage and to control the current, while maintaining the system stable.
1.4. Virtual Impedance
2. Materials and Methods
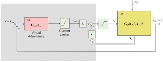
2.1. Proposed Inner-Loop Voltage Controller with Current Limiter
- Minimize the output voltage tracking error;
- Limit the inverter current during transients and short circuits;
- Implement the desired inverter output impedance characteristics;
- Attenuate the resonance frequency of the inverter’s LC filter.
2.1.1. Current Limiter Design
2.1.2. Voltage Controller Design
2.1.3. Thevenin Equivalent for Virtual Impedance Implementation
2.1.4. Norton Equivalent for Virtual Admittance Implementation
2.1.5. Virtual Impedance × Virtual Admittance
3. Results
4. Discussion and Conclusions
Author Contributions
Funding
Institutional Review Board Statement
Informed Consent Statement
Data Availability Statement
Conflicts of Interest
References
- Olivares, D.E.; Mehrizi-Sani, A.; Etemadi, A.H.; Canizares, C.A.; Iravani, R.; Kazerani, M.; Hajimiragha, A.H.; Gomis-Bellmunt, O.; Saeedifard, M.; Palma-Behnke, R.; et al. Trends in Microgrid Control. IEEE Trans. Smart Grid 2014, 5, 1905–1919. [Google Scholar] [CrossRef]
- Matevosyan, J.; Badrzadeh, B.; Prevost, T.; Quitmann, E.; Ramasubramanian, D.; Urdal, H.; Achilles, S.; MacDowell, J.; Huang, S.H.; Vital, V.; et al. Grid-Forming Inverters: Are They the Key for High Renewable Penetration? IEEE Power Energy Mag. 2019, 17, 89–98. [Google Scholar] [CrossRef]
- Wang, X.; Taul, M.G.; Wu, H.; Liao, Y.; Blaabjerg, F.; Harnefors, L. Grid-Synchronization Stability of Converter-Based Resources—An Overview. IEEE Open J. Ind. Appl. 2020, 1, 115–134. [Google Scholar] [CrossRef]
- Lasseter, R.H.; Chen, Z.; Pattabiraman, D. Grid-Forming Inverters: A Critical Asset for the Power Grid. IEEE J. Emerg. Sel. Top. Power Electron. 2020, 8, 925–935. [Google Scholar] [CrossRef]
- Xu, C.; Zou, Z.; Yang, J.; Wang, Z.; Chen, W.; Buticchi, G. Transient Stability Analysis and Enhancement of Grid-Forming and Grid-Following Converters. IEEE J. Emerg. Sel. Top. Ind. Electron. 2024, 5, 1396–1408. [Google Scholar] [CrossRef]
- Pereira, A.T.; Pinheiro, H.; Stefanello, M.; Massing, J.R.; Magnago, H.; Carnielutti, F. Microgrid Primary Controller Performance Characterization. In Real-Time Simulation and Hardware-in-the-Loop Testing Using Typhoon HIL; Tripathi, S.M., Gonzalez-Longatt, F.M., Eds.; Springer Nature Singapore: Singapore, 2023; pp. 211–254. [Google Scholar] [CrossRef]
- Paquette, A.D.; Divan, D.M. Virtual Impedance Current Limiting for Inverters in Microgrids with Synchronous Generators. IEEE Trans. Ind. Appl. 2015, 51, 1630–1638. [Google Scholar] [CrossRef]
- Rodriguez, P.; Candela, I.; Citro, C.; Rocabert, J.; Luna, A. Control of grid-connected power converters based on a virtual admittance control loop. In Proceedings of the 2013 15th European Conference on Power Electronics and Applications (EPE), Lille, France, 2–6 September 2013; pp. 1–10. [Google Scholar] [CrossRef]
- ISA95; ANSI/ISA-95.00.01-2010 Enterprise-Control System Integration Part 1: Models and Terminology. International Society of Automation (ISA): Research Triangle Park, NC, USA, 2010.
- Guerrero, J.M.; Vásquez, J.C.; Teodorescu, R. Hierarchical control of droop-controlled DC and AC microgrids—A general approach towards standardization. In Proceedings of the 2009 35th Annual Conference of IEEE Industrial Electronics, Porto, Portugal, 3–5 November 2009; pp. 4305–4310. [Google Scholar] [CrossRef]
- Guerrero, J.M.; Vasquez, J.C.; Matas, J.; Castilla, M.; Garcia de Vicuna, L. Control Strategy for Flexible Microgrid Based on Parallel Line-Interactive UPS Systems. IEEE Trans. Ind. Electron. 2009, 56, 726–736. [Google Scholar] [CrossRef]
- Li, X.; Chen, C.; Sun, Y.; Cheng, H. Low/Middle-Frequency Positive External- Damping Design Under Self-Stability Constraint for Inner Control Loop of Grid-Forming Converters. IEEE Trans. Ind. Electron. 2024, 71, 4762–4772. [Google Scholar] [CrossRef]
- Zhao, Z.; Han, Z.; Liu, X.; Yao, J.; Ji, B.; Wang, S.; Zhao, J. Optimal Tuning of the Current Loop for Dual-Loop Controlled Grid-Forming Converters Based on Active Damping Optimization. IEEE Access 2021, 9, 35801–35813. [Google Scholar] [CrossRef]
- Fan, B.; Wang, X. Equivalent Circuit Model of Grid-Forming Converters with Circular Current Limiter for Transient Stability Analysis. IEEE Trans. Power Syst. 2022, 37, 3141–3144. [Google Scholar] [CrossRef]
- Wang, J.; Chen, L.; Liu, Z.; Zhang, Z.; Zhang, X. Optimized Parameter Design of the Dual-Loop Control for Grid-Forming VSCs With LC Filters. IEEE Trans. Ind. Appl. 2022, 58, 820–829. [Google Scholar] [CrossRef]
- Deng, H.; Fang, J.; Qi, Y.; Tang, Y.; Debusschere, V. A Generic Voltage Control for Grid-Forming Converters With Improved Power Loop Dynamics. IEEE Trans. Ind. Electron. 2023, 70, 3933–3943. [Google Scholar] [CrossRef]
- Zong, S.; Luo, H.; Li, W.; He, X.; Xia, C. Theoretical Evaluation of Stability Improvement Brought by Resonant Current Loop for Paralleled LLC Converters. IEEE Trans. Ind. Electron. 2015, 62, 4170–4180. [Google Scholar] [CrossRef]
- Hammouda, C.A.; Bradai, R.; Boukenoui, R.; Kherbachi, A.; Bendib, A. Modeling and Design of Primary Control’s Inner Loops for Droop-Controlled Three-Phase Inverters within a Microgrid System. In Proceedings of the 2023 International Conference on Advances in Electronics, Control and Communication Systems (ICAECCS), BLIDA, Algeria, 6–7 March 2023; pp. 1–6. [Google Scholar] [CrossRef]
- Yang, L.; Yang, J.Q. Robust Current Control Method for LCL-Type Shunt Active Power Filters with Inverter-Side Current Feedback Active Damping. In Proceedings of the 2018 IEEE Energy Conversion Congress and Exposition (ECCE), Portland, OR, USA, 23–27 September 2018; pp. 5706–5712. [Google Scholar] [CrossRef]
- Daili, Y.; Rahmani, L.; Gaubert, J.P. Voltage control of a single distributed generation unite in autonomous mode operation under unbalance and non-linear load conditions. In Proceedings of the 2013 International Conference on Electrical Engineering and Software Applications, Hammamet, Tunisia, 21–23 March 2013; pp. 1–6. [Google Scholar] [CrossRef]
- Abou-Hussein, W.M.; Dabour, S.M.; Hamad, M.S.; Rashad, E.M. Model Predictive Control for Three-Phase Split-Source Inverter-Based Virtual Synchronous Generator. In Proceedings of the 2021 22nd International Middle East Power Systems Conference (MEPCON), Assiut, Egypt, 14–16 December 2021; pp. 648–653. [Google Scholar] [CrossRef]
- Jiao, F.; Zhang, J.; Jiang, X.; Li, X.; Yang, Y.; Xie, T. Adaptive Virtual Impedance-Based Fault Current Limiting Strategy for Grid-Forming Inverters. Cpss Trans. Power Electron. Appl. 2024, 9, 325–335. [Google Scholar] [CrossRef]
- He, J.; Li, Y.W. Analysis, Design, and Implementation of Virtual Impedance for Power Electronics Interfaced Distributed Generation. IEEE Trans. Ind. Appl. 2011, 47, 2525–2538. [Google Scholar] [CrossRef]
- Baeckeland, N.; Venkatramanan, D.; Kleemann, M.; Dhople, S. Stationary-frame Grid-forming Inverter Control Architectures for Unbalanced Fault-current Limiting. IEEE Trans. Energy Convers. 2022, 37, 2813–2825. [Google Scholar] [CrossRef]
- Wang, J.; Ma, K. Inertia and Grid Impedance Emulation of Power Grid for Stability Test of Grid-Forming Converter. IEEE Trans. Power Electron. 2023, 38, 2469–2480. [Google Scholar] [CrossRef]
- Leon, J.D.V.; Tarraso, A.; Candela, J.I.; Rocabert, J.; Rodriguez, P. Grid-Forming Controller Based on Virtual Admittance for Power Converters Working in Weak Grids. IEEE J. Emerg. Sel. Top. Ind. Electron. 2023, 4, 791–801. [Google Scholar] [CrossRef]
- Miranbeigi, M.; Kandula, P.; Divan, D. Unified Control (UniCon) Strategies for Grid-Connected Inverters. In Proceedings of the 2021 IEEE Energy Conversion Congress and Exposition (ECCE), Vancouver, BC, Canada, 10–14 October 2021; pp. 3000–3006. [Google Scholar] [CrossRef]
- Gong, H.; Wang, X. Interaction analysis and enhanced design of grid-forming control with hybrid synchronization and virtual admittance loops. iEnergy 2023, 2, 71–84. [Google Scholar] [CrossRef]
- Zeng, Y.; Xiao, Z.; Liu, Q.; Liang, G.; Rodriguez, E.; Zou, G.; Zhang, X.; Pou, J. Physics-Informed Deep Transfer Reinforcement Learning Method for the Input-Series Output-Parallel Dual Active Bridge-Based Auxiliary Power Modules in Electrical Aircraft. IEEE Trans. Transp. Electrif. 2024, 1. [Google Scholar] [CrossRef]
- Zeng, Y.; Jiang, S.; Konstantinou, G.; Pou, J.; Zou, G.; Zhang, X. Multi-Objective Controller Design for Grid-Following Converters with Easy Transfer Reinforcement Learning. IEEE Trans. Power Electron. 2025, 40, 6566–6577. [Google Scholar] [CrossRef]
- Kumar, S.; Bansal, S. Comparative study of test driven development with traditional techniques. Int. J. Soft Comput. Eng. 2013, 3, 352–360. [Google Scholar]
















| Parameter | Description | Value |
|---|---|---|
| S | rated power of the inverter | 33 kVA |
| V | rated voltage of the inverter | 220 VRMS |
| L | inductance of the output filter | 0.25 m |
| C | capacitance of the output filter | |
| sampling rate |
Disclaimer/Publisher’s Note: The statements, opinions and data contained in all publications are solely those of the individual author(s) and contributor(s) and not of MDPI and/or the editor(s). MDPI and/or the editor(s) disclaim responsibility for any injury to people or property resulting from any ideas, methods, instructions or products referred to in the content. |
© 2025 by the authors. Licensee MDPI, Basel, Switzerland. This article is an open access article distributed under the terms and conditions of the Creative Commons Attribution (CC BY) license (https://creativecommons.org/licenses/by/4.0/).
Share and Cite
Pereira, A.T.; Pacheco Meurer, A.; Pinheiro, H. Inner-Loop Controllers for Grid-Forming Converters. Appl. Sci. 2025, 15, 3007. https://doi.org/10.3390/app15063007
Pereira AT, Pacheco Meurer A, Pinheiro H. Inner-Loop Controllers for Grid-Forming Converters. Applied Sciences. 2025; 15(6):3007. https://doi.org/10.3390/app15063007
Chicago/Turabian StylePereira, Alexandre Trevisan, André Pacheco Meurer, and Humberto Pinheiro. 2025. "Inner-Loop Controllers for Grid-Forming Converters" Applied Sciences 15, no. 6: 3007. https://doi.org/10.3390/app15063007
APA StylePereira, A. T., Pacheco Meurer, A., & Pinheiro, H. (2025). Inner-Loop Controllers for Grid-Forming Converters. Applied Sciences, 15(6), 3007. https://doi.org/10.3390/app15063007

