Next Article in Journal
Stability Analysis and Support Optimization for a Coal Mine Roadway Subjected to High Horizontal Stress
Previous Article in Journal
Challenges in Generating Accurate Text in Images: A Benchmark for Text-to-Image Models on Specialized Content
 
 
Font Type:
Arial Georgia Verdana
Font Size:
Aa Aa Aa
Line Spacing:
Column Width:
Background:
Article

A Tolerance Type Screening Method Based on Similarity Evaluation

1
School of Mechanical and Electrical Engineering, Guilin University of Electronic Technology, Guilin 541004, China
2
School of Mechanical and Electrical Engineering, Liuzhou Polytechnic University, Liuzhou 545005, China
*
Author to whom correspondence should be addressed.
Appl. Sci. 2025, 15(5), 2272; https://doi.org/10.3390/app15052272
Submission received: 7 January 2025 / Revised: 15 February 2025 / Accepted: 18 February 2025 / Published: 20 February 2025

Abstract

In the context of automatic generation methods for tolerance specifications, the current approach entails designers subjectively selecting geometric tolerances suitable for annotation from the tolerance types generated through automatic reasoning. This process is susceptible to the occurrence of mismatches between tolerance types and product functionality. To address this issue, this paper proposes a similarity calculation and evaluation method for screening tolerance types, which retrieves tolerance types that meet design requirements from resource cases. The proposed method commences with the establishment of a case data structure, predicated on the tolerance design problem. This structure incorporates features for similarity comparison, encompassing tolerance element characteristics that determine tolerance types, part component element characteristics, topological relationship features of component elements, and usage performance. Concurrently, past tolerance specification problems and their design solutions are defined as resource cases, while new tolerance specification problems are defined as target cases. Subsequently, analogous elements for similarity assessment are identified in both resource and target cases. Utilizing these elements, a similarity calculation method is devised, based on feature sets, to compute the similarity between the target case and previous cases. Finally, through case implementation and comparative analysis, the proposed similarity evaluation method is verified to have significant advantages in case discrimination ability.

1. Introduction

Similarity is a phenomenon widely existing in nature, social economy, and engineering fields [1,2]. In the field of mechanical engineering, when two objects are similar, the methods and strategies for solving problems can often be borrowed from each other, or even be exactly the same [2]. This similarity brings convenience to decision-makers and can effectively shorten the decision-making time [3,4]. For example, in the part design process, using the method of similarity comparison can significantly improve the efficiency of part design [5,6,7]. In the process research of additive manufacturing, optimizing the experimental design scheme with the help of similarity-based design can accelerate the process of process research and improve the research efficiency [8]. In a mechanical fault diagnosis system, by conducting similarity assessments and developing a fault-type library based on them, the accuracy of fault diagnosis can be greatly improved [9,10].
In terms of tolerance specification design, the reasonable determination of geometric tolerance type, tolerance principle, and tolerance value of parts is helpful to improve product quality and reduce manufacturing cost, among which the determination of part tolerance type is the basis for determining the tolerance principle and tolerance value. However, there is still an obvious deficiency in the current study of computer-aided generation tolerance type: The computer will reason to obtain all the tolerance types that match the characteristics of the assembly. There are too many indicators, and, in the actual labeling, further manual screening is required [11]. Due to the differences in designer experience and ability, this situation may increase the uncertainty and decision difficulty in product development. Therefore, it is still an important challenge for computer-aided tolerance design.
The tolerance specifications for parts are usually closely related to the structural features (shape features of tolerance elements, direction, and position with reference benchmarks, etc.) and the working characteristics of the parts. Parts with the same structural features and working characteristics can usually adopt the same tolerance type. Therefore, a similarity assessment method based on feature measurement can be established to screen the tolerance types of parts. The tolerance type obtained through rule-based automatic reasoning is regarded as the target case, while the existing engineering practice cases and the cases of expert design results are regarded as resource cases. The similarity assessment method is used to evaluate the similarity between the design target case and the resource cases, and the resource case with the highest similarity is selected as the reference or reused for the design target case, thus realizing the screening of tolerance types.
In summary, this paper proposes a similarity calculation evaluation method for screening tolerance types. By using resource cases with similar structural and functional characteristics as a basis for designers to select tolerance types, it helps avoid the selection of tolerance types that do not meet the performance requirements of the product, while also reducing the decision-making difficulty for designers.
The remainder of this paper is organized as follows. In Section 2, an overview of related work such as the similarity assessment method and tolerance type screening is provided. Section 3 introduces the similarity evaluation strategy for screening tolerance types. By analyzing the formation of tolerance schemes, we define tolerance specification design resource schemes (resource schemes) and tolerance design target schemes (target schemes) and identify them as similarity evaluation objects and similar elements within these evaluation objects. Additionally, we analyze the similar elements, determine the sub-similar elements of each, and form a set of similar elements. Based on this, we establish similarity measurement formulas for each similar element and between evaluation objects. Section 4 reports the prototype implementation framework and case validation of the method. Section 5 discusses and analyzes the proposed method.

2. Related Work

2.1. Similarity Assessment

Similarity assessment refers to quantitative analysis or qualitative analysis of the degree of similarity between two or more objects [1,2]. In mechanical engineering, similarity can be expressed in geometric shape, physical characteristics, functional performance, etc. Design optimization, knowledge reuse [4,5], fault diagnosis [3], and reliability analysis can be accomplished by evaluating similarities between different mechanical systems, components, or processes. Commonly used similarity evaluation methods include the cosine similarity method [12,13], distance method [14], Jaccard similarity coefficient method [15,16], etc. Jeon et al. [12] analyzed and optimized the detection path of the part by using the cosine similarity between feature vectors that can describe the characteristics of the geometric shape model; Cardone et al. [14] used the distance method to evaluate the similarity between two parts and conducted tolerance accuracy design based on the similarity degree. Huang et al. [16] used the Jaccard similarity coefficient method to evaluate topological geometric feature similarity, and combined feature similarity evaluation with data mining of computer-aided manufacturing models to realize the reuse of NC machining processes. The ontology constructs a representation model of complex products, realizes case retrieval and design reuse, and improves the retrieval efficiency and design efficiency of complex products.
Currently, Currently, there is little related research in the area of tolerance specification design using similarity. The scholars Qin et al. [17]. constructed a tolerance specification case ontology, on the basis of which they tried to utilize similarity for case reasoning to realize the intelligent design of tolerance specification. The paper considered the similarity of three attributes, such as tolerance element features, part constituent element features, and spatial relationship features of an assembly part when performing case similarity retrieval, but the use of attribute features such as contact and motion of assembly feature surfaces, and the relative size attributes of tolerance elements, all affect the determination of tolerance types. For this reason, the tolerance specification design cases obtained from the above search do not necessarily match the actual working scenario of the part.

2.2. Tolerance Type Screening

In the field of tolerance specification design knowledge, there are multiple alternative tolerance types for the same assembly feature element. However, in engineering practice, only the tolerance types that meet the functional requirements of the product are required to be labeled on the assembly feature elements of a part. For this reason, in computer-aided tolerance specification design, designers are required to optimize the tolerance types obtained from automatic reasoning. This usually boils down to two categories.
Alternative optimization method. This method is commonly used in tolerance design methods based on technology and topology-related surfaces (RRTSs) [18,19] and design methods based on assembly positioning constraints [19,20,21,22]. The characteristic of alternative optimization is that the determination of shape tolerances is still based on the empirical rules provided by ASMY14.5-1994 [23] and the standards of ISO 1101:2012 [24]. However, the selection of shape tolerances increases the difficulty of decision-making for designers. The available shape tolerance types for cylindrical surfaces include roundness, cylindricity of the cylindrical surface, straightness of the axis, and straightness of the cylindrical surface in the axial plane. Choosing which tolerance type to use from above will cause confusion for designers, and this process will inevitably increase the difficulty of their decision-making.
Screening Optimization. This method is commonly used in tolerance specification design methods based on inference rules [11,25,26] especially in methods for the automatic generation of tolerance specifications based on ontology [17,26]. First, tolerance domain knowledge is used to infer all tolerance classes that match assembly feature elements. On this basis, the designer screens the tolerance types based on the type of tolerance zone and the intuitiveness of the tolerance symbols, the working characteristics of the mating parts, and the freedom of the tolerance bands, and, finally, optimizes to obtain the marked tolerances of the parts.
From the above review, it is clear that the existing tolerance type screening methods still require designers to subjectively screen tolerance types based on their design experience, and it is still a challenge to reduce the subjective involvement of designers in the tolerance design process and screen out tolerance types that match the work scenarios.
In summary, this paper uses the OWL ontology language [27,28] based on tolerance domain knowledge to represent past tolerance specification problems and their scenarios as resource cases, and at the same time considers the problems representing each new tolerance specification as target cases. Similar objects for case retrieval are selected by combining the main decision elements of tolerance specification design, and the similarity metric is improved to increase the accuracy of similarity retrieval, which provides methodological support for the final determination of tolerance types to reduce the subjectivity of designers.

3. Similarity Assessment Strategies

This section introduces a method strategy for similarity evaluation aimed at implementing tolerance-type screening. A crucial aspect of implementing similarity assessment is determining the evaluation object and its corresponding similarity elements. For selecting tolerance types, the evaluation objects for similarity elements encompass resource tolerance specification design cases and target tolerance design cases.

3.1. Tolerance Specification Scheme

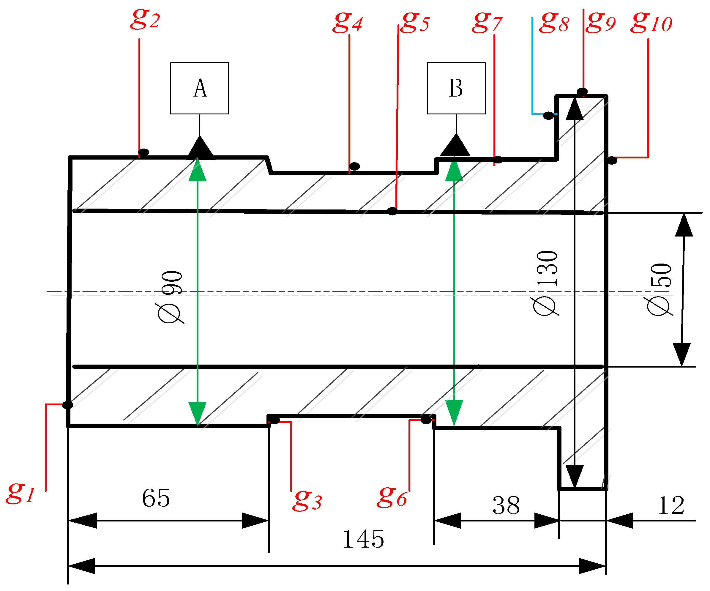
The core of tolerance specification design is to make the tolerance specification scheme of a part conform to the functional requirements (e.g., geometric tolerance requirements) of the assembly. Where geometric functional requirements are the basis for meeting other functional requirements. The similarity assessment method for screening tolerance types proposed in this paper is related to the basis and process of determining the tolerance type of a part, on the basis of which a tolerance specification case is constructed. The process for determining the tolerance type of parts is depicted in Figure 1. Taking the shaft sleeve in Figure 2 as an illustrative example, the process of determining the tolerance type is concisely elucidated.
First, identify the feature elements of the part that require tolerance design (referred to as tolerance elements in this paper). This bushing has six assembly feature surfaces: planar surfaces g1, g3, and g5, external cylindrical surfaces g2, g4, and internal cylindrical surface g6. The main function is to rotate and seal. g3 and g4 are the main working surfaces that connect the seals. In this example, the g3 feature surface is selected as the tolerance feature element.
Establishment of datum reference frame: Usually, the axis of shaft parts is chosen as the datum reference frame. According to the functional characteristics of the needs and dimensional characteristics, in Figure 1, the natural choice of the axis of the cylindrical surface g2 to establish the datum reference frame “A”; the root assembly seals of the work characteristics, the need to determine the direction of the position between the two tolerance elements of the g3 and g4 needs, according to the relative size of the relationship between the selected axis of the outer cylindrical surface g2 as a reference frame of reference “B”.
Determine the tolerance type of all tolerance elements: tolerance element g3 plane, ideal direction position perpendicular to the reference datums “A” and “B”, optional shape tolerance is flatness, relative to the datum “A” optional tolerance types are perpendicularity, positional degree, end face runout, end face full runout. Considering the functional requirements, full runout of the end face under reference “A” and perpendicularity under reference “B” are selected for g3.
Element g3, the basic elements for describing tolerance type problems are a tolerance element (g3), a part containing the characteristics of the tolerance element and all its constituent elements, and the spatial topological relationship between the tolerance element and the reference datum. The strategy for solving the problem is described as a benchmark framework (“A” and “B”) with tolerance types (full-face runout and squareness). According to the tolerance standards ISO 1101 [24] or ASME Y14.5 [23], the reference frame for the datum includes single datum, double datum, and triple datum.
Based on the above analysis, formally, Tdf, Tds, and Tdt are used to represent the first, second, and third benchmarks of tolerance elements, respectively. Et is the tolerance element, P represents the part containing assembly feature elements, Rt represents the spatial topological relationship, Ac represents the constituent elements of the part, and Ft represents the functional characteristics. The problem description of determining the tolerance type is composed of five tuples: Et, P, Rt, Ac, and Ft. Tdf, Tds, A, and Tdt description of the solution to the problem consists of four tuples including Tt. Based on the perspective of similarity reasoning, the above-mentioned Tdf, Tds, Tdt, Et, P, Rt, Ac, and Ft can be used to represent the target case; previous resource cases can be represented by Tdf, Tds, Tdt, Tt, Et, P, Rt, Ac, and Ft.
Therefore, the formal representations of geometric tolerance project resource cases and target cases are defined as follows:
Define tolerance resource case. A tolerance resource case is defined as an eleven tuple Tc = (N, D, Tdf, Tds, Tdt, Tt, Et, P, Rt, Ac, Ft).
Where Tt denotes the type of tolerance, Rt denotes the spatial topological relationship between the tolerance element and the datum element, and Ac denotes the component element of the part; Ft denotes the working characteristics of the part, Et denotes the tolerance element, N is the case number, D is the designer, and Tdf, Tds, and Tdt denote the first, second and third datums of the tolerance element, respectively. Et is the tolerance element, and P denotes the element of the assembly feature. P is the part that contains the assembly feature element. From the case representation, it can be seen that the case is an 11-tuple data structure: Et, P, Rt, Ac, and Ft, and the other five tuples constitute the tolerance specification case Tc on the characteristics of the tolerance design problem description; Tdf, Tds, Tdt, and Tt and other four tuples constitute the problem-solving programmer description.
Define two target cases. The target case can be defined as an 8-tuple of To = (Tdf, Tds, Tdt, Et, P, Rt, Ac, Ft). The meaning of each tuple in To is consistent with the meaning in resource case Tc. After the benchmark is determined, factors such as Et, Rt, Ac, and Ft are the key factors determining the tolerance scheme.
Figure 2 shows an example of a resource case. Assuming the resource case number is “HC0001” and the designer is “Liugh”. According to Definition 1, the resource cases in Figure 1 can be described as follows:
Tc = (HC0001, Liugh, A, Verticality, g3, P, {Vertical, {Vertical, Parallel, Vertical, Parallel, Vertical, Parallel}}, {g1, g2, g3, g4, g5, g6}, Ft), Rotating motion, medium speed rotation.

3.2. Determination of Similar Elements

Using similarity to achieve the evaluation of tolerance types for the desired purpose, the selection of similar elements that reflect the solution of the problem is one of the key tasks. Selecting similar elements that reflect the solution to the problem is one of the key tasks. Based on the above analysis, it can be concluded that four types of features, including the shape characteristics of the selected tolerance elements, the spatial relationships of the tolerance elements, the functional use of the parts, and the composition elements related to the complexity of the part structure, are selected as similar elements.

3.2.1. Tolerance Element Similarity Elements

The types of tolerance elements are tolerance points (center points of spheres), tolerance lines (derived element lines), spheres, planes (derived element surfaces), rotational surfaces, cylindrical surfaces, prismatic surfaces, spirals, and free-form surfaces. In the field of tolerance design, tolerance types have a mapping relationship with tolerance elements [25], as shown in Table 1 (“Δ” represents a mapping relationship). For this purpose, the similar elements of the tolerance elements are transformed into the set of tolerance types linked to the tolerance elements.
In practice, the relative size between the characteristic dimensions of tolerance elements and the overall dimensions of the part (referred to as relative scale, represented by Qp) also affects the selection of tolerance types. He described the importance of tolerance elements relative to the overall part, which has a guiding significance for determining geometric tolerance benchmarks. To achieve this, it is necessary to consider the relative scale and consider the relative scale of tolerance elements as an element of similar tolerance elements. Thus, the tolerance element similarity element is defined as Et = {{tolerance type | associated tolerance type}, relative scale}.
The commonly used relative scale is calculated by Equation (1). Among them, for the convenience of calculation, simplified formulas are applied for cylindrical and conical surfaces: the calculation formula for the relative scale of cylindrical surfaces is shown in Equation (2); the relative scale calculation formula for a cone is shown in Equation (3).
Q p = S V 3
where S denotes the area of the tolerance element and V denotes the volume of the part.
Cylinder:
Q p = L D
where L is the height of the cylindrical surface and D is the diameter of the feature size of the cylindrical surface.
Cone:
Q p = H D 1 D 2
where H is the height of the cone, D1 is the diameter of the large end of the cone, and D2 is the diameter of the small end.
The relative scale varies within a certain range. When treating relative scale as a similarity element, it is necessary to classify the relative scale. In this study, the relative scale is divided into 8 levels as shown in Table 2.

3.2.2. Spatially Related Similar Elements

The types of position and orientation tolerances of the tolerance elements are associated with the orientation and position between the reference datums [20], as shown in Table 3. The spatial relationship between the tolerance element and the reference datum is expressed in seven types such as perpendicular, parallel, oblique intersection, coincident, contained, dissimilar, and separated. For this reason, according to Table 3, the spatial relationship similarity element can be transformed into the tolerance type that can be adopted by the tolerance element, and its similarity element is defined as Ro = {tolerance type | tolerance type of tolerance element associated with the reference datum element}.
Usually, the more similar the structure of the part, the higher the degree of similarity of its tolerance design, and the higher the degree of similarity of the direction and location relationship between the component elements of the part and the reference datum. For this reason, when screening tolerance types for similarity assessment, it is also necessary to consider the spatial relationship between the other constituent elements of the part and the reference elements, and the spatial relationship constitutes the similarity element defined as Rc = {spatial relationship | spatial relationship between the constituent elements and the reference datum}.
The spatial similarity elements for the entire similarity evaluation are defined as Rt = {Ro, Rc}.

3.2.3. Component Similarity Element

The constituent elements of a part are one of the basic features of a part, and the constituent feature elements of a part can be classified into seven categories such as spheres, planes, rotational surfaces, cylindrical surfaces, prismatic surfaces, helixes, and free-form surfaces. Then the similarity element of the component elements of the part is defined as Ac = {Component elements | Component feature elements of the part}.

3.2.4. Functional Characteristic Similarity Element

The kinematic characteristics of the part and the contact characteristics of the tolerance feature element are the important basis for selecting the tolerance type of the tolerance element. For example, if the assembly characteristics of the tolerance feature element are movable connection and rotary motion, the tolerance feature element usually adopts radial full jump as the labeling tolerance [23]. In summary, the assembly connection characteristics of the tolerance element (fixed connection, rotary motion, linear motion), and the motion characteristics of the part (low-speed rotary motion, medium-speed rotary motion, and high-speed rotary motion) can be taken as the functional characteristics for similarity assessment. Then, the functional characteristic similarity element is defined as Ft = {functional characteristic | connection characteristic of assembly feature, kinematic functional characteristic of part}.

3.3. Similarity Assessment of Similar Elements

According to the above analysis of the composition of similarity elements, their similarity elements are a set, and the similarity can be described by the degree of similarity of the set elements. If the evaluation objects are a and b, and their similarity elements are set A and set B, respectively, then, based on the semantic set similarity evaluation method proposed by Rodríguez and Egenhofer [24], Sanchez et al. [25], this paper proposes the similarity calculation formula shown in Equation (4):
S ( a , b ) = 1 log 2 1 + α f ( A \ B ) + β f ( B \ A ) f ( A B ) + α f ( A \ B ) + β f ( B \ A )
where α + β = 1 and ɑ, β ≥ 0. S(a,b) = 1 when A = B and S(a,b) = 0 when AB = Ø (empty set).
The above Formula (4) takes into account the effect of the differences among similar tuples on the similarity, and also the extent to which the set of differences (A/B) and (B/A) between the two sets A and B affects the similarity. In order to verify the rationality of Formula (4), starting from the evaluation of the similarity degree of part structures, two legends are designed, as shown in Table 1. The structural similarities of the two parts are calculated, respectively, using the calculation formulas in References [24,25] and Formula (4) proposed in this paper, and the calculation results are shown in Table 1.
As can be seen from Table 4, the values obtained using the evaluation methods in references [29,30] are 0.67 and 0.5945, respectively. The evaluation value calculated using Equation (4) is 0.585, which is the smallest among the three. The smaller the similarity value, the stricter the similarity evaluation and the stronger the recognition ability of the part structure in the case base.
In order to select the tolerance types that meet the working requirements of the product from a series of tolerance types that meet the characteristics of the tolerance elements, and to realize the design of the tolerance specification of the tolerance elements, it is necessary to carry out the similarity assessment between the proposed tolerance specification and the resource tolerance specification based on the target tolerance elements. In order to better realize the similarity assessment between the resource case and the proposed target case, firstly, the similarity assessment is carried out according to different similarity elements separately, secondly, the similarity of different similarity elements is linearly combined to form the overall similarity assessment between the resource case and the proposed target case, and, finally, according to the results of the similarity assessment, the resource case is selected to realize the selection of tolerance types. In this section, firstly, the similarity assessment methods of different similarity elements are determined, and, finally, the weights of different similarity assessments are determined by using hierarchical analysis and a linear combination is constructed to obtain the similarity assessment calculation formula for screening tolerance types.

3.3.1. Similarity of Similar Elements of Tolerance Elements

The similar tuple of tolerance elements of the resource case and the target case is denoted by (Etc, Eto), where SEtc is used to denote the set of multiple characteristics of the tolerance element Etc in the resource case Tc, and SEto is used to denote the set of multiple characteristics of the tolerance element Eto in the target case To. In terms of tolerance specification design, the difference set (SEtc\SEto) between the set of similar features SEtc in the resource case and the set of similar features SEto in the target case has the same importance as (SEto\SEtc). According to Equation (4), its similarity is calculated as Equation (5):
S ( E t c , E t o ) = 1 log 2 1 + 0.5 f ( S E t c \ S E t o ) + 0.5 f ( S E t o \ S E t c ) f ( S E t c S E t o ) + 0.5 f ( S E t c \ S E t o ) + 0.5 f ( S E t o \ S E t c )

3.3.2. Similarity Assessment of Spatially Related Similar Tuples

According to the analysis in Section 3.2.2, the spatial similarity element R has two sub-similarity elements Ro and Rc. Ro,tc represents the spatial similarity element Ro under resource conditions, and Ro,to represents the regional similarity element Ro under target conditions. SRo,tc and SRo,to, respectively, represent the sets of elements in similar elements Ro,tc and Ro,to. In the process of tolerance specification design, the difference sets (SRo,tc\SRo,to) and (SRo,to\SRo,tc) between SRo,tc and SRo,to have the same significance for determining tolerance types, and their impact on the similarity between Ro,tc and Ro,to is the same. According to Equation (4), the similarity evaluation values of similar tuples (Ro,tc, Ro,to) are obtained, as shown in Equation (6):
S ( R o , t c , R o , t o ) = 1 log 2 1 + 0.5 f ( S R o , t c \ S R o , t o ) + 0.5 f ( S R o , t o \ S R o , t c ) f ( S R o , t c S R o , t o ) + 0.5 f ( S R o , t c \ S R o , t o ) + 0.5 f ( S R o , t o \ S R o , t c )
The resource case similarity element Rc is represented by Rc,tc, and the similarity element Rc in the target case is represented by Rc,to. Use sets SRo,tc and SRo,to to represent the feature elements in similar elements Rc,tc, Rc,to, respectively. In the process of tolerance specification design, the difference set (SRc,tc\SRc,to) and (SRc,to\SRc,tc) between SRc,tc and SRc,to have the same significance for determining the tolerance type. The similarity calculation formula for similar elements (Rc,tc, Rc,to) is obtained, as shown in Equation (7):
S ( R c , t c , R c , t o ) = 1 log 2 1 + 0.5 ( S R c , t c \ S R c , t o ) + 0.5 f ( S R c , t o \ S R c , t c ) f ( S R c , t c S R c , t o ) + 0.5 f ( S R c , t c \ S R c , t o ) + 0.5 f ( S R c , t o \ S R c , t c )
Use Rto to represent similar elements in the target case To, and Rtc to represent similar elements in the resource case Tc. The similarity evaluation of similar tuples (Rtc, Rto) can be seen as a linear combination of the similarity evaluations of two similar elements, Ro and Rc. As can be seen from the previous analysis, the similarity evaluation formula for the spatial relationship between resource cases and target cases is shown in (8):
S ( R t c , R t o ) = λ S ( R c , t c , R c , t o ) + ( 1 + λ ) S ( R o , t c , R o , t o ) = λ 1 log 2 1 + 0.5 f ( S R c , t c \ S R c , t o ) + 0.5 f ( S R c , t o \ S R c , t c ) f ( S R c , t c S R c , t o ) + 0.5 f ( S R c , t c \ S R c , t o ) + 0.5 f ( S R c , t o \ S R c , t c ) + 1 λ 1 log 2 1 + 0.5 f ( S R o , t c \ S R o , t o ) + 0.5 f ( S R o , t o \ S R o , t c ) f ( S R o , t c S R o , t o ) + 0.5 f ( S R o , t c \ S R o , t o ) + 0.5 f ( S R o , t o \ S R o , t c )
Among them, λ is the weight coefficient, 0 ≤ λ ≤ 1, and the value of λ is analyzed using the Delta method, as shown in Equation (9).
S ( R t c , R t o ) = 0.7825 1 log 2 1 + 0.5 f ( S R c , t c \ S R c , t o ) + 0.5 f ( S R c , t o \ S R c , t c ) f ( S R c , t c S R c , t o ) + α f ( S R c , t c \ S R c , t o ) + α f ( S R c , t o \ S R c , t c ) + 0.2175 1 log 2 1 + 0.5 f ( S R o , t c \ S R o , t o ) + 0.5 f ( S R o , t o \ S R o , t c ) f ( S R o , t c S R o , t o ) + 0.5 f ( S R o , t c \ S R o , t o ) + 0.5 f ( S R o , t o \ S R o , t c )

3.3.3. Similarity Calculation of Constituent Elements

The constituent similarity element of the resource case Tc is denoted by Acc, and the constituent similarity element of the target case To is denoted by Aco; (Acc, Aco) denotes the case constituent similarity tuple, with the set of elements of the similarity element of Acc denoted by SAcc, and the set of elements of the set of elements of the similarity element of Aco denoted by SAco. The difference between these two sets (SAco\SAcc) and (SAcc\SAco) has the same degree of influence on the similarity. Then, from Equation (4), when α = β = 0.5, the similarity of the component elements of the part is calculated as shown in Equation (10):
S ( A c c , A c o ) = 1 log 2 1 + 0.5 f ( S A c c \ S A c o ) + 0.5 f ( S A c o \ S A c c ) f ( S A c c S A c o ) + 0.5 f ( S A c c \ S A c o ) + 0.5 f ( S A c o \ S A c c )

3.3.4. Calculation of Functional Feature Similarity

The functional characteristic similarity element of the resource case Tc is denoted by Ftc, and the functional characteristic similarity element of the target case To is denoted by Fto; (Ftc, Fto) denotes the case assessment functional characteristic similarity tuple, the set of elements of the Ftc similarity element is denoted by SFtc, and the set of elements of the Fto similarity element is denoted by SFto. The difference between these two sets (SFtc\SFto) and (SFto\SFtc) affects the similarity assessment to the same extent. From Equation (4), α = β = 0.5; therefore, the similarity of functional characteristics is calculated as shown in Equation (11):
S ( F t c , F t o ) = 1 log 2 1 + 0.5 f ( S F t c \ S F t o ) + 0.5 f ( S F t o \ S F t c ) f ( S F t c S F t o ) + 0.5 f ( S F t c \ S F t o ) + 0.5 f ( S F t o \ S F t c )

3.4. Calculation of Similarity Between Resource Cases and Target Cases

The overall similarity S(Tc, To) between the resource case and the target case is shown in Equation (12):
S T c , T o = ω 1 S E t c , E t o + ω 2 S R t c , R t o + ω 3 S A c c , A c o + ω 4 S F t c , F t o
Among them 0 ≤ ω1, ω2, ω3, ω4 ≤ 1 and ω1 + ω2 + ω3 + ω4 = 1, ω1, ω2, ω3, and ω4 are the weight coefficients of tolerance element similarity S(Etc, Eto), spatial relationship similarity S(Rtc, Rto), part component element similarity S(Acc, Aco), and part functional feature similarity S(Ftc, Fto), respectively. According to Equation (14), the overall similarity value of the case is determined by the values of four weight coefficients ω1, ω2, ω3, and ω4, as well as the values of four local similarities. Usually, the impact of local similarity on the overall similarity of a case is not equal. In order to determine the importance of local similarity in case similarity, similar elements in the case are selected as evaluation factors, and an evaluation factor set is established: ζ = {Et, Rt, At, Ft}. On this basis, determine Et. The relative importance between various evaluation factors such as Rt, At and Ft are determined using the data processing method of Analytic Hierarchy Process [31] to determine the values of weight coefficients ω1, ω2, ω3, and ω4.
According to the Analytic Hierarchy Process [26], the final set of ordered weight coefficients is ω = {0.3994, 0.3599, 0.0812, 0.1595}. The overall similarity calculation formula for geometric tolerance cases is shown in Equation (13):
S T c , T o = 0.3994 × S E t c , E t o + 0.3599 × S R t c , R t o + 0.0812 × S A c c , A c o + 0.1595 × S F t c , F t o

4. Instance Verification

4.1. Instance Validation Programmer

The prerequisite for screening tolerance types using similarity assessment is to establish a tolerance specification design case base, and then, on this basis, the case retrieval is carried out using the similarity assessment method proposed in this paper. The types of tolerance elements are determined by retrieving the tolerance specification design cases, whose example validation framework is shown in Figure 3.
Part P3 is a part of the punch press assembly model drawing shown in Figure 4. In this section, the assembly element g8 of Part P3 is used as an example (Figure 5) to introduce how to filter the tolerance type using the method proposed in this paper. Using the automatic reasoning method of tolerance types provided in the literature [32], it is reasoned that the tolerance types of tolerance element g8 are straightness, flatness, endface runout, full endface runout, perpendicularity, and position. When annotating tolerance types, only some of them are needed. The content of Section 4.2 introduces the similarity evaluation method proposed in this article, and the implementation process of screening and obtaining annotated tolerance types.

4.2. Verification

4.2.1. Constructing a Sample Library of Geometric Tolerance Design Cases

In engineering practice, common parts can be divided into three categories based on their shape characteristics: box type, shaft type, and disc type. The case sample library can be constructed according to the above three categories. In order to facilitate the verification of the method proposed in this article, only shaft-type parts are considered. Case samples are designed as shown in Table 5, and different working conditions are simulated. Different experts are selected for tolerance specification design to obtain tolerance specification design cases. A total of 50 sample cases were obtained.

4.2.2. Ontologisation of a Sample Library of Tolerance Cases

In order to facilitate intelligent screening, the Protege5.5 [33] ontology software is used to develop a tolerance specification resource case ontology, and instantiation is carried out to obtain an assembly part geometric tolerance case ontology library. The case ontology can be self-built and reused, and this article chooses to reuse the ontology. According to the similarity calculation proposed in this article, the OWL ontology description logic language is reused to assert resource cases and target cases, as shown in Equations (14) and (15), respectively. At the same time, corresponding classes and class assertions are added, such as using functional classes and element relative scale classes, whose assertions are shown in Equations (16) and (17), respectively. Based on this, implement class editing and instantiation to obtain an ontology case library.
SourceTSCase ≡ Case ⋀ ∃ hasNumber.Number ⋀ ∃ hasDesigner.Designer ⋀(14)
       ∃ hasDatum.Datum ⋀ ∃ hasTolType.TolType ⋀
       ∃ hasTolPrinciple.TolPrinciple ⋀
       ∃ hasTolerancedElements.TolerancedElements ⋀
       ∃ hasPart.Part ⋀ ∃ hasPartFeature.RealFeature ⋀
       ∃ hasTopRelation.TopRelation ⋀ ∃ hasFunction.Function
Similarly, the DL term assertion for the target case is presented as Equation (15) below:
TargetTSCase ≡ Case ⋀ ∃ hasDatum.Datum ⋀(15)
       ∃ hasTolerancedElements.TolerancedElements ⋀
       ∃ hasPart.Part ⋀ ∃ hasPartFeature.IntegratedFeature ⋀
       ∃ hasTopRelation.TopRelation ⋀ ∃ hasFunction.Function
“Number” refers to number, “Designer” refers to designer, and “Part” refers to part. All of these are atomic concepts; SourceTSCase means resource tolerance specification case, TargetTSCase means target tolerance specification case, and RealFeature means actual constituent elements, which are complex concepts.
The DL term assertion of functional characteristics is as shown in Equation (16):
Function ≡ FixedConstraints ⋀ LowSpeedRotationalOfPart ⋀(16)
     MedSpeedRotationalOfPart ⋀ highSpeedRotationalOfPart ⋀
     RotationOfTolerancedElement ⋀ LinearMotionOfTolerancedElement
Among them, FixedConstraints represents fixed connection of tolerance elements, RotationOfTolerancedElement represents the rotational motion of the tolerance element, LowSpeedRotationalOfPart represents the low-speed rotational motion of the part, LinearMotionOfTolerancedElement represents the linear motion of the tolerance element, MediumSpeedRotationalOfPart represents the medium-speed rotational motion of the part, HighSpeedRotationalOfPart represents the high-speed rotational motion of the part, and HighSpeedRotationalOfPart represents the high-speed rotational motion of the part. HighSpeedRotationalOfPart represents the high-speed rotational motion of the part.
The DL term assertion of the relative scale level of each characteristic element of the part is as shown in Equation (17).
RelativeScale ≡ UltraShortLevel ⋀ MediumShortLevel ⋀ ShortLevel ⋀(17)
       ConventionalLevel ⋀ LongLevel ⋀ SlenderLevel ⋀
       MediumLongLevel ⋀ MoreLongLevel
Among them, UltraShortLevel, MediumShortLevel, ShortLevel, ConventionalLevel, LongLevel, MediumLongLevel, MoreLongLevel, and SlimLevel represent eight levels: ultra-short, medium-short, short, conventional, long, medium-long, more-long, and slender.

4.2.3. Extract the Information of Part Feature Elements and Establish the Target Geometric Tolerance Specification Case

Based on the assembly characteristics of part P3, the dimensional data, and the ontology of the assembly geometric tolerance information from the literature [32], the instantiation is performed, the datum generation rules are input, and the reference datum of the part is obtained by inference, as shown in Figure 5. The tolerance elements of the part are obtained through the assembly contact relationship in addition to the datum feature surfaces g2 and g7, as well as the inner cylindrical surface g5, the end face g8, and the axis Ag5 of the inner cylindrical surface g5.
Part P3 is at rest in the assembly, but feature surface g5 is formed as a movable connection with part P4, and the contact elements have relatively medium-speed linear motion. By calling the API interface provided by the CAD design system, the geometrical information of each constituent element of the part, the dimensional element information, and the spatial constraint information of each constituent element and the reference element are extracted. On this basis, the target case is instantiated in the case ontology model.
Taking the tolerance element g8 shown in Figure 4 as an example, this target tolerance specification case is represented as To = (A−B, null, null, g8, P3, (PerRelation, (PerRelation, CoiRelation, PerRelation, PerRelation, CoiRelation, CoiRelation PerRelation, CoiRelation, CoiRelation, PerRelation, CoiRelation, PerRelation, CoiRelation, CoiRelation))), (g1, g2, g3, g4, g5, g6, g7, g8, g9, g10), FixedConstraints)). The instantiation is then performed in the protege 5.5 software.

4.2.4. Similarity Assessment Retrieval

Using the similarity evaluation formula, construct a retrieval algorithm to retrieve resource cases from the database with a similarity threshold greater than 0.85. The search algorithm description is shown in Table 6.

4.2.5. Geometric Tolerance Resource Case Search

A similarity threshold t equal to 0.85 is set and tolerance specification cases larger than this threshold are searched. After reviewing the resource case with the largest similarity, the tolerance type of its tolerance element is shown in Figure 6. The tolerance specification of this case can provide a reference for the tolerance specification design of the target part.

4.2.6. Determination of the Tolerance Type of the Target Tolerance Element

As can be seen from Figure 6, the tolerance type of the tolerance element is flatness and perpendicularity. The target tolerance element g8 shown in Figure 5 is automatically generated by reasoning, and six tolerance types, such as straightness, flatness, end face runout, end face full runout, perpendicularity and positional tolerance, are obtained, which are compared with the tolerance types of the resource cases and screened to obtain the tolerance types in line with the target tolerance elements, and the tolerance type of the tolerance element g8 of the final determination of the tolerance element of the part P3 is flatness and perpendicularity.

5. Discussion

5.1. Comparative Analysis with or Without Relative Scales

As shown in Figure 7, Figure 7a is the target case; Figure 7b,c are the resource cases. The tolerance elements of the target case and the resource cases are cylindrical feature surfaces. According to the method of tolerance element similarity assessment proposed in this paper, the set of tolerance element similarity elements of the target case is SEto = {cylindricity, coaxiality, full runout, medium-long}, the set of tolerance element similarity elements of the resource case 7b is SEtc1 = {straightness, roundness, cylindricity, coaxiality, runout, circular runout, medium-long}, and the set of tolerance element similarity elements of the resource case 7c is SEtc2 = {linearity, circularity, cylindricity, coaxiality, runout, circular runout, more-long}. Without considering the relative scale, the sets of tolerance element similarity elements SEto, SEtc1, and SEtc2 have the elements “medium-long”, “medium-long”, and “more-long” removed, respectively.
Using Equation (4), calculate the similarity between the target case and the resource cases as shown in Table 7. Considering the relative scale, SY(Etc1, Eto) is 0.6523 and SY(Etc2, Eto) is 0.4594, calculated by using Equation (4), while SN(Etc1, Eto) is equal to SN(Etc2, Eto) without considering the relative scale and its similarity evaluation value is 0.5850.
From the above comparative analysis of similarity assessment, it can be seen that, without considering the relative scale, the similarity between the target part in Figure 7a and the case parts in Figure 7b and Figure 7c, respectively, are equal. However, after considering the relative scales of the tolerance elements, there is a significant difference in the similarity between them. The addition of the relative scale similarity element to the set of tolerance element similarity elements results in a more discriminating similarity assessment, and, the larger its value, the more similar the structural shape of the parts.

5.2. Comparative Analysis of Evaluation Calculation Methods

Taking Figure 7 as an example, compare and analyze the differences between the similarity evaluation formula in this article and the method provided in reference [17]. According to the similarity element analysis, the tolerance element set, spatial relationship set, composition element set, and usage function set of the target case are obtained separately. At the same time, the tolerance element set, spatial relationship set, composition element set, and usage function set of the case are obtained, as shown in Table 8.
The similarity between target part 1 and case part 1 and case part 2 is calculated according to Equations (5), (9)–(11), and (13), respectively, and the calculation results are shown in Table 9. According to the calculation results, it can be seen that, for the same target case, the similarity assessment method proposed in this paper, the similarity assessment value between the tolerance specification case shown in Figure 7b, and the target case shown in Figure 7a is 0.7678, while the similarity assessment value between the tolerance specification case shown in Figure 7c and the target case shown in Figure 7a is 0.7841, which is shown in Table 8. The resource case has a more practical reference value than the resource case with a low similarity value because the use function of the resource case part Figure 7c is consistent with the use function of the target part Figure 7a, and the type of tolerance applied in the case is more in line with the screening requirements. While using the calculation method proposed in the literature [17], the similarity assessment values obtained by the calculation results are equal, and the value is 1. The similarity assessment results have no differentiation and cannot provide better guidance for the screening of tolerance types of the target case.

6. Conclusions

In this paper, a similarity assessment method for screening tolerance types is proposed. This method evaluates the similarity from four aspects, such as tolerance elements, component elements, the spatial relationship of elements, and use performance, and obtains four sub-similarity evaluation index values, on the basis of which the weights of each sub-similarity are determined by using the hierarchical analysis method for the linear combination, and the similarity evaluation expression for screening tolerance types is obtained. Finally, through the implementation of the case, a specific implementation step of how to use the similarity assessment method proposed in this paper to screen the tolerance type is described, and the effectiveness of the method is verified. Through comparative analysis, it can be seen that the similarity assessment method proposed in this paper has a relatively strong performance in distinguishing resource cases and can provide reliable resource cases for tolerance designers to screen the types of target tolerance elements and avoid decision-making errors.
The method proposed in this paper has distinctive characteristics of use in determining similarity metrics. In determining the similarity comparison meta-set, the professional domain knowledge of tolerance specification design is comprehensively considered: first, the mapping relationship between tolerance type and tolerance element and the directional position mapping relationship between tolerance type and tolerance element and tolerance datum in the process of tolerance specification design is fully utilised to transform the similarity assessment of tolerance element into the similarity assessment of tolerance type; Secondly, the influence of the relative scale between the geometric dimensions of the tolerance element and those of the adjacent elements on the similarity assessment is taken into account, and the calculation method for the relative scale and the application method of its calculation results in the set of similarity elements are constructed. Thirdly, when determining the similarity elements of the spatial topological relationship of the part, the spatial topological relationships between the tolerance feature and the datum, as well as those between other constituent elements of the part and the datum, are considered separately to establish the corresponding sub-similarity elements. Fourthly, the service performance of the parts with geometric tolerances is taken into consideration.
In validating the method proposed in this paper, the selected case validation part type is a shaft part. The effectiveness of the method when applied to complex box-type parts still needs to be further verified. In the subsequent research, the focus will be on further exploring the application of the method in the design of tolerance specification schemes for boxed parts, with the aim of refining the similarity assessment method proposed in this paper for screening tolerance types. At the same time, the use of group manufacturing [34] resources to effectively establish a case base of tolerance specification design resources is an important research direction for future research work.

Author Contributions

Conceptualization, G.L. and M.H.; methodology, G.L.; validation, G.L., and M.H.; formal analysis, G.L.; investigation, G.L.; data curation, G.L.; writing—original draft preparation, G.L.; writing—review and editing, G.L. and M.H.; visualization, M.H.; supervision, Z.T.; project administration, G.L.; funding acquisition, M.H. and Z.T. All authors have read and agreed to the published version of the manuscript.

Funding

This work was supported by the National Natural Science Foundation of China (No. 52165064) and (No. 522650674).

Institutional Review Board Statement

Not applicable.

Informed Consent Statement

Not applicable.

Data Availability Statement

The data are contained within the article.

Acknowledgments

We would like to acknowledge our supervisor, Meifa Huang, for her guidance in writing the manuscript and Zhemin Tang for providing technical information to support the writing of this paper.

Conflicts of Interest

The authors declare no conflict of interest.

References

  1. Kolodner, J.L. An Introduction to Case-based Easoning. Artif. Intell. Rev. 1992, 6, 3–34. [Google Scholar] [CrossRef]
  2. Qin, S.; Zhang, Y.; Zhang, H. Similarity Theory and Its Application in Mechanical Engineering. Int. J. Front. Eng. Technol. 2022, 4, 75–78. [Google Scholar] [CrossRef]
  3. Rodríguez-Padial, N.; Marín, M.M.; Domingo, R. Improvement of Industrial Maintenance Plans through Assistance-Driven Reliability-Centered Maintenance and Case-Based Reasoning Design. Electronics 2024, 13, 639. [Google Scholar] [CrossRef]
  4. Hong, T.; Lee, K.; Kim, S.; Chu, C.; Lee, H. Similarity Comparison of Mechanical Parts. Comput.-Aided Des. Appl. 2005, 2, 759–768. [Google Scholar] [CrossRef]
  5. Li, C.; Wang, D.; Yang, W. Case Representation and Retrieval for Complex Product Design Based on Case-based Reasoning. J. Intell. Fuzzy Syst. 2022, 43, 2985–3002. [Google Scholar] [CrossRef]
  6. Chhim, P.P.; Chinnam, R.B.; Sadawi, N. Product Design and Manufacturing Process Based Ontology for Manufacturing Knowledge reuse. Intell. Manuf. 2019, 30, 905–916. [Google Scholar] [CrossRef]
  7. Hu, Z.; Rao, C.; Tao, C.; Childs, P.R.; Zhao, Y. A Case-based Decision Theory Based Process Model to Aid Product Conceptual Design. Clust. Comput. 2017, 22, 10145–10162. [Google Scholar] [CrossRef]
  8. Liu, R.; Liu, S.; Zhang, X. Unsupervised Learning of Part Similarity for Goal-Guided Accelerated Experiment Design in Metal Additive Manufacturing. arXiv 2023, arXiv:2308.01524. [Google Scholar] [CrossRef]
  9. Marins, M.A.; Ribeiro, F.M.; Netto, S.L.; Da Silva, E.A. Improved Similarity-Based Modeling for the Classification of Rotating-Machine Failures. J. Frankl. Inst. 2018, 355, 1913–1930. [Google Scholar] [CrossRef]
  10. Khan, M.J.; Hayat, H.; Awan, I. Hybrid Case-base Maintenance Approach for Modeling Large Scale Case-based Reasoning systems. Hum.-Centric Comput. Inf. Sci. 2019, 9, 1–25. [Google Scholar] [CrossRef]
  11. Qie, Y.; Qiao, L.; Cui, Y.; Anwer, N. A Domain Ontology for Assembly Tolerance Design. In Proceedings of the 2017 ASME International Mechanical Engineering Congress and Exhibition, Tampa, FL, USA, 3–9 November 2017; Volume 2. [Google Scholar]
  12. Hyesung, J.; Jinwon, L.; Jeongsam, Y. A Touch-probe Path Generation Method Through Similarity Analysis Between the Feature Vectors in New and Old Models. J. Mech. Sci. Technol. 2016, 30, 4705–4716. [Google Scholar] [CrossRef]
  13. Lei, T.; Peng, W.; Lei, J.; Xiao, Q. A Similarity Analysis Method of The Non-isomorphism Generalized Module in Product Platform. Proc. Inst. Mech. Eng. Part B J. Eng. Manuf. 2018, 232, 358–370. [Google Scholar] [CrossRef]
  14. Cardone, A.; Gupta, S.K.; Deshmukh, A.; Karnik, M. Machining feature-based similarity assessment algorithms for prismatic machined parts. Comput.-Aided Des. 2006, 9, 954–972. [Google Scholar] [CrossRef]
  15. Song, Z.; Kusiak, A. Mining pareto-optimal modules for delayed product differentiation. Eur. J. Oper. Res. 2010, 201, 123–128. [Google Scholar] [CrossRef]
  16. Huang, R.; Zhang, S.; Bai, X.; Xu, C.; Huang, B. An Effective Numerical Control Machining Process Reuse Approach by Merging Feature Similarity Assessment and Data Mining for Computer-aided Manufacturing Models. Proc. Inst. Mech. Eng. Part B J. Eng. Manuf. 2015, 229, 1229–1242. [Google Scholar] [CrossRef]
  17. Qin, Y.; Lu, W.; Qi, Q.; Liu, X.; Huang, M.; Scott, P.J.; Jiang, X. Towards an Ontology-supported Case-based Reasoning Approach for Computer-aided Tolerance Specification. Knowl.-Based Syst. 2018, 141, 129–147. [Google Scholar] [CrossRef]
  18. Desrochers, A.; Clement, A. A dimensioning and Tolerancing Assistance model for CAD/CAM systems. Int. J. Adv. Manuf. Technol. 1994, 9, 352–361. [Google Scholar] [CrossRef]
  19. Sarigecili, M.I.; Roy, U.; Rachuri, S. Interpreting the Semantics of GD&T Specifications of a Product for Tolerance analysis. Comput.-Aided Des. 2014, 47, 72–84. [Google Scholar] [CrossRef]
  20. Anselmetti, B. Generation of Functional Tolerancing Based on Positioning Features. Comput. Aided Des. 2006, 38, 902–919. [Google Scholar] [CrossRef]
  21. Cao, Y.; Zhang, H.; Li, B.; Wu, Z.; Yang, J. Study on Functional Specification Scheme on Interface Based on Positioning Features. Proceedings of the Institution of Mechanical Engineers. Part B J. Eng. Manuf. 2013, 227, 745–753. [Google Scholar] [CrossRef]
  22. Ma, N.; Yang, B.; Li, J.; Liu, Y.; Wang, D.; Gao, C. Transfer Method of Geometric Tolerance Items Based on Assembly joints. Int. J. Adv. Manuf. Technol. 2021, 117, 1689–1708. [Google Scholar] [CrossRef]
  23. ASME Y14.5.1-1994; Dimensioning and Tolerancing. American Society of Mechanical Engineers: New York, NY, USA, 1994.
  24. ISO 1101:2012; Geometrical Product Specifications (GPS)—Geometrical Tolerancing—Tolerances of Form, Orientation, Location and Run-Out. International Organization for Standardization: Geneva, Switzerland, 2012.
  25. Zhang, Y.; Li, Z.; Gao, J.; Hong, J. New Reasoning Algorithm for Assembly Tolerance Specifications and Corresponding Tolerance Zone Types. Comput. Aided Des. 2011, 43, 1606–1628. [Google Scholar] [CrossRef]
  26. Qin, Y.; Lu, W.; Qi, Q.; Liu, X.; Huang, M.; Scott, P.J.; Jiang, X. Towards a Tolerance Representation Model for Generating Tolerance Specification Schemes and Corresponding Tolerance Zones. Int. J. Adv. Manuf. Technol. 2018, 97, 801–1821. [Google Scholar] [CrossRef]
  27. Peng, Z.; Huang, M.; Zhong, Y.; Chen, L.; Liu, G. A New Method for Interoperability and Conformance Checking of Product Manufacturing Information. Comput. Electr. Eng. 2020, 85, 106650. [Google Scholar] [CrossRef]
  28. Yang, L.; Cormican, K.; Yu, M. Ontology Learning for Systems Engineering Body of Knowledge. IEEE Trans. Ind. Inform. 2021, 17, 1039–1047. [Google Scholar] [CrossRef]
  29. Rodriguez, M.A.; Egenhofer, M.J. Determining Semantic Similarity Among Entity Classes From Different Ontologies. IEEE Trans. Knowl. Data Eng. 2003, 15, 442–456. [Google Scholar] [CrossRef]
  30. Sánchez, D.; Batet, M.; Isern, D.; Valls, A. Ontology-based Semantic Similarity: A new Feature-based Approach. Expert Syst. Appl. 2012, 39, 771. [Google Scholar] [CrossRef]
  31. Tavana, M.; Soltanifar, M.; Santos-Arteaga, F.J. Analytical Hierarchy Process: Revolution and Evolution. Ann. Oper. Res. 2023, 326, 879–907. [Google Scholar] [CrossRef]
  32. Liu, G.; Huang, M.; Su, W. A Tolerance Specification Automatic Design Method for Screening Geometric Tolerance Types. Appl. Sci. 2024, 14, 1302. [Google Scholar] [CrossRef]
  33. Stanford Center for Biomedical Informatics Research of Stanford University. Protégé 5.5.0[EB/OL]. Available online: http://protege.stanford.edu (accessed on 3 March 2024).
  34. Guo, S.; Du, B.; Peng, Z.; Huang, X.; Li, Y. Manufacturing Resource Combinatorial Optimization for Large Complex Equipment in Group Manufacturing: A Cluster-based Genetic Algorithm. Mechatronics 2015, 31, 101–115. [Google Scholar] [CrossRef]
Figure 1. Flowchart for determining tolerance types.
Figure 1. Flowchart for determining tolerance types.
Applsci 15 02272 g001
Figure 2. Tolerance element model diagram for bushing.
Figure 2. Tolerance element model diagram for bushing.
Applsci 15 02272 g002
Figure 3. The framework for screening tolerance types for similarity assessment.
Figure 3. The framework for screening tolerance types for similarity assessment.
Applsci 15 02272 g003
Figure 4. The schematic diagram of the punch assembly model.
Figure 4. The schematic diagram of the punch assembly model.
Applsci 15 02272 g004
Figure 5. The tolerance elements for part P3.
Figure 5. The tolerance elements for part P3.
Applsci 15 02272 g005
Figure 6. The geometric tolerance types in the case with the highest similarity.
Figure 6. The geometric tolerance types in the case with the highest similarity.
Applsci 15 02272 g006
Figure 7. The geometric tolerance types in the case with the highest similarity.
Figure 7. The geometric tolerance types in the case with the highest similarity.
Applsci 15 02272 g007
Table 1. Mapping matrix of tolerance types and tolerance element characteristics.
Table 1. Mapping matrix of tolerance types and tolerance element characteristics.
Tolerance TypePointLinePlaneCylinderSphereRevolvePrismComplex Surface
Straightness ΔΔΔ ΔΔ
Flatness Δ
Roundness ΔΔΔ
Cylindricity Δ
Line Contour ΔΔ
Surface Contour ΔΔ
parallelism ΔΔ
perpendicularity ΔΔ
inclination ΔΔ
axialityΔΔ
positionalityΔΔΔ
Runout ΔΔ
Total Runout ΔΔ
Symmetry Δ
Table 2. Relative scale value grade table of tolerance elements.
Table 2. Relative scale value grade table of tolerance elements.
SymbolQp1Qp2Qp3Qp4Qp5Qp6Qp7Qp8
range of values≤0.250.25–0.50.5–0.750.75–1.251.25–22–2.752.75–3.5≥3.5
Relative scale levelUltra-shortMedium-shortshortconventionallongMedium-longMore-longslender
Table 3. Mapping matrix of direction position tolerance and feature space relationship.
Table 3. Mapping matrix of direction position tolerance and feature space relationship.
Tolerance TypeCoincideIncludeSeparationParallelVerticallyOblique CrossingNon-Coplanar
Parallelism Applsci 15 02272 i001 Δ
Perpendicularity Applsci 15 02272 i002 Δ
inclination Applsci 15 02272 i003 Δ
Coaxiality Applsci 15 02272 i004Δ
Positionality Applsci 15 02272 i005ΔΔΔΔ Δ
Runout Applsci 15 02272 i006Δ ΔΔ
Total Runout Applsci 15 02272 i007Δ ΔΔ
Symmetry Applsci 15 02272 i008ΔΔ Δ
Table 4. Similarity values of different similarity evaluation methods.
Table 4. Similarity values of different similarity evaluation methods.
LegendElement SetLiterature [29]Literature [30]Equation (4)
Applsci 15 02272 i009Cylindrical surface; Cylindrical surface; relative scale Qp6;0.670.59450.5850
Applsci 15 02272 i010Cylindrical surface; Cylindrical surface; relative scale Qp7;
Table 5. Case sample model.
Table 5. Case sample model.
Cord NO.12345
DraftApplsci 15 02272 i011Applsci 15 02272 i012Applsci 15 02272 i013Applsci 15 02272 i014Applsci 15 02272 i015
Table 6. The similarity assessment retrieval algorithm.
Table 6. The similarity assessment retrieval algorithm.
underlying supportUnderlying support: historical case library, which includes the case ontology containing n geometric tolerance specification cases
importTo (target tolerance specification case), t (similarity threshold), S (Overall similarity formula for calculating the similarity between Tc,k and To)
outputTop N+ resource tolerance specification cases that are most similar to To (sorted by descending order of similarity)
algorithmInitiate the similarity list: create a list SimList to store each historical case Tc,k take part in To similarity.
Calculate similarity: for each resource tolerance specification case Tc,k (k from 1 to n):
Use the overall similarity calculation formula S to calculate Tc,k take part in To similarity between.
Add the calculated similarity to SimList and compare it with case Tc,k corresponding.
Screening similar cases:
Traverse the SimList to find all historical tolerance specifications with a similarity greater than or equal to threshold t, and store these cases and their similarity values in a temporary list FilteredList.
Sort and output:
Sort the cases in FilteredList in descending order of similarity value. If the number of cases in FilteredList is greater than N+, only output the first N+ cases; otherwise, output all cases in FilteredList.
Table 7. The similarities of tolerance elements considering relative scale or not.
Table 7. The similarities of tolerance elements considering relative scale or not.
Targete CaseResource CasesSY(Etc,Eto)SN(Etc,Eto)
7a7b0.65230.5850
7c0.45940.5850
Table 8. Similar elements of target part tolerance elements and case part tolerance elements.
Table 8. Similar elements of target part tolerance elements and case part tolerance elements.
LegendTolerance Element SetRelative Spatial Relation SetComponent SetFeature Set
Between Tolerance Element and Datum (Converted to Tolerance Type)Between the Constituent Elements and Datum
Figure 7a{cylindricity, coaxiality, total runout, Medium-long}{coaxiality, runout,
total runout, parallelism, position}
{Vertical, Overlapping, Vertical, Vertical}{plane, cylinder, plane, cylinder, plane}{High speed rotation, active contact}
Figure 7bA collection of all case tolerances:
{straightness, roundness, cylindricity, coaxiality, runout, circular runout, medium-long}
{coaxiality, runout,
total runout, parallelism, position}
{Vertical, Overlapping, Vertical, Vertical}{plane, cylinder, plane, cylinder, plane}{Fixed, active contact}
Figure 7cA collection of all case tolerances:
{straightness, roundness, cylindricity, coaxiality, runout, circular runout, more-long}
{coaxiality, runout,
total runout, parallelism, positionality}
{Vertical, Overlapping, Vertical, Vertical}{plane, cylinder, plane, cylinder, plane}{High speed rotation, active contact}
Table 9. The results of similarity assessment between the target tolerance specification case and the resource case.
Table 9. The results of similarity assessment between the target tolerance specification case and the resource case.
Resource CasesS(Etc, Eto)S(Rtc, Rto)S(Acc, Aco)S(Ftc, Fto)S(Tc, To)Literature [17]
7b0.6523110.41500.76781
7c0.45941110.78411
Disclaimer/Publisher’s Note: The statements, opinions and data contained in all publications are solely those of the individual author(s) and contributor(s) and not of MDPI and/or the editor(s). MDPI and/or the editor(s) disclaim responsibility for any injury to people or property resulting from any ideas, methods, instructions or products referred to in the content.

Share and Cite

MDPI and ACS Style

Liu, G.; Huang, M.; Tang, Z. A Tolerance Type Screening Method Based on Similarity Evaluation. Appl. Sci. 2025, 15, 2272. https://doi.org/10.3390/app15052272

AMA Style

Liu G, Huang M, Tang Z. A Tolerance Type Screening Method Based on Similarity Evaluation. Applied Sciences. 2025; 15(5):2272. https://doi.org/10.3390/app15052272

Chicago/Turabian Style

Liu, Guanghao, Meifa Huang, and Zhemin Tang. 2025. "A Tolerance Type Screening Method Based on Similarity Evaluation" Applied Sciences 15, no. 5: 2272. https://doi.org/10.3390/app15052272

APA Style

Liu, G., Huang, M., & Tang, Z. (2025). A Tolerance Type Screening Method Based on Similarity Evaluation. Applied Sciences, 15(5), 2272. https://doi.org/10.3390/app15052272

Note that from the first issue of 2016, this journal uses article numbers instead of page numbers. See further details here.

Article Metrics

Back to TopTop