Cascadable First-Order and Second-Order Inverse Filters Based on Second-Generation Voltage Conveyors
Abstract
1. Introduction
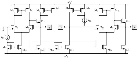
2. Second-Generation Voltage Conveyor (VCII)
3. Proposed Cascadable Voltage-Mode Inverse Filters
3.1. First-Order VM Inverse Filter Realization
3.2. Second-Order VM Inverse Filter Realization
4. Proposed Cascadable Current-Mode Inverse Filters
4.1. First-Order CM Inverse Filter Realization
4.2. Second-Order CM Inverse Filter Realization
5. Tracking Error Analysis
6. Parasitic Element Analysis
6.1. Parasitic Effects on VM Inverse Filter Realization
6.2. Parasitic Effects on CM Inverse Filter Realization
7. Simulation Verification of Filter Responses
8. Experimental Verification
9. Conclusions
Author Contributions
Funding
Institutional Review Board Statement
Informed Consent Statement
Data Availability Statement
Acknowledgments
Conflicts of Interest
Abbreviations
| VM | Voltage mode |
| CM | Current mode |
| VCII | Second-generation voltage conveyor |
| LP | Lowpass |
| HP | Highpass |
| BP | Bandpass |
| AP | Allpass |
| ILP | Inverse lowpass |
| IHP | Inverse highpass |
| IBP | Inverse bandpass |
| IBS | Inverse bandstop |
| IAP | Inverse allpass |
| PI | Proportional-integral |
| PD | Proportional-derivative |
| PID | Proportional-integral-derivative |
| TAM | Trans-admittance mode |
| R | Resistor |
| C | Capacitor |
| Z | Impedance |
| N/A | Not available |
| OA | Operational amplifier |
| FTFN | Four-terminal floating nullor |
| CCII | Second-generation current conveyor |
| CDTA | Current differencing transconductance amplifier |
| CFOA | Current feedback operational amplifier |
| MCFOA | Modified current feedback operational amplifier |
| CDBA | Current differencing buffered amplifier |
| OTA | Operational transconductance amplifier |
| OTRA | Operational transresistance amplifier |
| VDTA | Voltage differencing transconductance amplifier |
| VCVS | Voltage-controlled voltage source |
| SW | Analog switch |
| IC | Integrated circuit |
| TSMC | Taiwan Semiconductor Manufacturing Company |
| N(s) | Numerator polynomials |
| G0 | Gain |
| ω0 | Cut-off frequency |
| f0 | Pole frequency |
| Q | Quality factor |
| dB | Decibel |
| dBV | Voltage decibel |
| MC | Monte Carlo |
References
- Leuciuc, A. Using nullors for realisation of inverse transfer functions and characteristics. Electron. Lett. 1997, 33, 949–951. [Google Scholar] [CrossRef]
- Chipipop, B.; Surakampontorn, W. Realisation of current-mode FTFN-based inverse filter. Electron. Lett. 1999, 35, 690–692. [Google Scholar] [CrossRef]
- Wang, H.Y.; Lee, C.T. Using nullors for realisation of current-mode FTFN-based inverse filters. Electron. Lett. 1999, 35, 1889–1890. [Google Scholar] [CrossRef]
- Abuelma’atti, M.T. Identification of cascadable current-mode filters and inverse-filters using single FTFN. Frequenz 2000, 54, 284–289. [Google Scholar]
- Shah, N.A.; Malik, M.A. FTFN-based dual inputs current-mode allpass inverse filters. Indian J. Radio Space Phys. 2005, 34, 206–209. [Google Scholar]
- Shah, N.A.; Rather, M.F. Realization of voltage-mode CCII-based allpass filter and its inverse version. Indian J. Pure Appl. Phys. 2006, 44, 269–271. [Google Scholar]
- Shah, N.A.; Quadri, M.; Iqbal, S.Z. High output impedance current-mode allpass inverse filter using CDTA. Indian J. Pure Appl. Phys. 2008, 44, 893–896. [Google Scholar]
- Gupta, S.S.; Bhaskar, D.R.; Senani, R.; Singh, A.K. Inverse active filters employing CFOAs. Electr. Eng. 2009, 91, 23–26. [Google Scholar] [CrossRef]
- Wang, H.Y.; Chang, S.H.; Yang, T.Y.; Tsai, P.Y. A novel multifunction CFOA-based inverse filter. Circuits Syst. 2011, 2, 14–17. [Google Scholar] [CrossRef]
- Gupta, S.S.; Bhaskar, D.R.; Senani, R. New analogue inverse filters realised with current feedback op-amps. Int. J. Electron. 2011, 98, 1103–1113. [Google Scholar] [CrossRef]
- Garg, K.; Bhagat, R.; Jaint, B. A novel multifunction modified CFOA based inverse filter. In Proceedings of the 2012 IEEE 5th Indian International Conference on Power Electronics (IICPE), Delhi, India, 6–8 December 2012. [Google Scholar]
- Nasir, A.R.; Ahmad, S.N. A new current-mode multifunction inverse filter using CDBAs. Int. J. Comput. Sci. Infor. Sec. 2013, 11, 50–52. [Google Scholar]
- Pandey, R.; Pandey, N.; Negi, T.; Garg, V. CDBA based universal inverse filter. ISRN Electron. 2013, 2013, 181869. [Google Scholar] [CrossRef]
- Tsukutani, T.; Sumi, Y.; Yabuki, N. Electronically tunable inverse active filters employing OTAs and grounded capacitors. Int. J. Electron. Lett. 2014, 4, 166–176. [Google Scholar] [CrossRef]
- Patil, V.; Sharma, R.K. Novel inverse active filters employing CFOAs. Int. J. Sci. Res. Dev. 2015, 3, 359–360. [Google Scholar]
- Sharma, A.; Kumar, A.; Whig, P. On the performance of CDTA based novel analog inverse low pass filter using 0.35 μm CMOS parameter. Int. J. Sci. Tech. Manag. 2015, 4, 594–601. [Google Scholar]
- Tsukutani, T.; Kunugasa, Y.; Yabuki, N. CCII-based inverse active filters with grounded passive components. J. Electr. Eng. 2018, 6, 212–215. [Google Scholar] [CrossRef][Green Version]
- Singh, A.K.; Gupta, A.; Senani, R. OTRA-based multi-function inverse filter configuration. Advances Electr. Electron. Eng. 2017, 15, 846–856. [Google Scholar] [CrossRef]
- Kumar, P.; Pandey, N.; Paul, S.K. Realization of resistorless and electronically tunable inverse filters using VDTA. J. Circuits Syst. Comput. 2019, 28, 1950143. [Google Scholar] [CrossRef]
- Pradhan, A.; Sharma, R.K. Generation of OTRA-based inverse all pass and inverse band reject filters. Proc. Natl. Acad. Sci. India Sect. A Phys. Sci. 2020, 90, 481–491. [Google Scholar] [CrossRef]
- Bhagat, R.; Bhaskar, D.R.; Kumar, P. Inverse band reject and all pass filter structure employing CMOS CDBAs. Int. J. Eng. Res. Tech. 2019, 8, 39–44. [Google Scholar]
- Bhagat, R.; Bhaskar, D.R.; Kumar, P. Multifunction filter/inverse filter configuration employing CMOS CDBAs. Int. J. Recent Tech. Eng. 2019, 8, 8844–8853. [Google Scholar] [CrossRef]
- Kamat, D.V. New operational amplifier based inverse filters. In Proceedings of the Third International Conference Electronics Communication Aerospace Technology Coimbatore, Delhi, India, 12–14 June 2019; pp. 1177–1181. [Google Scholar]
- Banerjee, S.; Borah, S.S.; Ghosh, M.; Mondal, P. Three novel configurations of second order inverse band reject filter using a single operational transresistance amplifier. In Proceedings of the 2019 IEEE Region 10 Conference (TENCON 2019), Kerala, India, 17–20 October 2019; pp. 2173–2178. [Google Scholar]
- Borah, S.S.; Singh, A.; Ghosh, M. CMOS CDBA based 6th order inverse filter realization for low-power applications. In Proceedings of the 2020 IEEE Region 10 Conference (TENCON 2020), Osaka, Japan, 16–19 November 2020; pp. 11–16. [Google Scholar]
- Kumar, P.; Pandey, N.; Paul, S.K. Electronically tunable VDTA-based multi-function inverse filter. Iran. J. Sci. Technol.–Trans. Electr. Eng. 2021, 45, 247–257. [Google Scholar] [CrossRef]
- Raj, A.; Bhagat, R.; Kumar, P.; Bhaskar, D.R. Grounded-capacitor analog inverse active filters using CMOS OTAs. In Proceedings of the 2021 8th International Conference Signal Process Integrated Networks (SPIN), Noida, India, 26–27 August 2021; pp. 778–783. [Google Scholar]
- Paul, T.K.; Roy, S.; Pal, R.R. Realization of inverse active filters using single current differencing buffered amplifier. J. Sci. Res. 2021, 13, 85–99. [Google Scholar] [CrossRef]
- Al-Absi, M.A. Realization of inverse filters using second generation voltage conveyor (VCII). Analog Integr. Circuits Signal Process. 2021, 109, 29–32. [Google Scholar] [CrossRef]
- Al-Shahrani, S.M.; Al-Absi, M.A. Efficient inverse filters based on second-generation voltage conveyor (VCII). Arabian J. Sci. Eng. 2022, 47, 2685–2690. [Google Scholar] [CrossRef]
- Nako, J.; Psychalinos, C.; Minaei, S. Single-input multiple-output inverse filters designs with cascade capability. Int. J. Electron. Commun. (AEÜ) 2024, 175, 155061. [Google Scholar] [CrossRef]
- Safari, L.; Yuce, E.; Minae, S.; Ferri, G.; Stornelli, V. A second-generation voltage conveyor (VCII)-based simulated, grounded inductor. Int. J. Circuit Theory Appl. 2020, 48, 1180–1193. [Google Scholar] [CrossRef]
- Faseehuddin, M.; Shireen, S.; Sali, S.H.M.; Tangsrirat, W. Novel lossless positive/negative grounded capacitance multipliers using VCII. Elektron. Ir Elektrotechnika 2023, 29, 19–26. [Google Scholar] [CrossRef]
- Faseehuddin, M.; Shireen, S.; Herencsar, N.; Tangsrirat, W. Novel FDNR, FDNC and lossy inductor simulators employing second generation voltage conveyor (VCII). Int. J. Numer. Model. Electron. Netw. Devices Fields 2023, 36, e3100. [Google Scholar] [CrossRef]
- Analog Devices, AD844: 60 MHz, 2000 V/μs, Monolithic op amp with Quad Low Noise. Available online: https://www.analog.com/media/en/technical-documentation/data-sheets/AD844.pdf (accessed on 29 June 2022).















| Ref./ Year | Order of Filter | Type of Filter | Cascadable (Explicitly Low Output Impedance) | Gain Tunable | No. of Active Components | No. of Passive Components | Technology | Supply Voltages (V) | Power Dissipation (mW) |
|---|---|---|---|---|---|---|---|---|---|
| [1]/1997 | 2nd | IHP | yes | no | 1 OA | 4R + 2C | N/A | N/A | N/A |
| [6]/2006 | 1st | IAP | no | no | 1 CCII | 2R + 1C | AD844 | N/A | N/A |
| [8]/2009 | 2nd | ILP, IBP, IHP, IBS | yes | yes (ILP, IBP, IHP) | 3 CFOA | 4R + 2C | AD844 | ±12 | N/A |
| [9]/2011 | 2nd | ILP, IBP, IHP | yes | yes | 3 CFOA | ILP: 3R + 2C, IBP: 2R + 4C, IHP: 3R + 3C | AD844 | ±12 | N/A |
| [10]/2011 | 2nd | ILP, IBP, IHP, IBS | yes | yes (ILP, IBP, IHP) | 3 CFOA | ILP: 3R + 2C, IBP: 4R + 2C, IHP, IBS: 5R + 2C | AD844 | ±12 | N/A |
| [11]/2012 | 2nd | ILP, IBP, IHP | yes | yes | 3 MCFOA | ILP: 3R + 2C, IBP, IHP: 3R + 3C | TSMC 0.25 μm | ±1.25, +0.8 | N/A |
| [13]/2013 | 2nd | ILP, IBP, IHP, IBS, IAP | no | yes | 2 CDBA | ILP: 4R + 2C, IBP: 3R + 3C, IHP: 2R + 4C, IBS, IAP: 4R + 4C | AD844 | ±10 | N/A |
| [14]/2014 | 2nd | ILP, IBP, IHP | no | yes | ILP, IBP: 6 OTA, IHP: 5 OTA | 2C | MOSIS 0.5 μm | ±1.8 | 1.33~2.0 |
| [15]/2015 | 2nd | ILP, IBP, IHP, IBS | yes | yes | 2 CFOA | ILP, IBP, IHP: 4R + 2C, IBS: 6R + 2C | AD844 | N/A | N/A |
| [17]/2018 | 2nd | ILP, IBP, IHP | yes | yes | ILP, IBP: 6 CCII, IHP: 5 CCII | ILP, IBP: 6R + 2C, IHP: 5R + 2C | MOSIS 0.5 μm | ±1.85 | 7.01~10.2 |
| [18]/2018 | 2nd | ILP, IBP, IHP | no | yes (ILP, IBP) | 2 OTRA | ILP, IBP: 4R + 2C, IHP: 3R + 3C | TSMC 0.18 μm | N/A | N/A |
| [19]/2018 | 2nd | ILP, IBP, IHP, IBS | no | no | ILP, IBP, IBS: 3 VDTA, IHP: 2 VDTA | 2C | TSMC 0.18 μm | ±0.9 | N/A |
| no | no | Unified filter: 4 VDTA, 2 SW | 3C | ||||||
| [20]/2019 | 2nd | IBS, IAP | no | no | 2 OTRA | 4(6)R + 3(4)C | TSMC 0.18 μm | ±0.9, −0.3 | N/A |
| [21]/2019 | 2nd | IBS, IAP | no | yes | 2 CDBA, 1 SW | 5R + 2C | TSMC 0.18 μm | ±2.5 | N/A |
| [22]/2019 | 2nd | ILP, IBP, IHP | yes | yes | 2 CDBA | 4R + 2C | TSMC 0.18 μm | ±2.5 | N/A |
| [23]/2019 | 1st | ILP, IHP | no | yes | 1 OA | ILP: 1(2)R + 1C, IHP: 1(2)R + 1(2)C | VCVS macro model | N/A | N/A |
| 2nd | IBP | no | yes | 1 OA | 2R + 2C | ||||
| [24]/2019 | 2nd | IBS | no | yes | 1 OTRA, 3 SW | 5R + 5C | CMOS 0.18 μm | ±1.5, −0.5 | 1.46 |
| [25]/2020 | 6th | IBP | yes | yes | 2 CDBA | 9R + 9C | TSMC 0.18 μm | ±0.6 | 0.918 |
| [26]/2021 | 2nd | ILP, IBP, IHP, IBS | no | no | 4 VDTA, 3 SW | 2C | TSMC 0.18 μm | ±0.9 | 2.16 |
| [27]/2021 | 2nd | ILP, IBP, IHP, IBS | no | yes (ILP, IBP) | ILP, IBP, IHP: 4 OTA, IBS: 5 OTA | 2C | TSMC 0.18 μm | ±0.9, −0.6~−0.78 | N/A |
| [28]/2021 | 2nd | ILP, IBP, IHP, IBS | no | yes (ILP, IBP, IHP) | 1 CDBA | ILP: 3R + 2C, IBP, IBS: 2R + 2C, IHP: 2R + 3C | TSMC 0.35 μm | ±2.5 | N/A |
| [29]/2021 | 1st | ILP, IHP | yes | yes | 2 VCII | 4R + 1C | TSMC 0.18 μm | ±0.9 | 0.6 |
| 2nd | IBP | yes | yes | 3 VCII | 6R + 2C | ||||
| [30]/2022 | 2nd | IBP | yes | no | 2 VCII | 5R + 2C | TSMC 0.18 μm | ±0.9 | N/A |
| [31]/2024 | 1st | ILP, IHP | yes | yes | 2 CFOA | 3R + 2C | AD844 | N/A | N/A |
| Proposed circuit in Figure 2 | 1st | ILP, IHP | yes | yes | 1 VCII | ILP: 1R + 2C, IHP: 2R + 1C | TSMC 0.18 μm | ±0.75 | 0.255 |
| 2nd | ILP, IBP, IHP | 2 VCII | ILP: 2R + 4C, IBP: 3R + 3C, IHP: 4R + 2C | 0.511 |
| Ref./ Year | Order of Filter | Type of Filter | Cascadable (Explicitly Low Input and High Output Impedances) | Gain Tunable | No. of Active Components | No. of Passive Components | Technology | Supply Voltage (V) | Power Dissipation (mW) |
|---|---|---|---|---|---|---|---|---|---|
| [2]/1999 | 2nd | ILP | no | yes | 1 FTFN | 4R + 2C | AD704, 2N2222, 2N2907 | N/A | N/A |
| [3]/1999 | 2nd | IAP | no | yes | 1 FTFN | 4R + 2C | N/A | N/A | N/A |
| [4]/2000 | 2nd | ILP, IBP, IHP, IBS, IAP | no | yes (ILP, IBP, IHP) | 1 FTFN | ILP: 3R + 2C, IBP, IHP: 2R + 3C, IBS, IAP: 4R + 2C | AD844 | N/A | N/A |
| [5]/2005 | 1st | IAP | no | no | 1 FTFN | 3R + 1C | AD844 | N/A | N/A |
| [7]/2008 | 1st | IAP | yes | no | 1 CDTA | 1R + 1C | NR100N, PR100N | ±3 | N/A |
| [12]/2013 | 2nd | ILP, IBP, IHP | no | yes | 2 CDBA | ILP: 4R + 2C, IBP: 3R + 3C, IHP: 2R + 4C | AD844 | ±12 | N/A |
| [14]/2014 | 2nd | ILP, IBP, IHP | no | yes | ILP, IBP: 6 OTA, IHP: 5 OTA | 2C | MOSIS 0.5 μm | ±1.8 | 1.33~2.0 |
| [15]/2015 | 2nd | ILP | no | yes | 3 CFOA | 3R + 2C | AD844 | N/A | N/A |
| [17]/2018 | 2nd | ILP, IBP, IHP | no | yes | ILP, IBP: 5 CCII, IHP: 4 CCII | ILP, IBP: 4R + 2C, IHP: 3R + 2C | MOSIS 0.5 μm | ±1.85 | 7.01~10.2 |
| [30]/2022 | 2nd | ILP, IBP, IHP, IBS | yes | no | 2 VCII | 2R + 2C | TSMC 0.18 μm | ±0.9 | N/A |
| Proposed circuit in Figure 3 | 1st | ILP, IHP | yes | yes | 2 VCII | ILP: 1R + 2C, IHP: 2R + 1C | TSMC 0.18 μm | ±0.75 | 0.511 |
| 2nd | ILP, IBP, IHP | 3 VCII | ILP: 4R + 2C, IBP: 3R + 3C, IHP: 4R + 2C | 0.766 |
| Filter Type | ZA | Transfer Function, | Minimum Gain (G0) | Cut-Off Frequency (ω0) |
|---|---|---|---|---|
| ILP | ||||
| IHP | RA |
| Filter Type | ZA | ZB | Transfer Function, | Minimum Gain (G0) | Cut-Off Frequency (ω0) | Quality Factor (Q) |
|---|---|---|---|---|---|---|
| ILP | G0N(s) | |||||
| IHP | RA | RB | ||||
| IBP | RB |
| Filter Type | ZA | Transfer Function, | Minimum Gain (G0) | Cut-Off Frequency (ω0) |
|---|---|---|---|---|
| ILP | ||||
| IHP | RA |
| Filter Type | ZA | ZB | Transfer Function, | Minimum Gain (G0) | Cut-Off Frequency (ω0) | Quality Factor (Q) |
|---|---|---|---|---|---|---|
| ILP | G0N(s) | |||||
| IHP | RA | RB | ||||
| IBP | RB |
| Filter Type | Transfer Function, | Minimum Gain (G0) | Cut-Off Frequency (ω0) |
|---|---|---|---|
| ILP | |||
| IHP |
| Filter Type | Transfer Function, | Minimum Gain (G0) | Cut-Off Frequency (ω0) | Quality Factor (Q) |
| ILP | G0N(s) | |||
| IHP | ||||
| IBP |
| Filter Type | Transfer Function, | Minimum Gain (G0) | Cut-Off Frequency (ω0) |
|---|---|---|---|
| ILP | |||
| IHP |
| Filter Type | Transfer Function, | Minimum Gain (G0) | Cut-Off Frequency (ω0) | Quality Factor (Q) |
|---|---|---|---|---|
| ILP | G0N(s) | |||
| IHP | ||||
| IBP |
| Transistors | W/L (μm/μm) |
|---|---|
| M1–M2, M10–M11 | 10/0.18 |
| M3–M4, M6–M7, M8–M9, M13–M14 | 5/0.18 |
| M5, M12 | 50/0.18 |
| M15–M21 | 3/0.18 |
Disclaimer/Publisher’s Note: The statements, opinions and data contained in all publications are solely those of the individual author(s) and contributor(s) and not of MDPI and/or the editor(s). MDPI and/or the editor(s) disclaim responsibility for any injury to people or property resulting from any ideas, methods, instructions or products referred to in the content. |
© 2025 by the authors. Licensee MDPI, Basel, Switzerland. This article is an open access article distributed under the terms and conditions of the Creative Commons Attribution (CC BY) license (https://creativecommons.org/licenses/by/4.0/).
Share and Cite
Roongmuanpha, N.; Likhitkitwoerakul, N.; Pukkalanun, T.; Faseehuddin, M.; Tangsrirat, W. Cascadable First-Order and Second-Order Inverse Filters Based on Second-Generation Voltage Conveyors. Appl. Sci. 2025, 15, 1916. https://doi.org/10.3390/app15041916
Roongmuanpha N, Likhitkitwoerakul N, Pukkalanun T, Faseehuddin M, Tangsrirat W. Cascadable First-Order and Second-Order Inverse Filters Based on Second-Generation Voltage Conveyors. Applied Sciences. 2025; 15(4):1916. https://doi.org/10.3390/app15041916
Chicago/Turabian StyleRoongmuanpha, Natchanai, Nutcha Likhitkitwoerakul, Tattaya Pukkalanun, Mohammad Faseehuddin, and Worapong Tangsrirat. 2025. "Cascadable First-Order and Second-Order Inverse Filters Based on Second-Generation Voltage Conveyors" Applied Sciences 15, no. 4: 1916. https://doi.org/10.3390/app15041916
APA StyleRoongmuanpha, N., Likhitkitwoerakul, N., Pukkalanun, T., Faseehuddin, M., & Tangsrirat, W. (2025). Cascadable First-Order and Second-Order Inverse Filters Based on Second-Generation Voltage Conveyors. Applied Sciences, 15(4), 1916. https://doi.org/10.3390/app15041916

