Source-Grid Coordinated Planning Considering Network Node Inertia Level Differences Under Coal-Fired Power Unit Retirement
Abstract
1. Introduction
2. System Frequency Constraint Model
2.1. Comprehensive Frequency Response Model
2.2. Frequency Security Constraints
2.2.1. System Rate of Change of Frequency (RoCoF) Constraints
2.2.2. Node RoCoF Constraint
3. Coal-Fired Power Unit Retirement Model
3.1. Coal-Fired Power Unit Retirement Cost Function
3.2. Constraints for the Retirement of Coal-Fired Power Units
4. Source-Grid Collaborative Planning Model
4.1. Objective Function
4.2. Constraints
- 1.
- Node power balance constraints:
- 2.
- Constraints on the output of coal-fired power units:
- 3.
- Constraints on the start-up and shut-down logic and duration of coal-fired power units:
- 4.
- Constraints on the ramp-up/ramp-down of coal-fired power units:
- 5.
- Load shedding constraints:
- 6.
- Wind and solar curtailment constraint:
- 7.
- System spinning reserve constraints:
- 8.
- Total reserve constraints:
- 9.
- Transmission capacity constraints of the lines:
5. Case Study Analysis
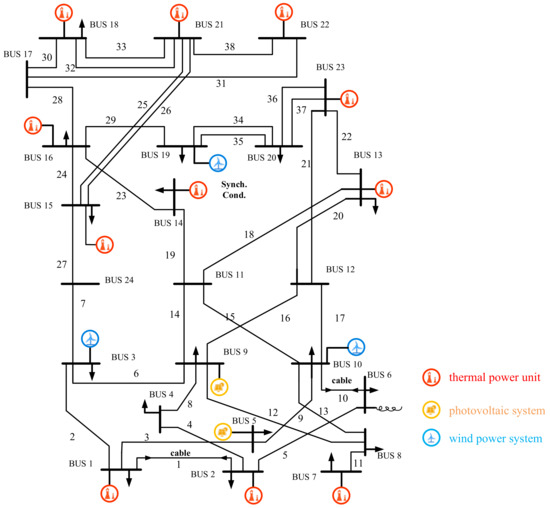
5.1. IEEE 24-Node Case
- (1)
- Example Parameters and Scenario Setting
- (2)
- Analysis of Planning Results
5.2. Real Region Case
6. Discussion
7. Conclusions
- The planning model for unit retirement and renewable energy, which considers frequency security, although it slows down the green transition of the new power system, ensures the security and stability of the system, making it more aligned with the current reality;
- The planning model for unit retirement and coordinated source-grid that considers system frequency security can effectively reduce the rate of frequency change after power disturbances by properly scheduling the retirement of coal-fired units and the expansion of new energy units, thus limiting frequency deviations;
- The planning model for unit retirement and coordinated source-grid that considers node inertia constraints can optimize the inertia levels of system nodes, ensure the inertia levels at key nodes, avoid excessively low inertia levels due to unit retirement, and enhance the system’s frequency security characteristics.
Author Contributions
Funding
Institutional Review Board Statement
Informed Consent Statement
Data Availability Statement
Conflicts of Interest
References
- Wei, H.Y.; Zhuo, Z.Y.; Zhang, N.; Du, E.; Xiao, J.Y.; Wang, P. Transition path optimization and infuencing factor analysis of carbon emission peak and carbon neutrality for power system of China. Autom. Electr. Power Syst. 2022, 46, 1–12. [Google Scholar]
- Zhao, W.; Xiong, Z.; Pan, Y.; Li, F.; Xu, P.; Lai, X. Low-carbon planning of power system considering carbon emission flow. Autom. Electr. Power Syst. 2023, 47, 23–33. [Google Scholar]
- Li, Z.; Chen, S.Y.; Dong, W.; Liu, P.; Du, E.; Ma, L.; He, J. Low carbon transition pathway of power sector under carbon emission constraints. Proc. CSEE 2021, 41, 3987–4000. [Google Scholar]
- Li, M.; Yu, Z.; Xu, T.; He, J.; Wang, C.; Xie, X.; Liu, C. Study of complex oscillation caused by renewable energy integration and its solution. Power Syst. Technol. 2017, 41, 1035–1042. [Google Scholar]
- Liu, Z.; Zhou, M.; Li, Z.; Wu, Z.; Li, G. Review of inertia control technology and requirement evaluation in renewable-dominant power system. Electr. Power Autom. Equip. 2021, 41, 1–11. [Google Scholar]
- Zhang, Z.; Kang, C. Challenges and prospects of building a new power system under the carbon neutrality goal. Proc. CSEE 2022, 42, 2806–2819. [Google Scholar]
- Farrokhabadi, M.; Cañizares, C.A.; Simpson-Porco, J.W.; Nasr, E.; Fan, L.; Mendoza-Araya, P.A.; Tonkoski, R.; Tamrakar, U.; Hatziargyriou, N.; Lagos, D.; et al. Microgrid stability definitions, analysis, and examples. IEEE Trans. Power Syst. 2020, 35, 13–29. [Google Scholar] [CrossRef]
- Wang, W.; Lin, W.; He, G.; Shi, W.; Feng, S. Enlightenment of 2021 Texas blackout to the renewable energy development in China. Proc. CSEE 2021, 41, 4033–4042. [Google Scholar]
- Mavalizadeh, H.; Ahmadi, A.; Gandoman, F.H.; Siano, P.; Shayanfar, H.A. Multiobjective robust power system expansion planning considering generation unit retirement. IEEE Syst. J. 2018, 12, 2664–2675. [Google Scholar] [CrossRef]
- Chen, B.; Wang, L. Robust transmission planning under uncertain generation investment and retirement. IEEE Trans. Power Syst. 2016, 31, 5144–5152. [Google Scholar] [CrossRef]
- Shen, W.; Qiu, J.; Meng, K.; Chen, X.; Dong, Z.Y. Low-carbon electricity network transition considering retirement of aging coal generators. IEEE Trans. Power Syst. 2020, 35, 4193–4205. [Google Scholar] [CrossRef]
- Yuan, Y.; Shang, C. Coordination of multi-stage renewable energy, energy storage planning and coal-fired unit retirement under carbon reduction goal. Electr. Power Autom. Equip. 2022, 41, 140–147. [Google Scholar]
- Wang, B.; Sun, H.; Li, W.; Yan, J.; Yu, Z.; Yang, C. Minimum inertia estimation of power system considering dynamic frequency constraints. Proc. CSEE 2022, 42, 114–126. [Google Scholar]
- Zhang, C. Research on Planning Method of Generation, Transmission, and Energy Storage Systems Considering Frequency Security with Renewable Energy Integration. Ph.D. Thesis, Shanghai Jiao Tong University, Shanghai, China, 2022. [Google Scholar]
- Ge, X.; Liu, Y.; Fu, Y.; Jia, F. Distributed robust unit commitment considering the whole process of inertia support and frequency regulations. Proc. CSEE 2021, 41, 4043–4058. [Google Scholar]
- Azizipanah-Abarghooee, R.; Malekpour, M.; Paolone, M.; Terzija, V. A new approach to the online estimation of the loss of generation size in power systems. IEEE Trans. Power Syst. 2019, 34, 2103–2113. [Google Scholar] [CrossRef]
- Panda, R.K.; Mohapatra, A.; Srivastava, S.C. Online estimation of system inertia in a power network utilizing synchro phasor measurements. IEEE Trans. Power Syst. 2020, 35, 3122–3132. [Google Scholar] [CrossRef]
- Wang, P.; Wei, Z.; Zhou, B.; Li, W.; Du, E.; Wang, J.; Zhang, N. Multi-stage planning method for source-grid-storage coordination considering the orderly decommissioning of coal-fired power. Proc. CSEE 2024, 44, 1386–1396. [Google Scholar]
- Li, Y.; Chang, F.; Peng, Y.; Gao, Y.; Zhou, N.; Yu, H. Evaluation method for node inertia distribution of power grids based on small disturbance frequency measurement data. Autom. Electr. Power Syst. 2024, 48, 50–59. [Google Scholar]
- Mi, Y.; Wang, P.; Zhou, J.; Ma, S.; Li, D. Energy storage capacity configuration strategy based on partitioned inertia estimation of power system. Electr. Power Autom. Equip. 2024, 44, 13–20. [Google Scholar]
- Liu, K.; Tan, H.; Yang, C.; Li, P.; Chen, Y.; Pu, W.; Zhao, Z. Power system inertia estimation method considering frequency spatial distribution and system partitioning. Electr. Power Autom. Equip. 2024. [Google Scholar]
- Luo, Q.; Wang, X.; Liu, J.; Wen, D. Prediction of minimum frequency of power system after disturbance based on speed regulation system equivalent model. Electr. Power Autom. Equip. 2019, 39, 163–167. [Google Scholar]
- Liu, F.; Xu, G.; Liu, J.; Wang, C.; Bi, T.; Guo, X. Inertia distribution characteristics of power system considering structure and parameters of power grid. Autom. Electr. Power Syst. 2021, 45, 60–67. [Google Scholar]
- Zhang, H.; Vittal, V.; Heydt, G.T.; Quintero, J. A mixed-integer linear programming approach for multi-stage security constrained transmission expansion planning. IEEE Trans. Power Syst. 2012, 27, 1125–1133. [Google Scholar] [CrossRef]
- Zhang, H.; Cheng, H.; Zhang, J.; Liu, L.; Zeng, Y.; Lu, J. Generation and transmission expansion planning considering N-1 security constraints with high penetration of wind power. Proc. CSEE 2018, 38, 5929–5936. [Google Scholar]
- Löfberg, J. YALMIP: A Toolbox for Modeling and Optimization in MATLAB. 2004. Available online: https://yalmip.github.io/ (accessed on 10 July 2022).
- Gurobi Optimization, LLC. Gurobi Optimizer. 2023. Available online: https://www.gurobi.com/ (accessed on 29 July 2024).








| Scenario 1 | Scenario 2 | ||||||
|---|---|---|---|---|---|---|---|
| Time | Wind Power Output | Photovoltaic Power Output | Load | Time | Wind Power Output | Photovoltaic Power Output | Load |
| 1 | 0.59 | 0 | 0.74 | 1 | 0.23 | 0 | 0.50 |
| 2 | 0.59 | 0 | 0.72 | 2 | 0.25 | 0 | 0.48 |
| 3 | 0.57 | 0 | 0.69 | 3 | 0.22 | 0 | 0.48 |
| 4 | 0.53 | 0 | 0.67 | 4 | 0.20 | 0 | 0.47 |
| 5 | 0.51 | 0 | 0.1 | 5 | 0.22 | 0 | 0.47 |
| 6 | 0.49 | 0 | 0.2 | 6 | 0.20 | 0 | 0.49 |
| 7 | 0.50 | 0.01 | 0.3 | 7 | 0.20 | 0 | 0.53 |
| 8 | 0.50 | 0.08 | 0.75 | 8 | 0.21 | 0.05 | 0.57 |
| 9 | 0.30 | 0.25 | 0.85 | 9 | 0.17 | 0.16 | 0.59 |
| 10 | 0.36 | 0.40 | 0.95 | 10 | 0.20 | 0.34 | 0.61 |
| 11 | 0.30 | 0.51 | 0.99 | 11 | 0.16 | 0.35 | 0.61 |
| 12 | 0.29 | 0.59 | 0.92 | 12 | 0.25 | 0.60 | 0.57 |
| 13 | 0.29 | 0.60 | 0.97 | 13 | 0.12 | 0.35 | 0.58 |
| 14 | 0.29 | 0.58 | 1 | 14 | 0.22 | 0.48 | 0.58 |
| 15 | 0.28 | 0.51 | 0.98 | 15 | 0.17 | 0.41 | 0.58 |
| 16 | 0.27 | 0.40 | 0.97 | 16 | 0.24 | 0.32 | 0.59 |
| 17 | 0.27 | 0.24 | 0.92 | 17 | 0.26 | 0.24 | 0.60 |
| 18 | 0.2836 | 0.07 | 0.82 | 18 | 0.23 | 0.09 | 0.59 |
| 19 | 0.3083 | 0 | 0.81 | 19 | 0.23 | 0 | 0.60 |
| 20 | 0.3699 | 0 | 0.9 | 20 | 0.24 | 0 | 0.59 |
| 21 | 0.4316 | 0 | 0.92 | 21 | 0.35 | 0 | 0.57 |
| 22 | 0.4316 | 0 | 0.93 | 22 | 0.25 | 0 | 0.56 |
| 23 | 0.6215 | 0 | 0.86 | 23 | 0.28 | 0 | 0.54 |
| 24 | 0.6141 | 0 | 0.81 | 24 | 0.28 | 0 | 0.51 |
| Scheme I | Scheme II | Scheme III | |
|---|---|---|---|
| Unit retirement capacity/MW | 836 | 824 | 672 |
| Unit retrofit capacity/MW | 800 | 812 | 964 |
| New capacity of coal-fired power unit/MW | 440 | 1150 | 1650 |
| New capacity of wind turbine/MW | 2200 | 1800 | 1600 |
| New capacity of photovoltaic unit/MW | 1200 | 1200 | 1000 |
| Renewable penetration/% | 59.4 | 51.7 | 48.2 |
| Renewable energy accommodation/% | 97.1 | 98.6 | 98.2 |
| New lines (starting point-end point) | (3–24) (9–12) | (3–24) (9–12) (10–12) | (9–12) (14–16) |
| Investment cost/billion | 18 | 19 | 19 |
| Operation cost/billion | 57 | 66 | 70 |
| Total cost/billion | 75 | 85 | 89 |
| Parameter | Value | Parameter | Value |
|---|---|---|---|
| Total reserve ratio | 15% | Solar system construction cost | 4,000,000 CNY/MW |
| Rotating standby ratio | 5% | Transmission line construction cost | 6,000,000 CNY/km |
| Maximum load | 98,000 MW | New energy operation and maintenance cost | 80 CNY/MWh |
| Coal-fired power construction cost | 3,500,000 CNY/MW | Cut load cost | 25,000 CNY/MWh |
| Wind turbine construction cost | 5,000,000 CNY/MW | Energy abandonment cost | 500 CNY/MWh |
| Scheme I | Scheme II | Scheme III | |
|---|---|---|---|
| Unit retirement capacity/MW | 4000 | 3800 | 3800 |
| Unit retrofit capacity/MW | 2690 | 2890 | 2890 |
| New capacity of coal-fired power unit/MW | 1300 | 1840 | 2020 |
| New capacity of wind turbine/MW | 6300 | 6300 | 6000 |
| New capacity of photovoltaic unit/MW | 7200 | 7300 | 8000 |
| Renewable penetration/% | 30.9 | 30.7 | 30.9 |
| Renewable energy accommodation/% | 100 | 98.6 | 97.5 |
| New lines (starting point-end point) | (4–3) (54–2) (55–5) (57–19) (24–59) (59–20) (41–46) (47–66) | (4–3) (54–2) (55–5) (57–19) (24–59) (59–20) (41–46) (47–66) (70–25) | (4–3) (54–2) (55–5) (57–19) (59–20) (41–46) (47–66) |
| Investment cost/billion (CNY) | 69 | 72 | 73 |
| Operation cost/billion (CNY) | 588 | 593 | 595 |
| Total cost/billion (CNY) | 657 | 665 | 668 |
Disclaimer/Publisher’s Note: The statements, opinions and data contained in all publications are solely those of the individual author(s) and contributor(s) and not of MDPI and/or the editor(s). MDPI and/or the editor(s) disclaim responsibility for any injury to people or property resulting from any ideas, methods, instructions or products referred to in the content. |
© 2025 by the authors. Licensee MDPI, Basel, Switzerland. This article is an open access article distributed under the terms and conditions of the Creative Commons Attribution (CC BY) license (https://creativecommons.org/licenses/by/4.0/).
Share and Cite
Xu, Y.; Sun, C.; Liu, L.; Zhang, H.; Liu, W.; Tan, Z. Source-Grid Coordinated Planning Considering Network Node Inertia Level Differences Under Coal-Fired Power Unit Retirement. Appl. Sci. 2025, 15, 1490. https://doi.org/10.3390/app15031490
Xu Y, Sun C, Liu L, Zhang H, Liu W, Tan Z. Source-Grid Coordinated Planning Considering Network Node Inertia Level Differences Under Coal-Fired Power Unit Retirement. Applied Sciences. 2025; 15(3):1490. https://doi.org/10.3390/app15031490
Chicago/Turabian StyleXu, Yutao, Chao Sun, Lu Liu, Houyi Zhang, Wenxia Liu, and Zhukui Tan. 2025. "Source-Grid Coordinated Planning Considering Network Node Inertia Level Differences Under Coal-Fired Power Unit Retirement" Applied Sciences 15, no. 3: 1490. https://doi.org/10.3390/app15031490
APA StyleXu, Y., Sun, C., Liu, L., Zhang, H., Liu, W., & Tan, Z. (2025). Source-Grid Coordinated Planning Considering Network Node Inertia Level Differences Under Coal-Fired Power Unit Retirement. Applied Sciences, 15(3), 1490. https://doi.org/10.3390/app15031490

