Research on a Hierarchical Control Strategy for Anti-Lock Braking Systems Based on Active Disturbance Rejection Control (ADRC)
Abstract
1. Introduction
2. Vehicle Model
2.1. Vehicle Dynamics Model
2.2. Tire–Pavement Model
3. Design of Road Surface Identification Methods
3.1. Velocity Observer
3.2. Road Surface Identification
4. ADRC-Based ABS Slip Ratio Tracking Control
4.1. ABS Model
4.1.1. EMB Selection
4.1.2. Slip Rate Dynamic Model
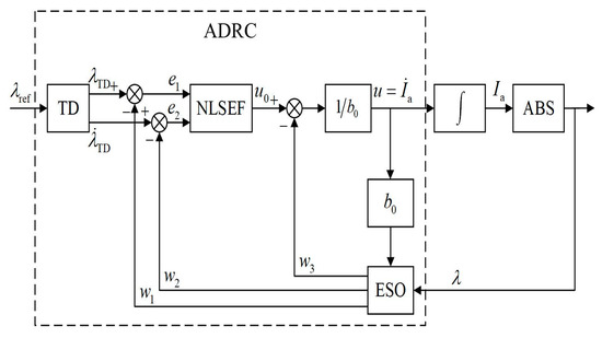
4.2. Design of ADRC
4.2.1. Extended State Observer (ESO) Design
4.2.2. Tracking Differentiator (TD) Design
4.2.3. Nonlinear State Error Feedback (NLESF) Design
5. Simulation and Discussion
5.1. Pavement Recognition Simulation
5.2. ABS Control System Simulation
5.2.1. Dry Cement Pavement Braking
5.2.2. Snowy Pavement Braking
5.2.3. Variable Pavement Braking
6. Conclusions
- The force acting on a single wheel and the road–tire model were analyzed. For the EMB system, a road recognition algorithm based on an extended state observer (ESO) was designed. During emergency braking conditions, this algorithm observes the current longitudinal vehicle speed to obtain the current slip ratio. By calculating the utilization adhesion coefficient for typical road surfaces and comparing it with the actual road surface adhesion coefficient, the algorithm identifies the road type. This approach meets the requirements for road recognition accuracy and response time during emergency braking scenarios;
- Through ABS braking simulations, the designed ADRC-based slip ratio tracking control strategy for ABS was validated. Compared to the PID and SMC algorithms, the ADRC strategy demonstrates superior performance across various road conditions, when considering factors such as overall braking distance, braking time, and control response. Under single-pavement conditions, compared to PID control, the braking distance is reduced by approximately 5.1%, and the braking time is shortened by 4.3%; compared to SMC, the braking distance is reduced by 4.2%, and the braking time is shortened by 1.6%. Under variable pavement conditions, compared to PID control, the braking distance is reduced by 22.5%, and the braking time is shortened by 10.3%; compared to SMC, the braking distance is reduced by 6%, and the braking time is shortened by 3.2%. ADRC exhibits strong robustness and better adaptability to changes in road surfaces, which is crucial for enhancing vehicle braking performance.
Author Contributions
Funding
Data Availability Statement
Conflicts of Interest
Abbreviations
| ABS | Anti-lock braking system |
| EMB | Electro-mechanical braking system |
| ESO | Extended state observer |
| ADRC | Active disturbance rejection control |
| SMC | Sliding-mode control |
References
- Mortazavizadeh, S.A.; Ghaderi, A.; Ebrahimi, M.; Hajian, M. Recent Developments in the Vehicle Steer-by-Wire System. IEEE Trans. Transp. Electrif. 2020, 6, 1226–1235. [Google Scholar] [CrossRef]
- Li, C.; Zhuo, G.; Tang, C.; Xiong, L.; Tian, W.; Qiao, L.; Cheng, Y.; Duan, Y. A Review of Electro-Mechanical Brake (EMB) System: Structure, Control and Application. Sustainability 2023, 15, 4514. [Google Scholar] [CrossRef]
- Hua, X.; Zeng, J.; Li, H.; Huang, J.; Luo, M.; Feng, X.; Xiong, H.; Wu, W. A Review of Automobile Brake-by-Wire Control Technology. Processes 2023, 11, 994. [Google Scholar] [CrossRef]
- Li, W.; Wang, M.; Huang, C.; Li, B. A Survey of Hybrid Braking System Control Methods. World Electr. Veh. J. 2024, 15, 372. [Google Scholar] [CrossRef]
- Ji, Q.; Zheng, L.; Bi, Y.; Pang, H. Review of Brake-by-Wire Technology for Low-Speed and Autonomous Vehicles. World Electr. Veh. J. 2024, 15, 581. [Google Scholar] [CrossRef]
- Gong, X.; Ge, W.; Yan, J.; Zhang, Y.; Gongye, X. Review on the Development, Control Method and Application Prospect of Brake-by-Wire Actuator. Actuators 2020, 9, 15. [Google Scholar] [CrossRef]
- Yu, D.; Wang, W.; Zhang, H.; Xu, D. Research on Anti-Lock Braking Control Strategy of Distributed-Driven Electric Vehicle. IEEE Access 2020, 8, 162467–162478. [Google Scholar] [CrossRef]
- Elghitany, M.N.; Tolba, F.; Mohamed Abdelkader, A. Low Vehicle Speeds Regenerative Anti-lock Braking System. Ain Shams Eng. J. 2022, 13, 101570. [Google Scholar] [CrossRef]
- Kirpalsinh, R.; Jeet, P.; Dhruv, T.; Nisarg, P.; Dhaval, P.; Sahil, R.; Mihir, R.; Bhavik, P. A Review on Automobile Safety Technology in ABS. Int. J. Innov. Res. Technol. 2019, 6, 120–124. [Google Scholar]
- Xue, X.; Cheng, K.W.E. Electric Antilock Braking Systems for Electric Vehicles. In Proceedings of the 2020 8th International Conference on Power Electronics Systems and Applications (PESA), Hong Kong, China, 7–10 December 2020; pp. 1–6. [Google Scholar]
- Wang, Y.; Lv, C.; Yan, Y.; Peng, P.; Wang, F.; Xu, L.; Yin, G. An Integrated Scheme for Coefficient Estimation of Tire–Road Friction With Mass Parameter Mismatch Under Complex Driving Scenarios. IEEE Trans. Ind. Electron. 2022, 69, 13337–13347. [Google Scholar] [CrossRef]
- Li, B.; Wenjuan, E.; Feng, T.; Ding, Y.; Li, Y.; Wang, X.; Jiang, X.; Shen, C. Road Adhesion Coefficient Estimation Based on LiDAR Reflectance Intensity. IEEE Sens. J. 2024, 24, 29135–29148. [Google Scholar] [CrossRef]
- Sun, X.; Xiao, Z.; Wang, Z.; Zhang, X.; Fan, J. Acceleration Slip Regulation Control Method for Distributed Electric Drive Vehicles under Icy and Snowy Road Conditions. Appl. Sci. 2024, 14, 6803. [Google Scholar] [CrossRef]
- Zhu, S.; Fan, X.; Qi, G.; Wang, P. Review of control algorithms of vehicle anti-lock braking system. Recent Pat. Eng. 2023, 17, 30–45. [Google Scholar] [CrossRef]
- Xu, Z.; Lu, Y.; Chen, N.; Han, Y. Integrated Adhesion Coefficient Estimation of 3D Road Surfaces Based on Dimensionless Data-Driven Tire Model. Machines 2023, 11, 189. [Google Scholar] [CrossRef]
- Salma, K.; Mehdi, M.E.; Houcine, C. Intelligent Global Sliding Mode Control of Anti-Lock Braking System Using Optimization Algorithms. In Proceedings of the 2024 4th International Conference on Innovative Research in Applied Science, Engineering and Technology (IRASET), FEZ, Morocco, 16–17 May 2024; pp. 1–7. [Google Scholar]
- Meléndez-Useros, M.; Jiménez-Salas, M.; Viadero-Monasterio, F.; Boada, B.L. Tire Slip H∞ Control for Optimal Braking Depending on Road Condition. Sensors 2023, 23, 1417. [Google Scholar] [CrossRef]
- Fareh, R.; Khadraoui, S.; Abdallah, M.Y.; Baziyad, M.; Bettayeb, M. Active disturbance rejection control for robotic systems: A review. Mechatronics 2021, 80, 102671. [Google Scholar] [CrossRef]
- Guo, B.; Bacha, S.; Alamir, M. A review on ADRC based PMSM control designs. In Proceedings of the IECON 2017—43rd Annual Conference of the IEEE Industrial Electronics Society, Beijing, China, 29 October–1 November 2017; pp. 1747–1753. [Google Scholar]
- Cao, Y.; Cao, Z.; Feng, F.; Xie, L. ADRC-Based Trajectory Tracking Control for a Planar Continuum Robot. J. Intell. Robot. Syst. 2023, 108, 1. [Google Scholar] [CrossRef]
- Li, W.; Zhang, Q.; Zhang, Y. The Effect of ADRC on Vehicle Braking Performance. J. Electr. Eng. Technol. 2020, 15, 705–712. [Google Scholar] [CrossRef]
- Aksjonov, A.; Augsburg, K.; Vodovozov, V. Design and Simulation of the Robust ABS and ESP Fuzzy Logic Controller on the Complex Braking Maneuvers. Appl. Sci. 2016, 6, 382. [Google Scholar] [CrossRef]
- He, R.; Zhang, L. Interval recognition algorithm of the pavement surface condition based on Lagrange interpolation method. Math. Probl. Eng. 2020, 2020, 4251027. [Google Scholar] [CrossRef]
- Wang, B.; Guan, H.; Lu, P.; Zhang, A. Road surface condition identification approach based on road characteristic value. J. Terramechanics 2014, 56, 103–117. [Google Scholar] [CrossRef]
- Bin, M.; Marconi, L. Model Identification and Adaptive State Observation for a Class of Nonlinear Systems. IEEE Trans. Autom. Control 2021, 66, 5621–5636. [Google Scholar] [CrossRef]
- Avzayesh, M.; Al-Masri, W.; Abdel-Hafez, M.F.; AlShabi, M. Improved-Performance Vehicle’s State Estimator Under Uncertain Model Dynamics. IEEE Open J. Instrum. Meas. 2024, 3, 8500112. [Google Scholar] [CrossRef]
- Salas, M.J.; Useros, M.M.; Monasterio, F.V.; López, M.J.; Boada, B.L.B. Simultaneous Robust H∞ Output-Feedback Control and Sensor Fault Estimation for Path Tracking. In Proceedings of the FISITA 2023 World Congress, Barcelona, Spain, 12–15 September 2023. [Google Scholar]
- Huang, Y.; Han, J. Analysis and design for the second order nonlinear continuous extended states observer. Chin. Sci. Bull. 2000, 45, 1938–1944. [Google Scholar] [CrossRef]
- Peng, X.; Jia, M.; He, L.; Yu, X.; Lv, Y. Fuzzy sliding mode control based on longitudinal force estimation for electro-mechanical braking systems using BLDC motor. CES Trans. Electr. Mach. Syst. 2018, 2, 142–151. [Google Scholar] [CrossRef]
- Hote, Y.V.; Jain, S. Generalized Active Disturbance Rejection Control: Review, Applications and Challenges. In Proceedings of the 2021 IEEE International Conference on Automation/XXIV Congress of the Chilean Association of Automatic Control (ICA-ACCA), Valparaíso, Chile, 22–26 March 2021; pp. 1–6. [Google Scholar]
- Han, J. From PID to Active Disturbance Rejection Control. IEEE Trans. Ind. Electron. 2009, 56, 900–906. [Google Scholar] [CrossRef]
- Wang, Z.; Li, J.; Duan, D. Manipulation strategy of tilt quad rotor based on active disturbance rejection control. Proc. Inst. Mech. Eng. Part G J. Aerosp. Eng. 2020, 234, 573–584. [Google Scholar] [CrossRef]









| Dry asphalt | 1.2801 | 23.99 | 0.52 | 0.17 | 1.17 |
| Dry cement | 1.1973 | 25.168 | 0.5373 | 0.16 | 1.09 |
| Wet asphalt | 0.857 | 33.822 | 0.347 | 0.13 | 0.8013 |
| Cobblestone | 0.4004 | 33.708 | 0.1204 | 0.14 | 0.34 |
| Snow | 0.1946 | 94.129 | 0.0646 | 0.06 | 0.1907 |
| Ice | 0.05 | 306.39 | 0.001 | 0.03 | 0.05 |
| Parameters | Symbol | Value |
|---|---|---|
| Vehicle mass | ||
| Wheel rolling radius | ||
| Wheel rotational inertia | ||
| Vehicle wheelbase | ||
| Center of gravity height | 0.45 m | |
| Front braking constant | ||
| Rear braking constant | ||
| Motor torque coefficient | ||
| Motor friction torque | ||
| Planetary gear ratios | 19 | |
| Efficiency of planetary gears | 0.95 | |
| Ball Screw Efficiency | 0.95 | |
| Ball Screw Guide | 0.005 | |
| Effective radius of brake disk | 0.12 | |
| Brake disk friction coefficient | 0.4 |
| Controller | Parameter | Value |
|---|---|---|
| PID | Proportional parameter | |
| Integral parameter | ||
| Differential parameter | ||
| SMC | Constant Velocity Approach Coefficient | |
| Exponential Convergence Coefficient | ||
| ADRC | ESO | |
| TD | ||
| NLESF | ||
Disclaimer/Publisher’s Note: The statements, opinions and data contained in all publications are solely those of the individual author(s) and contributor(s) and not of MDPI and/or the editor(s). MDPI and/or the editor(s) disclaim responsibility for any injury to people or property resulting from any ideas, methods, instructions or products referred to in the content. |
© 2025 by the authors. Licensee MDPI, Basel, Switzerland. This article is an open access article distributed under the terms and conditions of the Creative Commons Attribution (CC BY) license (https://creativecommons.org/licenses/by/4.0/).
Share and Cite
Luo, S.; Zhang, B.; Ma, J.; Zheng, X. Research on a Hierarchical Control Strategy for Anti-Lock Braking Systems Based on Active Disturbance Rejection Control (ADRC). Appl. Sci. 2025, 15, 1294. https://doi.org/10.3390/app15031294
Luo S, Zhang B, Ma J, Zheng X. Research on a Hierarchical Control Strategy for Anti-Lock Braking Systems Based on Active Disturbance Rejection Control (ADRC). Applied Sciences. 2025; 15(3):1294. https://doi.org/10.3390/app15031294
Chicago/Turabian StyleLuo, Shi, Bing Zhang, Jiantao Ma, and Xinyue Zheng. 2025. "Research on a Hierarchical Control Strategy for Anti-Lock Braking Systems Based on Active Disturbance Rejection Control (ADRC)" Applied Sciences 15, no. 3: 1294. https://doi.org/10.3390/app15031294
APA StyleLuo, S., Zhang, B., Ma, J., & Zheng, X. (2025). Research on a Hierarchical Control Strategy for Anti-Lock Braking Systems Based on Active Disturbance Rejection Control (ADRC). Applied Sciences, 15(3), 1294. https://doi.org/10.3390/app15031294
