Abstract
The incipient faults of rolling bearings are dynamically propagating in the service status. However, the bearing material and the size of the fault will affect its expansion trend and direction. Furthermore, bearings manufactured from different materials behave differently when they fail. Therefore, the influence of the fault degree on the dynamic characteristics and crack propagation of rolling bearings is investigated in this paper. First, a dynamic model of the bearing, both under fault-free conditions and with varying fault sizes on the outer ring, is established by considering the actual working conditions of rolling bearings. Then, the reliability of the dynamic model is verified theoretically and experimentally. Finally, the study examined the slip behavior of rolling elements, the variation trends in the maximum shear stress and principal stresses on the outer ring, and the direction of crack propagation under different fault severities. The results indicate that (1) the severity of roller slip becomes more pronounced with the expansion of the fault size; (2) material differences will affect the timing of macro-slip during faults; (3) crack propagation tends to initiate at the edge of the fault exit, with the propagation rate increasing as fault severity escalates; and (4) tensile stress was observed in the first principal stress, which accelerates crack bifurcation at the faulted edge, while both the second principal stress and third principal stress exhibit compressive stress, playing a suppressive role in crack bifurcation at the faulted edge. These findings provide a theoretical basis for further research on the evolution of faults in rolling bearings.
1. Introduction
As a critical component in rotating machinery, rolling bearings directly influence the operational safety and reliability of the entire mechanical system. However, rolling bearings are prone to various faults, e.g., pitting, wear, cracks, etc., due to their prolonged operation in complex conditions such as high speeds and heavy loads. These abnormalities will lead to equipment downtime and even cause safety incidents if not detected and handled in time [1,2]. Furthermore, rolling bearings’ dynamic response characteristics are critical to the operational reliability of the machinery on which they are installed. Especially when a bearing continues to operate after a minor fault occurs, the ongoing expansion of the fault size poses a significant threat to the stable operation of the equipment.
In previous studies, scholars established dynamic models to analyze the fault characteristics of rolling bearings. For instance, Xu et al. [3] developed dynamic models to analyze the vibration characteristics of spindle-bearing systems considering pedestal tilt due to assembly errors. Zhang et al. [4] developed a four-degrees-of-freedom bearing dynamic model based on time-varying displacement to investigate the dynamic characteristics of bearings with localized faults under different conditions. Ma et al. [5] studied the sliding mechanism of angular contact ball bearings from the perspective of rotor characteristics, discovering resonance sliding phenomena and examining the effect of foreign objects on cage slip rates. Cui et al. [6] used the GStiff algorithm to solve the nonlinear dynamic differential equations of cylindrical roller bearings under dynamic imbalance and provided an effective evaluation of the nonlinear dynamic response and stability of the cage. Zhao et al. [7] established a dynamic model of bearings to study the effect of raceway defects on the nonlinear dynamics of bearings. Govardhan et al. [8] analyzed the vibration response of rolling bearings with localized defects subjected to external dynamic loads. And Gui et al. [9] simulated the vibration response signals of the bearing dynamics model under different failure degrees by changing the defect parameters of the outer ring of the bearing, analyzed the relationship between the fault size and the vibration response, and revealed the vibration response mechanism of the bearing under different failure degrees. However, the above studies primarily use dynamic methods to analyze the dynamic characteristics of faulty bearings under various conditions, with limited focus on the relationship between these characteristics and crack propagation of the bearing.
For the research of bearing crack propagation, Yu et al. [10] established a dynamic model of an axlebox bearing cage. On this basis, the dynamic characteristics of the cage with cracks and the variation patterns of contact force are investigated. Shi et al. [11] developed a finite element model to investigate the impact of crack depth and inclination angle on bearing contact deformation, contact width, and stiffness. Also, they determined the relationship between contact characteristics and crack size. After that, an improved sub-model was introduced by Wang et al. [12] to propose a crack-initiated contact finite element model. Meanwhile, FRANC3D is employed to embed the crack for analyzing the distribution and extension characteristics of the stress intensity factor at the crack front. Liu et al. [13] developed a finite element model to analyze the effect of horizontal and inclined subsurface cracks in roller bearings on contact characteristics, and they explored the relationship between contact deformation, crack size, and contact area width. Furthermore, a two-degrees-of-freedom nonlinear dynamics model was used as a basis for evaluating the effect of cracks on bearings through the variation in strain energy in the literature [14]. However, existing research primarily focuses on the impact of bearing fault severity on its dynamic characteristics. On the other hand, the fault severity also influences the crack propagation direction in bearings. Additionally, material properties further affect the crack propagation rate and trend.
The existing body of research indicates that numerous studies have extensively examined the effects of individual factors on the rotational speed of rolling elements or crack propagation in faulty bearings. However, crack propagation is typically the result of the combined influence of multiple factors, and investigations into the mutual interactions between these characteristics are notably rare. In the context of this study, for instance, an increase in fault severity directly affects both crack propagation and fluctuations in the rolling element speed. However, the subsequent impact of speed fluctuations on crack propagation is often overlooked. Analyzing the interactions between multiple characteristics offers valuable insights for more accurately reproducing the complex operational behavior of bearings.
To address the above limitations, the influence of the fault degree on the dynamic characteristics and crack propagation for rolling bearings is investigated in this paper. First, cylindrical roller bearings are selected as the research subject. Then, a dynamic model of the bearing, both under fault-free conditions and with varying fault sizes on the outer ring, was established by considering the actual working conditions of rolling bearings. Meanwhile, the reliability of the dynamic model is verified theoretically and experimentally. After that, the study examined the slip behavior of rolling elements, the variation trends in the maximum shear stress and principal stresses on the outer ring, and the direction of crack propagation under different fault severities. The main contributions of this paper include the following:
- (1)
- With the increase in fault severity, the slip ratio of rolling elements passing through the fault position gradually increases. Once the fault severity reaches a critical level, the slip transitions from microscopic to macroscopic. A comparative analysis of GCr15 and AISI304 materials reveals that the material properties influence the onset of macroscopic slip.
- (2)
- Analyzing the maximum shear stress at the entry and exit points of the fault reveals that the crack propagation direction aligns with the rotational direction of the inner ring. As fault severity increases, the crack propagation speed also accelerates. The occurrence of macroscopic slip in the rolling elements causes fluctuations in the maximum shear stress, which subsequently affects the crack propagation speed.
- (3)
- An analysis of the three principal stresses shows that only the first principal stress (in the X direction) exhibits tensile stress. The crack will branch in the direction of the first principal stress, and the crack branching speed increases with fault severity.
The rest of this paper is organized as follows: Section 2 introduces the establishment of the finite element model and relevant parameters. Section 3 presents the experimental setup used to validate the effectiveness of the established finite element model. Section 4 discusses the degree of slipping and maximum stress. Finally, Section 5 concludes the study.
2. Finite Element Model of Cylindrical Roller Bearing
Taking the cylindrical roller bearing N205EM as the research object, a two-dimensional explicit dynamic model of the rolling bearing was established [15], and boundary conditions, rotational speed, and load were applied to the finite element model based on the actual operating conditions of the bearing.
2.1. Explicit Dynamic Theory
The explicit dynamic algorithm based on nonlinear dynamic analysis theory must satisfy the following conditions: the displacement, velocity, and acceleration at time are known, and the displacement, velocity, and acceleration at time are solved based on these known quantities. The system dynamics at that time are presented in Equation (1) [16].
where , , and are the acceleration vector, velocity vector, and displacement vector of the system nodes, respectively. denotes the mass matrix of the system, is the damping matrix of the system, is the stiffness matrix of the system, and denotes the nodal load vector of the system.
Expand into a Taylor series at time to obtain an approximate analytical expression with finite terms:
where is the th differential of .
To combine Equation (2) with Equation (1), Equation (2) is transformed into a second-order differential equation as follows:
The derivation of Equation (3) can obtain Equation (4):
In interval , can be approximated by as
Similarly, it can be deduced that
Combining Equations (4)–(6), the mathematical relationship between and can be obtained:
Then, the functional relationship between and in the interval can be expressed as
Combining Equations (7) and (8), the iterative equation for the displacement value at each time point can be obtained, as presented in Equation (9).
Finally, the stability conditions for the explicit dynamics algorithm are computed as
where is the minimum intrinsic vibration period of the system; denotes the critical value.
2.2. Finite Element Model of Rolling Bearing
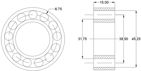
Choosing N205EM cylindrical roller bearings as the research object, this paper utilizes the finite element software ANSYS 2022 R2/LS-DYNA to simulate and calculate the dynamic characteristics of bearings with different failure sizes of the outer ring. The geometrical parameters of rolling bearings are presented in Table 1, and the geometrical schematic is shown in Scheme 1.
Table 1.
Parameters of N205EM bearing.
Scheme 1.
Geometric diagram of cylindrical roller bearing.
To accurately represent the bearing’s operational state, a plane strain element is employed for its effectiveness in capturing two-dimensional deformation characteristics. A plane strain element is chosen to simulate the two-dimensional shell element as the solid structure of the rolling bearing. The bearing materials are cast steel and austenitic stainless steel, with the specific materials for the inner and outer rings, rolling elements, and cage listed in Table 2.
Table 2.
Material parameters of bearing.
The finite element models with element sizes of 0.75 mm, 0.5 mm, 0.25 mm, and 0.15 mm were thoroughly tested in this study to minimize the effect of the selected mesh size on the analysis results. The test results indicated that when the element sizes were 0.75 mm and 0.5 mm, the contact effect between the rolling elements and the raceway was suboptimal. However, with element sizes of 0.25 mm and 0.15 mm, ideal continuous contact between the rolling elements and the raceway was achieved. Therefore, a 0.25 mm quadrilateral mesh was used to discretize the components of the bearing, resulting in a final model with 47,475 nodes and 45,057 elements. The discretized rolling bearing finite element model is presented in Figure 1. The local spalling fault was simplified as a rectangular pit to investigate the dynamic response characteristics and crack propagation trends of the N205EM bearing under different fault sizes on the outer ring. The fault is located on the inner raceway of the outer ring, with the fault length denoted as L and the depth as H. Specific fault size parameters are detailed in Table 3.
Figure 1.
Finite element model of bearing.
Table 3.
Bearing outer ring fault size.
Then, loads, rotational speeds, and boundary conditions consistent with actual operating conditions were applied to ensure that the simulation model accurately reflected the real service state. Meanwhile, a fixed constraint was applied to the outer surface of the bearing’s outer ring. Additionally, a radial load of F = 1500 N was applied to the lower half of the inner surface of the inner ring, acting in the negative Y direction. Furthermore, a rotational speed of was applied to the inner surface of the inner ring, with the rotation direction being counterclockwise and a sampling frequency of 48 kHz.
3. Reliability Verification of Finite Element Model
To ensure the accuracy of the finite element model, the fault frequency obtained from the simulation was compared with the experimental fault frequency and the theoretically calculated fault frequency while keeping the bearing structural parameters, boundary conditions, loads, and rotational speeds consistent. Additionally, the simulation rotational speed of the cage was compared with the theoretical rotational speed.
3.1. Fault Frequency Verification
- (1)
- Experimental fault frequency: A QPZZ-Ⅱ rotating machinery failure simulation experimental bench was used, where the experimental bench was mainly composed of a mechanical drive device, loading device, and a fixed device in four parts, as shown in Figure 2a. The QPZZ-Ⅱ rotating machinery failure simulation experimental bench can be adjusted through the installation of some parts of the position and an organic combination of the components to achieve a variety of rotating machinery failure fast simulations. The test bench adopts electrical discharge machining wire cutting to simulate the type of bearing failure, the outer ring failure shown in Figure 2b.
Figure 2. QPZZ-Ⅱ rotating machinery fault simulation test bench: (a) laboratory bench; (b) bearing outer ring failure.
- The vibration signals of the outer ring fault collected during experiments were also subjected to envelope transformation. The obtained time domain and frequency domain waveform is shown in Figure 3b.
Figure 3. Time domain waveform and frequency domain waveform of simulation signals and test signals: (a) simulated signal; (b) test signal.
- (2)
- (3)
- Theoretical failure frequency is calculated by the outer ring failure frequency formula [17]:
A theoretical outer ring fault frequency of 116.14 Hz was obtained.
Through a finite element simulation analysis of the obtained vibration signals, the envelope spectrum analysis determined the outer ring fault frequency to be 115.2 Hz. Compared to the theoretically calculated fault frequency of 116.14 Hz, the relative error is 0.809%. Similarly, the relative error when compared to the experimentally measured outer ring fault frequency of 115.2 Hz is also 0.809%, as detailed in Table 4. The absence of error between the simulation and experimental values validates the effectiveness of the proposed model and provides a solid foundation for subsequent analyses.
Table 4.
Comparison results of failure frequency verification.
3.2. Verification of Cage Speed
To further validate the effectiveness and accuracy of the finite element model, the angular velocity of the cage obtained from the finite element simulation was compared with the theoretical angular velocity. The formula for calculating the theoretical angular velocity of the cage is [18]
where is the inter-ring speed.
The node rotational speed from the cage of the fault-free bearing was extracted. The simulated angular velocity of the cage was compared with the theoretical angular velocity, and the comparison results are shown in Figure 4a.
Figure 4.
Comparison of theoretical value and simulation value: (a) holding angular velocity; (b) the rolling contact force between the rolling body and the outer circle.
From Figure 4a, it can be seen that the simulated angular velocity of the cage fluctuates up and down near the theoretical angular velocity, and the average value of the simulated angular velocity obtained is 54.6 rad/s and the theoretical angular velocity is 56.1 rad/s, with a relative error of 2.6%. The validity and accuracy of the finite element model are further illustrated in Table 5.
Table 5.
Comparison results of angular velocity verification.
3.3. Contact Force Verification
The interaction force between the rolling element and the inner raceway of the outer ring was obtained based on the calculation formula for rolling bearings and compared with the contact force obtained from simulations to validate the model’s effectiveness [19].
After that, the rolling bearing static load under radial load is calculated according to Equation (13).
where is the angle between the roller and the Y-axis in the negative direction and is the Y-axis in the negative direction; is the load distribution coefficient, which is taken as 0.3.
Cylindrical roller bearings with normal radial clearance can be obtained from the following equation:
Figure 4b demonstrates the comparison between the simulation results and the theoretical calculation results of the contact force under radial load. The comparison reveals that the rolling body contact force obtained from the simulation is basically consistent with the theoretical value, which verifies the reasonableness of the constructed finite element model.
4. Effect of Fault Size Extension on Bearing Dynamic Characteristics
To investigate the impact of fault size expansion in different materials on dynamic characteristics, this study selects the two most common materials in bearings, namely cast steel (GCr15) and austenitic stainless steel (AISI304), with specific parameters detailed in Table 2. While maintaining a constant depth for the outer ring fault size, finite element models of bearings were constructed for fault-free conditions and five different degrees of outer ring faults by adjusting the length of the fault size, as specified in Table 3. This research explores the trend in rolling element rotational speed changes in the load zone and the stress variation patterns in the outer ring as the fault size increases, and it analyzes the propagation path of cracks in the outer ring under external forces.
4.1. Variation in Rolling Body Rotational Angular Velocity with Different Failure Dimensions
During the operation of rolling bearings, the contact between the cage and the rolling elements is discontinuous. When the rolling elements rotate around the bearing’s centroid in the load zone and non-load zone, their revolution angular velocities differ. To investigate the impact of different fault sizes on the change in the revolution angular velocity of the rolling elements as they pass through the fault position, this study divides the rotational process of the rolling elements in the load zone into three stages, Stage I to II, Stage II, and Stage II to III. The angular range for these three stages is to , as detailed in Figure 5.
Figure 5.
Schematic of rotation angle range.
Selecting one rolling element, the angular velocity during its transition from position I through position II to position III was measured. Figure 6 illustrates the variation in angular velocity for bearings made of GCr15 and AISI304 materials, comparing fault-free conditions and five different degrees of faults, clearly showing the portions where the rolling element speed fluctuations exceed 5% under different fault severities.

Figure 6.
The speed changes when the rolling element passes the fault point. (a) Material GCr15; (b) material AISI304.
From Figure 6, it can be observed that the angular velocity of fault-free bearings made from both materials fluctuates around the theoretical values as the rolling element moves from position I through position II to position III, with the maximum fluctuation amplitude remaining within 3%. The impacts on the rolling element’s angular velocity are attributed to intermittent collisions between the rolling elements and the cage.
For the GCr15 material, fault types 1–3 show that during the transition from positions I to II and II to III, the rotational speeds near positions I and III remain within a normal fluctuation range of less than 5% of the theoretical values. However, the speeds near position II exhibit significant impacts, with maximum values exceeding 5% of the theoretical values. In contrast, for the AISI304 material, the rotational speeds of fault types 1–3 remain within a normal fluctuation range, with maximum impact values not exceeding 5% of the theoretical values. Additionally, both materials show an increasing trend in rotational speed fluctuation as the fault size increases.
For fault types 4–5, the rotational speeds of the rolling elements for both GCr15 and AISI304 materials exhibit severe fluctuations during the transitions from positions I to II and II to III, with speeds consistently exceeding 5% of the theoretical values. Notably, the speed fluctuations for GCr15 are greater during the transition from position II to III compared to that from position I to II, while for AISI304, the fluctuations during position II to III are smaller than those from position I to II. In both materials, significant impacts on speed occur at position II, far exceeding the theoretical values by more than 5%. This phenomenon is attributed to macro-slipping of the rolling elements at position II for fault types 4 and 5.
During the operation of the fault-free bearing and bearings with varying degrees of outer ring faults, the trend of the sliding rate of the rolling elements in the load zone is shown in Figure 7. The formula for calculating the sliding rate is as follows:
where is the simulated speed and is the theoretical speed.
Figure 7.
Roller slipping rate at different fault levels.
Figure 7 clearly shows that as the fault size increases, the slip rate of bearings made from both materials exhibits a gradual upward trend. In the case of fault-free bearings and outer ring fault types 1–3, the slip rates are relatively low, remaining below 2%. This indicates that the rolling elements are in a state of micro-slipping, as the outer ring has not yet failed or only exhibits minor faults, resulting in a short duration of support loss at the fault points, which does not significantly affect slipping. However, for fault types 4–5, both materials experience a significant increase in slip rates; the slip rate for GCr15 initially rises slowly before increasing sharply, while for AISI304, it rises sharply before gradually increasing. This suggests that the material influences the slip rate. At this point, the rolling elements enter a state of macro-slipping due to fault sizes exceeding 1 mm, leading to a longer duration of support loss at the fault points and exacerbating the slipping phenomenon. This finding aligns with the severe fluctuations in angular velocity observed for fault types 4–5 in both materials as they pass through position II, as seen in Figure 6.
4.2. Bearing Outer Ring Stress Change and Crack Extension Trend
There are two regions in the operation of a rolling bearing, the load zone and the non-load zone. The equivalent stress distribution in the inner raceway of the outer ring at a given moment is shown in Figure 8.
Figure 8.
Equivalent stress distribution.
From Figure 8, it can be seen that the rolling elements generate stress peaks when contacting the inner raceway in the load zone, with the peak size decreasing from the maximum load position in the load zone towards the sides and the peaks disappearing in the non-load zone. Therefore, the load zone of the bearing is an area prone to fatigue damage. Consequently, studying the stress changes in the outer ring of the bearing’s load zone and the trend of crack propagation under stress is of greater practical significance.
During the rotation of the rolling elements, the schematic diagram of the rolling elements entering and exiting the fault in the load zone is shown in Figure 9. In this diagram, Unit 1 is located at the left edge of the fault, the central unit represents the fault ’pit’, and Unit 2 is located at the right edge of the fault.
Figure 9.
Schematic diagram of failure points when rolling elements roll in and roll out.
Bearing fatigue damage generally progresses through the following three stages: (1) crack initiation due to localized stress concentration; (2) crack propagation outward due to alternating shear stress experienced by the rolling elements during their movement on the inner raceway of the outer ring; and (3) further operation leading to crack branching and spalling [20].
After the bearing sustains damage and the fault gradually expands to a larger size, the changes in alternating shear stress and alternating contact stress become more complex. Therefore, investigating the stress variation trends and crack propagation directions for bearings with different fault severities is of significant importance for studying the operational state of faulty bearings.
4.2.1. Maximum Shear Stress
In this part, we investigated the variations in shear stress as the rolling elements enter and exit the fault point. Then, the impact of continued operation on the crack propagation direction in the outer ring of the faulty bearing is determined.
Taking the fault-free bearing and bearing fault type 2 (0.5 mm × 0.3 mm) as examples, the study investigates the maximum shear stress trends in the rolling elements in the load zone of a normal bearing as they roll on the inner raceway of the outer ring, as well as during the fault entry, fault traversal, and fault exit phases.
Figure 10a,c shows the variation curves of the maximum shear stress for adjacent shell elements in fault-free bearings made from GCr15 and AISI304 materials, respectively. Figure 10b,d presents the maximum shear stress variation curves for fault type 2 in GCr15 and AISI304 bearings. In cases where the middle element consists of multiple shell elements, the curve for the middle element represents the average stress of these multiple units.
Figure 10.
Max shear stress curve. (a) Material GCr15 trouble-free bearing; (b) material GCr15 fault type 2; (c) material AISI304 trouble-free bearing; (d) material AISI304 fault type 2.
From Figure 10a–d, it can be observed that in the rolling process along the raceway of fault-free bearings, the maximum shear stress for the GCr15 material reaches 387 MPa, while for AISI304, it is 380 MPa. When the faulty bearings enter and exit the fault state, both materials exhibit a sharp increase in maximum shear stress. Specifically, the maximum shear stresses for the rolling elements exiting the fault (Element 2) are 763 MPa for GCr15 and 750 MPa for AISI304, both of which are higher than the maximum shear stresses of 732 MPa and 711 MPa, respectively, for the rolling elements entering the fault (Element 1). Throughout the process of entering the fault, rolling over the fault, and exiting the fault, the maximum shear stress of the middle element at the ’pit’ initially increases gradually, then experiences a sudden drop and stabilizes, followed by a sharp increase before gradually declining. However, the maximum shear stress at the middle element of the ’pit’ remains consistently lower than that of normal bearings. This is attributed to the rolling elements not contacting the bottom of the ’pit’ while rolling over the fault.
Therefore, when a bearing fails, the alternating shear stress caused by the rolling elements repeatedly passing through the fault point will lead to crack propagation along the path aligned with the rotational direction of the inner ring of the bearing. In other words, crack propagation occurs earlier when exiting the fault point (Unit 2) than when entering the fault point (Unit 1).
A further investigation of the stress fluctuations for fault-free bearings and fault types 1–5 during fault entrance and exit was performed to analyze how crack propagation speed changes with increasing fault severity, as shown in Figure 11.
Figure 11.
Max shear stress curve of different types of faults. (a) Material GCr15 enters the failure stress curve. (b) Material GCr15 exits the fault stress curve. (c) Material AISI304 enters the failure stress curve. (d) Material AISI304 exits the fault stress curve.
From Figure 11a–d, it is evident that as the fault size increases, there is a significant upward trend in the maximum shear stress for both materials during the entry and exit of the fault. Notably, the maximum shear stress curves for fault types 3–5 in GCr15 and for fault types 4–5 in AISI304 exhibit a serrated fluctuation pattern, which is attributed to the occurrence of macro-slipping in the rolling elements. The appearance of macro-slipping in fault type 3 for GCr15, while not observed in fault type 3 for AISI304, indicates that the material properties influence the timing of macro-slipping occurrence.
To provide a clearer view of the variation trends in maximum shear stress peak values under different fault types for the two materials, a comparison of the maximum shear stress peak values during the entry and exit of faults for both materials is presented in Figure 12.
Figure 12.
Maximum shear peak stress curve of different types of faults. (a) Material GCr15; (b) material AISI304.
From Figure 12, it can be observed that when the rolling elements experience only microscopic sliding on the inner raceway of the outer ring, the maximum shear stress during fault entry and exit gradually increases, with the maximum shear stress during fault exit being higher than during fault entry. This indicates that as fault severity increases, the crack propagation speed also increases.
From Figure 12a,b, it can be seen that when macro-slipping occurs in the rolling elements along the outer ring raceway, the maximum shear stress during the entry and exit of faults shows a decreasing trend for fault types 3–4 in GCr15 and 4–5 in AISI304. However, for GCr15, when the fault size reaches 1.25 mm, there is an increase in maximum shear stress during both entry and exit from the fault, indicating fluctuations in maximum shear stress during macro-slipping. Initially, the occurrence of macro-slipping results in a decrease in maximum shear stress. However, this does not imply a slowdown in crack propagation speed, as the friction generated by macro-slipping, combined with the maximum shear stress, also promotes crack growth.
4.2.2. Principal Stresses
Analyzing the maximum shear stresses at different failure severities indicates that the direction of crack expansion is consistent with the direction of rotation of the inner raceway. Under the action of alternating shear stress, the crack gradually extends and branches at the crack edges, eventually leading to spalling. Therefore, further research into the trend of crack branching based on crack propagation is necessary. As noted from the maximum shear stress analysis, the maximum shear stress during fault exit is higher than during fault entry. Thus, this section investigates the trend of principal stress changes when the rolling element exits the fault.
The variation in principal stress at the crack edges influences the direction of crack bifurcation. To investigate the crack bifurcation direction in faulty bearings, the trends in the first principal stress (X direction), second principal stress (Y direction), and third principal stress (Z direction) for both materials under different fault degrees were analyzed. The trends of these three principal stresses are illustrated in Figure 13.
Figure 13.
Trend in three principal stresses. (a) Material GCr15 first principal stress (in X direction). (b) Material AISI304 first principal stress (in X direction). (c) Material GCr15 second main stress (Y direction). (d) Material AISI304 second main stress (Y direction). (e) Material GCr15 third principal stress (Z direction). (f) Material AISI304 third principal stress (Z direction).
Analyzing Figure 13a–f, the variation rule of principal stress is obtained as follows:
- (1)
- Both materials exhibit tensile stress in the first principal stress when the rolling elements exit the fault, showing similar patterns. During the repetitive rolling of the rolling elements along the outer ring raceway, alternating tensile–compressive stress regions are generated at the crack edges. The influence of the superimposed stresses leads to crack bifurcation in the X direction at the crack propagation edge.
- (2)
- The second principal stress for both materials is compressive stress, which increases after the outer ring experiences a fault compared to that of normal bearings. This compressive stress can suppress crack bifurcation, with the second principal stress demonstrating a strong ability to inhibit bifurcation in the Y direction.
- (3)
- The third principal stress for both materials is also compressive stress, which decreases after the outer ring experiences a fault compared to that of normal bearings. While this compressive stress can suppress crack bifurcation, the third principal stress exhibits a weaker ability to inhibit bifurcation in the Z direction.
From the above analysis of the three principal stresses, it can be concluded that under alternating shear stress, cracks on the outer ring’s inner raceway extend in the direction of rotation towards the inner race. Under the action of tensile–compressive stress, the likelihood of crack branching in the direction of rotation of the inner race (X direction) is higher compared to branching in the Y and Z directions.
To provide a clearer visualization of the principal stress variation trends under different fault types, the peak values of the three principal stresses at the point of fault exit for various fault severities were compared, as shown in Figure 14.
Figure 14.
Variation trends in peak values for the three principal stresses. (a) Material GCr15; (b) material AISI304.
From Figure 14, it can be observed that after the bearing experiences a fault, the first principal stress exhibits tensile stress, which increases with the expansion of the bearing crack, accelerating crack bifurcation in the X direction while the rolling element is in a micro-slipping state. However, when macro-slipping occurs, the tensile stress fluctuates significantly as the crack expands, indicating that noticeable slipping greatly impacts the stress during the rolling element’s exit from the fault.
After the bearing experiences a fault, the second principal stress is compressive stress. While the rolling element is in a micro-slipping state, the compressive stress increases with the expansion of the bearing crack, effectively suppressing crack bifurcation. However, when macro-slipping occurs, the compressive stress exhibits fluctuations as the crack expands, although its value remains greater than that of normal bearings. This indicates that while macro-slipping affects the growth trend of the second principal stress, it continues to play a role in inhibiting crack bifurcation.
After the bearing experiences a fault, the third principal stress is also compressive stress. The compressive stress value for the faulty bearing is lower than that of the normal bearing and remains relatively constant with the expansion of the bearing crack. This suggests that the likelihood of crack bifurcation occurring in the vertical direction (Z direction) is relatively low after the bearing develops a fault.
While the present model adopts standard assumptions to maintain generalizability, it does not incorporate system-specific factors such as lubrication conditions, assembly errors, and variable load distributions. For instance, lubrication conditions can significantly affect the slip behavior and stress distribution, potentially altering the crack propagation trends. Moreover, the assumption of smooth contact surfaces in this study may overlook the role of surface topography, which could significantly influence the dynamic characteristics and crack propagation trends. For example, increased surface roughness may lead to localized stress concentrations, altering the slip behavior and potentially accelerating crack initiation and propagation. These effects should be further investigated in future work to enhance the comprehensiveness of the findings.
5. Conclusions
The severity of bearing failure will affect its dynamic characteristics and crack extension pattern. The rotational speed, stress variation, and crack extension trend in cylindrical roller bearings under different failure sizes are discussed in this paper and some conclusions are summarized as follows:
- (1)
- Impact of fault severity on rolling element speed: As the severity of bearing faults increases, the impact on the rotational speed of rolling elements becomes significantly more pronounced when passing through the fault. At a fault severity of 1.25 mm, a maximum slip ratio of 6.04% is observed, indicating the occurrence of noticeable macroscopic slip. During macroscopic slip, the rotational speed of the rolling elements exhibits substantial fluctuations throughout the entire rotation process. Furthermore, the material properties influence the onset of macroscopic slip under fault conditions.
- (2)
- Crack propagation direction and speed: The direction of crack propagation aligns with the rotation direction of the inner ring. With microscopic slip, the crack propagation speed increases with fault severity. Macroscopic slip causes fluctuations in maximum shear stress, affecting the crack propagation speed.
- (3)
- Principal stresses and crack bifurcation: In the X direction, a combined tensile–compressive stress region emerges, with the tensile stress reaching a maximum of 227 MPa, which facilitates crack branching along the X direction. The crack branching rate exhibits a progressively increasing trend as fault severity intensifies. Conversely, the Y and Z directions predominantly experience compressive stresses, exerting an inhibitory effect on crack branching to a certain extent.
- (4)
- Correlation with stress trends: The slip degree of the rolling elements is consistent with the trends in maximum shear stress and the three principal stresses. This mutual verification reflects changes in bearing performance and crack propagation trends under different fault severities. The findings provide a theoretical basis for understanding crack propagation and dynamic performance changes in rolling bearings.
Future work will aim to incorporate system-specific factors such as lubrication regimes, operational load distributions, and environmental influences into the model. These enhancements are expected to improve the model’s predictive accuracy and applicability in real-world scenarios, thereby extending the insights gained from this study. Additionally, considering surface topography, such as roughness and machining marks, will provide a more comprehensive understanding of how fault dynamics are influenced by contact conditions, stress distribution, and crack propagation under varying operating scenarios.
Author Contributions
L.Z.: conceptualization, supervision, funding acquisition, writing—review and editing. Z.X.: methodology, software, formal analysis, writing—original draft. H.Z.: formal analysis, writing—original draft. W.L.: formal analysis, software. C.H.: data curation. T.Q.: methodology. C.W.: funding acquisition, writing—review and editing. J.L.: conceptualization, methodology, writing—review and editing. All authors have read and agreed to the published version of the manuscript.
Funding
This work was supported by the Natural Sciences of Jiangxi Province (grant no. 20224ACB204017), the Science and Technology Project of China State Railway Group Co., Ltd. (grant no. N2023J042), and National Key Laboratory Autonomous Projects (grant no. HIGZ2022202 and grant no. HIGZ2022208).
Data Availability Statement
The data presented in this study are available on request from the corresponding author due to privacy.
Conflicts of Interest
The authors declare that this study received funding from China State Railway Group Co., Ltd. The funder was not involved in the study design, collection, analysis, interpretation of data, the writing of this article or the decision to submit it for publication.
References
- Wang, B.; Liu, Y.; Yang, S.; Liao, Y.; Wang, M. Characteristics analysis on bearing rotor system of high-speed train with track irregularity. Mech. Syst. Signal Process. 2024, 221, 111674. [Google Scholar] [CrossRef]
- Xia, Z.; Wu, Y.; Sun, J.; Yan, H.; Tian, J.; Wang, H.; Li, S. Analysis of cage dynamic characteristics for high-speed full ceramic ball bearing under non-lubrication condition. Nonlinear Dyn. 2024, 112, 6947–6966. [Google Scholar] [CrossRef]
- Xu, H.; Ma, H.; Wen, B.; Yang, Y.; Li, X.; Luo, Z.; Han, Q.; Wen, B. Dynamic characteristics of spindle-bearing with tilted pedestal and clearance fit. Int. J. Mech. Sci. 2024, 261, 108683. [Google Scholar] [CrossRef]
- Zhang, X.; Yan, C.; Liu, Y.; Yan, P.; Wang, Y.; Wu, L. Dynamic modeling and analysis of rolling bearing with compound fault on raceway and rolling element. Shock. Vib. 2020, 2020, 8861899. [Google Scholar] [CrossRef]
- Ma, L.; Jiang, B.; Lu, N.; Xiao, L.; Guo, Q. Angular contact ball bearing skidding mechanism analysis and diagnosis considering flexible rotor characteristics. Mech. Syst. Signal Process. 2024, 207, 110942. [Google Scholar] [CrossRef]
- Cui, Y.; Deng, S.; Zhang, W.; Chen, G. The impact of roller dynamic unbalance of high-speed cylindrical roller bearing on the cage nonlinear dynamic characteristics. Mech. Mach. Theory 2017, 118, 65–83. [Google Scholar]
- Zhao, Z.; Yin, X.; Wang, W. Effect of the raceway defects on the nonlinear dynamic behavior of rolling bearing. J. Mech. Sci. Technol. 2019, 33, 2511–2525. [Google Scholar] [CrossRef]
- Tingarikar, G.; Choudhury, A. Vibration analysis-based fault diagnosis of a dynamically loaded bearing with distributed defect. Arab. J. Sci. Eng. 2022, 47, 8045–8058. [Google Scholar] [CrossRef]
- Cui, L.; Zhang, Y.; Zhang, F.; Zhang, J.; Lee, S. Vibration response mechanism of faulty outer race rolling element bearings for quantitative analysis. J. Sound Vib. 2016, 364, 67–76. [Google Scholar] [CrossRef]
- Yu, Y.; Guo, L.; Chen, Z.; Gao, H.; Shi, Z.; Zhang, G. Dynamics modelling and vibration characteristics of urban rail vehicle axle-box bearings with the cage crack. Mech. Syst. Signal Process. 2023, 205, 110870. [Google Scholar] [CrossRef]
- Shi, Z.; Liu, J.; Dong, S. A numerical study of the contact and vibration characteristics of a roller bearing with a surface crack. Proc. Inst. Mech. Eng. Part L J. Mater. Des. Appl. 2020, 234, 549–563. [Google Scholar] [CrossRef]
- Wang, S.; Du, J.; Li, C.; Xia, S.; Jiang, S.; Sun, J. Crack propagation analysis of slewing bearings in wind turbines applying a modified sub-model technology. Eng. Fail. Anal. 2023, 153, 107556. [Google Scholar] [CrossRef]
- Liu, J.; Li, X.; Shi, Z. An investigation of contact characteristics of a roller bearing with a subsurface crack. Eng. Fail. Anal. 2020, 116, 104744. [Google Scholar] [CrossRef]
- Liu, Z.; Bai, X.; Shi, H.; Wu, Y.; Ma, H. A recognition method for crack position on the outer ring of full ceramic bearing based on the synchronous root mean square difference. J. Sound Vib. 2021, 515, 116493. [Google Scholar] [CrossRef]
- Singh, S.; Howard, C.Q.; Hansen, C.H.; Köpke, U. Analytical validation of an explicit finite element model of a rolling element bearing with a localised line spall. J. Sound Vib. 2018, 416, 94–110. [Google Scholar] [CrossRef]
- Zhang, L.; Zhang, H.; Xiao, Q.; Zhao, L.; Hu, Y.; Liu, H.; Qiao, Y. Numerical model driving multi-domain information transfer method for bearing fault diagnosis. Sensors 2022, 22, 9759. [Google Scholar] [CrossRef] [PubMed]
- Huang, D.; Yang, J.; Zhou, D.; Litak, G. Novel adaptive search method for bearing fault frequency using stochastic resonance quantified by amplitude-domain index. IEEE Trans. Instrum. Meas. 2019, 69, 109–121. [Google Scholar] [CrossRef]
- Patra, P.; Saran, V.H.; Harsha, S.P. Non-linear dynamic response analysis of cylindrical roller bearings due to rotational speed. Proc. Inst. Mech. Eng. Part K J. Multi-Body Dyn. 2019, 233, 379–390. [Google Scholar] [CrossRef]
- Harris Tedric, A.; KotzalasMicheal, N. Rolling Bearing Analysis Essential Concepts of Bearing Technology; Taylor and Francis: London, UK, 2007. [Google Scholar]
- Lai, J.; Stadler, K. Investigation on the mechanisms of white etching crack (WEC) formation in rolling contact fatigue and identification of a root cause for bearing premature failure. Wear 2016, 364, 244–256. [Google Scholar] [CrossRef]
Disclaimer/Publisher’s Note: The statements, opinions and data contained in all publications are solely those of the individual author(s) and contributor(s) and not of MDPI and/or the editor(s). MDPI and/or the editor(s) disclaim responsibility for any injury to people or property resulting from any ideas, methods, instructions or products referred to in the content. |
© 2025 by the authors. Licensee MDPI, Basel, Switzerland. This article is an open access article distributed under the terms and conditions of the Creative Commons Attribution (CC BY) license (https://creativecommons.org/licenses/by/4.0/).