Fluid-Induced Vibration and Buckling of Pipes on Elastic Foundations: A Physics-Informed Neural Networks Approach
Abstract
1. Introduction
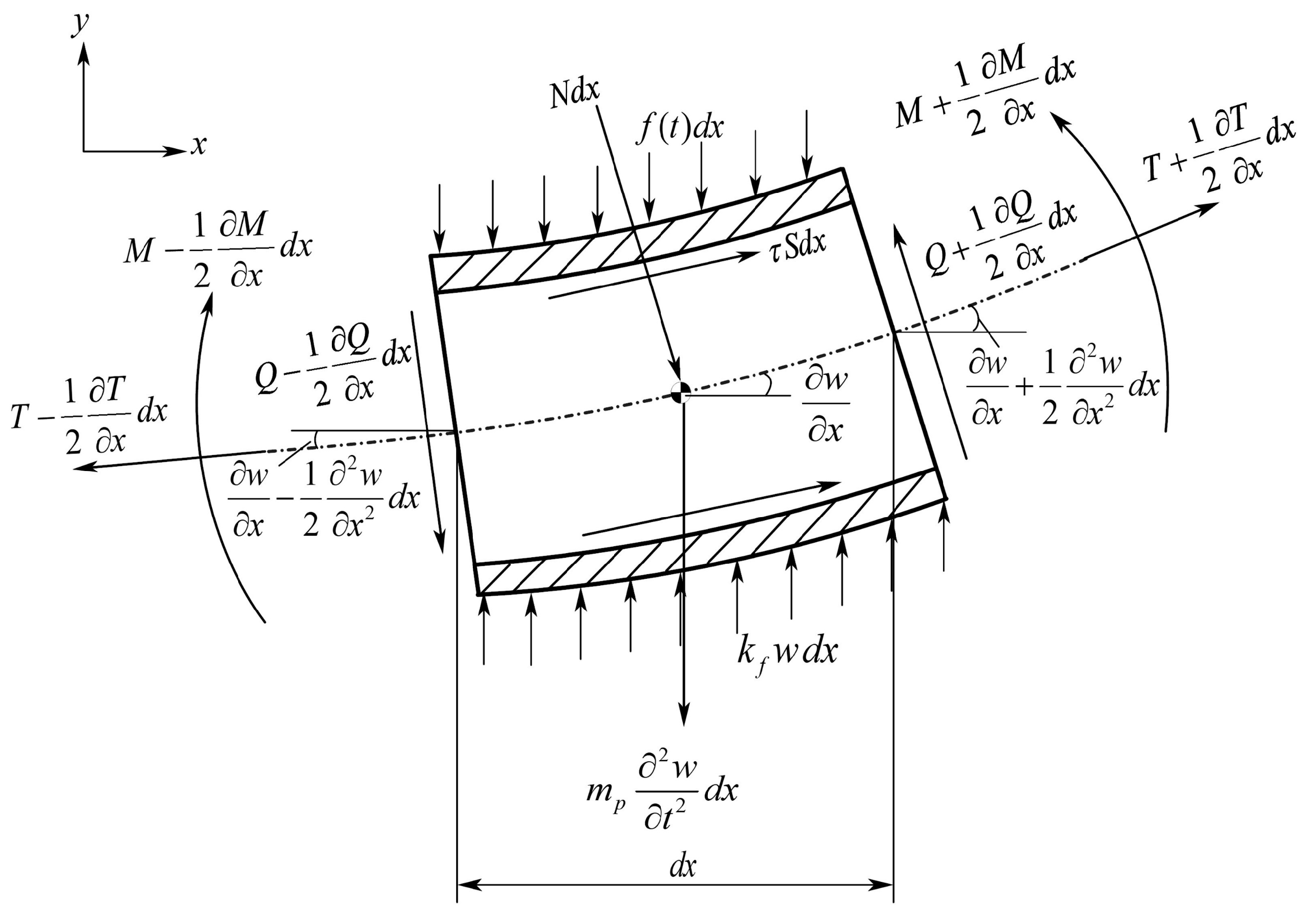
2. Mathematical Model of Pipe Fluid Flow-Induced Vibration
- There is linear elastic behavior, homogeneity and isotropy in the pipe and soil materials;
- In comparison with the pipe thickness, the displacements are small;
- When compared with unity, the axial strain is small;
- Shear stresses and normal transversal strains are negligible;
- As a result of the Euler–Bernoulli hypothesis, the cross-sections are plane and perpendicular.
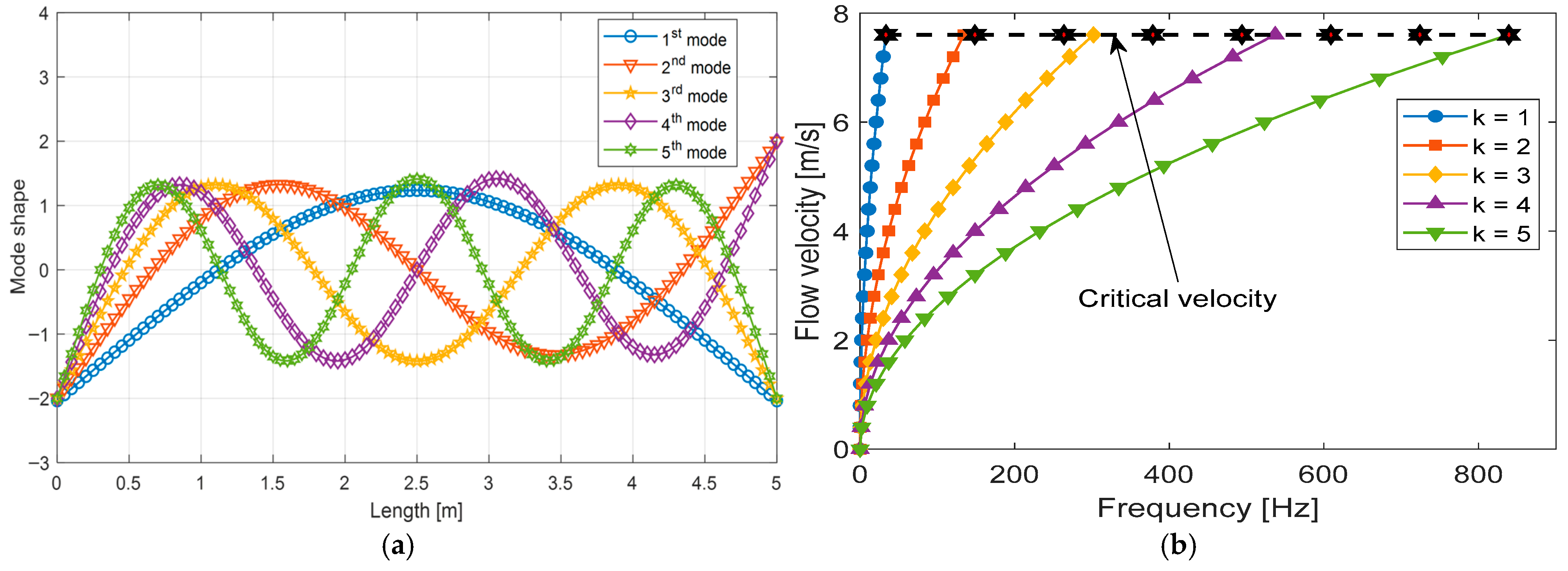
3. Normal Vibration Modes in Pipe System Under No-Flow Condition
4. Physics-Informed Neural Networks for Nonlinear Transverse Vibrations in Free-Tension Pipe Conveying Fluid
5. Conclusions
Author Contributions
Funding
Institutional Review Board Statement
Informed Consent Statement
Data Availability Statement
Acknowledgments
Conflicts of Interest
Appendix A. PINN Training Configuration Details
| Item | Value |
| PDE and domain | Fourth-order Euler–Bernoulli-based pipe–fluid PDE with centrifugal and Coriolis terms on a Winkler foundation; free–free BCs; IC as stated in Section 2, Section 3 and Section 4. |
| Inputs and output | Input . Output displacement. |
| Network architecture | Feed forward net ([20], ’trainrp’); hidden activation: tansig; output activation: purelin. MATLAB R2024b. |
| Depth and width | 3 hidden layers, 20 neurons per hidden layer. Rationale aligned with baseline PINNs practice [33]. |
| Loss terms | as in Equations (26)–(30). We used . |
| Collocation points | in the space–time interior; uniform sampling with mild boundary-proximity densification. |
| Supervised data | Targeted points for IC and BC: at for IC; BC points drawn per boundary condition set in Equations (9) and (10). |
| Data split | dividerand random split, default 70% train, 15% validation, 15% test. |
| Optimizer | trainrp (Resilient Backprop). |
| Key training params | epochs = 5000, goal = 1 × 10−6, validation checks 6 for early stopping, gradient target . Numbers match the training pane and text in Section 4 and Figure 8. |
| Batch size | Full-batch on the assembled residual sets each epoch. |
| Performance metric | Mean squared error mse for reporting. |
| Tooling | MATLAB R2024b Neural Network Toolbox; computations in MEX mode. |
| Diagnostic outcomes | Best validation MSE at epoch 313; gradient reduced to at epoch 319; regression on train, val, test, and all sets; FFT comparisons shown in Figure 10. |
References
- Saari, N.F.; Putra, A.; Irianto; Dan, R.M.; Zeli, M.A.; Ramlan, R.; Jalil, N.A.A.; Herawan, S. Estimating natural frequency of pipe with various geometries: Improvement of frequency factors. Heliyon 2024, 10, e26148. [Google Scholar] [CrossRef]
- Guo, Y.; Ding, H. Theoretical and experimental study on dynamic characteristics of L-shaped fluid-conveying pipes. Appl. Math. Model. 2024, 129, 232–249. [Google Scholar] [CrossRef]
- Duan, J.; Li, C.; Jin, J. Modal analysis of tubing considering the effect of fluid–structure interaction. Energies 2022, 15, 670. [Google Scholar] [CrossRef]
- Weng, G.; Hui, Y.; Cao, J. Time-varying mechanism of fluid-structure interaction vibration effects and dynamic characteristics of the cross-over pipeline when the medium flows. Structures 2023, 57, 105151. [Google Scholar] [CrossRef]
- Zhang, H.; Li, Y.; Xu, Z.; Zhang, A.; Liu, X.; Sun, P.; Sun, X. Modal analysis of PE pipeline under seabed dynamic pressure. Sci. Rep. 2024, 14, 29198. [Google Scholar] [CrossRef]
- Sozinando, D.F.; Tchomeni, B.X.; Alugongo, A.A. Modal analysis and flow through sectionalized pipeline gate valve using FEA and CFD technique. J. Eng. 2023, 2023, 2215509. [Google Scholar] [CrossRef]
- Sozinando, D.F.; Tchomeni, B.X.; Alugongo, A.A. Experimental study of coupled torsional and lateral vibration of vertical rotor-to-stator contact in an inviscid fluid. Math. Comput. Appl. 2023, 28, 44. [Google Scholar] [CrossRef]
- Kanwal, G.; Ahmed, N.; Nawaz, R. A comparative analysis of the vibrational behavior of various beam models with different foundation designs. Heliyon 2024, 10, e26491. [Google Scholar] [CrossRef]
- Xu, L.; Ma, M. Vibration characteristic analysis of tunnel structure buried in elastic foundation based on dynamic stiffness matrix. Int. J. Struct. Stab. Dyn. 2022, 22, 2250173. [Google Scholar] [CrossRef]
- Kanwal, G.; Nawaz, R.; Ahmed, N. Analyzing the effect of rotary inertia and elastic constraints on a beam supported by a wrinkle elastic foundation: A numerical investigation. Buildings 2023, 13, 1457. [Google Scholar] [CrossRef]
- Xiang, Q.; Zeng, R.; Ma, Y.; Ruan, R.; Shen, Y.; Li, S.; Feng, A.; You, Y. Stability and vibration analysis of a fluid-conveying pipe on a two-parameter foundation under general boundary conditions. Phys. Fluids 2025, 37, 014130. [Google Scholar] [CrossRef]
- Li, Z.-M.; Liu, T. A new displacement model for nonlinear vibration analysis of fluid-conveying anisotropic laminated tubular beams resting on elastic foundation. Eur. J. Mech.-A/Solids 2021, 86, 104172. [Google Scholar] [CrossRef]
- Zhou, J.; Chang, X.; Xiong, Z.; Li, Y. Stability and nonlinear vibration analysis of fluid-conveying composite pipes with elastic boundary conditions. Thin-Walled Struct. 2022, 179, 109597. [Google Scholar] [CrossRef]
- Zhang, T.; Yan, R.; Zhang, S.; Yang, D.; Chen, A. Application of Fourier feature physics-information neural network in model of pipeline conveying fluid. Thin-Walled Struct. 2024, 198, 111693. [Google Scholar] [CrossRef]
- Yin, G.; Janocha, M.J.; Ong, M.C. Physics-Informed Neural Networks for Flow-Induced Vibration Prediction of a Subsea Pipeline. In Proceedings of the ASME 2024 43rd International Conference on Ocean, Offshore and Arctic Engineering, Singapore, 9–14 June 2024; American Society of Mechanical Engineers: New York, NY, USA, 2024; Volume 87837, p. V05BT06A080. [Google Scholar]
- Chen, Z.; Lai, S.-K.; Yang, Z. AT-PINN: Advanced time-marching physics-informed neural network for structural vibration analysis. Thin-Walled Struct. 2024, 196, 111423. [Google Scholar] [CrossRef]
- Chai, X.; Cao, W.; Li, J.; Long, H.; Sun, X. Overcoming the spectral bias problem of physics-informed neural networks in solving the frequency-domain acoustic wave equation. IEEE Trans. Geosci. Remote Sens. 2024, 62, 5923520. [Google Scholar] [CrossRef]
- Lee, J.; Park, K.; Jung, W. Physics-Informed Neural Networks for Cantilever Dynamics and Fluid-Induced Excitation. Appl. Sci. 2024, 14, 7002. [Google Scholar] [CrossRef]
- Liu, Y.; Hou, J.; Wei, P.; Jin, J.; Zhang, R. Research and application of ROM based on Res-PINNs neural network in fluid system. Symmetry 2025, 17, 163. [Google Scholar] [CrossRef]
- Zhu, P.; Liu, Z.; Xu, Z.; Lv, J. An Adaptive Weight Physics-Informed Neural Network for Vortex-Induced Vibration Problems. Buildings 2025, 15, 1533. [Google Scholar] [CrossRef]
- Zhou, W.; Miwa, S.; Okamoto, K. Advancing fluid dynamics simulations: A comprehensive approach to optimizing physics-informed neural networks. Phys. Fluids 2024, 36, 013615. [Google Scholar] [CrossRef]
- Ang, E.H.W.; Wang, G.; Ng, B.F. Physics-informed neural networks for low Reynolds number flows over cylinder. Energies 2023, 16, 4558. [Google Scholar] [CrossRef]
- Kim, G.-Y.; Lim, C.; Kim, E.S.; Shin, S.-C. Prediction of dynamic responses of flow-induced vibration using deep learning. Appl. Sci. 2021, 11, 7163. [Google Scholar] [CrossRef]
- Zhao, P.; Xu, Z.; Liu, H.; Yu, B. Unraveling air–water two-phase flow patterns in water pipelines based on multiple signals and convolutional neural networks. Aqua-Water Infrastruct. Ecosyst. Soc. 2023, 72, 2472–2486. [Google Scholar] [CrossRef]
- Chen, H.; Dang, Z.; Hugo, R.; Park, S. CNN-based flow pattern identification based on flow-induced vibration characteristics for multiphase flow pipelines. In Proceedings of the 2022 14th International Pipeline Conference, Calgary, AB, Canada, 26–30 September 2022; American Society of Mechanical Engineers: New York, NY, USA, 2022; Volume 86588, p. V003T04A003. [Google Scholar]
- Wang, X.Q.; Xie, W.-C.; So, R.M.C. Force Evolution Model for Vortex-Induced Vibration of an Elastic Cylinder in a Cross Flow. In Proceedings of the ASME 2006 Pressure Vessels and Piping/ICPVT-11 Conference, Vancouver, BC, Canada, 23–27 July 2006; Volume 47888, pp. 513–520. [Google Scholar]
- Cheng, C.; Meng, H.; Li, Y.-Z.; Zhang, G.-T. Deep learning based on PINN for solving 2 DOF vortex induced vibration of cylinder. Ocean Eng. 2021, 240, 109932. [Google Scholar] [CrossRef]
- Fu, D.; Deng, B.; Yang, M.; Zhen, B. Analytical solution of overlying pipe deformation caused by tunnel excavation based on Pasternak foundation model. Sci. Rep. 2023, 13, 921. [Google Scholar] [CrossRef] [PubMed]
- Khot, S.M.; Khaire, P.; Naik, A.S. Experimental and simulation study of flow induced vibration through straight pipes. In Proceedings of the 2017 International Conference on Nascent Technologies in Engineering (ICNTE), Vashi, India, 27–28 January 2017; IEEE: New York, NY, USA, 2017; pp. 1–6. [Google Scholar]
- Ma, Y.; You, Y.; Chen, K.; Feng, A. Analysis of vibration stability of fluid conveying pipe on the two-parameter foundation with elastic support boundary conditions. J. Ocean Eng. Sci. 2024, 9, 616–629. [Google Scholar] [CrossRef]
- Balkaya, M.; Kaya, M.O. Analysis of the instability of pipes conveying fluid resting on two-parameter elastic soil under different boundary conditions. Ocean Eng. 2021, 241, 110003. [Google Scholar] [CrossRef]
- Igel, C.; Hüsken, M. Empirical evaluation of the improved Rprop learning algorithms. Neurocomputing 2003, 50, 105–123. [Google Scholar] [CrossRef]
- Raissi, M.; Perdikaris, P.; Karniadakis, G.E. Physics-informed neural networks: A deep learning framework for solving forward and inverse problems involving nonlinear partial differential equations. J. Comput. Phys. 2019, 378, 686–707. [Google Scholar] [CrossRef]
- Wang, S.; Yu, X.; Perdikaris, P. When and why PINNs fail to train: A neural tangent kernel perspective. J. Comput. Phys. 2022, 449, 110768. [Google Scholar] [CrossRef]











| Mode Order n | Values of knL |
|---|---|
| 1 | 4.730 |
| 2 | 7.853 |
| 3 | 10.996 |
| 4 | 14.137 |
| 5 | 17.279 |
| Description of Parameters | Values |
|---|---|
| Pipe length (L) | 3.416 m |
| External radius of the pipe (Ro) | 291 mm |
| Internal radius of the pipe (Ri) | 250 mm |
| Density of fluid (ρ) | 1000 kg/m3 |
| 7858 kg/m3 | |
| Elastic constant of AISI 4340 Steel pipe (E) | 205 GPa |
| Elastic constant of soil (Es) | 27.60 MPa |
| Poisson’s ratio of soil (v) | 0.3 |
Disclaimer/Publisher’s Note: The statements, opinions and data contained in all publications are solely those of the individual author(s) and contributor(s) and not of MDPI and/or the editor(s). MDPI and/or the editor(s) disclaim responsibility for any injury to people or property resulting from any ideas, methods, instructions or products referred to in the content. |
© 2025 by the authors. Licensee MDPI, Basel, Switzerland. This article is an open access article distributed under the terms and conditions of the Creative Commons Attribution (CC BY) license (https://creativecommons.org/licenses/by/4.0/).
Share and Cite
Sozinando, D.F.; Tchomeni, B.X.; Alugongo, A.A. Fluid-Induced Vibration and Buckling of Pipes on Elastic Foundations: A Physics-Informed Neural Networks Approach. Appl. Sci. 2025, 15, 11906. https://doi.org/10.3390/app152211906
Sozinando DF, Tchomeni BX, Alugongo AA. Fluid-Induced Vibration and Buckling of Pipes on Elastic Foundations: A Physics-Informed Neural Networks Approach. Applied Sciences. 2025; 15(22):11906. https://doi.org/10.3390/app152211906
Chicago/Turabian StyleSozinando, Desejo Filipeson, Bernard Xavier Tchomeni, and Alfayo Anyika Alugongo. 2025. "Fluid-Induced Vibration and Buckling of Pipes on Elastic Foundations: A Physics-Informed Neural Networks Approach" Applied Sciences 15, no. 22: 11906. https://doi.org/10.3390/app152211906
APA StyleSozinando, D. F., Tchomeni, B. X., & Alugongo, A. A. (2025). Fluid-Induced Vibration and Buckling of Pipes on Elastic Foundations: A Physics-Informed Neural Networks Approach. Applied Sciences, 15(22), 11906. https://doi.org/10.3390/app152211906

