Thermal and Acoustic Design of a Shelter for High-Voltage Electrical Equipment
Abstract
1. Introduction
2. Theoretical Background
2.1. Heat Transfer
2.2. Acoustics
3. Materials
4. Thermal Aspects
4.1. Full-Scale Model
- Inlets: the centres are placed at (2 m, 2.06 m) and (6.3 m, 2.06 m) from the bottom left corner of the face and their dimensions are 0.5 m × 3.125 m each.
- Outlet: the centre is placed at (4 m, 5 m) from the bottom left corner of the face and its dimension is 7 m × 0.675 m.
- Aesthetic panels: each aesthetic panel has a dimension of 9 m × 6 m and is placed 0.4 m from the shelter walls.
- Box on top: has dimensions 4.35 m × 4.3 m × 5.925 m and is placed at equal distances from the side walls, it also skirts the wall containing the outlet.
4.2. Results of the Full-Scale Simulation
4.3. Validation of the Model
4.3.1. Experimental Setup
- Inlets: the position was scaled down to (25.6 cm, 30.6 cm) and (78 cm, 30.6 cm) and their dimensions to 6.25 cm × 48.08 cm.
- Outlet: its centre was placed at (50 cm, 76.92) cm from the bottom left corner. Additionally, its dimensions were scaled down to 87.5 cm × 10.38 cm.
- Aesthetic Panels: each aesthetic panel was downscaled to 112.5 m × 92.31 m.
4.3.2. Comparison of the Experimental Results
5. Acoustic Aspects
5.1. Noise Characterisation
5.2. Acoustic Characteristics of the Panels
5.3. Computational Design
5.4. Results of the Noise Simulation
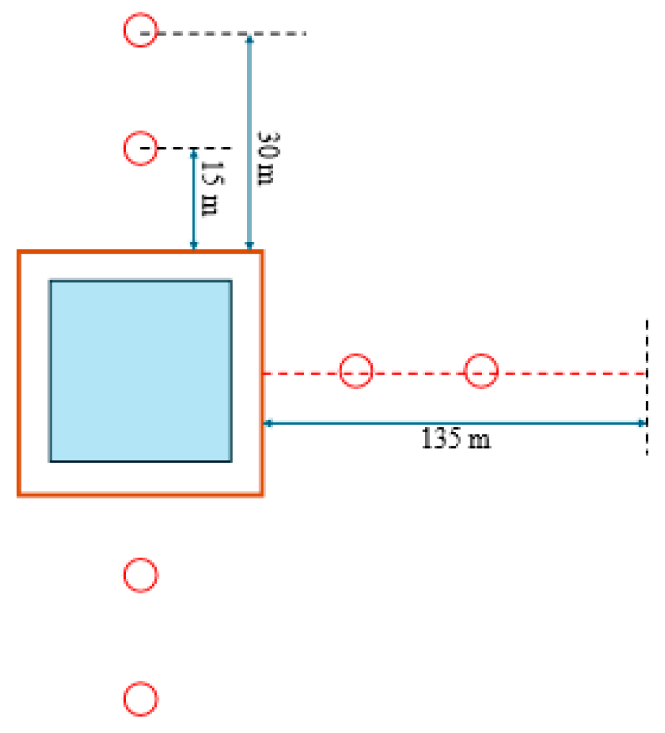
- The receivers closer to the inlets contain I, outlets contain O in their labels, and those along the lateral sides contain L in their labels.
- The labels of the receivers contain the distance from the shelter, be it 15 m or 30 m.
- The labels of the receivers contain an underscore followed by the height from the ground.
5.5. Discussion of the Results for the Noise Simulation
6. Conclusions
Author Contributions
Funding
Institutional Review Board Statement
Informed Consent Statement
Data Availability Statement
Acknowledgments
Conflicts of Interest
References
- Crowe, G. Thermal analysis and optimization of a small, high density dc power system by finite element analysis (fea). In Proceedings of the Intelec’96-International Telecommunications Energy Conference, Boston, MA, USA, 6–10 October 1996; IEEE: Piscataway, NJ, USA, 1996; pp. 718–722. [Google Scholar] [CrossRef]
- Ridley, R.; Reynell, M.; Kern, S. Thermal considerations for distributed power converter systems. In Proceedings of the Eighth Annual Applied Power Electronics Conference and Exposition, San Diego, CA, USA, 7–11 March 1993; IEEE: Piscataway, NJ, USA, 1993; pp. 866–872. [Google Scholar]
- Zhang, M.T.; JovanoviL, M.M. Design and analysis of thermal management for high-power-density converters in sealed enclosures. In Proceedings of the APEC 97—Applied Power, Atlanta, GA, USA, 27 February 1997. [Google Scholar] [CrossRef]
- Swift, G.; Molinski, T.S.; Lehn, W. A fundamental approach to transformer thermal modeling. I. Theory and equivalent circuit. IEEE Trans. Power Deliv. 2001, 16, 171–175. [Google Scholar] [CrossRef]
- Susa, D.; Lehtonen, M. Dynamic Thermal Modeling of Power Transformers: Further Development—Part I. IEEE Trans. Power Deliv. 2006, 21, 1961–1970. [Google Scholar] [CrossRef]
- Hajidavalloo, E.; Mohamadianfard, M. Effect of Sun Radiation on the Thermal Behavior of Distribution Transformer. Appl Therm Eng 2010, 30, 1133–1139. [Google Scholar] [CrossRef]
- Taheri, A.A.; Abdali, A.; Rabiee, A. A Novel Model for Thermal Behavior Prediction of Oil-Immersed Distribution Transformers with Consideration of Solar Radiation. IEEE Trans. Power Deliv. 2019, 34, 1634–1646. [Google Scholar] [CrossRef]
- Gorgan, B.; Notingher, P.V.; Wetzer, J.M.; Verhaart, H.F.A.; Wouters, P.A.A.F.; Van Schijndel, A. Influence of Solar Irradiation on Power Transformer Thermal Balance. IEEE Trans. Dielectr. Electr. Insul. 2012, 19, 1843–1850. [Google Scholar] [CrossRef]
- Tang, W.H.; Wu, Q.H.; Richardson, Z.J. A Simplified Transformer Thermal Model Based on Thermal-Electric Analogy. IEEE Trans. Power Deliv. 2004, 19, 1112–1119. [Google Scholar] [CrossRef]
- Radakovic, Z.; Kalic, D. Results of a Novel Algorithm for the Calculation of the Characteristic Temperatures in Power Oil Transformers; Springer: Berlin/Heidelberg, Germany, 1997; p. 80. [Google Scholar]
- Galdi, V.; Ippolito, L.; Piccolo, A.; Vaccaro, A. Parameter Identification of Power Transformers Thermal Model via Genetic Algorithms. Electr. Power Syst. Res. 2001, 60, 107–113. Available online: www.elsevier.com/locate/epsr (accessed on 10 December 2024). [CrossRef]
- Smolka, J.; Nowak, A.J. Experimental Validation of the Coupled Fluid Flow, Heat Transfer and Electromagnetic Numerical Model of the Medium-Power Dry-Type Electrical Transformer. Int. J. Therm. Sci. 2008, 47, 1393–1410. [Google Scholar] [CrossRef]
- Kim, M.G.; Cho, S.M.; Kim, J.K. Prediction and Evaluation of the Cooling Performance of Radiators Used in Oil-Filled Power Transformer Applications with Non-Direct and Direct-Oil-Forced Flow. Exp Therm Fluid Sci 2013, 44, 392–397. [Google Scholar] [CrossRef]
- Bartoletti, C.; Desiderio, M.; Di Carlo, D.; Fazio, G.; Muzi, F.; Sacerdoti, G.; Salvatori, F. Vibro-Acoustic Techniques to Diagnose Power Transformers. IEEE Trans. Power Deliv. 2004, 19, 221–229. [Google Scholar] [CrossRef]
- Piana, E.A.; Roozen, N.B. On the Control of Low-Frequency Audible Noise from Electrical Substations: A Case Study. Appl. Sci. 2020, 10, 637. [Google Scholar] [CrossRef]
- Angie, CC BY 2.0 <https://creativecommons.org/licenses/by/2.0>, via Wikimedia Commons. Available online: https://en.m.wikipedia.org/wiki/File:High-voltage_circuit-breaker,_white_insulators.jpg (accessed on 10 January 2025).
- Yoon, G.H. Topological Design of Heat Dissipating Structure with Forced Convective Heat Transfer. J. Mech. Sci. Technol. 2010, 24, 1225–1233. [Google Scholar] [CrossRef]
- ISO 3744:2020; Acoustics-Determination of Sound Power Levels and Sound Energy Levels of Noise Sources Using Sound Pressure-Engineering Methods for an Essentially Free Field over a Reflecting Plane. 3rd Edition October. International Organisation for Standardization (ISO): Geneva, Switzerland.
- BS 4142:2014; Methods for Rating and Assessing Industrial and Commercial Sound. British Standards Institution: London, UK, 2014.
- Judd, T.E.; Zollitsch, D.; Weigand, S.; Stephenson, U.; Schaal, J. Uncertainty-Based Diffraction Using Sound Particle Methods in Noise Control Software. In Proceedings of the INTER-NOISE and NOISE-CON Congress and Conference Proceedings, Hamburg, Germany, 21–24 August 2016; Institute of Noise Control Engineering: Wakefield, MA, USA, 2016; Volume 253, pp. 1050–1058. [Google Scholar]
- Metecno. (2017, 10). Hipertec© Roof. Technical Data Sheet. Available online: https://metecnoitalia.it/wp-content/uploads/2024/02/Scheda-tecnica-Hipertec-Roof-CE-0605-rev.8-2-2019.pdf (accessed on 10 December 2024).
- Bardina, J.; Huang, P.; Coakley, T. Turbulence Modeling Validation, Testing, and Development; NASA Technical Memorandum: Arlington, VA, USA, 1997. [Google Scholar]
- Gray, D.D.; Giorgini, A. The Validity of the Boussinesq Approximation for Liquids and Gases; Pergamon Press: Oxford, UK, 1976; Volume 19. [Google Scholar]
- Ramos, J.C.; Beiza, M.; Gastelurrutia, J.; Rivas, A.; Antón, R.; Larraona, G.S.; De Miguel, I. Numerical Modelling of the Natural Ventilation of Underground Transformer Substations. Appl Therm Eng 2013, 51, 852–863. [Google Scholar] [CrossRef]


















| Property | Polystyrene | Cardboard |
|---|---|---|
| Heat capacity at constant pressure (J/(kg K)) | 126 | 1200 |
| Thermal conductivity (W/(m K)) | 0.033 | 0.05 |
| Density (kg/m3) | 1000 | 690 |
| Surface emissivity | 0.3 | 0.25 |
| RMSE [°C] | MBE | CV(RMSE) | |
|---|---|---|---|
| Gap temperature | 1.86 | −5.28% | 5.63% |
| Inside temperature | 1.60 | −2.03% | 4.05% |
| Outside temperature | 0.46 | −0.16% | 1.55% |
| Sr. No. | Side of the Switchgear | Height from the Ground |
|---|---|---|
| 1 | Left | 2.3 m |
| 2 | Left | 1.5 m |
| 3 | Front | 2.3 m |
| 4 | Front | 1.5 m |
| 5 | Right | 2.3 m |
| 6 | Right | 1.5 m |
| Operation | (dB) | (dB(A)) | (dB) | (dB(A)) |
|---|---|---|---|---|
| O | 89.0 | 84.7 | 109.6 | 105.2 |
| C | 87.8 | 83.2 | 108.3 | 103.7 |
| OCO2CO | 97.0 | 92.6 | 117.5 | 113.1 |
Disclaimer/Publisher’s Note: The statements, opinions and data contained in all publications are solely those of the individual author(s) and contributor(s) and not of MDPI and/or the editor(s). MDPI and/or the editor(s) disclaim responsibility for any injury to people or property resulting from any ideas, methods, instructions or products referred to in the content. |
© 2025 by the authors. Licensee MDPI, Basel, Switzerland. This article is an open access article distributed under the terms and conditions of the Creative Commons Attribution (CC BY) license (https://creativecommons.org/licenses/by/4.0/).
Share and Cite
Basu, S.; Piana, E. Thermal and Acoustic Design of a Shelter for High-Voltage Electrical Equipment. Appl. Sci. 2025, 15, 957. https://doi.org/10.3390/app15020957
Basu S, Piana E. Thermal and Acoustic Design of a Shelter for High-Voltage Electrical Equipment. Applied Sciences. 2025; 15(2):957. https://doi.org/10.3390/app15020957
Chicago/Turabian StyleBasu, Somayan, and Edoardo Piana. 2025. "Thermal and Acoustic Design of a Shelter for High-Voltage Electrical Equipment" Applied Sciences 15, no. 2: 957. https://doi.org/10.3390/app15020957
APA StyleBasu, S., & Piana, E. (2025). Thermal and Acoustic Design of a Shelter for High-Voltage Electrical Equipment. Applied Sciences, 15(2), 957. https://doi.org/10.3390/app15020957

