Design of an SAR-Assisted Offset-Calibrated Chopper CFIA for High-Precision 4–20 mA Transmitter Front Ends
Abstract
1. Introduction
2. Circuit Implementation
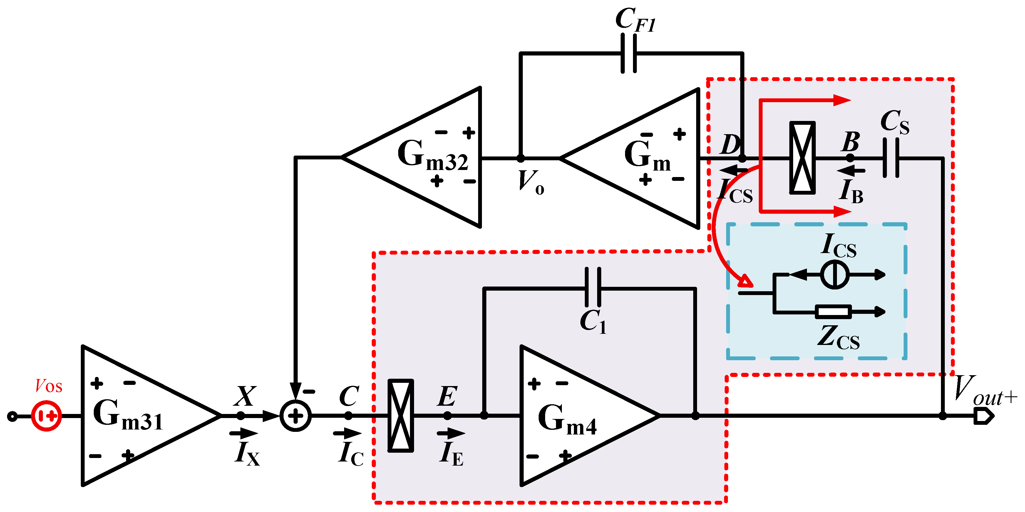
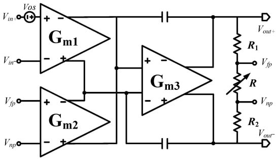
Basic Structure and Gain Characterization of the CFIA
3. Circuit Architecture and Implementation
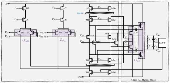
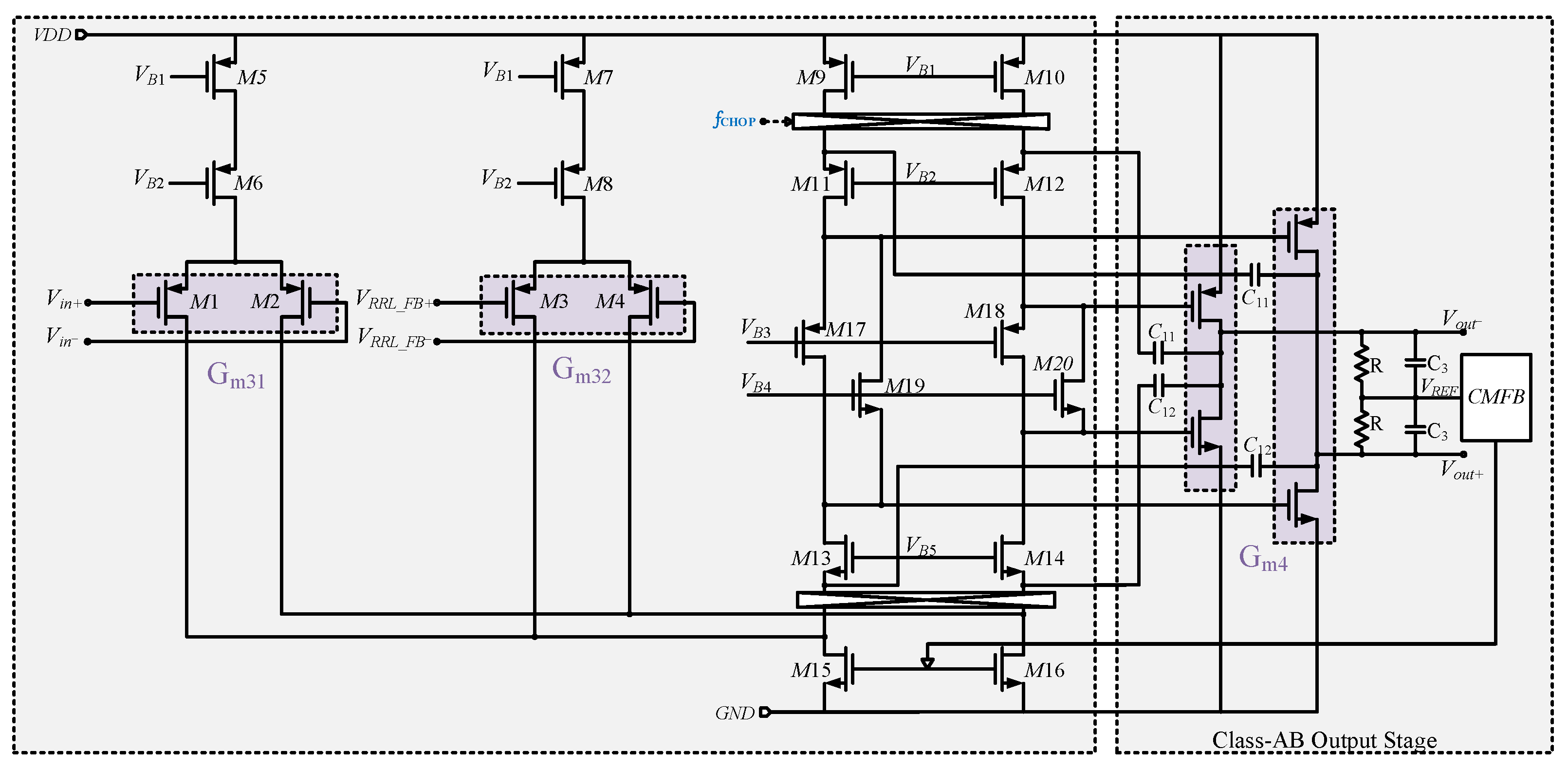
3.1. Design of the Chopper-Modulated Input Stage Amplifier
3.2. Chopper-Modulated Input Stage Design
3.3. Design of the Intermediate and Output Stage Amplifiers
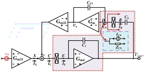
3.4. Ripple Reduction Loop: Circuit Structure and Implementation
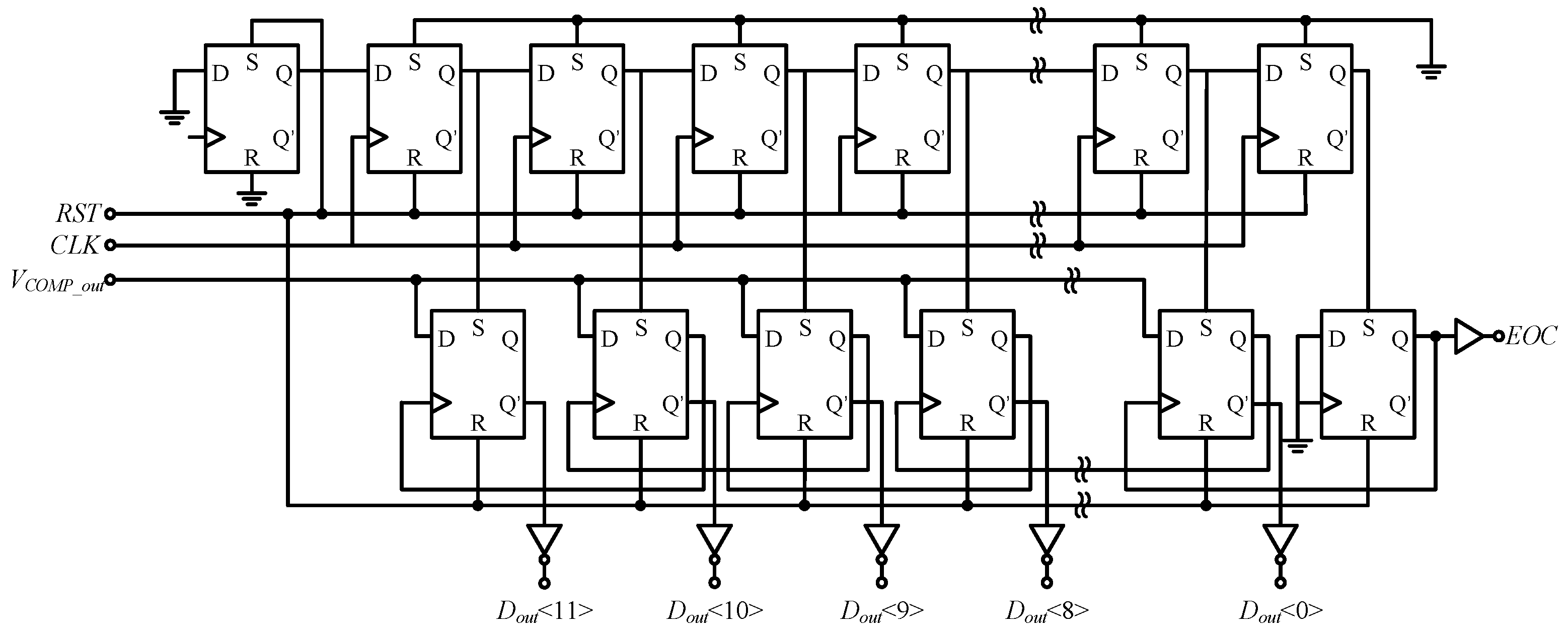
3.5. SAR-Assisted Automatic Offset Voltage Calibration Loop Design


4. Discussion and Conclusions
Supplementary Materials
Author Contributions
Funding
Data Availability Statement
Conflicts of Interest
References
- Arumun, J.; Eronu, E. Low-Cost 4-20 mA Loop Calibrator. J. Flow Control Meas. Vis. 2023, 11, 49–63. [Google Scholar] [CrossRef]
- Chaipurimas, K.; Rerkratn, A.; Cheypoca, T.; Riewruja, V. 4–20 mA current transceiver. In Proceedings of the ICCAS 2010, Gyeonggi-do, Republic of Korea, 27–30 October 2010; IEEE: New York, NY, USA, 2010; pp. 1631–1634. [Google Scholar] [CrossRef]
- Witt, T.; Mena, R.; Cornell, E. Single chip, 2-wire, 4–20 mA current loop RTD temperature transmitter design. In Proceedings of the IECON 2014—40th Annual Conference of the IEEE Industrial Electronics Society, Dallas, TX, USA, 29 October–1 November 2014; IEEE: New York, NY, USA, 2014; pp. 2380–2383. [Google Scholar] [CrossRef]
- Sharma, D.; Shylashree, N.; Prasad, R.; Nath, V. Analysis of Programmable Gain Instrumentation Amplifier. Int. J. Microsyst. IoT 2023, 1, 41–47. [Google Scholar] [CrossRef]
- Van Den Dool, B.J.; Huijsing, J.H. Indirect current feedback instrumentation amplifier with a common mode input range that includes the negative rail. In Proceedings of the ESSCIRC ’92: Eighteenth European Solid-State Circuits Conference, Copenhagen, Denmark, 22–24 September 1992; IEEE: New York, NY, USA, 1992; pp. 175–178. [Google Scholar] [CrossRef]
- Sharma, D.; Nath, V. CMOS Instrumentation Amplifier: Comparative Analysis and Design for Enhanced Performance in Diverse Applications. Mikrotalasna Rev. Microw. Rev. 2024, 30, 159–168. [Google Scholar] [CrossRef]
- Fan, Q.; Sebastiano, F.; Huijsing, J.H.; Makinwa, K.A.A. A 1.8μW 60 nV nV/√Hz Capacitively-Coupled Chopper Instrumentation Amplifier in 65 nm CMOS for Wireless Sensor Nodes. IEEE J. Solid-State Circuits 2011, 46, 1534–1543. [Google Scholar] [CrossRef]
- Xu, J.; Yazicioglu, R.F.; Harpe, P.; Makinwa, K.A.A.; Van Hoof, C. A 160 μW 8-channel active electrode system for EEG monitoring. In Proceedings of the 2011 IEEE International Solid-State Circuits Conference, San Francisco, CA, USA, 20–24 February 2011; IEEE: New York, NY, USA, 2011; pp. 300–302. [Google Scholar] [CrossRef]
- Yao, Y.; Li, Z.; Chen, Z.; Wu, Z.; Li, B. A high-input impedance chopper capacitively coupled instrumentation amplifier with DC offset compensation. In Proceedings of the 2024 6th International Conference on Circuits and Systems (ICCS), Chengdu, China, 13–15 September 2024; IEEE: New York, NY, USA, 2024; pp. 6–10. [Google Scholar] [CrossRef]
- Ng, K.A.; Zhang, L.; Wu, H.; Tang, T.; Yoo, J. A Single-Stage, Capacitively-Coupled Instrumentation Amplifier with Complementary Transimpedance Boosting. IEEE Trans. Circuits Syst. Regul. Pap. 2024, 71, 2989–3001. [Google Scholar] [CrossRef]
- Koo, N. Design of Low Power and Low Noise Instrumentation Amplifier for Biopotential Acquisition: A Review. IEEE Access 2025, 13, 23359–23370. [Google Scholar] [CrossRef]
- Jun, J.; Park, S.; Kang, J.; Kim, S. A 22-bit Read-Out IC with 7-ppm INL and Sub-100-μHz 1/f Corner for DC Measurement Systems. IEEE J. Solid-State Circuits 2019, 54, 3086–3096. [Google Scholar] [CrossRef]
- Pertijs, M.A.P.; Kindt, W.J. A 140 dB-CMRR Current-Feedback Instrumentation Amplifier Employing Ping-Pong Auto-Zeroing and Chopping. IEEE J. Solid-State Circuits 2010, 45, 2044–2056. [Google Scholar] [CrossRef]
- Witte, J.F.; Huijsing, J.H.; Makinwa, K.A.A. A Current-Feedback Instrumentation Amplifier with 5μV Offset for Bidirectional High-Side Current-Sensing. IEEE J. Solid-State Circuits 2008, 43, 2769–2775. [Google Scholar] [CrossRef]
- Chen, T.-Y.; Tsai, Y.-L.; Lin, T.-H. A current feedback instrumentation amplifier with chopping and dynamic element matching techniques and employing the current-reuse technique in input/feedback stages. In Proceedings of the 2017 International Symposium on VLSI Design, Automation and Test (VLSI-DAT), Hsinchu, Taiwan, 24–27 April 2017; IEEE: New York, NY, USA, 2017; pp. 1–4. [Google Scholar] [CrossRef]
- Xie, P.; Duan, Q.; Meng, Z.; Huang, S.; Ding, Y.; Han, L. A low-noise, low-power, and chopper-stabilized, current-feedback instrumentation amplifier for current sensing application. In Proceedings of the 2019 IEEE 4th International Conference on Integrated Circuits and Microsystems (ICICM), Beijing, China, 23–25 October 2019; IEEE: New York, NY, USA, 2019; pp. 162–165. [Google Scholar] [CrossRef]
- Juruena, K.M.; Villacorta, P.M.; Obar, T.E.; Siglos, J.R.; Ramones, A.J.; Manzano, J.-M.; Sanchez, Z.R.; Leynes, A.; Ralota, M.S.; Hizon, J.R.; et al. A high CMRR, high input impedance current-feedback instrumentation amplifier (CFIA) in 22-nm UTBB FD-SOI for signal conditioning of MEMS piezoresistive pressure sensors. In Proceedings of the 2023 20th International SoC Design Conference (ISOCC), Jeju, Republic of Korea, 25–28 October 2023; IEEE: New York, NY, USA, 2023; pp. 269–270. [Google Scholar] [CrossRef]
- Zhao, M.; Meng, Z.; Zhang, X. A low-noise chopper current feedback instrumentation amplifier for processing feeble and low frequency signals. In Proceedings of the 2024 4th International Conference on Electronics, Circuits and Information Engineering (ECIE), Hangzhou, China, 24–26 May 2024; IEEE: New York, NY, USA, 2024; pp. 10–17. [Google Scholar] [CrossRef]
- Lee, C.-J.; Song, J.-I. A Chopper Stabilized Current-Feedback Instrumentation Amplifier for EEG Acquisition Applications. IEEE Access 2019, 7, 11565–11569. [Google Scholar] [CrossRef]
- Enz, C.C.; Temes, G.C. Circuit techniques for reducing the effects of op-amp imperfections: Autozeroing, correlated double sampling, and chopper stabilization. Proc. IEEE 1996, 84, 1584–1614. [Google Scholar] [CrossRef]
- Oliaei, O. Noise analysis of correlated double sampling sc integrators with a hold capacitor. IEEE Trans. Circuits Syst. Fundam. Theory Appl. 2003, 50, 1198–1202. [Google Scholar] [CrossRef]
- Wu, R.; Makinwa, K.A.A.; Huijsing, J.H. A Chopper Current-Feedback Instrumentation Amplifier With a 1 mHz 1/f Noise Corner and an AC-Coupled Ripple Reduction Loop. IEEE J. Solid-State Circuits 2009, 44, 3232–3243. [Google Scholar] [CrossRef]
- Kusuda, Y. Auto Correction Feedback for Ripple Suppression in a Chopper Amplifier. IEEE J. Solid-State Circuits 2010, 45, 1436–1445. [Google Scholar] [CrossRef]
- Leung, K.N.; Mok, P.K.T. Analysis of multistage amplifier-frequency compensation. IEEE Trans. Circuits Syst. Fundam. Theory Appl. 2001, 48, 1041–1056. [Google Scholar] [CrossRef]
- Kwon, Y.; Kim, H.; Kim, J.; Han, K.; You, D.; Heo, H.; Cho, D.-I.; Ko, H. Fully Differential Chopper-Stabilized Multipath Current-Feedback Instrumentation Amplifier with R-2R DAC Offset Adjustment for Resistive Bridge Sensors. Appl. Sci. 2019, 10, 63. [Google Scholar] [CrossRef]
- Koo, N.; Cho, S. A 24.8-μW Biopotential Amplifier Tolerant to 15-VPP Common-Mode Interference for Two-Electrode ECG Recording in 180-nm CMOS. IEEE J. Solid-State Circuits 2021, 56, 591–600. [Google Scholar] [CrossRef]






















| Parameter | This Work | [25] | [26] | [16] | [13] |
|---|---|---|---|---|---|
| Technology (μm) | 0.18 | 0.18 | 0.18 | 0.18 | 0.5 |
| Architecture | CFIA | CFIA | CBIA | CFIA | CFIA |
| DOC Techniques | CH+RRL | Multipath +RRL | CH +CMCP +HPF | CH + RRL | AZ + CH |
| fchop or faz (kHz) | 150 | - | 4.1 | 20/200 | - |
| Supply Voltage (V) | 1.8 | 3.3 | 1.2 | 3.3 | 3–5.5 |
| Current Consumption (μA) | 182 | 169 | 20.7 | 200 | 1700 |
| Gain Bandwidth (Hz) | 2.16M | 59.2 k | - | - | 0.8M |
| Input Referred Noise (nV/√Hz@1 KHz) | 20.28 | 28.3 | 87 | 23 | 27 |
| CMRR (dB) | 122 | 162 | 66 | 130 | 138 |
| PSRR (dB) | 117 | 112 | - | - | 142 |
| Input Referred Offset (μV) | <1 | - | - | 5 | 2.8 |
| Automatic Offset Calibration | Yes | No | No | No | No |
Disclaimer/Publisher’s Note: The statements, opinions and data contained in all publications are solely those of the individual author(s) and contributor(s) and not of MDPI and/or the editor(s). MDPI and/or the editor(s) disclaim responsibility for any injury to people or property resulting from any ideas, methods, instructions or products referred to in the content. |
© 2025 by the authors. Licensee MDPI, Basel, Switzerland. This article is an open access article distributed under the terms and conditions of the Creative Commons Attribution (CC BY) license (https://creativecommons.org/licenses/by/4.0/).
Share and Cite
Ren, J.; Niu, Y.; Liu, B.; Li, M.; Bai, Y.; Chen, Y. Design of an SAR-Assisted Offset-Calibrated Chopper CFIA for High-Precision 4–20 mA Transmitter Front Ends. Appl. Sci. 2025, 15, 9084. https://doi.org/10.3390/app15169084
Ren J, Niu Y, Liu B, Li M, Bai Y, Chen Y. Design of an SAR-Assisted Offset-Calibrated Chopper CFIA for High-Precision 4–20 mA Transmitter Front Ends. Applied Sciences. 2025; 15(16):9084. https://doi.org/10.3390/app15169084
Chicago/Turabian StyleRen, Jian, Yiqun Niu, Bin Liu, Meng Li, Yansong Bai, and Yuang Chen. 2025. "Design of an SAR-Assisted Offset-Calibrated Chopper CFIA for High-Precision 4–20 mA Transmitter Front Ends" Applied Sciences 15, no. 16: 9084. https://doi.org/10.3390/app15169084
APA StyleRen, J., Niu, Y., Liu, B., Li, M., Bai, Y., & Chen, Y. (2025). Design of an SAR-Assisted Offset-Calibrated Chopper CFIA for High-Precision 4–20 mA Transmitter Front Ends. Applied Sciences, 15(16), 9084. https://doi.org/10.3390/app15169084

