A Parallel Polyurea Method for Enhancing Damping Characteristics of Metal Lattice Structures in Vibration Isolation and Shock Resistance
Abstract
1. Introduction
2. Metal Lattice–Polyurea Parallel Composite Structure and Theoretical Modeling
2.1. Metal Lattice–Polyurea Parallel Composite Structure
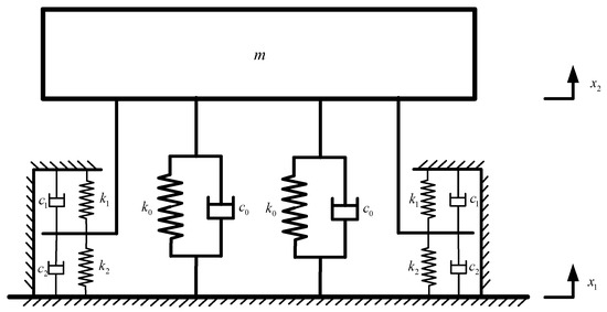
2.2. Theoretical Modeling
3. Experimental Methodology
3.1. Experiments of Dynamic Mechanical Properties of Polyurea
3.1.1. Design of Polyurea Samples
3.1.2. Dynamic Experimental Setup
3.1.3. Identification Methods for Dynamic Stiffness and Damping
3.2. Shock and Swept-Frequency Experiments of Metal Lattice–Polyurea Parallel Composite Structure
3.2.1. Experimental Setup
3.2.2. Experimental Scheme
4. Results and Discussion
4.1. Dynamic Mechanical Properties of Polyurea
4.1.1. Effects of Preload
4.1.2. Effects of Area
4.1.3. Effects of Thickness
4.1.4. Effects of Excitation Frequency
4.1.5. Effects of Excitation Amplitude
4.2. Shock Resistance Performance
4.3. Vibration Isolation Performance
5. Conclusions
Author Contributions
Funding
Institutional Review Board Statement
Informed Consent Statement
Data Availability Statement
Conflicts of Interest
References
- Zhang, L.; Bai, Z.; Zhang, Q.; Jin, Y.; Chen, Y. On vibration isolation performance and crashworthiness of a three-dimensional lattice metamaterial. Eng. Struct. 2023, 292, 116510. [Google Scholar] [CrossRef]
- Aguzzi, G.; Kanellopoulos, C.; Wiltshaw, R.; Craster, R.V.; Chatzi, E.N.; Colombi, A. Octet lattice-based plate for elastic wave control. Sci. Rep. 2022, 12, 1088. [Google Scholar] [CrossRef] [PubMed]
- Wu, Y.; Yao, H.; Li, X.; Han, S. Metamaterial shaft with a low Poisson’s ratio lattice structure for torsional vibration isolation. Mech. Syst. Signal Process. 2025, 228, 112454. [Google Scholar] [CrossRef]
- Cheng, Z.; Zhang, X.; Yan, K.; Zhao, Y.; Cui, J. An improved BCC lattice structure for vibration isolation in extreme environment. Adv. Mech. Eng. 2024, 16, 1–15. [Google Scholar] [CrossRef]
- Syam, W.P.; Jianwei, W.; Zhao, B.; Maskery, I.; Elmadih, W.; Leach, R. Design and analysis of strut-based lattice structures for vibration isolation. Precis. Eng. 2018, 52, 494–506. [Google Scholar] [CrossRef]
- Azmi, M.S.; Ismail, R.; Putra, A. Correlation of design parameters of lattice structure for highly tunable passive vibration isolator. J. Vib. Control 2023, 29, 1777–1790. [Google Scholar] [CrossRef]
- Chen, M.; Lin, D.; Yang, L.; Zhang, C.; Qiao, H.; Kang, L.; He, L.; Ren, Y.; Yan, C.; Shi, Y. Multicell interlacing IWP lattice metamaterials with superior low-frequency vibration isolation performance fabricated by laser powder bed fusion. Addit. Manuf. 2025, 99, 104681. [Google Scholar] [CrossRef]
- Wang, R.; Shang, J.; Li, X.; Luo, Z.; Wu, W. Vibration and damping characteristics of 3D printed Kagome lattice with viscoelastic material filling. Sci. Rep. 2018, 8, 9604. [Google Scholar] [CrossRef]
- Kerwin, E.M. Damping of Flexural Waves by a Constrained Viscoelastic Layer. J. Acoust. Soc. Am. 1959, 31, 952–962. [Google Scholar] [CrossRef]
- Oberst, H.; Frankenfeld, K. Über die Dämpfung der Biegeschwingungen dünner Bleche durch fest haftende Beläge. Acta Acust. United Acust. 1952, 2, 181–194. [Google Scholar]
- Guo, H.; Zhou, Z.; Gu, M.; Yu, A.; Ling, X.; Yao, W. Preparation of impact-resistant functional polyurea coatings and effect of γ-ray irradiation on its microstructure and performance. Prog. Org. Coat. 2021, 161, 106521. [Google Scholar] [CrossRef]
- Arunkumar, T.; Sunitha, S.; Theerthagiri, J.; Jeevagan, J.; Anish, M.; Tatarchuk, T. Effect of Polyurea Coating on Corrosion Resistance Over Mild Steel and Aluminium Substrates for Liquid Storage Applications. Mol. Cryst. Liq. Cryst. 2018, 670, 60–73. [Google Scholar] [CrossRef]
- Yan, J.; Gao, Z.; Song, J.; Liu, Z.; Tan, Q. Corrosion Behavior of Carbon Nanotubes/Polyurea Composite Coatings in Alkaline Environment. Int. J. Electrochem. Sci. 2020, 15, 10253–10261. [Google Scholar] [CrossRef]
- Huang, X.; Zhang, Z.; Wu, J. Dynamic response tests of polyurea-coated 3-D lattice sandwich structure with negative Poisson’ s ratio under impact load. J. Vib. Shock 2021, 40, 259–270. [Google Scholar]
- Ackland, K.; Anderson, C.; Ngo, T.D. Deformation of polyurea-coated steel plates under localised blast loading. Int. J. Impact Eng. 2013, 51, 13–22. [Google Scholar] [CrossRef]
- Zhang, Z.; Zhang, Z.; Huang, X. Experimental study on the impact response of the polyurea-coated 3D auxetic lattice sandwich panels subjected to air explosion. Compos. Struct. 2023, 323, 117500. [Google Scholar] [CrossRef]
- Iqbal, N.; Tripathi, M.; Parthasarathy, S.; Kumar, D.; Roy, P.K. Polyurea coatings for enhanced blast-mitigation: A review. RSC Adv. 2016, 6, 109706–109717. [Google Scholar] [CrossRef]
- Do, S.; Huynh, N.U.; Reed, N.; Mohammad Shaik, A.; Nacy, S.; Youssef, G. Partially-Perforated Self-Reinforced Polyurea Foams. Appl. Sci. 2020, 10, 5869. [Google Scholar] [CrossRef]
- Wang, R.; Zhou, G.; Zuo, X. Test and Numerical Study on Blast Resistance of Main Girders Coated with Polyurea in Self-Anchored Suspension Bridges. Appl. Sci. 2024, 14, 9280. [Google Scholar] [CrossRef]
- Wang, X.; Li, X.; Yu, R.; Ren, J.; Zhang, Q.; Zhao, Z.; Ni, C.; Han, B.; Lu, T.J. Enhanced vibration and damping characteristics of novel corrugated sandwich panels with polyurea-metal laminate face sheets. Compos. Struct. 2020, 251, 112591. [Google Scholar] [CrossRef]
- Wang, X.; Li, X.; Yue, Z.; Yu, R.; Zhang, Q.; Du, S.; Yang, Z.; Han, B.; Lu, T.J. Optimal design of metallic corrugated sandwich panels with polyurea-metal laminate face sheets for simultaneous vibration attenuation and structural stiffness. Compos. Struct. 2021, 256, 112994. [Google Scholar] [CrossRef]
- Vesenjak, M.; Krstulović-Opara, L.; Ren, Z.; öchsner, A.; Domazet, Ž. Experimental Study of Open-Cell Cellular Structures with Elastic Filler Material. Exp. Mech. 2009, 49, 501–509. [Google Scholar] [CrossRef]
- D Mello, R.J.; Waas, A.M. Synergistic energy absorption in the axial crush response of filled circular cell honeycombs. Compos. Struct. 2012, 94, 1669–1676. [Google Scholar] [CrossRef]
- Yin, S.; Rayess, N. Characterization of Polymer-metal Foam Hybrids for Use in Vibration Dampening and Isolation. Procedia Mater. Sci. 2014, 4, 311–316. [Google Scholar] [CrossRef]
- Aumjaud, P.; Smith, C.W.; Evans, K.E. A novel viscoelastic damping treatment for honeycomb sandwich structures. Compos. Struct. 2015, 119, 322–332. [Google Scholar] [CrossRef]
- Mair, T.; Baehr, S.; Fuerbacher, J.; Zaeh, M.F. Experimental Investigations of the Influence of Filler Materials on the Dynamic Structural Behavior of a Lattice Structure Manufactured by PBF-LB/M. Procedia CIRP 2023, 120, 1004–1009. [Google Scholar] [CrossRef]
- Yang, J.; Ma, L.; Schmidt, R.; Qi, G.; Schröder, K.; Xiong, J.; Wu, L. Hybrid lightweight composite pyramidal truss sandwich panels with high damping and stiffness efficiency. Compos. Struct. 2016, 148, 85–96. [Google Scholar] [CrossRef]
- Elmadih, W. Additively Manufactured Lattice Structures for Vibration Attenuation. Ph.D. Thesis, University of Nottingham, Nottingham, UK, 2019. [Google Scholar]
- Ramirez, B.J.; Misra, U.; Gupta, V. Viscoelastic foam-filled lattice for high energy absorption. Mech. Mater. 2018, 127, 39–47. [Google Scholar] [CrossRef]
- Cheng, Z.; Cui, J.; Zhao, Y.; Jin, M. Time Domain Response Analysis of Ship Power Equipment Vibration Isolation System under Shock. In Proceedings of the 2021 IEEE 15th International Conference on Electronic Measurement & Instruments (ICEMI), Nanjing, China, 2–4 November 2021; IEEE: New York, NY, USA, 2021. [Google Scholar]
- Zhang, R.; Huang, W.; Lyu, P.; Yan, S.; Wang, X.; Ju, J. Polyurea for Blast and Impact Protection: A Review. Polymers 2022, 14, 2670. [Google Scholar] [CrossRef]
- Chu, D.; Li, Z.; Yao, K.; Wang, Y.; Tian, R.; Zhuang, Z.; Liu, Z. Studying the strengthening mechanism and thickness effect of elastomer coating on the ballistic-resistance of the polyurea-coated steel plate. Int. J. Impact Eng. 2022, 163, 104181. [Google Scholar] [CrossRef]
- Wang, Y.; Ding, L.; Lin, J.; Qiu, X.; Wu, C.; Liu, C.; Tian, Y.; Zhang, R.; Huang, W.; Ma, M. Recent Developments in Polyurea Research for Enhanced Impact Penetration Resistance and Blast Mitigation. Polymers 2024, 16, 440. [Google Scholar] [CrossRef] [PubMed]
- Shang, S.; Wang, Z. Dynamic Analysis of a Spring-Asphalt Three-Dimensional Isolation System Based on Cyclic Simple Shear and Shaking Table Tests. Appl. Sci. 2020, 10, 6530. [Google Scholar] [CrossRef]
- Erduran, E.; Gonen, S.; Pulatsu, B.; Soyoz, S. Damping in masonry arch railway bridges under service loads: An experimental and numerical investigation. Eng. Struct. 2023, 294, 116801. [Google Scholar] [CrossRef]
- Zhang, J.; Li, Q. Identification of modal parameters of a 600-m-high skyscraper from field vibration tests. Earthq. Eng. Struct. Dyn. 2019, 48, 1678–1698. [Google Scholar] [CrossRef]
- Monkova, K.; Vasina, M.; Zaludek, M.; Monka, P.P.; Tkac, J. Mechanical Vibration Damping and Compression Properties of a Lattice Structure. Materials 2021, 14, 1502. [Google Scholar] [CrossRef]













| Diameter D/mm | Thickness t/mm | ||
|---|---|---|---|
| 10 | 20 | 40 | |
| 10 | 20 | 40 | |
| 10 | 20 | 40 | |
| Type | Theoretical Maximum Response/(m/s2) | Experimental Maximum Response/(m/s2) |
|---|---|---|
| LS | 13.286 | 11.659 |
| CS-6 mm | 13.200 | 9.525 |
| CS-8 mm | 13.146 | 9.506 |
| Type | Theoretical Results | Experimental Results | ||
|---|---|---|---|---|
| ξ | c/(N·s/m) | ξ | c/(N·s/m) | |
| LS | - | - | 0.0415 | 2103.6 |
| CS-6 mm | 0.0563 | 2903.6 | 0.0806 | 4128.8 |
| CS-8 mm | 0.0639 | 3303.6 | 0.0849 | 4355.1 |
| Type | Theoretical Results | Experimental Results | ||
|---|---|---|---|---|
| Natural Frequency/Hz | Peak Value | Natural Frequency/Hz | Peak Value | |
| LS | 73.55 | 53.54 | 73.55 | 53.60 |
| CS-6 mm | 74.50 | 20.59 | 73.63 | 32.41 |
| CS-8 mm | 74.60 | 15.76 | 73.63 | 26.28 |
| Type | Theoretical Results | Experimental Results | ||
|---|---|---|---|---|
| ξ | c/(N·s/m) | ξ | c/(N·s/m) | |
| LS | - | - | 0.0093 | 486.98 |
| CS-6 mm | 0.0243 | 1286.98 | 0.0154 | 807.03 |
| CS-8 mm | 0.0318 | 1686.98 | 0.0190 | 995.47 |
Disclaimer/Publisher’s Note: The statements, opinions and data contained in all publications are solely those of the individual author(s) and contributor(s) and not of MDPI and/or the editor(s). MDPI and/or the editor(s) disclaim responsibility for any injury to people or property resulting from any ideas, methods, instructions or products referred to in the content. |
© 2025 by the authors. Licensee MDPI, Basel, Switzerland. This article is an open access article distributed under the terms and conditions of the Creative Commons Attribution (CC BY) license (https://creativecommons.org/licenses/by/4.0/).
Share and Cite
Cheng, Z.; Zhang, X.; Zhuang, Y.; Zhao, Y.; Cui, J. A Parallel Polyurea Method for Enhancing Damping Characteristics of Metal Lattice Structures in Vibration Isolation and Shock Resistance. Appl. Sci. 2025, 15, 7116. https://doi.org/10.3390/app15137116
Cheng Z, Zhang X, Zhuang Y, Zhao Y, Cui J. A Parallel Polyurea Method for Enhancing Damping Characteristics of Metal Lattice Structures in Vibration Isolation and Shock Resistance. Applied Sciences. 2025; 15(13):7116. https://doi.org/10.3390/app15137116
Chicago/Turabian StyleCheng, Zhongyi, Xinbin Zhang, Yizhong Zhuang, Yamin Zhao, and Junning Cui. 2025. "A Parallel Polyurea Method for Enhancing Damping Characteristics of Metal Lattice Structures in Vibration Isolation and Shock Resistance" Applied Sciences 15, no. 13: 7116. https://doi.org/10.3390/app15137116
APA StyleCheng, Z., Zhang, X., Zhuang, Y., Zhao, Y., & Cui, J. (2025). A Parallel Polyurea Method for Enhancing Damping Characteristics of Metal Lattice Structures in Vibration Isolation and Shock Resistance. Applied Sciences, 15(13), 7116. https://doi.org/10.3390/app15137116

