Investigation of the Influence of Filter Approximation on the Performance of Reactive Power Compensators in Railway Traction Drive Systems
Abstract
1. Introduction
- Non-linear current–voltage characteristics of the inverter’s power transistors are primary sources of higher-order current harmonics.
- Variations in the dynamic behavior of the train lead to instability in the loading conditions of the traction drive. This results in continuous transient processes within the system, which in turn affect the harmonic content of the stator phase currents in the traction motor.
- A novel approach is proposed in which, instead of compensating higher-order voltage harmonics within the line voltage system, compensation is performed within the stator phase voltage system.
- For the examined filter types, a structural scheme is developed that enables dynamic adaptation of the filter cut-off frequencies to variations in the supply frequency of the asynchronous motor.
- An algorithm is proposed for evaluating convergence, defined as the time required for the modulus of the spatial vectors of the stator currents in the studied configuration to match those in a reference system powered by pure sinusoidal voltages.
- The effect of the filter approximation method on the reactive power compensator’s effectiveness is thoroughly investigated.
- Within an FOC framework, the impact of adapting the filter cut-off frequency to the supply frequency is assessed with respect to efficiency, torque ripple coefficient, convergence behavior, and total harmonic distortion (THD).
2. Materials and Methods
- Autonomous voltage inverter receives power directly from the DC link.
- The induction motor for the traction drive system serves as a linear load.
2.1. Justification for the Selection of the Reactive Power Compensator Topology and Development of Its Integration Scheme into the Power Circuit of the Traction Drive
2.2. Justification of the Power Circuit Topology for the Reactive Power Compensator and Integration Scheme into the Traction Drive Power System
2.3. Development of the Active Filter Voltage Control Circuit
2.4. Determining the Parameters of Filter Transfer Functions
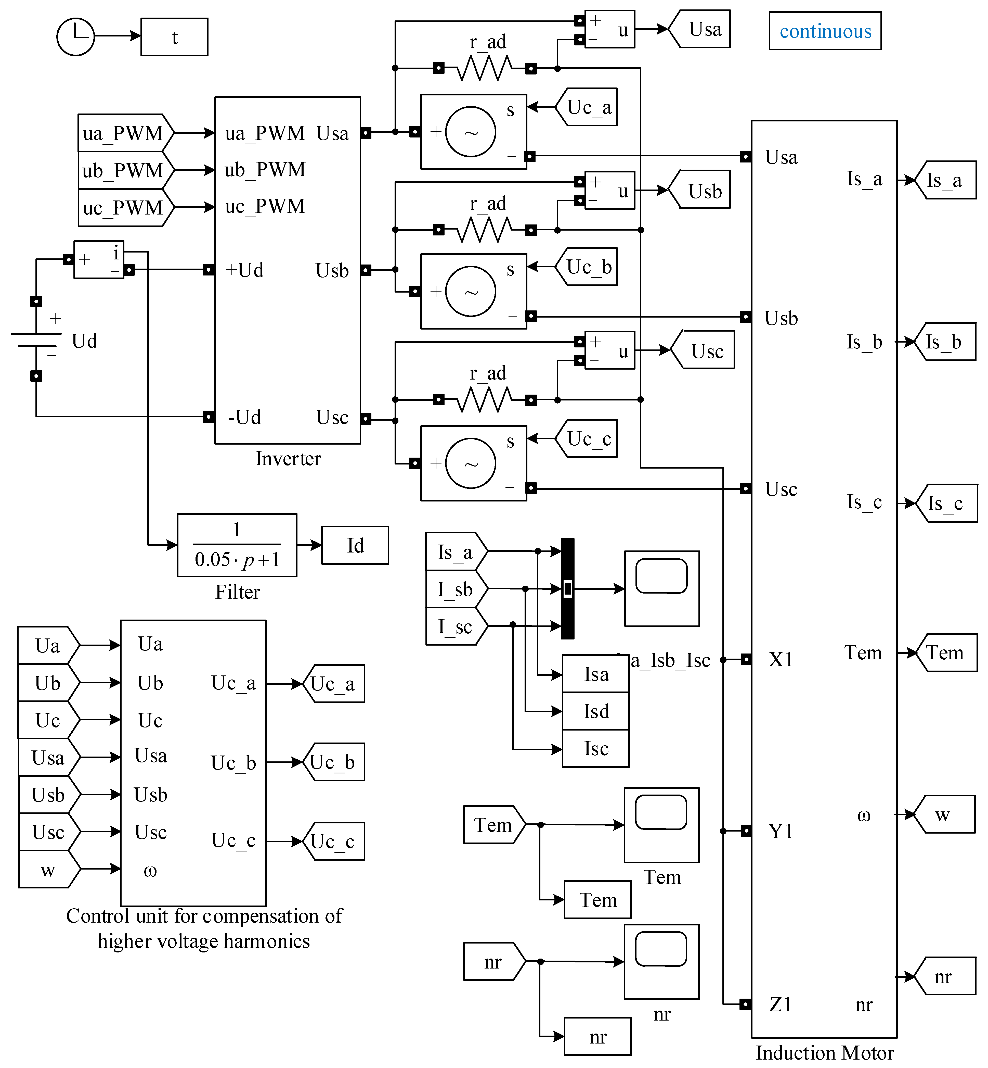
2.5. Development of a Simulation Model of the Traction Drive Without a Control System
- By using a controlled voltage source connected in opposition to the stator phase voltages of the asynchronous motor.
- By employing a controlled current source.
- ua_PWM, ub_PWM, ub_PWM are the autonomous voltage inverter control signals.
- teta_r is the angle of coordinate plane rotation in the field-oriented control system.
- wk is the angular velocity of coordinate plane rotation in the field-oriented control system.
- Developing a full-scale model of a traction drive using a real traction motor, as previously noted, is highly energy-intensive and financially demanding.
- Constructing a scaled-down model of a traction drive is also challenging due to the following consideration: in contrast to conventional industrial asynchronous motors, traction motors are designed to operate at frequencies exceeding their nominal values. To develop a scaled prototype, it would be necessary to manufacture a custom motor with appropriately scaled parameters. However, producing a prototype asynchronous motor is equally costly, as such a product would be considered non-standard and non-serial by the manufacturer.
- It is proposed to perform harmonic compensation not in the system of line voltages but directly within the stator phase voltages of the inverter. To enable this, the traditional star connection of the secondary windings of the coupling transformer has been replaced with a delta connection.
- It is proposed to replace current-based reference signals with voltage-based references, utilizing control voltage signals generated by the FOC algorithm.
- A generalized fifth-order transfer function-based filter architecture has been developed, enabling the dynamic adaptation of the filter’s cut-off frequency to the varying frequency of the supply voltage. This architecture allows for the analysis of the compensator control system with different types of filters without requiring changes to the structural model.
3. Simulation Results
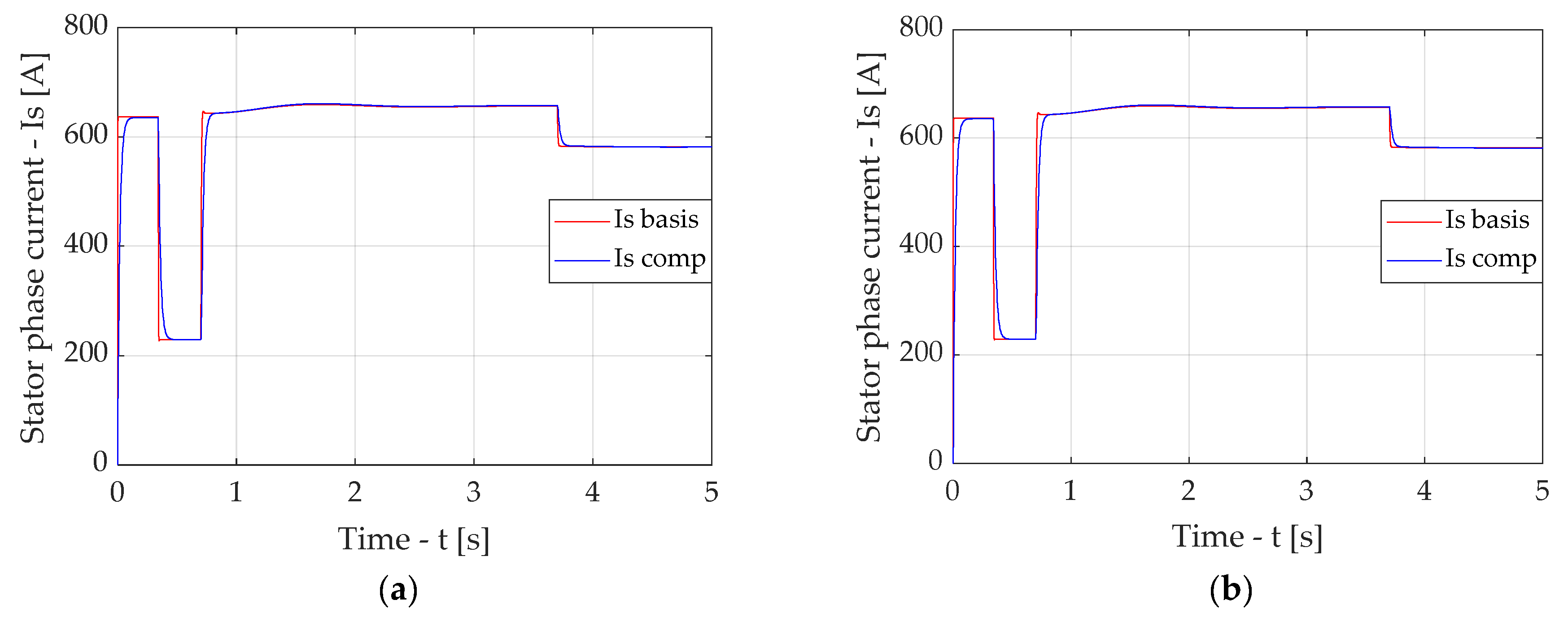
3.1. Simulation Results in a Circuit with FOC at Rated Motor Shaft Rotation Frequency
- Inverter supply voltage Ud = √2·Unom = 2645 V.
- PWM frequency fPWM = 20·fnom = 1116 Hz.
- Static drive torque Tc = 10,324 N·m.
- Angular frequency of the motor supply voltage in steady mode ωr = 348.7 rad/s, which corresponds to the nominal frequency of the supply voltage fnom = 55.8 Hz.
- Acceleration of the motor shaft rotation is chosen to be equal to aω = 0.333 rad/s2.
- The delay time of the speed controller is chosen to be equal to 0.7 s.
- The largest value of efficiency.
- The smallest value of the torque ripple factor.
- The shortest convergence time for a stable mode.
- The shortest convergence time during motor acceleration.
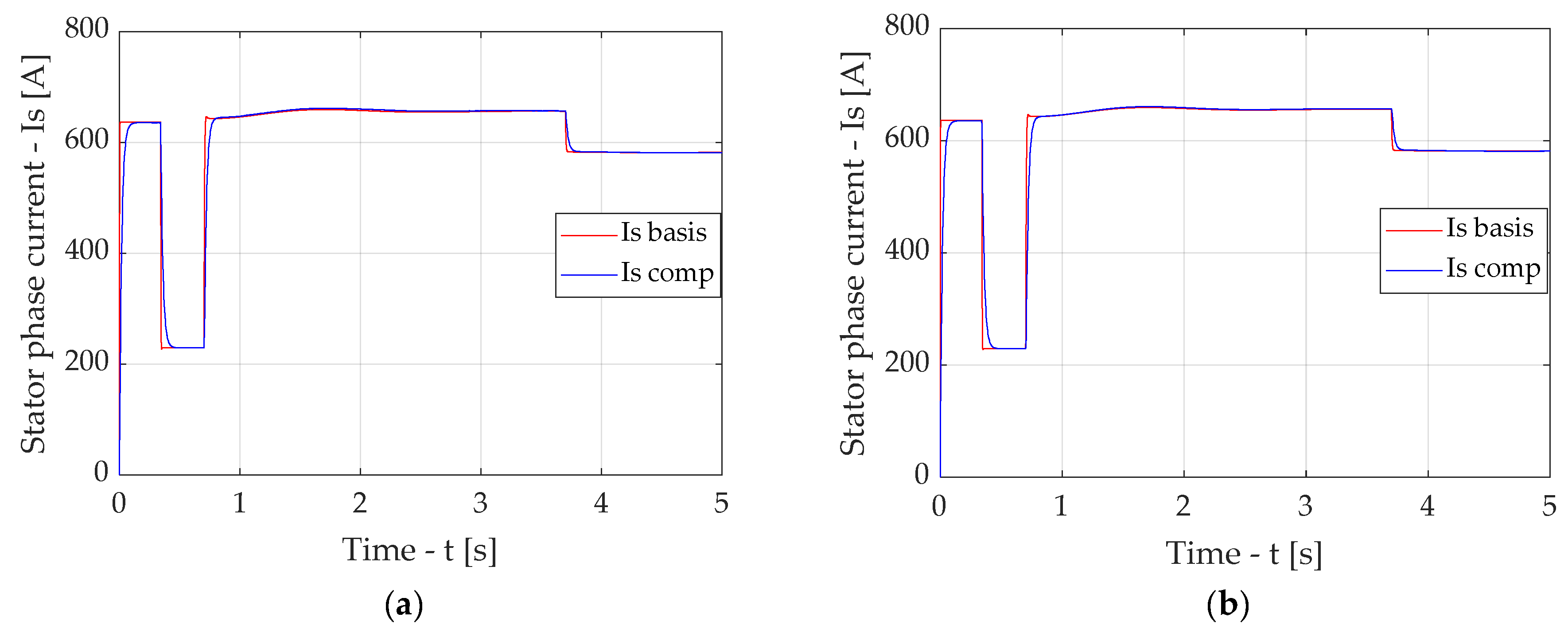
3.2. Simulation Results in a Circuit with FOC at a Steady Motor Rotation Frequency, Which Is Lower than the Nominal Rotation Frequency
- PWM frequency fPWM = 20·fnom = 1116 Hz.
- Static drive torque Tc = 10,324 N·m.
- Angular rotation frequency of the motor shaft in a stable mode ωr = 174.6 rad/s, which corresponds to the nominal frequency of the supply voltage fnom = 27.9 Hz.
- Since in FOC ψμ = const, ωr = 0.5·ωrnom, then in accordance with Equation (1), the supply voltage of the inverter Ud = 0.5·√2·Unom = 1322.5 V.
- Acceleration of the motor shaft rotation is chosen equal to aω = 0.333 rad/s2.
- Delay time of switching on the speed controller is chosen equal to 0.7 s.
| Parameter | Circuit that Includes a Compensator with Butterworth Filter | Circuit that Includes a Direct Chebyshev Filter | Circuit that Includes an Inverse Chebyshev Filter | Circuit that Includes a Compensator with Bessel Filter | Circuit that Includes a Compensator with an Elliptic Filter | |||||
|---|---|---|---|---|---|---|---|---|---|---|
| const | var | const | var | const | var | const | var | const | var | |
| Average torque value Tav, N·m | 10,320 | 10,320 | 10,320 | 10,320 | 10,320 | 10,320 | 10,320 | 10,320 | 10,320 | 10,320 |
| Torque ripple value ΔTav, N·m | 20.31 | 15.51 | 21.21 | 15.77 | 21.19 | 15.79 | 17.57 | 20.21 | 19.85 | 14.59 |
| Torque ripple factor kp, % | 0.32 | 0.3 | 0.158 | 0.15 | 0.158 | 0.151 | 0.158 | 0.157 | 0.158 | 0.145 |
| Motor shaft rotation frequency nr, rpm | 548 | 548 | 548 | 548 | 548 | 548 | 548 | 548 | 548 | 548 |
| Useful power P2, kW | 592.2 | 592.2 | 592.2 | 592.2 | 592.2 | 592.2 | 592.2 | 592.2 | 592.2 | 592.2 |
| Consumed current Id, A | 485.83 | 484.95 | 485.44 | 484.9 | 485.23 | 484.52 | 484.68 | 484.41 | 484.79 | 484.14 |
| Consumed power P1, kW | 667.2 | 666.0 | 666.7 | 665.9 | 666.4 | 665.39 | 665.62 | 665.24 | 665.77 | 664.87 |
| THD, % | 1.65 | 1.46 | 1.63 | 1.45 | 1.5 | 1.44 | 1.42 | 1.41 | 1.39 | 1.36 |
| Efficiency η, % | 88.76 | 88.92 | 88.83 | 88.93 | 88.87 | 89.0 | 88.97 | 89.02 | 88.95 | 89.05 |
| Convergence time for stable mode tconv_st, s | 0.304 | 0.214 | 0.296 | 0.211 | 0.252 | 0.212 | 0.246 | 0.222 | 0.239 | 0.197 |
| Convergence time for motor acceleration tconv_ac, s | 2.2 | 0.545 | 2.2 | 0.528 | 2.2 | 0.534 | 2.2 | 0.317 | 2.2 | 0.428 |
- Increase in drive efficiency.
- Reduction in torque ripple factor both in stable mode (Table 4) and during motor acceleration.
- Reduction in THD.
- Reduction in convergence time both for stable mode and for motor acceleration.
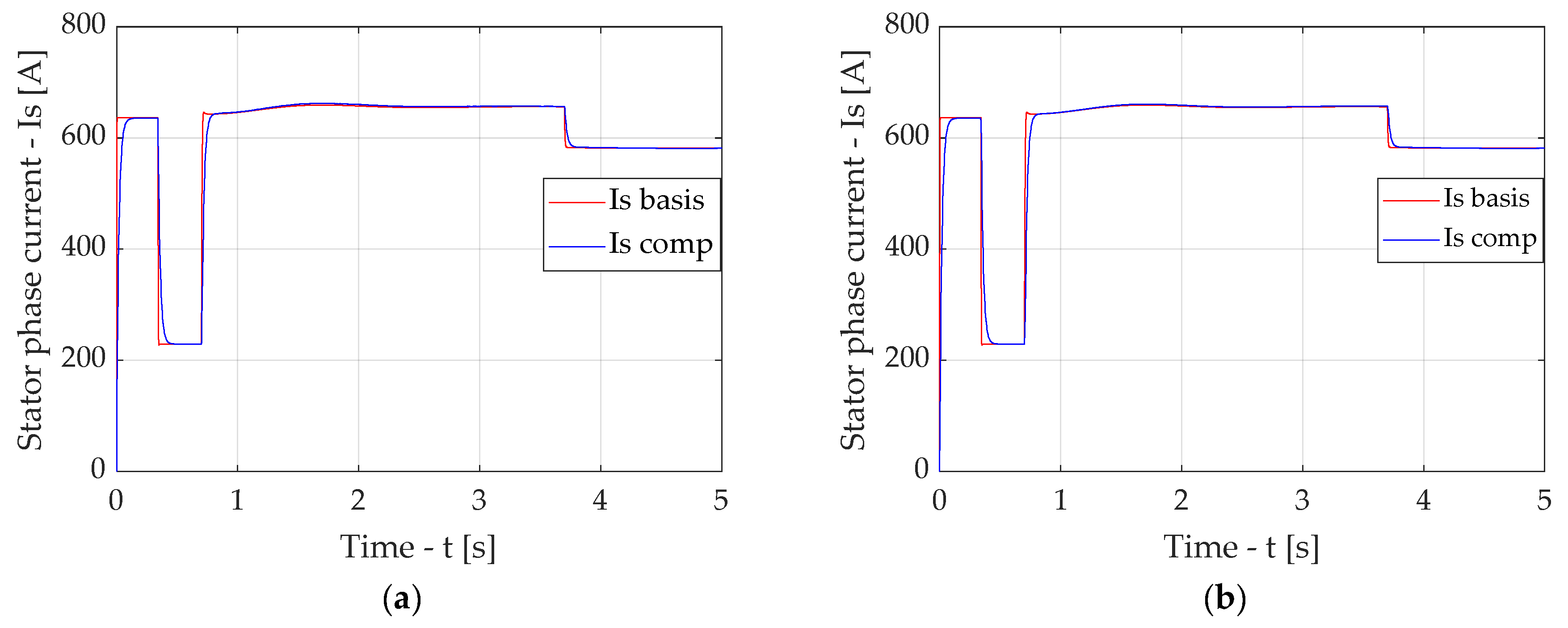
3.3. Simulation Results in a Circuit with FOC at a Steady Motor Shaft Rotation Frequency, Which Is Greater than the Nominal
- PWM frequency fPWM = 20·fnom = 1116 Hz.
- Static drive torque Tc = 10,324 N·m.
- Angular rotation frequency of the motor shaft in stable mode ωr = 174.6 rad/s, which corresponds to the nominal frequency of the supply voltage fnom = 27.9 Hz.
- Since in the FOC ψμ = const, ωr = 1.25·ωrnom, then in accordance with Equation (1), the inverter supply voltage Ud = 1.25·√2·Unom = 3036.25 V.
- Acceleration of the motor shaft rotation is chosen equal to aω = 0.333 rad/s2.
- Delay time of switching on the speed controller is chosen equal to 0.7 s.
- The highest efficiency value.
- The lowest torque ripple factor.
- Minimum convergence time for stable mode.
- Minimum convergence time during motor acceleration.
- Increase in drive efficiency.
- Decrease in torque ripple factor both in stable mode (Table 6) and during motor acceleration.
- Decrease in THD.
- Decrease in convergence time both for stable mode and for motor acceleration.
4. Discussion
- In contrast to most industrial electric drive systems, traction drives operate under conditions where the traction motor may function at frequencies exceeding its nominal value.
- Traction drives are continuously subjected to non-steady-state operating modes caused by various operational factors.
5. Conclusions
Author Contributions
Funding
Institutional Review Board Statement
Informed Consent Statement
Data Availability Statement
Conflicts of Interest
Appendix A
Appendix A.1. Butterworth Filter
Appendix A.2. Direct Chebyshev Filter
| k | σk | ωk | sk = σk + j·ωk |
|---|---|---|---|
| 1 | −0.167 | 1.08 | −0.167 + j·1.08 |
| 2 | −0.436 | 0.668 | −0.436 + j·0.668 |
| 3 | −0.539 | 0 | −0.539 |
| 4 | −0.436 | −0.668 | −0.436 − j·0.668 |
| 5 | −0.167 | −1.08 | −0.167 − j·1.08 |
Appendix A.3. Inverse Chebyshev Filter
- In the transfer function of the normalized inverse Chebyshev low-pass filter, transition to the given cut-off frequency is performed by substituting the value into the following:
- 2.
- The resulting expression is subtracted from 1 to obtain the transfer function of the high-pass inverse Chebyshev filter.
Appendix A.4. Bessel Filter
Appendix A.5. Elliptic Filter

Appendix B
















Appendix C
- The power part of the compensator is powered by a direct current link, the voltage which is equal to Ud.
- The power circuit of the compensator is assembled according to the bridge circuit made on IGBT modules of the same series as the autonomous voltage inverter (parameters of the IGBT transistor and the reverse diode are given in Table 2).
References
- Cipolletta, G.; Delle Femine, A.; Gallo, D.; Luiso, M.; Landi, C. Design of a stationary energy recovery system in rail transport. Energies 2021, 14, 2560. [Google Scholar] [CrossRef]
- Gorobchenko, O.; Fomin, O.; Gritsuk, I.; Saravas, V.; Grytsuk, Y.; Bulgakov, M.; Volodarets, M.; Zinchenko, D. Intelligent locomotive decision support system structure development and operation quality assessment. In Proceedings of the 2018 IEEE 3rd International Conference on Intelligent Energy and Power Systems (IEPS), Kharkiv, Ukraine, 10–14 September 2018; IEEE: Piscataway, NJ, USA, 2018; pp. 239–243. [Google Scholar] [CrossRef]
- Zhu, C.; Lu, J.; Li, X. Review of Studies on Energy-Efficient Train Operation in High-Speed Railways. IEEJ Trans. Electr. Electron. Eng. 2023, 18, 451–462. [Google Scholar] [CrossRef]
- Polater, N.; Tricoli, P. Technical review of traction drive systems for light railways. Energies 2022, 15, 3187. [Google Scholar] [CrossRef]
- Gerlici, J.; Lovska, A.; Vatulia, G.; Pavliuchenkov, M.; Kravchenko, O.; Solčanský, S. Situational adaptation of the open wagon body to container transportation. Appl. Sci. 2023, 13, 8605. [Google Scholar] [CrossRef]
- Panchenko, S.; Gerlici, J.; Vatulia, G.; Lovska, A.; Pavliuchenkov, M.; Kravchenko, K. The Analysis of the Loading and the Strength of the FLAT RACK Removable Module with Viscoelastic Bonds in the Fittings. Appl. Sci. 2022, 13, 79. [Google Scholar] [CrossRef]
- Lovskaya, A. Assessment of dynamic efforts to bodies of wagons at transportation with railway ferries. East. Eur. J. Enterp. Technol. 2014, 3, 36–41. [Google Scholar] [CrossRef]
- Ronanki, D. Overview of rolling stock. In Transportation Electrification: Breakthroughs in Electrified Vehicles, Aircraft, Rolling Stock, and Watercraft; Wiley: Hoboken, NJ, USA, 2022; pp. 249–281. [Google Scholar] [CrossRef]
- Liubarskyi, B.G.; Overianova, L.V.; Riabov, I.S.; Iakunin, D.I.; Ostroverkh, O.O.; Voronin, Y.V. Estimation of the main dimensions of the traction permanent magnet-assisted synchronous reluctance motor. Electr. Eng. Electromechanics 2021, 2, 3–8. [Google Scholar] [CrossRef]
- Liubarskyi, B.; Demydov, O.; Yeritsyan, B.; Nuriiev, R.; Iakunin, D. Determining electrical losses of the traction drive of electric train based on a synchronous motor with excitation from permanent magnets. East. Eur. J. Enterp. Technol. 2018, 2, 29–39. [Google Scholar] [CrossRef][Green Version]
- Sekino, Y.; Ewald, S.; Yamamoto, S.; Iwamoto, S.; Uchida, T.; Okumura, K.; Kusunoki, Y.; Onozawa, Y.; Kimura, H.; Kobayashi, Y.; et al. 3.3 kV all SiC module with 2nd generation trench gate SiC MOSFETs for traction. In Proceedings of the PCIM Europe 2022; International Exhibition and Conference for Power Electronics, Intelligent Motion, Renewable Energy and Energy Management, Nuremberg, Germany, 10–12 May 2022; VDE: Offenbach, Germany, 2022; pp. 1–7. [Google Scholar] [CrossRef]
- Goolak, S.; Kyrychenko, M. Thermal Model of the Output Traction Converter of an Electric Locomotive with Induction Motors. Probl. Energeticii Reg. 2022, 3, 1–16. [Google Scholar] [CrossRef]
- Liubarskyi, B.; Petrenko, O.; Iakunin, D.; Dubinina, O. Optimization of thermal modes and cooling systems of the in-duction traction engines of trams. East. Eur. J. Enterp. Technol. 2017, 3, 59–67. [Google Scholar] [CrossRef][Green Version]
- Goolak, S.; Riabov, I.; Gorobchenko, O.; Yurchenko, V.; Nezlina, O. Improvement of the model of an asynchronous traction motor of an electric locomotive by taking into account power losses. Prz. Elektrotechniczny 2022, 98, 1–10. [Google Scholar] [CrossRef]
- Goolak, S.; Gubarevych, O.; Gorobchenko, O.; Nevedrov, O.; Kamchatna-Stepanova, K. Investigation of the influence of the quality of the power supply system on the characteristics of an asynchronous motor with a squirrel-cage rotor. Prz. Elektrotechniczny 2022, 98, 142–148. [Google Scholar] [CrossRef]
- Das, S.R.; Ray, P.K.; Sahoo, A.K.; Ramasubbareddy, S.; Babu, T.S.; Kumar, N.M.; Elavarasan, R.M.; Mihet-Popa, L. A comprehensive survey on different control strategies and applications of active power filters for power quality improvement. Energies 2021, 14, 4589. [Google Scholar] [CrossRef]
- Raman, R.; Sadhu, P.K.; Kumar, R.; Rangarajan, S.S.; Subramaniam, U.; Collins, E.R.; Senjyu, T. Feasible Evaluation and Implementation of Shunt Active Filter for Harmonic Mitigation in Induction Heating System. Electronics 2022, 11, 3464. [Google Scholar] [CrossRef]
- Xu, Z.; Lu, P.; Cai, Y.; Li, J.; Yang, T.; Wu, Y.; Wang, R. An efficient channel imbalance estimation method based on subadditivity of linear normed space of sub-band spectrum for azimuth multichannel SAR. Remote Sens. 2023, 15, 1561. [Google Scholar] [CrossRef]
- Zhang, X.; Ding, F. Optimal adaptive filtering algorithm by using the fractional-order derivative. IEEE Signal Process. Lett. 2021, 29, 399–403. [Google Scholar] [CrossRef]
- Li, M.; Liu, X. Iterative identification methods for a class of bilinear systems by using the particle filtering technique. Int. J. Adapt. Control Signal Process. 2021, 35, 2056–2074. [Google Scholar] [CrossRef]
- Pan, Y.; Shi, T.; Ortega, R. Comparative analysis of parameter convergence for several least-squares estimation schemes. IEEE Trans. Autom. Control 2023, 69, 3341–3348. [Google Scholar] [CrossRef]
- Ma, P.; Wang, L. Filtering-based recursive least squares estimation approaches for multivariate equation-error systems by using the multiinnovation theory. Int. J. Adapt. Control Signal Process. 2021, 35, 1898–1915. [Google Scholar] [CrossRef]
- Paleologu, C.; Benesty, J.; Ciochină, S. Data-reuse recursive least-squares algorithms. IEEE Signal Process. Lett. 2022, 29, 752–756. [Google Scholar] [CrossRef]
- Diaz, M.; Charbonnel, P.É.; Chamoin, L. A new Kalman filter approach for structural parameter tracking: Application to the monitoring of damaging structures tested on shaking-tables. Mech. Syst. Signal Process. 2023, 182, 109529. [Google Scholar] [CrossRef]
- Locorotondo, E.; Lutzemberger, G.; Pugi, L. State-of-charge estimation based on model-adaptive Kalman filters. Proc. Inst. Mech. Eng. Part I J. Syst. Control Eng. 2021, 235, 1272–1286. [Google Scholar] [CrossRef]
- Niu, Z.H.; Yang, Y.B. Defense against adversarial attacks with efficient frequency-adaptive compression and reconstruction. Pattern Recognit. 2023, 138, 109382. [Google Scholar] [CrossRef]
- Garg, A. Speech enhancement using long short term memory with trained speech features and adaptive wiener filter. Multimed. Tools Appl. 2023, 82, 3647–3675. [Google Scholar] [CrossRef]
- Goolak, S. Improving the Efficiency of Electric Rolling Stock Operation Through the Use of Adaptive Filtering Methods for High Harmonic Current Components in Traction Drive Systems. Probl. Energeticii Reg. 2023, 60, 1–13. [Google Scholar] [CrossRef]
- Goolak, S.; Liubarskyi, B.; Riabov, I.; Lukoševičius, V.; Keršys, A.; Kilikevičius, S. Analysis of the efficiency of traction drive control systems of electric locomotives with asynchronous traction motors. Energies 2023, 16, 3689. [Google Scholar] [CrossRef]
- Goolak, S.; Liubarskyi, B.; Riabov, I.; Chepurna, N.; Pohosov, O. Simulation of a direct torque control system in the presence of winding asymmetry in induction motor. Eng. Res. Express 2023, 5, 025070. [Google Scholar] [CrossRef]
- Benbouhenni, H.; Bizon, N.; Colak, I.; Iliescu, M.; Thounthong, P. A new direct torque control of an efficient and cost-effective traction system using two squirrel cage induction motors feed by a single inverter. Electr. Power Compon. Syst. 2024, 1–21. [Google Scholar] [CrossRef]
- Kumar, V.; Singh, M. Reactive power compensation using derated power generation mode of modified P&O algorithm in grid-interfaced PV system. Renew. Energy 2021, 178, 108–117. [Google Scholar] [CrossRef]
- Wang, Y.; Li, Y.; Huang, S. An improved sliding mode direct power control strategy based on reactive power compensation for Vienna rectifier. IEEE Access 2022, 10, 15469–15477. [Google Scholar] [CrossRef]
- Gupta, Y.; Parganiha, N.; Rathore, A.K.; Doolla, S. An improved reactive power sharing method for an islanded microgrid. IEEE Trans. Ind. Appl. 2021, 57, 2954–2963. [Google Scholar] [CrossRef]
- Khan, A.; Jaffery, M.H.; Javed, Y.; Arshad, J.; Rehman, A.U.; Khan, R.; Bajaj, M.; Kaabar, M.K. Hardware-in-the-Loop Implementation and Performance Evaluation of Three-Phase Hybrid Shunt Active Power Filter for Power Quality Improvement. Math. Probl. Eng. 2021, 2021, 8032793. [Google Scholar] [CrossRef]
- Dadhich, A.; Sharma, J.; Kumawat, S.; Tandon, A. Power Quality Improvement in 3-Φ Power System with Shunt Active Filter Using Synchronous Detection Method. Int. J. Electr. Electron. Comput. 2021, 6, 92–95. [Google Scholar] [CrossRef]
- Mishra, A.K.; Ray, P.K.; Patra, A.K.; Mallick, R.K.; Das, S.R. Self-tuned PI Controller Based Hybrid Shunt Active Power Filter for Power Quality Enhancement. In Advances in Electrical Control and Signal Systems: Select Proceedings of AECSS 2019; Springer: Singapore, 2019; pp. 315–327. [Google Scholar] [CrossRef]
- Ge, Z.; Guo, H.; Wang, T.; Yang, Z. Universal graph filter design based on Butterworth, Chebyshev, and Elliptic functions. Circuits Syst. Signal Process. 2023, 42, 564–579. [Google Scholar] [CrossRef]
- Verma, S.; Randhawa, R.; Kaur, H. Filtering investigation for enhanced performance of MZM–MZI integrated switching network. J. Opt. 2023, 52, 417–423. [Google Scholar] [CrossRef]
- Nwokolo, E.; Chinaeke-Ogbuka, I.; Ajibo, A.; Ogbuka, C.; Ogbuefi, U.; Ejiogu, E. Performance comparison of sliding mode and instantaneous reactive power theory control techniques for three-phase active power filter. Int. J. Electr. Electron. Eng. Telecommun. 2021, 10, 83–90. [Google Scholar] [CrossRef]
- Goolak, S. To the Choice of Filter Approximation in the Synthesis of the Reactive Power Compensator Control System. In Proceedings of the Transport Means-Proceedings of the 28th International Scientific Conference 2024, Kaunas, Lithuania, 2–4 October 2024; pp. 192–197. [Google Scholar] [CrossRef]
- Boukraa, S.; Cosgrove, C.; Maillard, J.M.; McCoy, B.M. Factorization of Ising correlations C (M, N) for ν = −k and M+ N odd, M ≤ N, T < T c and their lambda extensions. J. Phys. A Math. Theor. 2022, 55, 405204. [Google Scholar] [CrossRef]
- Laso, A.; Manana, M.; Martínez, R.; Sáez, J.A.; Cervero, D. A comparative between IEEE and EN in the transformer derating when supplying nonsinusoidal load current. A practical case (No. ART-2020-120578). Renew. Energy Power Qual. J. 2020, 18, 747–752. [Google Scholar] [CrossRef]
- Wang, F.; Song, Y.; Dou, W.; Zheng, Z.; Li, Z.; Li, B.; Liu, J. High Power Density IGBT Loss Calculation Model and Analysis. Energies 2025, 18, 997. [Google Scholar] [CrossRef]








| Parameter | Units | Value |
|---|---|---|
| Power, P | kW | 1200 |
| Phase-to-phase RMS voltage, Unom | V | 1870 |
| RMS value, Inom | A | 450 |
| Nominal frequency of supply voltage, fnom | Hz | 55.8 |
| Number of phases, n | pcs | 3 |
| Number of pole pairs, pp | pcs | 3 |
| Nominal rotational speed, nrnom | rpm | 1110 |
| Efficiency, η | % | 95.5 |
| Power factor, cosφ | r.u. | 0.88 |
| Active resistance of the stator winding, rs | Ω | 0.0226 |
| Active resistance of the rotor winding reduced to the stator winding, r′r | Ω | 0.0261 |
| Stator winding leakage inductance, Lσs | Hn | 0.00065 |
| Rotor winding leakage inductance reduced to the stator winding, L′σr | Hn | 0.00045 |
| Total magnetizing circuit inductance, Lμ | Hn | 0.0194336 |
| Moment of inertia of the motor, J | kg·m2 | 73 |
| Parameter | Units | Value |
|---|---|---|
| Collector–emitter voltage, UCES | V | 4500 |
| Collector peak current, ICM | A | 2400 |
| Total power dissipation, Ptot | W | 10,500 |
| Turn-on switching energy of the transistor, Eon | mJ | 4350 |
| Turn-off switching energy of the transistor, Eoff | mJ | 6000 |
| Forward voltage of the diode, UVD | V | 3.4 |
| Reverse energy recovery of the diode, Erev | mJ | 2730 |
| Parameter | Basic Circuit | Circuit that Includes a Compensator with Butterworth Filter | Circuit that Includes a Direct Chebyshev Filter | Circuit that Includes an Inverse Chebyshev Filter | Circuit that Includes a Compensator with Bessel Filter | Circuit that Includes a Compensator with an Elliptic Filter | |||||
|---|---|---|---|---|---|---|---|---|---|---|---|
| const | var | const | var | const | var | const | var | const | var | ||
| Average torque value Tav, N·m | 10,320 | 10,320 | 10,320 | 10,320 | 10,320 | 10,320 | 10,320 | 10,320 | 10,320 | 10,320 | 10,320 |
| Torque ripple value ΔTav, N·m | 3024 | 33.1 | 30.96 | 16.32 | 15.53 | 16.34 | 15.63 | 16.25 | 16.31 | 16.29 | 14.95 |
| Torque ripple factor kp, % | 29.3 | 0.32 | 0.3 | 0.158 | 0.15 | 0.158 | 0.151 | 0.158 | 0.157 | 0.158 | 0.145 |
| Motor shaft rotation frequency nr, rpm | 1106 | 1106 | 1106 | 1106 | 1106 | 1106 | 1106 | 1106 | 1106 | 1106 | 1106 |
| Useful power P2, kW | 1195.2 | 1195.2 | 1195.2 | 1195.2 | 1195.2 | 1195.2 | 1195.2 | 1195.2 | 1195.2 | 1195.2 | 1195.2 |
| Consumed current Id, A | 545.64 | 501.73 | 501.27 | 501.56 | 501.33 | 501.56 | 501.33 | 501.62 | 501.33 | 501.33 | 500.92 |
| Consumed power P1, kW | 1498.7 | 1378.1 | 1376.8 | 1377.6 | 1377.0 | 1377.6 | 1377.0 | 1377.8 | 1377.0 | 1377.0 | 1375.8 |
| THD, % | 21.42 | 1.50 | 1.42 | 1.46 | 1.38 | 1.48 | 1.47 | 1.44 | 1.43 | 1.45 | 1.39 |
| Efficiency η, % | 79.75 | 86.73 | 86.81 | 86.76 | 86.8 | 86.76 | 86.8 | 86.75 | 86.8 | 86.8 | 86.87 |
| Convergence time for stable mode tconv_st, s | - | 0.335 | 0.186 | 0.363 | 0.175 | 0.344 | 0.172 | 0.638 | 0.539 | 0.172 | 0.15 |
| Convergence time for motor acceleration tconv_ac, s | 3.0 | 3.0 | 0.545 | 3.0 | 0.528 | 3.0 | 0.534 | 3.0 | 3.0 | 3.0 | 0.428 |
| Parameter | Circuit that Includes a Compensator with Butterworth Filter | Circuit that Includes a Direct Chebyshev Filter | Circuit that Includes an Inverse Chebyshev Filter | Circuit that Includes a Compensator with Bessel Filter | Circuit that Includes a Compensator with an Elliptic Filter | |||||
|---|---|---|---|---|---|---|---|---|---|---|
| const | var | const | var | const | var | const | var | const | var | |
| Average torque value Tav, N·m | 10,320 | 10,320 | 10,320 | 10,320 | 10,320 | 10,320 | 10,320 | Unstable mode | 10,320 | 10,320 |
| Torque ripple value ΔTav, N·m | 15.32 | 15.15 | 15.38 | 15.17 | 15.35 | 15.18 | 14.27 | 15.4 | 14.83 | |
| Torque ripple factor kp, % | 0.148 | 0.147 | 0.149 | 0.147 | 0.149 | 0.147 | 0.138 | 0.15 | 0.144 | |
| Motor shaft rotation frequency nr, rpm | 1385 | 1385 | 1385 | 1385 | 1385 | 1385 | 1385 | 1385 | 1385 | |
| Useful power P2, kW | 1496.8 | 1496.8 | 1496.8 | 1496.8 | 1496.8 | 1496.8 | 1496.8 | 1496.8 | 1496.8 | |
| Consumed current Id, A | 553.17 | 553.11 | 553.2 | 553.05 | 553.18 | 553.18 | 552.4 | 553.11 | 552.47 | |
| Consumed power P1, kW | 1744.1 | 1743.9 | 1744.3 | 1743.7 | 1744.1 | 1744.1 | 1741.7 | 1743.9 | 1741.9 | |
| THD, % | 1.56 | 1.55 | 1.54 | 1.49 | 1.52 | 1.51 | 1.42 | 1.52 | 1.43 | |
| Efficiency η, % | 85.82 | 85.83 | 85.81 | 85.84 | 85.82 | 85.82 | 85.94 | 85.83 | 85.93 | |
| Convergence time for stable mode tconv_st, s | 0.071 | 0.069 | 0.067 | 0.064 | 0.065 | 0.063 | 0.056 | 0.063 | 0.058 | |
| Convergence time for motor acceleration tconv_ac, s | 3.75 | 0.545 | 3.75 | 0.528 | 3.75 | 0.534 | 3.75 | 3.75 | 0.428 | |
| Control Strategy | Parameter | ||
|---|---|---|---|
| THD, % | Torque Ripple Factor kp, % | Convergence Time for Stable Mode tconv_st, s | |
| Adaptive filtering methods | |||
| LSM | 10.07 | 15.96 | 1.27 |
| NLSM | 16.11 | 28.62 | 1.14 |
| LLSM | 10.66 | 15.37 | 1.12 |
| Kalman filter | 9.62 | 11.81 | 0.93 |
| Wiener filter | 0.38 | 0.04 | 0.62 |
| Higher harmonic damping algorithm | |||
| With a Butterworth filter | 1.42 | 0.3 | 0.186 |
| With a Chebyshev Type I filter | 1.38 | 0.15 | 0.175 |
| With a Chebyshev Type II filter | 1.47 | 0.151 | 0.172 |
| With a Bessel filter | 1.43 | 0.157 | 0.539 |
| With an elliptic filter | 1.39 | 0.145 | 0.15 |
Disclaimer/Publisher’s Note: The statements, opinions and data contained in all publications are solely those of the individual author(s) and contributor(s) and not of MDPI and/or the editor(s). MDPI and/or the editor(s) disclaim responsibility for any injury to people or property resulting from any ideas, methods, instructions or products referred to in the content. |
© 2025 by the authors. Licensee MDPI, Basel, Switzerland. This article is an open access article distributed under the terms and conditions of the Creative Commons Attribution (CC BY) license (https://creativecommons.org/licenses/by/4.0/).
Share and Cite
Makaras, R.; Goolak, S.; Lukoševičius, V. Investigation of the Influence of Filter Approximation on the Performance of Reactive Power Compensators in Railway Traction Drive Systems. Appl. Sci. 2025, 15, 7057. https://doi.org/10.3390/app15137057
Makaras R, Goolak S, Lukoševičius V. Investigation of the Influence of Filter Approximation on the Performance of Reactive Power Compensators in Railway Traction Drive Systems. Applied Sciences. 2025; 15(13):7057. https://doi.org/10.3390/app15137057
Chicago/Turabian StyleMakaras, Rolandas, Sergey Goolak, and Vaidas Lukoševičius. 2025. "Investigation of the Influence of Filter Approximation on the Performance of Reactive Power Compensators in Railway Traction Drive Systems" Applied Sciences 15, no. 13: 7057. https://doi.org/10.3390/app15137057
APA StyleMakaras, R., Goolak, S., & Lukoševičius, V. (2025). Investigation of the Influence of Filter Approximation on the Performance of Reactive Power Compensators in Railway Traction Drive Systems. Applied Sciences, 15(13), 7057. https://doi.org/10.3390/app15137057

