Heuristic Global Optimization for Thermal Model Reduction and Correlation in Aerospace Applications
Abstract
1. Introduction
2. Literature Review
2.1. Brief Bibliometric Considerations
2.2. Research Questions
- RQ1: How do various heuristic methods (e.g., Genetic Algorithms, Particle Swarm Optimization, Adaptive PSO, etc.) compare in performance when correlating reduced thermal mathematical models in spacecraft design?
- RQ2: How does parameter tuning influence both the convergence rate and overall performance of heuristic algorithms in thermal model correlation?
- RQ3: How do different heuristic methods perform when applied to the reduction of thermal models with varying complexity (e.g., simple vs. complex models)?
2.3. Criteria
- Did not involve the direct application of heuristic methods for global optimization;
- Were unrelated to the correlation of thermal models in the aerospace industry.
- Focused on the reduction or test correlation of a thermal model;
- Addressed aerospace thermal modeling;
- Applied heuristic methods directly to the global optimization of the correlation process.
2.4. Data Extraction Method
- Identify which heuristic method was used on the test correlation or model reduction case study, as well as when and where it was used (addressing RQ1);
- Identify the fitness function equation used for test correlation or model reduction (addressing RQ2);
- Identify the parameters tuning values used for test correlation or model reduction (addressing RQ2);
- Identify if thermal model size is considered to be simple or complex (addressing RQ3).
2.5. Analysis
2.6. Implementing Heuristic Methods
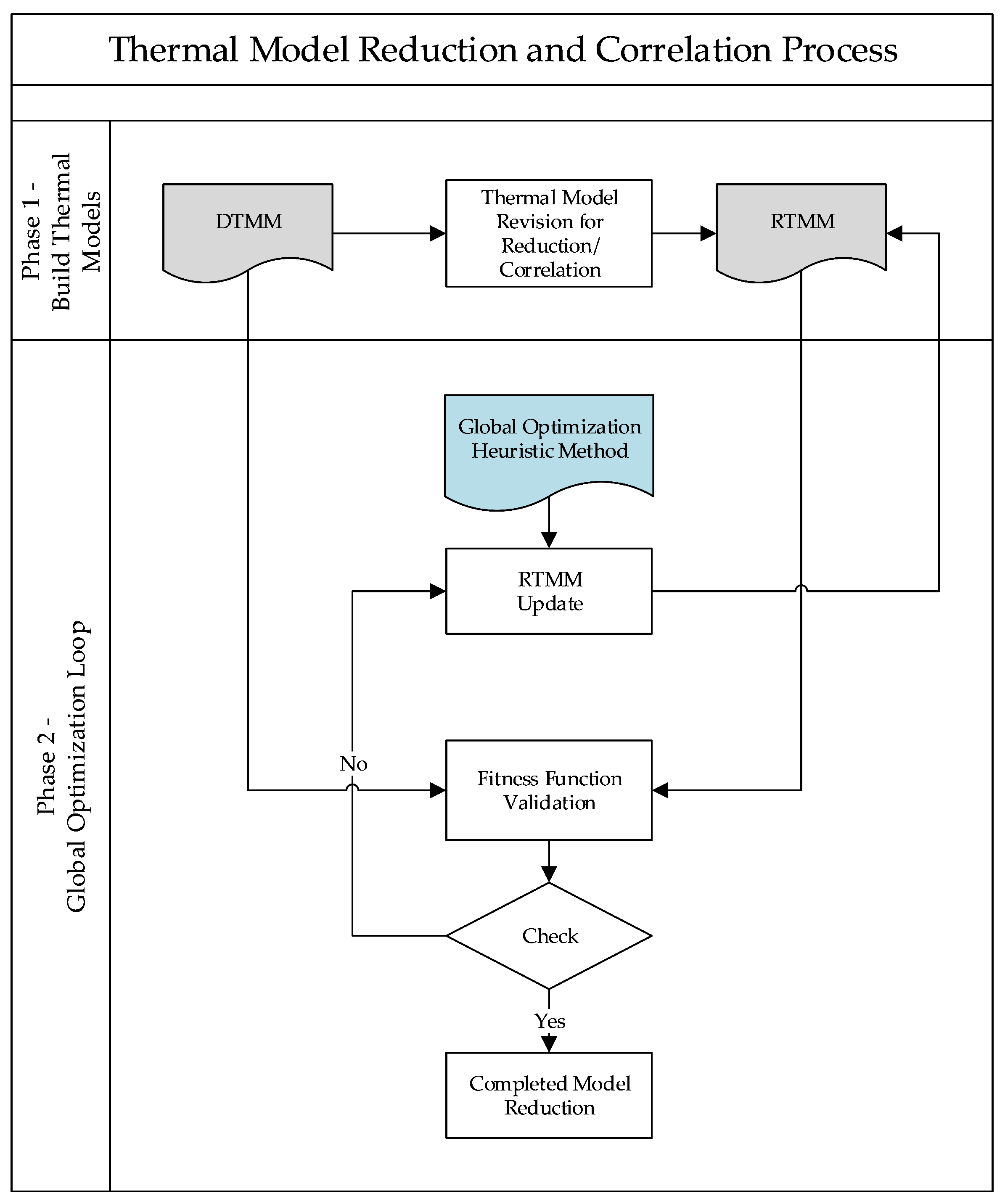
3. Heuristic Methods on a Simple Thermal Model Reduction and Correlation
3.1. Reduction and Correlation Process
- Adjust the parameters by updating the RTMM;
- Run thermal simulations for RTMM;
- Evaluate the fitness function.
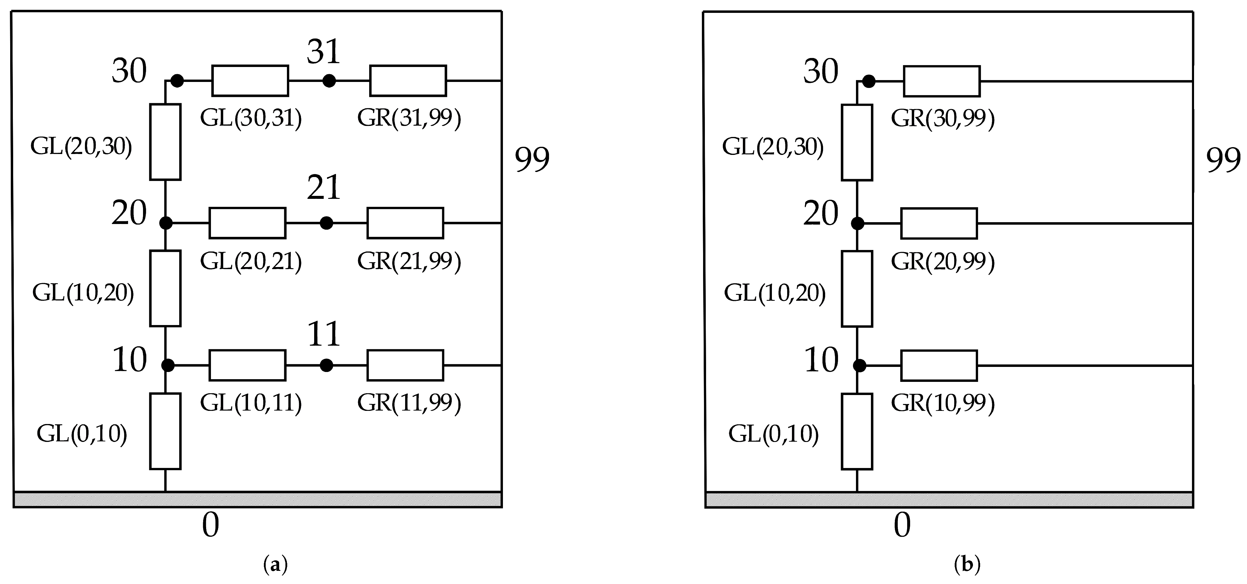
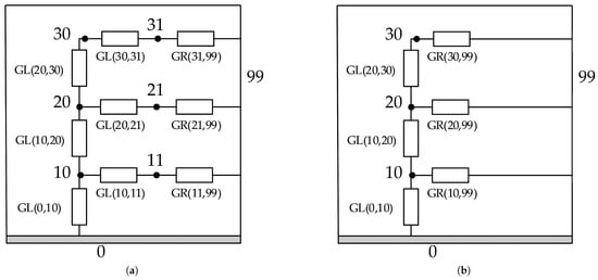
3.2. Simple Model—Thermal Mathematical Models
3.3. Mathematical Description
- Internal Nodes: 10, 20, 30
- Surface Nodes: 11, 21, 31
3.4. DTMM Equations
3.4.1. Internal Nodes (10, 20, 30)
3.4.2. Surface Nodes (11, 21, 31)
3.5. RTMM Equations
3.5.1. Lumped Node 10–11
3.5.2. Lumped Node 20–21
3.5.3. Lumped Node 30–31
3.6. Solar Power Input
3.7. Model Parameters
3.7.1. Physical Constants
- Stefan-Boltzmann constant: ;
- Solar constant: ;
- Solar absorptivity: ;
- Orbit period: .
3.7.2. Node Masses and Specific Heat
- Specific heat capacities: ;
- Masses of the nodes: .
3.7.3. Thermal and Radiative Properties
- Emissivities: ;
- Radiative areas: ;
- Thermal conductances: ;
- Satellite mechanical interface temperature: ;
- Space radiative interface temperature: .
3.8. Global Optimization Method Implementation
- Broyden: This method primarily depends on the “tolerance” and “Max Iterations” parameters. The “tolerance” was already set to a very low value (∼), which is not easily optimized. Additionally, “Max Iterations” must be set relatively high because the method requires initializing a Jacobian matrix, making it more difficult to compare with other methods. However, this method could be revised and implemented in later complex models.
- Memetic Algorithm (MA): This algorithm is essentially based on the Genetic Algorithm (GA), making it redundant to run separately.
- Distributed Search (DS): The DS method uses the GA as a baseline, adding parallel agents to search for other local minima. Since the GA has already been analyzed, DS was not implemented.
- Multi-Objective Optimization (GA based): Although similar to the GA, this approach requires more than one fitness function to be effective, which was beyond the scope of this study.
- Monte Carlo Hybrid Algorithm: This method proved to be significantly more time-consuming than the others. One key limitation of the Monte Carlo approach is that it lacks the adaptive learning mechanisms present in other optimization algorithms. Instead, it performs a blind search around the current best solution using a fixed “search radius” parameter. If this radius is too small, the method fails to explore the solution space adequately, if it is too large, it often samples poor-quality regions, reducing efficiency. An adaptive or dynamic adjustment of the search radius could potentially improve performance, but due to constraints in computational resources and time, it was not feasible to explore such enhancements or run the method for a sufficient number of iterations to ensure convergence.
- Machine Learning: Machine learning itself is not a heuristic global optimization method, but it frequently employs such methods for optimization tasks; however it will not be used in this study. This method will be implemented in future studies.
4. Results
4.1. DTMM vs. RTMM: Without Correlation
- Nodes 10–11 stabilize at an average temperature of approximately 41 °C.
- Nodes 20–21 stabilize at an average temperature of approximately 80.25 °C.
- Nodes 30–31 stabilize at an average temperature of approximately 0 °C.
- Node 10 stabilizes at an average temperature of approximately 34.31 °C.
- Node 20 stabilizes at an average temperature of approximately 72.86 °C.
- Node 30 stabilizes at an average temperature of approximately −1.41 °C.
- Node 10 temperature difference stabilizes at an average of approximately 6.5 °C.
- Node 20 temperature difference stabilizes at an average of approximately 7.7 °C.
- Node 30 temperature difference stabilizes at an average of approximately −2.0 °C.
4.2. Heuristic Method Benchmark Results
Cultural Algorithm Parameter Convergence Results
4.3. Heuristic Methods Benchmark Results
4.3.1. Parameters Optimization Results
4.3.2. Fitness Function Results
4.3.3. Best Fitness Function Results
- ;
- ;
- ;
- ;
- ;
- .
- Node 10 stabilizes at an average temperature of approximately 40.68 °C.
- Node 20 stabilizes at an average temperature of approximately 80.98 °C.
- Node 30 stabilizes at an average temperature of approximately −1.34 °C.
- Node 10 temperature difference stabilizes at an average of approximately 0.55 °C ± 2.8 °C.
- Node 20 temperature difference stabilizes at an average of approximately −0.46 °C ± 2.4 °C.
- Node 30 temperature difference stabilizes at an average of approximately −0.77 °C ± 1.8 °C.
5. Discussion
5.1. Literature Review
5.2. Interpretation of Simulation Results
- Population Size: 49 (CA), 43 (GA), and 21 (AIS). While the CA and GA are similar, the AIS has a significantly smaller value.
- Mutation Rate: 0.271 (CA), 0.299 (GA), and 0.268 (AIS), indicating close similarity.
- Mutation Magnitude: 0.557 (CA), 0.582 (GA), and 0.667 (AIS), with the AIS showing a difference.
5.3. Strengths and Limitations
- The methods demonstrate high accuracy and effective convergence, making them well suited for handling non-linearity in thermal models.
- The approach offers a structured methodology for automating and improving parameter tuning, reducing reliance on manual adjustments of the methods of tuning parameters.
- Selecting the optimal tuning parameters for each method requires extra computational cost, which can lead to increased computational time.
- These findings are based on a simplified thermal model; further validation is needed for larger and more complex aerospace systems.
5.4. Implications for Future Research
- Laboratory Validation. Develop and instrument a representative thermal test setup (e.g., a multi-plate panel or electronics mock-up) equipped with temperature sensors. Conduct experiments in a controlled environment and compare the measured temperature profiles with predictions from both the DTMM and RTMM to evaluate accuracy and convergence behaviour.
- Larger Model Scaling. Apply the reduction methodology to more complex aerospace thermal networks, such as complete satellite buses or payload assemblies with hundreds of nodes, to assess scalability, accuracy, and computational efficiency.
6. Conclusions
- Comprehensive Literature Review: A systematic review of 24 publications from 2007–2024 identified 26 heuristic optimization methods, highlighting a significant gap in the application of many techniques.
- High-Accuracy Correlation: The application of heuristic methods resulted in temperature discrepancies below 3 °C under transient conditions, demonstrating their effectiveness in improving model accuracy.
- Comparative Evaluation of Methods: While Genetic Algorithms (GAs) have been the dominant approach since Jouffroy’s pioneering work in 2007, this study highlights that other methods—such as Cultural Algorithms (CAs) and Artificial Immune Systems (AISs)—can perform competitively.
Author Contributions
Funding
Institutional Review Board Statement
Informed Consent Statement
Data Availability Statement
Conflicts of Interest
Abbreviations
| Area of Node i (m2) | |
| Solar Absorptivity of Node i | |
| ABC | Artificial Bee Colony |
| ACU | Approximate Convex Underestimation |
| ACO | Ant Colony Optimization |
| AIS | Artificial Immune Systems |
| APSO | Adaptative Particle Swarm Optimization |
| CA | Cultural Algorithms |
| CE | Cross-Entropy Method |
| CoI | Conflict of Interest |
| CPU | Central Processing Unit |
| Specific Heat at Constant Pressure (J/kg.K) | |
| DE | Differential Evolution |
| DTMM | Detailed Thermal Mathematical Model |
| DS | Distributed Search |
| EA | Evolutionary Algorithm |
| EDA | Estimation of Distribution Algorithms |
| ES | Evolutionary Strategies |
| Emissivity of Node i | |
| FF | Fitness Function |
| GA | Genetic Algorithm |
| GL | Conductive Thermal Conductance (W/°C) |
| GR | Radiative Thermal Conductance (W/°C) |
| GRASP | Greedy Randomized Adaptative Search Procedure |
| HS | Harmony Search |
| IDE | Integrated Development Environment |
| KGL | GL Adjustable Variable |
| KGR | GR Adjustable Variable |
| Heuristic Method n° # | |
| MA | Memetic Algorithms |
| MC | Monte Carlo Hybrid Algorithm |
| MDPI | Multidisciplinary Digital Publishing Institute |
| MLR | Multiple Linear Regression |
| MOOGA | Multiple-Objective Optimization GA Based |
| Mass of Node i (kg) | |
| NA | Not Available |
| N° of Thermal Nodes | |
| N° of Time Steps | |
| ODE | Ordinary Differential Equations |
| PRISMA | Preferred Reporting Items for Systematic Reviews and Meta-Analyses |
| PSO | Particle Swarm Optimization |
| Internal Heat Power on Node i (W) | |
| RAM | Random Access Memory |
| RQ# | Research Question n°# |
| RTMM | Reduced Thermal Mathematical Model |
| SA | Simulated Annealing |
| Solar Constant (W/m2) | |
| t | Time |
| Temperature of Node i (°C) | |
| Orbital Period | |
| TS | Tabu Search |
References
- ECSS-E-HB-31-03A; Space Engineering—Thermal Analysis Handbook, 1st ed. ESA Requirements and Standards Division: Noordwijk, The Netherlands, 2016; pp. 43–57.
- Jouffroy, F.; Durand, N. Thermal model correlation using Genetic Algorithms. In Proceedings of the 21st European Workshop on Thermal and ECLS Software, European Space Research and Technology Centre (ESTEC), Noordwijk, The Netherlands, 30–31 October 2007; pp. 125–138. [Google Scholar]
- John, J.H. Adaptation in Natural and Artificial Systems: An Introductory Analysis with Applications to Biology, Control, and Artificial Intelligence, 1st ed.; The MIT Press: Cambridge, MA, USA, 1992; pp. 1–232. [Google Scholar]
- THCOR-ASF-005-TN—Bibliography Study of Optimisation Methods with Focus on Genetic Algorithm Techniques w.r.t. Post-Test Thermal Model Correlation Problem. Available online: https://exchange.esa.int/restricted/model-correlation/ (accessed on 1 September 2024).
- THCOR-ASF-006-TN—Test Plan & Test Models for Verification of Post-Test Thermal Model Correlation by Using a Stochastic Global Optimisation Method. Available online: https://exchange.esa.int/restricted/model-correlation/ (accessed on 1 September 2024).
- THCOR-ASF-013-TN—Verification of Feasibility of Post-Test Thermal Model Correlation by Using Genetic Algorithms: Analysis of Test Plan Results. Available online: https://exchange.esa.int/restricted/model-correlation/ (accessed on 1 September 2024).
- Pintér, J.D. Continuous Global Optimization: A Personal Perspective. In Proceedings of the 40e Congrès Annuel de la SCRO, 40e Congrès Annuel de la SCRO, Montréal, QC, Canada, 26–29 April 1998; pp. 1–17. [Google Scholar]
- Dréo, J.; Pétrowski, A.; Taillard, E.; Siarry, P. Metaheuristics for Hard Optimization, 1st ed.; Springer: Berlin/Heidelberg, Germany, 2006; pp. 1–373. [Google Scholar]
- Harvatine, F.; DeMauro, F. Thermal Model Correlation Using Design Sensitivity and Optimization Techniques. In Proceedings of the 24th International Conference on Environmental Systems and 5th European Symposium on Space Environmental Control Systems, Friedrichshafen, Germany, 20–23 June 1994; pp. 1–11. [Google Scholar]
- Mareschi, V.; Perotto, V.; Gorlani, M. Thermal Test Correlation with Stochastic Technique. In Proceedings of the 35th International Conference on Environmental Systems (ICES), Rome, Italy, 11–14 July 2005; pp. 1–7. [Google Scholar]
- Momayez, L.; Dupont, P.; Delacourt, G.; Lottin, O.; Peerhossaini, H. Genetic algorithm based correlations for heat transfer calculation on concave surfaces. Appl. Therm. Eng. 2009, 29, 3476–3481. [Google Scholar] [CrossRef]
- Cheng, W.; Liu, N.; Li, Z.; Zhong, Q.; Wang, A.; Zhang, Z.; He, Z. Application study of a correction method for a spacecraft thermal model with a Monte-Carlo hybrid algorithm. Chin. Sci. Bull. 2011, 56, 1407–1412. [Google Scholar] [CrossRef]
- Palo, S.; Malosti, T.; Filiddani, G. Appendix Q Thermal Correlation of BepiColombo MOSIF 10 Solar Constants Simulation Test. In Proceedings of the 25th European Workshop on Thermal and ECLS Software, European Space Research and Technology Centre (ESTEC), Noordwijk, The Netherlands, 8–9 November 2011; pp. 125–138. [Google Scholar]
- Beck, T.; Bieler, A.; Thomas, N. Numerical thermal mathematical model correlation to thermal balance test using adaptive particle swarm optimization (APSO). Appl. Therm. Eng. 2012, 38, 168–174. [Google Scholar] [CrossRef]
- Kennedy, J.; Eberhart, R. Particle swarm optimization. In Proceedings of the ICNN’95—International Conference on Neural Networks, Perth, WA, Australia, 6 August 2002; pp. 1942–1948. [Google Scholar]
- van Zijl, N.; Zandbergen, B.; Benthem, B. Appendix G Correlating thermal balance test results with a thermal mathematical model using evolutionary algorithms. In Proceedings of the 27th European Space Thermal Analysis Workshop, European Space Research and Technology Centre (ESTEC), Noordwijk, The Netherlands, 3–4 December 2013; pp. 89–108. [Google Scholar]
- Klement, J. On Using Quasi-Newton Algorithms of the Broyden Class for Model-to-Test Correlation. J. Aerosp. Technol. Manag. 2014, 6, 407–414. [Google Scholar] [CrossRef]
- Klement, J. Appendix Q On using quasi Newton algorithms of the Broyden class for model-to-test correlation. In Proceedings of the 28th European Space Thermal Analysis Workshop, European Space Research and Technology Centre (ESTEC), Noordwijk, The Netherlands, 14–15 October 2014; pp. 213–228. [Google Scholar]
- Broyden, C.G. A class of methods for solving nonlinear simultaneous equations. Math. Comput. 1965, 19, 577–593. [Google Scholar] [CrossRef]
- Anglada, E.; Martinez-Jimenez, L.; Garmendia, I. Performance of Gradient-Based Solutions versus Genetic Algorithms in the Correlation of Thermal Mathematical Models of Spacecrafts. Int. J. Aerosp. Eng. 2017, 2017, 7683457. [Google Scholar] [CrossRef]
- Garmendia, I.; Anglada, E. Thermal Mathematical Model Correlation through Genetic Algorithms of an Experiment Conducted on Board the International Space Station. Acta Astronaut 2016, 122, 63–75. [Google Scholar] [CrossRef]
- Garmendia, I.; Anglada, E. Influence of the Measurements Uncertainties in the Correlation of Spacecraft Thermal Models against Thermal Results. Aerospace 2022, 9, 821. [Google Scholar] [CrossRef]
- Kang, J.; Kim, K.W.; Shin, S.; Kim, J.H. Efficient Correlation Method for Satellite Thermal Analysis Model Using Multiple Linear Regression and Optimization Algorithms. Int. J. Aeronaut. Space Sci. 2023, 24, 1257–1270. [Google Scholar] [CrossRef]
- Kim, J.-S.; Lee, S.; Kim, H.-K.; Kim, H.-D. Thermal Model Correlation of SNIPE Satellite Using Genetic-Algorithm-Based Multi-Objective Optimization Method. J. Spacecr. Rocket. 2023, 60, 1333–1342. [Google Scholar] [CrossRef]
- Preferred Reporting Items for Systematic Reviews and Meta-Analyses (PRISMA). Available online: https://www.prisma-statement.org/ (accessed on 15 February 2025).
- Kitchenham, B.; Charters, S. Guidelines for Performing Systematic Literature Reviews in Software Engineering; Technical Report; University of Durham: Durham, UK, 2007; Available online: https://legacyfileshare.elsevier.com/promis_misc/525444systematicreviewsguide.pdf (accessed on 18 May 2025).
- Kitchenham, B.; Brereton, O.P.; Budgen, D.; Turner, M.; Bailey, J.; Linkman, S. Systematic literature reviews in software en-gineering—A systematic literature review. Inf. Softw. Technol. 2009, 51, 7–15. [Google Scholar] [CrossRef]
- Rasool, G.; Ehsan, F.; Shahbaz, M. A systematic literature review on electricity management systems. Renew. Sustain. Energy Rev. 2015, 49, 975–989. [Google Scholar] [CrossRef]
- Viegas, J.L.; Esteves, P.R.; Melicio, R.; Mendes, V.M.F.; Vieira, S.M. Solutions for detection of non-technical losses in the electricity grid: A review. Renew. Sustain. Energy Rev. 2017, 80, 1256–1268. [Google Scholar] [CrossRef]
- Gonçalves, J.T.; Valtchev, S.S.; Melicio, R.; Gonçalves, A.; Blaabjerg, F. Hybrid three-phase rectifiers with active power factor correction: A systematic review. Electronics 2021, 10, 1520. [Google Scholar] [CrossRef]
- Kirkpatrick, S.; Gelatt, C.D.; Vecchi, M.P. Optimization by Simulated Annealing. Science 1983, 220, 671–680. [Google Scholar] [CrossRef]
- Torralbo, I.; Perez-Grande, I.; Sanz-Andres, A.; Piqueras, J. Correlation of Spacecraft Thermal Mathematical Models to Reference Data. Acta Astronaut. 2018, 144, 305–319. [Google Scholar] [CrossRef]
- Fogel, D.B. Artificial Intelligence Through Simulated Evolution, 1st ed.; Wiley-IEEE Press: Hoboken, NJ, USA, 1998; pp. 227–296. [Google Scholar]
- Vent, W. Rechenberg, Ingo, Evolutionsstrategie—Optimierung Technischer Systeme Nach Prinzipien Der Biologischen Evolution. 170 S. Mit 36 Abb. Frommann-Holzboog-Verlag, Stuttgart 1973, Broschiert. Feddes Repert. 1975, 86, 337. [Google Scholar]
- Fan, Y.; Feng, W.; Ren, Z.; Liu, B.; Huang, L.; Wang, D. Parameter Optimization of Thermal Network Model for Aerial Cameras Utilizing Monte-Carlo and Genetic Algorithm. Sci. Rep. 2022, 14, 22255. [Google Scholar] [CrossRef]
- Shin, S.; Lim, J.H.; Kim, C.-G. Thermal Parameter Determination in Underdetermined Spacecraft Thermal Models Using Surrogate Modelling. Acta Astronaut. 2024, 214, 583–592. [Google Scholar] [CrossRef]
- Anglada, E.; Garmendia, I. Correlation of Thermal Mathematical Models for Thermal Control of Space Vehicles by Means of Genetic Algorithms. Acta Astronaut. 2015, 108, 1–17. [Google Scholar] [CrossRef]
- Cui, Q.; Lin, G.; Cao, D.; Zhang, Z.; Wang, S.; Huang, Y. Thermal Design Parameters Analysis and Model Updating Using Kriging Model for Space Instruments. Int. J. Therm. Sci. 2022, 171, 107239. [Google Scholar] [CrossRef]
- Draper, N.R.; Smith, H. Applied Regression Analysis, 3rd ed.; Wiley: Hoboken, NJ, USA, 1998; pp. 668–669. [Google Scholar]
- Garmendia, I.; Anglada, E. Thermal Parameters Identification in the Correlation of Spacecraft Thermal Models against Thermal Test Results. Acta Astronaut. 2022, 191, 270–278. [Google Scholar] [CrossRef]
- Moscato, P. On Evolution, Search, Optimization, Genetic Algorithms and Martial Arts: Towards Memetic Algorithms. Caltech Concurr. Comput. Program C3p Rep. 1989, 826, 37. [Google Scholar]
- Glover, F. Tabu Search—Part I. ORSA J. Comput. 1989, 1, 190–206. [Google Scholar] [CrossRef]
- Benneouala, T.; Cherruault, Y. Alienor Method for Global Optimization with a Large Number of Variables. Kybernetes 2005, 34, 1104–1111. [Google Scholar] [CrossRef]
- Charon, I.; Hudry, O. The Noising Method: A New Method for Combinatorial Optimization. Oper. Res. Lett. 1993, 14, 133–137. [Google Scholar] [CrossRef]
- Reynolds, R.G. An Introduction to Cultural Algorithms. In Proceedings of the Third Annual Conference, San Diego, CA, USA, 24–26 February 1994; State University Detroit Michigan: Detroit, MI, USA, 1994; pp. 1–11. [Google Scholar]
- Zhan, Z.-H.; Zhang, J.; Li, Y.; Chung, H.S.-H. Adaptive Particle Swarm Optimization. IEEE Trans. Syst. Man, Cybern. Part B (Cybern.) 2009, 39, 1362–1381. [Google Scholar] [CrossRef]
- Floudas, C.A.; Pardalos, P.M. A Collection of Test Problems for Constrained Global Optimization Algorithms; Lecture Notes in Computer Science; Springer: Berlin/Heidelberg, Germany, 1990; Volume 455. [Google Scholar]
- Baeza-Yates, R. Towards a Distributed Search Engine. In Information Retrieval and Mining in Distributed Environments; Bouguettaya, A., Ed.; Springer: Berlin/Heidelberg, Germany, 2010; pp. 1–5. Available online: https://link.springer.com/chapter/10.1007/978-3-642-13073-1_1 (accessed on 18 May 2025).
- Feo, T.A.; Resende, M.G.C. Greedy Randomized Adaptive Search Procedures. J. Glob. Optim. 1995, 6, 109–133. [Google Scholar] [CrossRef]
- Dorigo, M.; Maniezzo, V.; Colorni, A. Ant System: Optimization by a Colony of Cooperating Agents. IEEE Trans. Syst. Man, Cybern. Part B (Cybern.) 1996, 26, 29–41. [Google Scholar] [CrossRef]
- Storn, R.; Price, K. Differential Evolution—A Simple and Efficient Heuristic for Global Optimization over Continuous Spaces. J. Glob. Optim. 1997, 11, 341–359. [Google Scholar] [CrossRef]
- Dasgupta, D. Artificial Immune Systems and Their Applications; Dasgupta, D., Ed.; Springer: Berlin/Heidelberg, Germany, 1999. [Google Scholar]
- Geem, Z.-W.; Kim, J.-H.; Loganathan, G.V. A New Heuristic Optimization Algorithm: Harmony Search. Simulation 2001, 76, 60–68. [Google Scholar] [CrossRef]
- Larrañaga, P.; Lozano, J.A. Estimation of Distribution Algorithms; Larrañaga, P., Lozano, J.A., Eds.; Springer: Boston, MA, USA, 2002; Volume 2. [Google Scholar]
- Rubinstein, R.Y.; Kroese, D.P. The Cross-Entropy Method; Springer: New York, NY, USA, 2004. [Google Scholar]
- Karaboga, D. An Idea Based on Honey Bee Swarm for Numerical Optimization; Engineering Faculty, Erciyes University: Kayseri, Turkey, 2005. [Google Scholar]
- Molina, M.; Finzi, A.E. MonteCarlo Techniques in Thermal Analysis—Design Margins Determination Using Reduced Models and Experimental Data. In Proceedings of the 36th International Conference on Environmental Systems (ICES); SAE Technical Paper. SAE: Norfolk, Virginia, 2006; pp. 1–10. [Google Scholar]
- Yang, X.-S.; Deb, S. Cuckoo Search via Lévy Flights. In Proceedings of the 2009 World Congress on Nature & Biologically Inspired Computing (NaBIC), Coimbatore, India, 9–11 December 2009; pp. 210–214. [Google Scholar]
- Jouffroy, F. Appendix L LHP Module for ESATAN & THERMICA Thermal Solvers, Dedicated to System Level Thermal Analyses. In Proceedings of the 24th European Workshop on Thermal and ECLS Software, European Space Research and Technology Centre (ESTEC), Noordwijk, The Netherlands, 16–17 November 2010; pp. 181–198. [Google Scholar]













| Section and Topic | Item # | Checklist Item | Location |
|---|---|---|---|
| TITLE | |||
| Title | 1 | Identify the report as a systematic review | Page 1 |
| ABSTRACT | |||
| Abstract | 2 | Provide a structured summary | Page 1 |
| INTRODUCTION | |||
| Rationale | 3 | Describe the rationale for the review in the context of existing knowledge | Section 1 |
| Objectives | 4 | Provide an explicit statement of the objective(s) or question(s) the review addresses | Section 1 |
| METHODS | |||
| Eligibility criteria | 5 | Specify the inclusion and exclusion criteria for the review and how studies were grouped for the syntheses | Section 2 |
| Information sources | 6 | Specify all databases, registers, websites, organizations, reference lists, and other sources searched or consulted to identify studies; specify the date when each source was last searched or consulted | Section 2.2 |
| Search strategy | 7 | Present the full search strategies for all databases, registers and websites, including any filters and limits used | Section 2.1 |
| Selection process | 8 | Specify the methods used to decide whether a study met the inclusion criteria of the review, including how many reviewers screened each record and each report retrieved, whether they worked independently, and if applicable, details of automation tools used in the process | Section 2.3 |
| Data collection process | 9 | Specify the methods used to collect data from reports, including how many reviewers collected data from each report, whether they worked independently, any processes for obtaining or confirming data from study investigators, and if applicable, details of automation tools used in the process | Section 2.4 |
| Data items | 10a | List and define all outcomes for which data were sought; specify whether all results that were compatible with each outcome domain in each study were sought (e.g., for all measures, time points, analyses), and if not, the methods used to decide which results to collect | Section 2.3 Section 2.4 |
| 10b | List and define all other variables for which data were sought (e.g., participant and intervention characteristics, funding sources); describe any assumptions made about any missing or unclear information | Section 2.3 Section 2.4 | |
| RESULTS | |||
| Study selection | 16a | Describe the results of the search and selection process, from the number of records identified in the search to the number of studies included in the review, ideally using a flow diagram | Section 2.5 |
| Study characteristics | 17 | Cite each included study and present its characteristics | Section 2 Section 2.6 |
| DISCUSSION | |||
| Discussion | 23a | Provide a general interpretation of the results in the context of other evidence | Section 5 |
| OTHER INFORMATION | |||
| Support | 25 | Describe sources of financial or non-financial support for the review and the role of the funders or sponsors in the review | Funding |
| Competing interests | 26 | Declare any competing interests of review authors | CoI |
| Availability of data, code, and other materials | 27 | Report which of the following are publicly available and where they can be found: template data collection forms; data extracted from included studies; data used for all analyses; analytic code; any other materials used in the review | References |
| Database | Search Terms | Query Results | Date |
|---|---|---|---|
| ScienceDirect | “Thermal Mathematical Model” AND “Correlation” AND “reduced” AND “algorithm” | 51 | 5 January 2025 |
| B-On | “Thermal Mathematical Model” AND “Correlation” AND “reduced” AND “algorithm” (“All Metadata”:Thermal Mathematical Model) AND (“All Metadata”:Correlation) AND (“All Metadata”:reduced) AND (“All Metadata”:algorithm) | 70 | 5 January 2025 |
| IEEE Xplore | (“All Metadata”:Thermal Mathematical Model) AND (“All Metadata”:Correlation) AND (“All Metadata”:reduced) AND (“All Metadata”:algorithm) | 19 | 5 January 2025 |
| Scopus | “Thermal Mathematical Model” AND “Correlation” AND “reduced” AND “algorithm” | 15 | 5 January 2025 |
| Lit. Rev. Section 2 | NA | 42 | 5 January 2025 |
| Year | No. Articles | Percentage |
|---|---|---|
| 2007 | 1 | 4% |
| 2009 | 1 | 4% |
| 2011 | 2 | 8% |
| 2012 | 1 | 4% |
| 2013 | 1 | 4% |
| 2014 | 2 | 8% |
| 2015 | 1 | 4% |
| 2016 | 1 | 4% |
| 2017 | 1 | 4% |
| 2018 | 1 | 4% |
| 2020 | 1 | 4% |
| 2022 | 4 | 17% |
| 2023 | 5 | 21% |
| 2024 | 2 | 8% |
| M—Methods | No. Implementations | Percentage |
|---|---|---|
| M1—Genetic Algorithm | 10 | 36% |
| M3—Monte Carlo | 4 | 14% |
| M2—Gradient-based Algorithm | 3 | 11% |
| M5—Broyden | 2 | 7% |
| M6—Jacobian Propagation | 2 | 7% |
| M7—Machine Learning | 2 | 7% |
| M8—Adaptive Particle Swarm Optimization | 2 | 7% |
| M4—Bayesian Algorithm | 1 | 4% |
| M9—Conductance Matrix Fitting | 1 | 4% |
| M10—Multiple Linear Regression | 1 | 4% |
| N° | Algorithm | Year | Parameters Tuning | References |
|---|---|---|---|---|
| 1 | Quasi-Newton algorithms (Broyden class) [19] | 1965 | 1-Tolerance; 2-Max iterations. | [17,18,32] |
| 2 | Evolutionary Algorithms (EAs) [33] | 1966 | 1-Population size; 2-N° generations; 3-Mutation rate; 4-Mutation magnitude. | NA |
| 3 | Evolutionary Strategies (ESs) [34] | 1973 | 1-Population size; 2-N° generations; 3-Mutation strength. | NA |
| 4 | Genetic Algorithm (GA) [3] | 1975 | 1-Population size; 2-N° generations; 3-Crossover rate; 4-Mutation rate; 5-Mutation magnitude. | [2,11,21,22,35,36,37,38] |
| 5 | Multiple Linear Regression (MLR) [39] | 1981 | 1-Population size; 2-N° generations. | [23] |
| 6 | Simulated Annealing (SA) [31] | 1983 | 1-Initial temperature; 2-Cooling rate; 3-Minimum temperature; 4-Max iterations. | [20,40] |
| 7 | Memetic Algorithms (MAs) [41] | 1989 | 1-Population size; 2-N° generations; 3-Crossover rate; 4-Mutation rate; 5-Mutation magnitude. | NA |
| 8 | Tabu Search (TS) [42] | 1989 | 1-Tabu tenure; 2-Max iterations. | NA |
| 9 | “Alienor” method [43] | 1989 | 1-N° iterations; 2-Subdivision factor. | NA |
| 10 | Noising method [44] | 1993 | 1-Population size; 2-N° iterations; 3-Noising rate; 4-Noise magnitude. | NA |
| 11 | Cultural Algorithms (CAs) [45] | 1994 | 1-Population size; 2-Cultural population size; 3-N° generations; 4-Crossover rate; 5-Mutation rate; 6-Mutation magnitude. | NA |
| 12 | Particle Swarm Optimization (PSO) [15] | 1995 | 1-Population size; 2-N° generations; 3-c1 (Cognitive coefficient); 4-c2 (Social coefficient); 5-w (Inertia weight). | [14,46] |
| 13 | Approximate Convex Underestimation (ACU) [47] | 1995 | 1-Population size; 2-N° generations; 3-Crossover rate; 4-Mutation rate; 5-Mutation magnitude. | NA |
| 14 | Distributed Search (DS) [48] | 1995 | Distributed Search parameters: 1-N° agents; 2-Search space size. Genetic Algorithm parameters (for each agent): 3-Population size; 4-N° generations; 5-Crossover rate; 6-Mutation rate; 7-Mutation magnitude. | NA |
| 15 | Greedy Randomized Adaptive Search Procedure (GRASP) [49] | 1995 | 1-N° iterations; 2-Alpha (Greediness-randomness control). | NA |
| 16 | Ant Colony Optimization (ACO) [50] | 1996 | 1-N° ants; 2-N° iterations; 3-Evaporation rate; 4-Alpha (Influence of pheromone); 5-Beta (Influence of heuristic value). | NA |
| 17 | Differential Evolution (DE) [51] | 1997 | 1-Population size; 2-N° generations; 3-Mutation factor; 4-Crossover probability. | NA |
| 18 | Artificial Immune Systems (AISs) [52] | 1999 | 1-Population size; 2-N° generations; 3-Clone factor; 4-Mutation rate; 5-Mutation magnitude. | NA |
| 19 | Harmony Search (HS) [53] | 2001 | 1-Harmony memory size; 2-Harmony memory consideration rate; 3-Pitch adjustment rate; 4-N° iterations; 5-Pitch adjustment magnitude. | NA |
| 20 | Multi-Objective Optimization (GA-based) [24] | 2001 | 1-Population size; 2-N° generations; 3-Crossover rate; 4-Mutation rate; 5-Mutation magnitude. | [24] |
| 21 | Estimation of Distribution Algorithms (EDA) [54] | 2001 | 1-Population size; 2-N° generations; 3-Sigma (Standard deviation for the Gaussian distribution). | NA |
| 22 | “Cross-Entropy“ method [55] | 2004 | 1-Population size; 2-N° generations; 3-Elite fraction. | NA |
| 23 | Artificial Bee Colony (ABC) Optimization [56] | 2005 | 1-N° employed bees; 2-N° onlooker bees; 3-N° scout bees; 4-Max cycles. | NA |
| 24 | Monte Carlo hybrid algorithm [57] | 2006 | 1-N° iterations; 2-N° samples; 3-Search radius. | [12,13,16,35] |
| 25 | Cuckoo Search (CS) [58] | 2009 | 1-Population size (Number of nests); 2-N° generations; 3-Pa (Probability of discovery of alien eggs); 4-Step size (Step size for Lévy flights). | NA |
| 26 | Adaptive Particle Swarm Optimization (APSO) [46] | 2009 | 1-N° particles; 2-N° iterations; 3-W max; 4-W min; 5-c1; 6-c2; 7-V max. | [14,16] |
| Method | Parameters | Min | First Quartile | Average | Median | Third Quartile | Max |
|---|---|---|---|---|---|---|---|
| EA | Population Size | 11 | 42 | 42 | 47 | 48 | 48 |
| Mutation Rate | 0.123 | 0.160 | 0.179 | 0.177 | 0.202 | 0.276 | |
| Mutation Magnitude | 0.226 | 0.346 | 0.365 | 0.355 | 0.377 | 0.587 | |
| ES | Population Size | 19 | 54 | 57 | 63 | 69 | 70 |
| Mutation Strength | 0.286 | 0.508 | 0.534 | 0.560 | 0.613 | 0.782 | |
| GA | Population Size | 12 | 39 | 43 | 49 | 51 | 51 |
| Crossover Rate | 0.690 | 0.754 | 0.778 | 0.781 | 0.799 | 0.864 | |
| Mutation Rate | 0.164 | 0.289 | 0.299 | 0.305 | 0.312 | 0.364 | |
| Mutation Magnitude | 0.352 | 0.502 | 0.582 | 0.575 | 0.610 | 0.977 | |
| MLR | Population Size | 25 | 31 | 38 | 41 | 43 | 46 |
| SA | Initial Temperature | 101 | 433 | 428 | 494 | 506 | 510 |
| Cooling Rate | 0.022 | 0.028 | 0.039 | 0.038 | 0.041 | 0.080 | |
| Min Temperature | 0.121 | 0.656 | 0.630 | 0.672 | 0.680 | 0.700 | |
| TS | Tabu Tenure | 11 | 48 | 49 | 54 | 55 | 57 |
| Alienor | Subdivision Factor | 0.673 | 2.619 | 2.695 | 3.123 | 3.165 | 3.225 |
| Noising | Population Size | 23 | 47 | 45 | 48 | 49 | 49 |
| Noising Rate | 0.135 | 0.211 | 0.242 | 0.249 | 0.262 | 0.346 | |
| Noise Magnitude | 0.019 | 0.420 | 0.441 | 0.494 | 0.506 | 0.578 | |
| CA | Population Size | 14 | 48 | 49 | 55 | 55 | 55 |
| Crossover Rate | 0.596 | 0.703 | 0.735 | 0.746 | 0.778 | 0.811 | |
| Mutation Rate | 0.190 | 0.254 | 0.271 | 0.258 | 0.265 | 0.477 | |
| Mutation Magnitude | 0.263 | 0.554 | 0.557 | 0.595 | 0.605 | 0.614 | |
| Cultural Population Size | 25 | 26 | 29 | 26 | 31 | 47 | |
| PSO | Population Size | 13 | 39 | 40 | 45 | 45 | 46 |
| c1 | 1.077 | 1.127 | 1.243 | 1.135 | 1.383 | 1.859 | |
| c2 | 0.830 | 1.091 | 1.134 | 1.179 | 1.227 | 1.237 | |
| w | 0.417 | 0.686 | 0.686 | 0.698 | 0.706 | 0.800 | |
| ACU | Population Size | 10 | 21 | 21 | 23 | 23 | 23 |
| Crossover Rate | 0.618 | 0.766 | 0.775 | 0.787 | 0.808 | 0.815 | |
| Mutation Rate | 0.077 | 0.182 | 0.183 | 0.201 | 0.208 | 0.258 | |
| Mutation Magnitude | 0.506 | 0.701 | 0.706 | 0.711 | 0.729 | 0.807 | |
| GRASP | Alpha | 0.171 | 0.424 | 0.458 | 0.489 | 0.531 | 0.559 |
| ACO | Num Ants | 12 | 28 | 28 | 30 | 30 | 31 |
| Evaporation Rate | 0.466 | 0.490 | 0.541 | 0.504 | 0.550 | 0.796 | |
| Alpha | 1.067 | 1.418 | 1.423 | 1.428 | 1.451 | 1.579 | |
| Beta | 0.784 | 2.881 | 2.817 | 2.948 | 2.966 | 3.529 | |
| DE | Population Size | 12 | 20 | 22 | 25 | 25 | 25 |
| Mutation Factor | 0.428 | 0.624 | 0.643 | 0.646 | 0.682 | 0.820 | |
| Crossover Probability | 0.332 | 0.588 | 0.604 | 0.638 | 0.648 | 0.762 | |
| AIS | Population Size | 10 | 23 | 21 | 24 | 24 | 24 |
| Clone Factor | 3.594 | 5.176 | 5.234 | 5.380 | 5.482 | 6.689 | |
| Mutation Rate | 0.215 | 0.220 | 0.268 | 0.257 | 0.273 | 0.442 | |
| Mutation Magnitude | 0.611 | 0.619 | 0.667 | 0.639 | 0.660 | 0.917 | |
| HS | Harmony Memory Size | 12 | 23 | 24 | 26 | 26 | 27 |
| Harmony Memory Consideration Rate | 0.558 | 0.655 | 0.693 | 0.671 | 0.708 | 0.866 | |
| Pitch Adjustment Rate | 0.155 | 0.232 | 0.274 | 0.297 | 0.302 | 0.390 | |
| Harmony Memory Size | 12 | 23 | 24 | 26 | 26 | 27 | |
| EDA | Population Size | 12 | 30 | 31 | 35 | 35 | 35 |
| Sigma | 0.121 | 0.330 | 0.348 | 0.358 | 0.365 | 0.632 | |
| CE | Population Size | 14 | 21 | 22 | 23 | 23 | 24 |
| Elite Fraction | 0.355 | 0.400 | 0.440 | 0.416 | 0.441 | 0.678 | |
| ABC | Num Employed Bees | 10 | 24 | 24 | 26 | 26 | 27 |
| Num Onlooker Bees | 24 | 24.0 | 27 | 26.0 | 29.0 | 34 | |
| Num Scout Bees | 1 | 3.000 | 4 | 3.500 | 4.250 | 5 | |
| CS | Population Size | 11 | 27 | 26 | 28 | 28 | 28 |
| pa | 0.172 | 0.230 | 0.262 | 0.246 | 0.277 | 0.441 | |
| Step Size | 0.021 | 0.037 | 0.039 | 0.038 | 0.042 | 0.051 | |
| APSO | Num Particles | 11 | 28 | 26 | 28 | 29 | 29 |
| W Max | 0.764 | 0.813 | 0.834 | 0.824 | 0.831 | 0.986 | |
| W Min | 0.203 | 0.238 | 0.269 | 0.248 | 0.290 | 0.386 | |
| C1 | 1.301 | 1.749 | 1.782 | 1.886 | 1.915 | 1.931 | |
| C2 | 1.623 | 1.734 | 1.799 | 1.802 | 1.855 | 2.114 | |
| V Max | 0.640 | 0.660 | 0.814 | 0.684 | 0.748 | 1.831 |
| Method | Min | First Quartile | Average | Median | Third Quartile | Max |
|---|---|---|---|---|---|---|
| EA | 18,726 | 23,724 | 29,066 | 27,695 | 32,871 | 51,851 |
| ES | 5162 | 6232 | 6662 | 6645 | 6757 | 10,187 |
| GA | 3308 | 3657 | 4366 | 4052 | 4883 | 7361 |
| MLR | 9398 | 10,814 | 11,508 | 11,712 | 12,243 | 14,056 |
| SA | 42,995 | 65,592 | 130,000 | 115,482 | 166,155 | 314,441 |
| TS | 1670 | 4512 | 10,621 | 10,380 | 16,517 | 27,323 |
| Alienor | 357,668 | 409,377 | 421,568 | 425,558 | 436,008 | 463,916 |
| Noising | 6806 | 10,068 | 11,532 | 11,458 | 12,334 | 19,368 |
| CA | 2461 | 3238 | 3563 | 3517 | 3932 | 4554 |
| PSO | 6189 | 6337 | 6658 | 6547 | 6663 | 9262 |
| ACU | 6524 | 7082 | 8470 | 7497 | 9071 | 17,983 |
| GRASP | 62,661 | 64,961 | 66,187 | 65,806 | 66,697 | 74,723 |
| ACO | 7777 | 10,593 | 27,902 | 16,559 | 35,533 | 106,079 |
| DE | 7225 | 11,304 | 16,997 | 14,220 | 23,328 | 34,641 |
| AIS | 2927 | 3981 | 4799 | 4504 | 5403 | 8427 |
| HS | 11,673 | 14,714 | 17,576 | 16,398 | 18,233 | 35,853 |
| EDA | 12,510 | 13,492 | 14,750 | 13,816 | 14,996 | 22,981 |
| CE | 6097 | 6485 | 7315 | 6992 | 7737 | 11,201 |
| ABC | 7589 | 8647 | 10,551 | 10,609 | 12,609 | 13,858 |
| CS | 9536 | 14,487 | 16,654 | 17,313 | 18,121 | 26,563 |
| APSO | 6365 | 6517 | 7326 | 6847 | 7337 | 12,862 |
Disclaimer/Publisher’s Note: The statements, opinions and data contained in all publications are solely those of the individual author(s) and contributor(s) and not of MDPI and/or the editor(s). MDPI and/or the editor(s) disclaim responsibility for any injury to people or property resulting from any ideas, methods, instructions or products referred to in the content. |
© 2025 by the authors. Licensee MDPI, Basel, Switzerland. This article is an open access article distributed under the terms and conditions of the Creative Commons Attribution (CC BY) license (https://creativecommons.org/licenses/by/4.0/).
Share and Cite
Castanheira, J.P.; Arribas, B.N.; Melicio, R.; Gordo, P.; Silva, A.R.R. Heuristic Global Optimization for Thermal Model Reduction and Correlation in Aerospace Applications. Appl. Sci. 2025, 15, 7002. https://doi.org/10.3390/app15137002
Castanheira JP, Arribas BN, Melicio R, Gordo P, Silva ARR. Heuristic Global Optimization for Thermal Model Reduction and Correlation in Aerospace Applications. Applied Sciences. 2025; 15(13):7002. https://doi.org/10.3390/app15137002
Chicago/Turabian StyleCastanheira, João P., Beltran N. Arribas, Rui Melicio, Paulo Gordo, and André R. R. Silva. 2025. "Heuristic Global Optimization for Thermal Model Reduction and Correlation in Aerospace Applications" Applied Sciences 15, no. 13: 7002. https://doi.org/10.3390/app15137002
APA StyleCastanheira, J. P., Arribas, B. N., Melicio, R., Gordo, P., & Silva, A. R. R. (2025). Heuristic Global Optimization for Thermal Model Reduction and Correlation in Aerospace Applications. Applied Sciences, 15(13), 7002. https://doi.org/10.3390/app15137002

