Leveraging Digital Twins and AI for Enhanced Gearbox Condition Monitoring in Wind Turbines: A Review
Abstract
1. Introduction
- -
- An overview of recent frameworks utilizing DT technology for gearbox and component monitoring.
- -
- A discussion of research opportunities in gearbox monitoring enabled by DT technology.
- -
- A critical review of the role of SP techniques in advancing DTs for gearbox monitoring.
- -
- A critical review of the role of AI techniques in advancing DTs for gearbox monitoring.
- -
- A presentation of research addressing the challenge of data scarcity and the contribution of DT technology to overcome this issue.
- -
- An exploration of future directions and opportunities for contributions in the field of gearbox monitoring based on the DT approach.
2. Digital Twin-Assisted Gearbox Monitoring
2.1. Bearing Faults
2.1.1. Model-Based Development
2.1.2. Experimental Procedure
2.2. Gear Faults
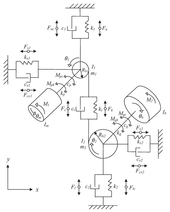
2.2.1. Model-Based Development
- Im:
- Moment of inertia associated with the motor.
- Ib:
- Moment of inertia of the applied load.
- Im:
- Moment of inertia of the pinion.
- Im:
- Moment of inertia of the gear.
- M1:
- Torque generated by the motor.
- M2:
- Torque exerted by the load.
- m1:
- Mass of the pinion.
- m2:
- Mass of the gear.
- Rb1:
- Radius of the pinion’s base circle.
- Rb2:
- Radius of the gear’s base circle.
- kp:
- Torsional rigidity of the input coupling.
- kg:
- Torsional rigidity of the output coupling.
- cp:
- Damping factor of the input coupling.
- cg:
- Damping factor of the output coupling.
- kx1:
- Radial stiffness in the horizontal direction for the input bearing.
- kx2:
- Radial stiffness in the horizontal direction for the output bearing.
- ky1:
- Radial stiffness in the vertical direction for the input bearing.
- ky2:
- Radial stiffness in the vertical direction for the output bearing.
- cx1:
- Horizontal viscous damping coefficient of the input bearing.
- cx2:
- Horizontal damping coefficient of the output bearing.
- cy1:
- Vertical damping coefficient of the input bearing.
- cy2:
- Vertical damping coefficient of the output bearing.
- kt:
- Stiffness of the gear meshing.
- ct:
- Damping coefficient at the mesh interface.
- x1:
- Axial displacement of the pinion along the meshing direction (x-axis).
- x2:
- Axial displacement of the gear along the x-axis.
- y1:
- Radial displacement of the pinion in the perpendicular direction (y-axis).
- y2:
- Radial displacement of the gear on the y-axis.
- θm:
- Motor shaft rotation angle.
- θ1:
- Angular rotation of the pinion.
- θ2:
- Angular rotation of the gear.
- θb:
- Angular rotation of the load.
2.2.2. Experimental Procedure
2.3. Digital Twin
3. Signal Processing and Artificial Intelligence for DT Development
3.1. Signal Processing for DT Development
3.2. Artificial Intelligence with DT
3.3. Emerging AI Technologies Integrated with DT for Gearbox Monitoring Needs
3.4. Data Augmentation in DT Applications
- -
- Removing elements from signals or images or adding noise [75].
- -
- Traditional operations such as rotation, cropping, and shifting [113].
- -
- Using generative networks to create signals or images resembling each class [114].
- -
- Employing a faithful DT of the monitored component to generate signals for underrepresented classes.
4. DT-Based Gearbox Monitoring: A Framework for Future Research
- The development of a DT for monitoring combined faults in gears and bearings is a realistic approach, as these faults often interact in real-world systems. The vibrational or acoustic signatures of these faults can overlap, making their detection and diagnosis more complex. A DT allows for modeling these interactions and a better understanding of the phenomena of fault signature dominance. This paves the way for more robust detection algorithms capable of distinguishing faults even in the presence of noise or parasitic signals.
- Beyond classical faults (gears and bearings), it is crucial to integrate less-studied but equally critical faults into DTs, such as shaft misalignment or structural nonlinearities. These faults can have a significant impact on the overall system dynamics, causing abnormal vibrations, accelerated wear, or even catastrophic failures. A DT capable of simulating these faults would allow for better anticipation of their effects and optimization of maintenance strategies.
- Leveraging DTs to optimize sensor placement is a major contribution. By identifying strategic points where fault signatures are most visible, the number of required sensors can be reduced, lowering installation and maintenance costs. Additionally, this limits the volume of data to collect, store, and analyze while improving monitoring efficiency.
- Integrating complex physical phenomena, such as heat propagation due to excessive friction, enhances the capabilities of DTs. By combining thermal models with data from thermal cameras, it becomes possible to remotely monitor component conditions and detect thermal anomalies before they lead to failures. This enables more precise predictive maintenance and reduces the risk of unexpected breakdowns.
- The DT approach can be extended to other rotating machines, such as turbines, compressors, or electric motors. Each type of machine has its own dynamic and operational specificities (rotational speed, applied loads, environment, etc.), requiring model adaptation. For example, turbines may be subject to variable aerodynamic loads, while compressors may experience overpressure phenomena. DTs must incorporate these specificities to be effective.
- Environmental conditions (wind, temperature, humidity) significantly impact wind turbine dynamics. A DT can simulate these effects to study how they accelerate fault propagation, such as cracks in blades or shafts. Frequent acceleration and deceleration due to wind variations can lead to increased material fatigue. By integrating these factors, DTs enable better failure prediction and optimization of maintenance cycles.
- Faults in gears or bearings can lead to energy loss due to reduced transmission efficiency. A DT can estimate this energy loss for each type of fault, even before it becomes critical. This helps define a fault criticality order and prioritize maintenance interventions based on their impact on energy efficiency.
- Integrating cost–benefit analysis into DTs allows for evaluating the economic impact of maintenance strategies. This includes modeling maintenance costs, downtime, and component replacement costs. By comparing predictive and corrective maintenance costs, DTs can help identify the most cost-effective strategies and justify investments in advanced monitoring technologies.
- Unifying monitoring processes (detection, diagnosis, prognosis) into a single methodology is essential for a coherent approach. DTs can serve as an integrated platform for these three steps, using the same data and models to detect anomalies, diagnose faults, and predict their evolution. This simplifies the monitoring process and improves the accuracy of the prediction.
- For high-speed machines, it is crucial to integrate the phenomenon of shaft critical speed into DTs. Flexible shafts with a low diameter-to-length ratio can enter resonance at certain rotational speeds, causing excessive vibrations and failures. DTs can simulate these effects to identify critical speeds and optimize machine design and operation.
- Improving the alignment between the signals simulated by DTs and the real-world signals is a major challenge. This requires accounting for complex phenomena, such as the response of the gearbox to mechanical play or bearing excitations. By refining models to better reflect reality, DTs become more reliable and useful for monitoring and predictive maintenance.
5. Conclusions
Author Contributions
Funding
Data Availability Statement
Conflicts of Interest
References
- Popa, D.C.; Szabó, L. Overcoming Catch-22 for rare earth metals in green transition: Solutions in electrical machine manufacturing. Renew. Sustain. Energy Rev. 2025, 207, 114917. [Google Scholar] [CrossRef]
- Khurshid, H.; Mohammed, B.S.; Al-Yacoubya, A.M.; Liew, M.; Zawawi, N.A.W.A. Analysis of hybrid offshore renewable energy sources for power generation: A literature review of hybrid solar, wind, and waves energy systems. Dev. Built Environ. 2024, 19, 100497. [Google Scholar] [CrossRef]
- Hu, W.; Fang, J.; Zhang, Y.; Liu, Z.; Verma, A.S.; Liu, H.; Cong, F.; Tan, J. Digital Twin of Wind Turbine Surface Damage Detection Based on Deep Learning-Aided Drone Inspection. Renew. Energy 2025, 241, 122332. [Google Scholar] [CrossRef]
- Backwell, B.; Emerson Clarke, E.; Fang, R.; Fiestas, J.; Gitobu, N.; Khinda, R.; Ladwa, A.; Lathigara, W.; Liang, W.; Global Wind Report 2023. Technical Report, Global Wind Energy Council. 2023. Available online: https://sawea.org.za/sites/default/files/content-files/Market%20Reports/GWEC-2023_interactive.pdf (accessed on 6 November 2023).
- De Kooning, J.D.; Stockman, K.; De Maeyer, J.; Jarquin-Laguna, A.; Vandevelde, L. Digital twins for wind energy conversion systems: A literature review of potential modelling techniques focused on model fidelity and computational load. Processes 2021, 9, 2224. [Google Scholar] [CrossRef]
- Greco, A.; Sheng, S.; Keller, J.; Erdemir, A. Material wear and fatigue in wind turbine systems. Wear 2013, 302, 1583–1591. [Google Scholar] [CrossRef]
- Llopis-Albert, C.; Rubio, F.; Devece, C.; García-Hurtado, D. Digital twin-based approach for a multi-objective optimal design of wind turbine gearboxes. Mathematics 2024, 12, 1383. [Google Scholar] [CrossRef]
- Vrba, J.; Cejnek, M.; Steinbach, J.; Krbcova, Z. A machine learning approach for gearbox system fault diagnosis. Entropy 2021, 23, 1130. [Google Scholar] [CrossRef]
- Berghout, T.; Benbouzid, M. UBO-EREX: Uncertainty Bayesian-Optimized Extreme Recurrent EXpansion for Degradation Assessment of Wind Turbine Bearings. Electronics 2024, 13, 2419. [Google Scholar] [CrossRef]
- National Academies of Sciences, Engineering, and Medicine. Foundational Research Gaps and Future Directions for Digital Twins; National Academies of Sciences, Engineering, and Medicine: Washington, DC, USA, 2023. [Google Scholar]
- Moghadam, F.K.; Nejad, A.R. Online condition monitoring of floating wind turbines drivetrain by means of digital twin. Mech. Syst. Signal Process. 2022, 162, 108087. [Google Scholar] [CrossRef]
- Pujana, A.; Esteras, M.; Perea, E.; Maqueda, E.; Calvez, P. Hybrid-model-based digital twin of the drivetrain of a wind turbine and its application for failure synthetic data generation. Energies 2023, 16, 861. [Google Scholar] [CrossRef]
- Regis, A.; Arroyave-Tobón, S.; Linares, J.M.; Mermoz, E. Physic-based vs data-based digital twins for bush bearing wear diagnostic. Wear 2023, 526, 204888. [Google Scholar] [CrossRef]
- Mehlan, F.C.; Nejad, A.R.; Gao, Z. Digital twin based virtual sensor for online fatigue damage monitoring in offshore wind turbine drivetrains. J. Offshore Mech. Arct. Eng. 2022, 144, 060901. [Google Scholar] [CrossRef]
- Zhao, W.; Zhang, C.; Wang, J.; Wang, S.; Lv, D.; Qin, F. Research on digital twin driven rolling bearing model-data fusion life prediction method. IEEE Access 2023, 11, 48611–48627. [Google Scholar] [CrossRef]
- Khan, P.W.; Byun, Y.C. A Review of machine learning techniques for wind turbine’s fault detection, diagnosis, and prognosis. Int. J. Green Energy 2024, 21, 771–786. [Google Scholar] [CrossRef]
- Gawde, S.; Patil, S.; Kumar, S.; Kamat, P.; Kotecha, K. An explainable predictive maintenance strategy for multi-fault diagnosis of rotating machines using multi-sensor data fusion. Decis. Anal. J. 2024, 10, 100425. [Google Scholar] [CrossRef]
- Habbouche, H.; Benkedjouh, T.; Amirat, Y.; Benbouzid, M. Rotating machine bearing health prognosis using a data driven approach based on KS-density and BiLSTM. IET Sci. Meas. Technol. 2025, 19, e12215. [Google Scholar] [CrossRef]
- Li, J.; Wang, S.; Yang, J.; Zhang, H.; Zhao, H. A digital twin-based state monitoring method of gear test bench. Appl. Sci. 2023, 13, 3291. [Google Scholar] [CrossRef]
- Hu, Y.; Taha, O.W.; Yang, K. Fault Detection in Active Magnetic Bearings Using Digital Twin Technology. Appl. Sci. 2024, 14, 1384. [Google Scholar] [CrossRef]
- Hu, W.; Jiao, Q.; Liu, H.; Wang, K.; Jiang, Z.; Wu, J.; Cong, F.; Hao, G. A transferable diagnosis method with incipient fault detection for a digital twin of wind turbine. Digit. Eng. 2024, 1, 100001. [Google Scholar] [CrossRef]
- Li, S.; Jiang, Q.; Xu, Y.; Feng, K.; Zhao, Z.; Sun, B.; Huang, G.Q. Digital twin-assisted interpretable transfer learning: A novel wavelet-based framework for intelligent fault diagnostics from simulated domain to real industrial domain. Adv. Eng. Inform. 2024, 62, 102681. [Google Scholar] [CrossRef]
- Habbouche, H.; Amirat, Y.; Benkedjouh, T.; Benbouzid, M. Digital twin-based gearbox fault diagnosis using variational mode decomposition and dynamic vibration modeling. Measurement 2025, 246, 116669. [Google Scholar] [CrossRef]
- Yu, X.; Sun, X.; Ou, L. Graphics-based modular digital twin software framework for production lines. Comput. Ind. Eng. 2024, 193, 110308. [Google Scholar] [CrossRef]
- Barata, J.; Kayser, I. How will the digital twin shape the future of industry 5.0? Technovation 2024, 134, 103025. [Google Scholar] [CrossRef]
- Da Rocha, H.; Pereira, J.; Abrishambaf, R.; Espirito Santo, A. An interoperable digital twin with the IEEE 1451 standards. Sensors 2022, 22, 7590. [Google Scholar] [CrossRef] [PubMed]
- Lindner, M.; Bank, L.; Schilp, J.; Weigold, M. Digital twins in manufacturing: A RAMI 4.0 compliant concept. Sci 2023, 5, 40. [Google Scholar] [CrossRef]
- IEEE-P2413; Standard for an Architectural Framework for the Internet of Things (IOT). IEEE: Piscataway, NJ, USA, 2016.
- ISO 23247-1:2021; Automation Systems and Integration–Digital Twin Framework for Manufacturing—Part 1: Overview and General Principles. International Organization for Standardization (ISO): Geneva, Switzerland, 2021.
- ISO/PAS 17506:2012; Industrial Automation Systems and Integration—COLLADA Digital Asset Schema Specification for 3D Visualization of Industrial Data. International Organization for Standardization (ISO): Geneva, Switzerland, 2012.
- Lee, B.N.; Pei, E.; Um, J. An overview of information technology standardization activities related to additive manufacturing. Prog. Addit. Manuf. 2019, 4, 345–354. [Google Scholar] [CrossRef]
- ISO/IEC TR 22678:2019; Information Technology—Cloud Computing—Guidance for Policy Development. International Organization for Standardization and International Electrotechnical Commission: Geneva, Switzerland, 2019. Available online: https://www.iso.org/standard/73642.html (accessed on 19 May 2025).
- Cindrić, I.; Jurčević, M.; Hadjina, T. Mapping of Industrial IoT to IEC 62443 Standards. Sensors 2025, 25, 728. [Google Scholar] [CrossRef]
- Wang, K.; Wang, Y.; Li, Y.; Fan, X.; Xiao, S.; Hu, L. A review of the technology standards for enabling digital twin: [version 2; peer review: 2 approved]. Digit. Twin 2024, 1, 4. [Google Scholar]
- Minghui, H.; Ya, H.; Xinzhi, L.; Ziyuan, L.; Jiang, Z.; Bo, M. Digital twin model of gas turbine and its application in warning of performance fault. Chin. J. Aeronaut. 2023, 36, 449–470. [Google Scholar]
- Kanaga Priya, P.; Reethika, A. A review of digital twin applications in various sectors. In Transforming Industry Using Digital Twin Technology; Springer: Cham, Switzerland, 2024; pp. 239–258. [Google Scholar]
- Bofill, J.; Abisado, M.; Villaverde, J.; Sampedro, G.A. Exploring Digital Twin-Based Fault Monitoring: Challenges and Opportunities. Sensors 2023, 23, 7087. [Google Scholar] [CrossRef]
- Nickpasand, M.; Gaspar, H.M.; Energy, S.G.R. Digital Twin for Agile Manufacturing: Challenges from the Offshore Wind Turbine Industry. In Proceedings of the ECMS, Florence, Italy, 20–23 June 2023; pp. 442–450. [Google Scholar]
- Zorchenko, N.; Tyupina, T.; Parshutin, M. Technologies Used by General Electric to Create Digital Twins for Energy Industry. Power Technol. Eng. 2024, 58, 521–526. [Google Scholar] [CrossRef]
- Feng, K.; Xu, Y.; Wang, Y.; Li, S.; Jiang, Q.; Sun, B.; Zheng, J.; Ni, Q. Digital twin enabled domain adversarial graph networks for bearing fault diagnosis. IEEE Trans. Ind. Cyber-Phys. Syst. 2023, 1, 113–122. [Google Scholar] [CrossRef]
- Fu, C.; Gao, C.; Zhang, W. A Digital-Twin Framework for Predicting the Remaining Useful Life of Piezoelectric Vibration Sensors with Sensitivity Degradation Modeling. Sensors 2023, 23, 8173. [Google Scholar] [CrossRef] [PubMed]
- Yao, H.; Zhang, X.; Guo, Q.; Miao, Y.; Guan, S. Fault diagnosis method for oil-immersed transformers integrated digital twin model. Sci. Rep. 2024, 14, 20355. [Google Scholar] [CrossRef]
- Machado, M.; Dutkiewicz, M. Wind turbine vibration management: An integrated analysis of existing solutions, products, and Open-source developments. Energy Rep. 2024, 11, 3756–3791. [Google Scholar] [CrossRef]
- Owolabi, O.I.; Madushele, N.; Adedeji, P.A.; Olatunji, O.O. FEM and ANN approaches to wind turbine gearbox monitoring and diagnosis: A mini review. J. Reliab. Intell. Environ. 2023, 9, 399–419. [Google Scholar] [CrossRef]
- Zhu, X.; Shi, W.; Huang, Z.; Shi, L. Geometry-Based Synchrosqueezing S-Transform with Shifted Instantaneous Frequency Estimator Applied to Gearbox Fault Diagnosis. Sensors 2025, 25, 540. [Google Scholar] [CrossRef]
- Peng, H.; Zhang, H.; Shangguan, L.; Fan, Y. Review of tribological failure analysis and lubrication technology research of wind power bearings. Polymers 2022, 14, 3041. [Google Scholar] [CrossRef]
- ISO 15243; Rolling Bearings—Damages and Failures—Terms Characteristics and Causes. British Standards Institution (BSI): Buckinghamshire, UK, 2004.
- Velásquez, R.M.A. Bearings faults and limits in wind turbine generators. Results Eng. 2024, 21, 101891. [Google Scholar] [CrossRef]
- Huang, X.; Xie, T.; Luo, S.; Wu, J.; Luo, R.; Zhou, Q. Incremental learning with multi-fidelity information fusion for digital twin-driven bearing fault diagnosis. Eng. Appl. Artif. Intell. 2024, 133, 108212. [Google Scholar] [CrossRef]
- Ruan, D.; Chen, Y.; Gühmann, C.; Yan, J.; Li, Z. Dynamics modeling of bearing with defect in Modelica and application in direct transfer learning from simulation to test bench for bearing fault diagnosis. Electronics 2022, 11, 622. [Google Scholar] [CrossRef]
- Zhang, Y.; Ji, J.; Ren, Z.; Ni, Q.; Gu, F.; Feng, K.; Yu, K.; Ge, J.; Lei, Z.; Liu, Z. Digital twin-driven partial domain adaptation network for intelligent fault diagnosis of rolling bearing. Reliab. Eng. Syst. Saf. 2023, 234, 109186. [Google Scholar] [CrossRef]
- Liu, X.; Huang, H.; Xiang, J. A personalized diagnosis method to detect faults in a bearing based on acceleration sensors and an FEM simulation driving support vector machine. Sensors 2020, 20, 420. [Google Scholar] [CrossRef]
- Wang, J.; Xiao, L.; Liu, X. Rapid deployment of digital twin for life prediction of rolling bearings. Appl. Intell. 2025, 55, 666. [Google Scholar] [CrossRef]
- Huo, W.; Jiang, Z.; Sheng, Z.; Zhang, K.; Xu, Y. Cyclostationarity blind deconvolution via eigenvector screening and its applications to the condition monitoring of rotating machinery. Mech. Syst. Signal Process. 2025, 222, 111782. [Google Scholar] [CrossRef]
- Garrett, H.; Long, D.G. Frequency-Constrained QR: Signal and Image Reconstruction. Remote Sens. 2025, 17, 464. [Google Scholar] [CrossRef]
- Husung, S.; Koch, Y.; Welzbacher, P.; Kraus, B.; Roehnert, F.; Faheem, F.; Kirchner, E. Systemic conception of the data acquisition of Digital Twin solutions for use case-oriented development and its application to a gearbox. Systems 2023, 11, 227. [Google Scholar] [CrossRef]
- Xiao, H.; Li, Z.; Zhang, X.; Wang, L.; Khanbareh, H.; Bowen, C. Mathematic modeling of vibration transmission path with discontinuous contact interfaces for gear dynamics in the gear-shaft-bearing-housing system. Measurement 2024, 226, 114054. [Google Scholar] [CrossRef]
- Afia, A.; Rahmoune, C.; Benazzouz, D.; Merainani, B.; Fedala, S. New intelligent gear fault diagnosis method based on Autogram and radial basis function neural network. Adv. Mech. Eng. 2020, 12, 1687814020916593. [Google Scholar] [CrossRef]
- Temirkhan, M.; Tariq, H.B.; Kaloudis, K.; Kalligeros, C.; Spitas, V.; Spitas, C. Parametric quasi-static study of the effect of misalignments on the path of contact, transmission error, and contact pressure of crowned spur and helical gear teeth using a novel rapidly convergent method. Appl. Sci. 2022, 12, 10067. [Google Scholar] [CrossRef]
- Temirkhan, M.; Spitas, C.; Wei, D. A computationally robust solution to the contact problem of two rotating gear surfaces in space. Meccanica 2023, 58, 2455–2466. [Google Scholar] [CrossRef]
- Liu, R.; Ding, X.; Wu, Q.; He, Q.; Shao, Y. An interpretable multiplication-convolution network for equipment intelligent edge diagnosis. IEEE Trans. Syst. Man Cybern. Syst. 2024, 54, 3284–3295. [Google Scholar] [CrossRef]
- Yikun, E.; Liu, Z.; Chen, H.; Zhang, Y.; Li, Z.; Feng, H.; Feng, Z. Dynamic modeling and vibration analysis for fault diagnosis of rotate vector reducers. Mech. Syst. Signal Process. 2025, 224, 111965. [Google Scholar]
- Dong, H.; Zhang, J.; Wang, L. Study on bifurcation characteristics of multi-clearance bending torsional coupling gear transmission based on EHL. Adv. Mech. Eng. 2020, 12, 1687814020937500. [Google Scholar] [CrossRef]
- Feng, K.; Ji, J.; Zhang, Y.; Ni, Q.; Liu, Z.; Beer, M. Digital twin-driven intelligent assessment of gear surface degradation. Mech. Syst. Signal Process. 2023, 186, 109896. [Google Scholar] [CrossRef]
- Deshpande, L.; Sawalhi, N.; Randall, R. Gearbox bearing fault simulation using a finite element model reduction technique. J. Phys. Conf. Ser. 2012, 364, 012082. [Google Scholar] [CrossRef]
- Zhang, Q.; Wu, Z.; An, B.; Sun, R.; Cui, Y. Digital Twin-Based Technical Research on Comprehensive Gear Fault Diagnosis and Structural Performance Evaluation. Sensors 2025, 25, 2775. [Google Scholar] [CrossRef]
- Wei, P.; Li, C.; Jiang, Z.; Wang, D. Real-time digital twin of ship structure deformation field based on the inverse finite element method. J. Mar. Sci. Eng. 2024, 12, 257. [Google Scholar] [CrossRef]
- El Amli, A.; El Yousfi, B.; Soualhi, A.; Guillet, F. A Novel Hybrid FEM–Dynamic Modeling Approach for Enhanced Vibration Diagnostics in a Two-Stage Spur Gearbox. Energies 2025, 18, 2176. [Google Scholar] [CrossRef]
- Liu, W.; Han, B.; Zheng, A.; Zheng, Z. Fault Diagnosis for Reducers Based on a Digital Twin. Sensors 2024, 24, 2575. [Google Scholar] [CrossRef]
- Wang, Y.; Sun, W.; Liu, L.; Wang, B.; Bao, S.; Jiang, R. Fault diagnosis of wind turbine planetary gear based on a digital twin. Appl. Sci. 2023, 13, 4776. [Google Scholar] [CrossRef]
- Zayed, S.M.; Attiya, G.; El-Sayed, A.; Sayed, A.; Hemdan, E.E.D. An efficient fault diagnosis framework for digital twins using optimized machine learning models in smart industrial control systems. Int. J. Comput. Intell. Syst. 2023, 16, 69. [Google Scholar] [CrossRef]
- Allal, Z.; Noura, H.N.; Vernier, F.; Salman, O.; Chahine, K. Wind turbine fault detection and identification using a two-tier machine learning framework. Intell. Syst. Appl. 2024, 22, 200372. [Google Scholar] [CrossRef]
- Alexakos, C.T.; Karnavas, Y.L.; Drakaki, M.; Tziafettas, I.A. A combined short time fourier transform and image classification transformer model for rolling element bearings fault diagnosis in electric motors. Mach. Learn. Knowl. Extr. 2021, 3, 228–242. [Google Scholar] [CrossRef]
- Ma, S.; Flanigan, K.A.; Bergés, M. State-of-the-art review and synthesis: A requirement-based roadmap for standardized predictive maintenance automation using digital twin technologies. Adv. Eng. Inform. 2024, 62, 102800. [Google Scholar] [CrossRef]
- Rashid, H.; Habbouche, H.; Amirat, Y.; Mamoune, A.; Titah-Benbouzid, H.; Benbouzid, M. B-FLOWS: Biofouling Focused Learning and Observation for Wide-Area Surveillance in Tidal Stream Turbines. J. Mar. Sci. Eng. 2024, 12, 1828. [Google Scholar] [CrossRef]
- Zhang, W.; Liu, Y.; Zhang, S.; Long, T.; Liang, J. Error fusion of hybrid neural networks for mechanical condition dynamic prediction. Sensors 2021, 21, 4043. [Google Scholar] [CrossRef]
- Benbouzid, M. Signal Processing for Fault Detection and Diagnosis in Electric Machines and Systems; Institution of Engineering & Technology: Stevenage, UK, 2021. [Google Scholar]
- Mpoyi, D.K.; Ekuakille, A.L.; Ugwiri, M.A.; Casavola, C.; Pappalettera, G. Wear monitoring based on vibration measurement during machining: An application of FDM and EMD. Meas. Sens. 2024, 32, 101051. [Google Scholar] [CrossRef]
- Nasiri, A.; Rahideh, A.; Agah, G.R.; Kia, S.H. Ball-Bearing Fault Detection of Squirrel-Cage Induction Motors Based on Single-Phase Stator Current Using Wavelet Packet Decomposition and Statistical Features. IEEE Trans. Energy Convers. 2024, early access. [Google Scholar] [CrossRef]
- Habbouche, H.; Benkedjouh, T.; Amirat, Y.; Benbouzid, M. A Wavelet Transform-Based Transfer Learning Approach for Enhanced Shaft Misalignment Diagnosis in Rotating Machinery. Electronics 2025, 14, 341. [Google Scholar] [CrossRef]
- Xia, J.; Huang, R.; Liao, Y.; Li, J.; Chen, Z.; Li, W. Digital twin-assisted gearbox dynamic model updating toward fault diagnosis. Front. Mech. Eng. 2023, 18, 32. [Google Scholar] [CrossRef]
- Yu, J.; Wang, S.; Wang, L.; Sun, Y. Gearbox fault diagnosis based on a fusion model of virtual physical model and data-driven method. Mech. Syst. Signal Process. 2023, 188, 109980. [Google Scholar] [CrossRef]
- Matania, O.; Bechhoefer, E.; Bortman, J. Digital Twin of a Gear Root Crack Prognosis. Sensors 2023, 23, 9883. [Google Scholar] [CrossRef]
- Zhu, D.; Li, Z.; Hu, N. Multi-body dynamics modeling and analysis of planetary gearbox combination failure based on digital twin. Appl. Sci. 2022, 12, 12290. [Google Scholar] [CrossRef]
- Zhu, P.; Deng, L.; Tang, B.; Yang, Q.; Li, Q. Digital twin-enabled entropy regularized wavelet attention domain adaptation network for gearboxes fault diagnosis without fault data. Adv. Eng. Inform. 2025, 64, 103055. [Google Scholar] [CrossRef]
- Jia, S.; Sun, D.; Noman, K.; Wang, X.; Li, Y. Lifting wavelet-informed hierarchical domain adaptation network: An interpretable digital twin-driven gearbox fault diagnosis method. Reliab. Eng. Syst. Saf. 2025, 254, 110660. [Google Scholar] [CrossRef]
- Ming, Z.; Tang, B.; Deng, L.; Yang, Q.; Li, Q. Digital twin-assisted fault diagnosis framework for rolling bearings under imbalanced data. Appl. Soft Comput. 2025, 168, 112528. [Google Scholar] [CrossRef]
- Qin, Y.; Liu, H.; Wang, Y.; Mao, Y. Inverse physics–informed neural networks for digital twin–based bearing fault diagnosis under imbalanced samples. Knowl.-Based Syst. 2024, 292, 111641. [Google Scholar] [CrossRef]
- Shi, H.; Yang, T.; Hu, Y.; Song, Z. A Model-Data Combination Driven Digital Twin Model for Few Samples Fault Diagnosis of Rolling Bearings. Meas. Sci. Technol. 2024, 35, 095103. [Google Scholar] [CrossRef]
- Piltan, F.; Kim, C.H.; Kim, J.M. Bearing crack diagnosis using a smooth sliding digital twin to overcome fluctuations arising in unknown conditions. Appl. Sci. 2022, 12, 6770. [Google Scholar]
- Kurucan, M.; Özbaltan, M.; Yetgin, Z.; Alkaya, A. Applications of artificial neural network based battery management systems: A literature review. Renew. Sustain. Energy Rev. 2024, 192, 114262. [Google Scholar] [CrossRef]
- Mian, Z.; Deng, X.; Dong, X.; Tian, Y.; Cao, T.; Chen, K.; Al Jaber, T. A literature review of fault diagnosis based on ensemble learning. Eng. Appl. Artif. Intell. 2024, 127, 107357. [Google Scholar] [CrossRef]
- Li, G.; Yu, Z.; Yang, K.; Lin, M.; Chen, C.P. Exploring Feature Selection With Limited Labels: A Comprehensive Survey of Semi-Supervised and Unsupervised Approaches. IEEE Trans. Knowl. Data Eng. 2024, 36, 6124–6144. [Google Scholar] [CrossRef]
- Xi, D.; Hou, L.; Luo, J.; Liu, F.; Qin, Y. The meta-defect-detection system for gear pitting based on digital twin. Adv. Eng. Inform. 2023, 56, 102003. [Google Scholar] [CrossRef]
- Xu, Y.; Jiang, Q.; Li, S.; Zhao, Z.; Sun, B.; Huang, G.Q. Digital twin-driven discriminative graph learning networks for cross-domain bearing fault recognition. Comput. Ind. Eng. 2024, 193, 110292. [Google Scholar] [CrossRef]
- Ma, L.; Jiang, B.; Xiao, L.; Lu, N. Digital twin-assisted enhanced meta-transfer learning for rolling bearing fault diagnosis. Mech. Syst. Signal Process. 2023, 200, 110490. [Google Scholar] [CrossRef]
- Cui, L.; Xiao, Y.; Liu, D.; Han, H. Digital twin-driven graph domain adaptation neural network for remaining useful life prediction of rolling bearing. Reliab. Eng. Syst. Saf. 2024, 245, 109991. [Google Scholar] [CrossRef]
- He, D.; Zhao, J.; Jin, Z.; Huang, C.; Zhang, F.; Wu, J. Prediction of bearing remaining useful life based on a two-stage updated digital twin. Adv. Eng. Inform. 2025, 65, 103123. [Google Scholar] [CrossRef]
- Li, Z.; Ding, X.; Song, Z.; Wang, L.; Qin, B.; Huang, W. Digital twin-assisted dual transfer: A novel information-model adaptation method for rolling bearing fault diagnosis. Inf. Fusion 2024, 106, 102271. [Google Scholar] [CrossRef]
- Zhang, C.; Qin, F.; Zhao, W.; Li, J.; Liu, T. Research on rolling bearing fault diagnosis based on digital twin data and improved ConvNext. Sensors 2023, 23, 5334. [Google Scholar] [CrossRef]
- Liu, S.; Qi, Y.; Gao, X.; Liu, L.; Ma, R. Transfer learning-based multiple digital twin-assisted intelligent mechanical fault diagnosis. Meas. Sci. Technol. 2023, 35, 025133. [Google Scholar] [CrossRef]
- Meng, W.; Wang, Y.; Zhang, X.; Li, S.; Bai, X.; Hou, L. Prediction of fault evolution and remaining useful life for rolling bearings with spalling fatigue using digital twin technology. Appl. Intell. 2023, 53, 28611–28626. [Google Scholar] [CrossRef]
- Sow, S.; Farhat, M.H.; Chiementin, X.; Rasolofondraibe, L.; Cousinard, O. Gearbox Digital Twin Data Used in Supervised Learning. J. Vib. Eng. Technol. 2024, 12, 3087–3099. [Google Scholar] [CrossRef]
- Kumar, A.; Kumar, R.; Xiang, J.; Qiao, Z.; Zhou, Y.; Shao, H. Digital twin-assisted AI framework based on domain adaptation for bearing defect diagnosis in the centrifugal pump. Measurement 2024, 235, 115013. [Google Scholar] [CrossRef]
- Xiao, Y.; Cui, L.; Liu, D.; Pan, X. Digital Twin-Driven Graph Convolutional Memory Network for Defect Evolution Assessment of Rolling Bearings. IEEE Trans. Instrum. Meas. 2024, 73, 3519210. [Google Scholar] [CrossRef]
- Mo, R.; Zhou, H.; Yin, H.; Si, X. A survey on few-shot learning for remaining useful life prediction. Reliab. Eng. Syst. Saf. 2025, 257, 110850. [Google Scholar] [CrossRef]
- Ait Abdelmoula, I.; Oufettoul, H.; Lamrini, N.; Motahhir, S.; Mehdary, A.; El Aroussi, M. Federated learning for solar energy applications: A case study on real-time fault detection. Sol. Energy 2024, 282, 112942. [Google Scholar] [CrossRef]
- Salim, M.M.; Camacho, D.; Park, J.H. Digital twin and federated learning enabled cyberthreat detection system for IoT networks. Future Gener. Comput. Syst. 2024, 161, 701–713. [Google Scholar] [CrossRef]
- Nain, G.; Pattanaik, K.; Sharma, G. Towards edge computing in intelligent manufacturing: Past, present and future. J. Manuf. Syst. 2022, 62, 588–611. [Google Scholar] [CrossRef]
- Lu, S.; Lu, J.; An, K.; Wang, X.; He, Q. Edge computing on IoT for machine signal processing and fault diagnosis: A review. IEEE Internet Things J. 2023, 10, 11093–11116. [Google Scholar] [CrossRef]
- Gao, R.X.; Krüger, J.; Merklein, M.; Möhring, H.C.; Váncza, J. Artificial Intelligence in manufacturing: State of the art, perspectives, and future directions. CIRP Ann. 2024, 73, 723–749. [Google Scholar] [CrossRef]
- Liu, G.; Wu, L. Incremental bearing fault diagnosis method under imbalanced sample conditions. Comput. Ind. Eng. 2024, 192, 110203. [Google Scholar] [CrossRef]
- Ju, Z.; Chen, Y.; Qiang, Y.; Chen, X.; Ju, C.; Yang, J. A systematic review of data augmentation methods for intelligent fault diagnosis of rotating machinery under limited data conditions. Meas. Sci. Technol. 2024, 35, 122004. [Google Scholar] [CrossRef]
- Habbouche, H.; Rashid, H.; Amirat, Y.; Banerjee, A.; Benbouzid, M. A 2D VMD video image processing-based transfer learning approach for the detection and estimation of biofouling in tidal stream turbines. Ocean Eng. 2024, 312, 119283. [Google Scholar] [CrossRef]
- Cui, L.; Li, W.; Wang, X.; Liu, D. A novel quantitative diagnosis method for rolling bearing faults based on digital twin model. ISA Trans. 2024, 157, 381–391. [Google Scholar] [CrossRef]
- Yan, S.; Zhong, X.; Shao, H.; Ming, Y.; Liu, C.; Liu, B. Digital twin-assisted imbalanced fault diagnosis framework using subdomain adaptive mechanism and margin-aware regularization. Reliab. Eng. Syst. Saf. 2023, 239, 109522. [Google Scholar] [CrossRef]








| Study | Methodology | Contributions | Strengths | Limitations |
|---|---|---|---|---|
| [22] | DWT, feature selection | Distinguish between real and simulated bearing faults | Effective fault discrimination | High computational cost, sensitive to mother wavelet choice |
| [81] | Frequency analysis | Validate the fidelity of the DT of a helical gear | Similarity criterion for model adaptation | Limited performance in non-stationary regimes, requires fault detection step |
| [82] | VMD, phase correlation, envelope analysis | Match experimental and simulated signals | Realistic signal integration, noise reduction | VMD requires parameter tuning, envelope filters out weak faults |
| [83] | Synchronous averaging, DFT | Adapt virtual and real signals, calculate indicators CI1 and CI2 | Noise reduction, fault severity estimation | Limited in non-stationary conditions |
| [84] | Basic spectral analysis | Detect fault and meshing frequencies | Simple and direct method | Ineffective for complex signals |
| [70] | EMD, energy entropy | Mode selection for signal denoising | Effective in handling mixed modes | Less useful for combined faults |
| [85] | DWT | Time–frequency feature extraction, signal alignment | Good adaptability | High computational cost, sensitive wavelet choice |
| [86] | Lifting wavelets | Feature extraction and data distribution alignment | Powerful for differing distributions | Complex implementation, requires prior wave study |
| [87] | Frequency decomposition | Align physical and twin system signals | Effective signal matching | Limited in non-stationary regimes |
| [23] | VMD, meshing frequency correlation | Separate noise and fault signatures | Realistic degraded signal synthesis | VMD parameter tuning required, often needs optimization |
| [88] | Spectral analysis | Align model and experimental data | Experimental validation | Less effective on complex signals |
| [89] | Markov transfer, time–frequency feature extraction | Adapt signals via image transformation | Captures temporal and spectral features | Complex to implement, signal-dependent |
| [90] | RMS, fuzzy Gauss–Laguerre autoregression | Bearing monitoring, crack severity classification | Effective statistical approach | Sensitive to operating mode changes |
| [69] | Hash algorithm, Hamming distance | Similarity measure between real and simulated fault classes | Robust under variable conditions | Dependent on data encoding method |
| Study | Methodology | Contributions | Strengths | Limitations |
|---|---|---|---|---|
| [22] | Transfer learning on scalograms | Used pre-trained models for classification | Good for limited data | Hard to adapt to new domains |
| [94] | Meta-learning | Learns from small/complex datasets | Learns fast with few samples | Learning complexity |
| [95] | GNN | Adapts model to real data | Accurate fault detection | Needs strong graphical modeling |
| [96] | Transfer + Meta-learning | Combines transfer and meta-learning | Benefits from both methods | Inherits both drawbacks |
| [97] | GNN + regularization | Reduces sim-real data gap | Strong predictive power | High computational demand |
| [98] | GNN + BiLSTM | RUL estimation of bearings | Learns sequences + data adaptation | Needs graphical data + preprocessing |
| [99] | Branched network + CNN | Wear fault diagnosis | Accurate diagnosis | Needs a lot of training data |
| [21] | One-class SVM + CapsNet | Fault detection with auto-architecture | Outperforms state-of-the-art | CapsNet architecture may be complex |
| [51] | Transformer-based network | Transfers model data to test data | High learning capability | Requires large data and memory |
| [70] | Atom Search + SVM | Planetary gearbox fault diagnosis | Enhanced classification | Needs prior optimization |
| [100] | Transfer learning + attention modules | Improved tracking & feature extraction | Better domain adaptation | Depends on source training domain |
| [101] | GAN + LSTM | Experimental data classification | Solves data scarcity | GAN convergence and physical realism issues |
| [102] | GAN + GRU | Fatigue estimation & RUL prediction | Handles small data | Synthetic data lacks realism |
| [103] | Multi-class SVM | Simulation-trained fault classification | Simple & interpretable | Weak on complex/multi-class problems |
| [49] | 1D CNN + FBC algorithm | Bearing fault diagnosis | Learns across domain gap | May overfit without regularization |
| [104] | Various domain adaptation algorithms | Applied to centrifugal pump | Versatile domain bridging | Domain adaptation can be unstable |
| [105] | Graph convolutional memory network | Degradation monitoring | Time-series modeling + sim-to-real projection | Graph representation required, complex training |
| No | Future Direction | Industrial Priority | Technology Maturity | Main Technical Bottleneck | Required Resources |
|---|---|---|---|---|---|
| 1 | Monitoring of combined gear and bearing faults | High | Medium | Overlapping of vibrational signatures | Labeled real-world datasets + source separation algorithms |
| 2 | Integration of less-studied faults (misalignment, structural nonlinearities) | Medium | Low | Modeling complexity of nonlinear behavior | Advanced models + dedicated experimental measurements |
| 3 | Sensor placement optimization using DTs | High | Medium | Identification of fault-sensitive zones | Multi-physics simulations + optimization tools |
| 4 | Integration of thermal phenomena (e.g., friction-induced heat propagation) | Medium | Low to Medium | Reliable thermo-mechanical coupling | Thermal models + infrared cameras + calibration tools |
| 5 | Extension of DTs to other rotating machines (turbines, compressors…) | Medium to High | Medium | Model adaptation to each machine’s dynamics | Machine-specific data + domain expertise |
| 6 | Integration of environmental conditions (wind, humidity, temperature…) | Medium | Medium | Modeling environmental impact on fault propagation | Environmental sensors + long-term operational datasets |
| 7 | Evaluation of energy loss due to mechanical faults | Medium | Low to Medium | Accurate quantification of loss per fault type | Energy models + instrumented test benches |
| 8 | Cost–benefit analysis integration into DT | High | Medium | Reliable multi-criteria economic modeling | Real maintenance cost data + financial simulation tools |
| 9 | Unification of detection, diagnosis, and prognosis processes | High | Medium to High | Coherent integration in a unified platform | Centralized software architecture + integrated AI |
| 10 | Integration of shaft critical speed for high-speed machines | Medium | Low | Accurate dynamic modeling of flexible shafts | FEM modeling + experimental vibration data |
| 11 | Realistic alignment between simulated and real-world signals | Very High | Low | Gap between DT models and actual gearbox behavior | Precise model calibration + deep learning techniques |
Disclaimer/Publisher’s Note: The statements, opinions and data contained in all publications are solely those of the individual author(s) and contributor(s) and not of MDPI and/or the editor(s). MDPI and/or the editor(s) disclaim responsibility for any injury to people or property resulting from any ideas, methods, instructions or products referred to in the content. |
© 2025 by the authors. Licensee MDPI, Basel, Switzerland. This article is an open access article distributed under the terms and conditions of the Creative Commons Attribution (CC BY) license (https://creativecommons.org/licenses/by/4.0/).
Share and Cite
Habbouche, H.; Amirat, Y.; Benbouzid, M. Leveraging Digital Twins and AI for Enhanced Gearbox Condition Monitoring in Wind Turbines: A Review. Appl. Sci. 2025, 15, 5725. https://doi.org/10.3390/app15105725
Habbouche H, Amirat Y, Benbouzid M. Leveraging Digital Twins and AI for Enhanced Gearbox Condition Monitoring in Wind Turbines: A Review. Applied Sciences. 2025; 15(10):5725. https://doi.org/10.3390/app15105725
Chicago/Turabian StyleHabbouche, Houssem, Yassine Amirat, and Mohamed Benbouzid. 2025. "Leveraging Digital Twins and AI for Enhanced Gearbox Condition Monitoring in Wind Turbines: A Review" Applied Sciences 15, no. 10: 5725. https://doi.org/10.3390/app15105725
APA StyleHabbouche, H., Amirat, Y., & Benbouzid, M. (2025). Leveraging Digital Twins and AI for Enhanced Gearbox Condition Monitoring in Wind Turbines: A Review. Applied Sciences, 15(10), 5725. https://doi.org/10.3390/app15105725

