Integrating a Physical Model with Multi-Objective Optimization for the Design of Optical Angle Nano-Positioning Mechanism
Abstract
1. Introduction
2. Optical Angle Nano-Positioning Mechanism Configuration
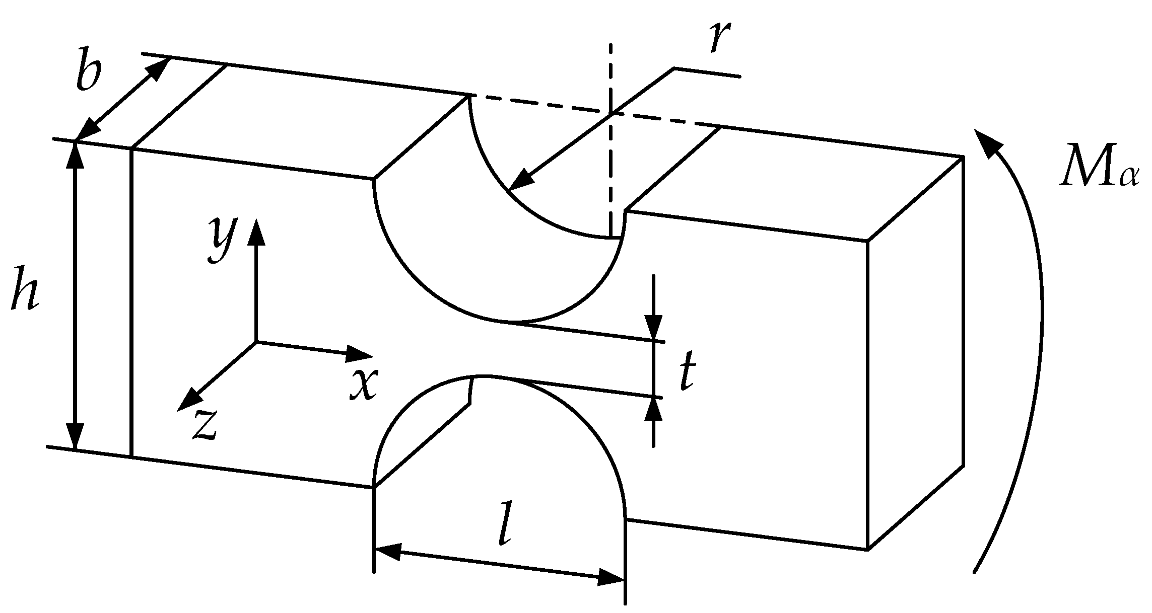
2.1. Physical Design
2.2. Statics Analysis
2.3. Kinematics Analysis
3. Optimization Design
3.1. Design Parameter
3.1.1. Material Parameter
3.1.2. Dimension Parameter
3.2. Design Parameter Analysis
4. Multi-Objective Optimization Design
4.1. Objective Functions
- The highest inherent frequency:
- At the maximum output angle of the mechanism rotation, the minimum driving force is required:
4.2. Constraints and Limitations
- Dimensional constraint.According to the analysis in Section 3.2, the constraints on the design parameters are as follows:
- Maximum stress constraint.CMs, which rely on material deformation to achieve motion, should typically ensure that the maximum stress () endured by the material during maximum displacement remains below the yield stress () of the material. This is crucial for guaranteeing the material’s fatigue life. In the case of this optical angle nano-adjustment mechanism, is observed at the flexible hinge at the maximum output angle. The calculation formula for is provided below [9,32]:where is a dimensionless coefficient; is the safety factor, and where is as follows:
4.3. Optimization Algorithm
5. Application of NSGA-II Algorithm for Design Problem
5.1. MOOP’s Results
5.2. Finite Element Calculation Verification
6. Prototype Trial Production
6.1. Performance Test
6.1.1. Resolution Test
6.1.2. Repetitive Positioning Accuracy Test
6.2. Motor Performance Test
7. Conclusions
- By establishing the kinematic model based on the geometric dimensions of the mechanism, the relationship between the mechanism size and the output motion is determined.
- Analyzing the driving force required by the mechanism at the limit output angle begins with the mechanical characteristics of a single hinge. A mapping relationship between the stiffness of a single hinge and that of the entire mechanism is established.
- Utilizing the Lagrangian kinematics theory, the dynamic model of the mechanism is developed based on geometric size and mass data. The first-order inherent frequency is determined by solving the partial differential equation.
- The NSGA-II multi-objective optimization algorithm optimizes the design parameters and addresses the conflict inherent in multi-objective optimization for optical angle nano-positioning mechanisms.
- The theoretical model is validated through finite element calculations and prototype testing. The results indicate that the first-order inherent frequency of the theoretical model differs by 3.33% from the finite element analysis result and by 2.63% from the real object, substantiating the effectiveness of the proposed method.
Author Contributions
Funding
Institutional Review Board Statement
Informed Consent Statement
Data Availability Statement
Conflicts of Interest
Abbreviations
| CMs | Compliant mechanisms |
| SRF | Synchrotron radiation facility |
| APS | Argonne National Laboratory’s advanced photon source |
| ESRF | European synchrotron radiation facility |
| SSRF | Shanghai synchrotron radiation facility |
| MOOP | Multi-objective optimization problem |
| PSO | Particle swarm optimization |
| NSGA-II | Nondominated sorting genetic algorithm-II |
| MOPSO | Multi-objective particle swarm optimization |
| PZT | Piezoelectric |
| QBe2 | Beryllium bronze |
References
- Su, L.; Huang, G.; Huang, R.; Yang, Z. Design of a Compact Long-Stroke High-Precision Rigid-Flexible Coupling Motion Stage Driven by Linear Motore. J. Mech. Sci. Technol. 2022, 36, 5859–5870. [Google Scholar] [CrossRef]
- Meijaard, J.P.; Van Der Wijk, V. Dynamic Balancing of Mechanisms with Flexible Links. Mech. Mach. Theory 2022, 172, 104784. [Google Scholar] [CrossRef]
- Guo, F.; Sun, T.; Wang, P.; Liu, S.; Lian, B.; Song, Y. Multi-Stability of a Planar Three-Limb Flexible Mechanism. Mech. Mach. Theory 2022, 175, 104956. [Google Scholar] [CrossRef]
- Cao, Y.; Wang, B.; Lin, M.; Zhang, H. Design Analysis and Optimization of Large Range Spatial Translational Compliant Micro-positioning Stage. J. Mech. Eng. 2020, 56, 71–81. [Google Scholar]
- Chen, Y.; Lai, L.; Li, P.; Zhu, L. Full leaf-spring type spatial large-stroke parallel flexure micro-positioning stage and trajectory control. Opt. Precis. Eng. 2023, 31, 2675–2686. [Google Scholar] [CrossRef]
- Liu, J.; Kang, S.; Chen, W.; Chen, W.; Jiang, J. A Novel Flexure-Based Register System for R2R Electronic Printing. Microsyst. Technol. 2015, 21, 2347–2358. [Google Scholar] [CrossRef]
- ATian, Y.; Shirinzadeh, B.; Zhang, D. A Flexure-Based Five-Bar Mechanism for Micro/Nano Manipulation. Sens. Actuators A Phys. 2009, 153, 96–104. [Google Scholar]
- Zhu, J.; Lyu, L.; Xu, Y.; Liang, H.; Zhang, X.; Ding, H.; Wu, Z. Intelligent Soft Surgical Robots for Next-Generation Minimally Invasive Surgery. Adv. Intell. Syst. 2021, 3, 2100011. [Google Scholar] [CrossRef]
- Nguyen, V.-K.; Pham, H.-T.; Pham, H.-H.; Dang, Q.-K.; Minh, P.S. Reliability-Based Multi-Objective Optimization Design of a Compliant Feed Drive Mechanism for Micromachining. Appl. Sci. 2023, 13, 4968. [Google Scholar] [CrossRef]
- Moschini, S.; Palpacelli, M. Insights into Bending Stiffness Modeling of Elementary Flexure Hinges. Appl. Sci. 2023, 13, 9785. [Google Scholar] [CrossRef]
- Ren, J.; Li, Q.; Wu, H.; Cao, Q. Optimal Design for 3-PSS Flexible Parallel Micromanipulator Based on Kinematic and Dynamic Characteristics. Micromachines 2022, 13, 1457. [Google Scholar] [CrossRef]
- Noveanu, S.; Lobontiu, N.; Lazaro, J.; Mandru, D. Substructure Compliance Matrix Model of Planar Branched Flexure-Hinge Mechanisms: Design, Testing and Characterization of a Gripper. Mech. Mach. Theory 2015, 91, 1–20. [Google Scholar] [CrossRef]
- Schmidt, R.-H.M. Ultra-Precision Engineering in Lithographic Exposure Equipment for the Semiconductor Industry. Phil. Trans. R. Soc. A 2012, 370, 3950–3972. [Google Scholar] [CrossRef]
- Sprouster, D.J.; Trelewicz, J.R.; Snead, L.L.; Hu, X.; Morrall, D.; Koyanagi, T.; Parish, C.M.; Tan, L.; Katoh, Y.; Wirth, B.D. Advanced Synchrotron Characterization Techniques for Fusion Materials Science. J. Nucl. Mater. 2021, 543, 152574. [Google Scholar] [CrossRef]
- Sedigh Rahimabadi, P.; Khodaei, M.; Koswattage, K.R. Review on Applications of Synchrotron-Based X-ray Techniques in Materials Characterization. X-ray Spectrom. 2020, 49, 348–373. [Google Scholar] [CrossRef]
- Li, J.; Huang, X.; Pianetta, P.; Liu, Y. Machine-and-Data Intelligence for Synchrotron Science. Nat. Rev. Phys. 2021, 3, 766–768. [Google Scholar] [CrossRef]
- Aishikawa, T.; Tamasaku, K.; Yabashi, M. High-Resolution X-ray Monochromators. Nucl. Instruments Methods Phys. Res. Sect. A Accel. Spectrometers Detect. Assoc. Equip. 2005, 547, 42–49. [Google Scholar] [CrossRef]
- Shu, D.; Anton, J.W.J.; Kearney, S.P.; Lai, B.; Liu, W.; Maser, J.; Roehrig, C.; Tischler, J.Z. Mechanical Design of Compact Vertical and Horizontal Linear Nanopositioning Flexure Stages with Centimeter-Level Travel Range for X-ray Beamline Instrumentation. In Proceedings of the 8th International Particle Accelerator Conference, Copenhagen, Denmark, 14–19 May 2017. [Google Scholar]
- Kelly, J.; Male, A.; Rubies, N.; Mahoney, D.; Walker, J.M.; Gomez-Gonzalez, M.A.; Wilkin, G.; Parker, J.E.; Quinn, P.D. The Delta Robot—A Long Travel Nano-Positioning Stage for Scanning X-ray Microscopy. Rev. Sci. Instruments 2022, 93, 043712. [Google Scholar] [CrossRef]
- Kearney, S.P.; Preissner, C.; Shu, D. Progress of Mechanical Design of Nanopositioning Stages at the Advanced Photon Source. Synchrotron Radiat. News 2018, 31, 38–44. [Google Scholar] [CrossRef]
- Shu, D.; Garrett, R.; Gentle, I.; Nugent, K.; Wilkins, S. Nanopositioning Techniques Development for Synchrotron Radiation Instrumentation Applications at the Advanced Photon Source. In Proceedings of the 10th International Conference on Radiation Instrumentation, Melbourne, Australia, 27 September 2009. [Google Scholar]
- Kearney, S.P.; Shu, D.; Toellner, T.S. The Design of a Precision Mechanical Assembly for a Hard X-ray Polarize. In Proceedings of the MEDSI2016, Barcelona, Spain, 11–16 September 2016. [Google Scholar]
- Shu, D.; Maser, J.; Chu, Y.; Yan, H.; Nazaretski, E.; O’Hara, S.; Kearney, S.; Anton, J.; Quintana, J.; Shen, Q. Development of an Advanced Sample-Scanning Stage System Prototype for an MLL-Based Hard X-ray Nanoprobe. In Proceedings of the 10th International Conference on X-ray Microscopy, Chicago, IL, USA, 15 August 2010. [Google Scholar]
- Shu, D.; Maser, J.; Garrett, R.; Gentle, I.; Nugent, K.; Wilkins, S. Study of Precision Weak-Link Stage Systems with Large Travel Range and Sub-Nanometer-Scale Resolution. In Proceedings of the 10th International Conference on Radiation Instrumentation, Melbourne, Australia, 27 September 2009. [Google Scholar]
- Barrett, R.; Härtwig, J.; Morawe, C.; Rommeveaux, A.; Snigirev, A. X-ray Optics at the ESRF. Synchrotron Radiat. News 2010, 23, 36–42. [Google Scholar] [CrossRef]
- Zeng, C.; Mao, C.; He, Y.; Li, A. Design and analysis of flexure hinge displacement mechanism with nano precision. Nucl. Tech. 2022, 45, 070101. [Google Scholar]
- Feng, Q.; Li, Q.; Quan, W.; Pei, X. Overview of multiobjective particle swarm optimization algorithm. Chin. J. Eng. 2021, 43, 745–753. [Google Scholar]
- Naderi, E.; Mirzaei, L.; Trimble, J.P.; Cantrell, D.A. Multi-Objective Optimal Power Flow Incorporating Flexible Alternating Current Transmission Systems: Application of a Wavelet-Oriented Evolutionary Algorithm. Electr. Power Components Syst. 2024, 52, 766–795. [Google Scholar] [CrossRef]
- Nguyen, V.; Pham, H.; Pham, H.; Dang, Q. Optimization Design of a Compliant Linear Guide for High-Precision Feed Drive Mechanisms. Mech. Mach. Theory 2021, 165, 104442. [Google Scholar] [CrossRef]
- Wang, R.; Zhang, X. Optimal Design of a Planar Parallel 3-DOF Nanopositioner with Multi-Objective. Mech. Mach. Theory 2017, 112, 61–83. [Google Scholar] [CrossRef]
- Yu, J.; Bi, S.; Pei, X.; Zhao, H.; Zong, G. Flexure Design: Analysis and Synthesis of Compliant Mechanism, 1st ed.; Higher Education Press: Beijing, China, 2018; pp. 142–149. [Google Scholar]
- Zhu, W.-L.; Zhu, Z.; Shi, Y.; Wang, X.; Guan, K.; Ju, B. Design, Modeling, Analysis and Testing of a Novel Piezo-Actuated XY Compliant Mechanism for Large Workspace Nano-Positioning. Smart Mater. Struct. 2016, 25, 115033. [Google Scholar] [CrossRef]
- Fan, Y.; Qin, H.; Zhu, W.; Jia, W.; Liu, Y.; Wang, J.; Li, Z. Angular Stability Measurement of a Cryocooled Double-Crystal Monochromator at SSRF. Nucl. Instruments Methods Phys. Res. Sect. A Accel. Spectrometers Detect. Assoc. Equip. 2020, 983, 164636. [Google Scholar] [CrossRef]














| Density/(kg/m3) | Elasticity Modulus/(MPa) | Poisson’s Ratio | Yield Strength/(MPa) |
|---|---|---|---|
| 8300 | 133 | 0.35 | 750 |
| Length/mm | Width/mm | Height/mm | /mm | /mm | /mm | /mm |
|---|---|---|---|---|---|---|
| 120 | 120 | 50 | 40 | 97 | 40 | 121 |
| Algorithm | Element | r/mm | t/mm | b/mm | Driving Force/N | Inherent Frequency/Hz | /MPa |
|---|---|---|---|---|---|---|---|
| NSGA-II | Best | 5.00 | 0.38 | 18.71 | 458.23 | 69.92 | 9.56 |
| Worst | 2.00 | 0.20 | 10.00 | 5.83 | 17.66 | 1.99 | |
| Average | 2.25 | 0.30 | 15.16 | 221.91 | 46.38 | 8.12 | |
| MOPSO | Best | 4.85 | 0.39 | 19.93 | 451.85 | 71.63 | 9.53 |
| Worst | 2.00 | 0.20 | 10.48 | 10.32 | 21.55 | 2.49 | |
| Average | 2.13 | 0.29 | 15.69 | 187.75 | 45.79 | 8.14 |
| Result Number | r/mm | t/mm | b/mm | Driving Force/N | Inherent Frequency/Hz | /MPa |
|---|---|---|---|---|---|---|
| 1 | 2.24 | 0.30 | 15.17 | 221.91 | 46.32 | 8.11 |
| 2 | 2.17 | 0.31 | 16.17 | 251.55 | 49.51 | 8.32 |
| 3 | 2.23 | 0.30 | 15.17 | 224.92 | 46.73 | 8.15 |
| 4 | 2.23 | 0.31 | 15.82 | 252.83 | 49.15 | 8.22 |
| 5 | 2.21 | 0.31 | 15.81 | 246.88 | 48.96 | 8.26 |
| Expectation Value | 2.22 | 0.31 | 15.63 | 239.62 | 48.15 | 8.22 |
| Standard Deviation | 0.0277 | 0.0038 | 0.4459 | 14.9963 | 1.4711 | 0.0829 |
| r/mm | t/mm | b/mm | Driving Force/N | Inherent Frequency/Hz | /MPa | |
|---|---|---|---|---|---|---|
| 1 | 4.79 | 0.20 | 10.11 | 7.93 | 18.38 | 2.56 |
| 2 | 3.47 | 0.23 | 12.78 | 82.30 | 29.95 | 7.36 |
| 3 | 2.88 | 0.29 | 12.86 | 189.07 | 45.21 | 8.31 |
| 4 | 2.07 | 0.37 | 14.98 | 310.30 | 58.10 | 9.29 |
| 5 | 2.00 | 0.39 | 18.71 | 458.23 | 69.92 | 9.56 |
Disclaimer/Publisher’s Note: The statements, opinions and data contained in all publications are solely those of the individual author(s) and contributor(s) and not of MDPI and/or the editor(s). MDPI and/or the editor(s) disclaim responsibility for any injury to people or property resulting from any ideas, methods, instructions or products referred to in the content. |
© 2024 by the authors. Licensee MDPI, Basel, Switzerland. This article is an open access article distributed under the terms and conditions of the Creative Commons Attribution (CC BY) license (https://creativecommons.org/licenses/by/4.0/).
Share and Cite
Jiang, B.; Dong, Y.; Zhang, Z.; Li, X.; Wei, Y.; Guo, Y.; Liu, H. Integrating a Physical Model with Multi-Objective Optimization for the Design of Optical Angle Nano-Positioning Mechanism. Appl. Sci. 2024, 14, 3756. https://doi.org/10.3390/app14093756
Jiang B, Dong Y, Zhang Z, Li X, Wei Y, Guo Y, Liu H. Integrating a Physical Model with Multi-Objective Optimization for the Design of Optical Angle Nano-Positioning Mechanism. Applied Sciences. 2024; 14(9):3756. https://doi.org/10.3390/app14093756
Chicago/Turabian StyleJiang, Bo, Yiming Dong, Zijie Zhang, Xiangyu Li, Yuxuan Wei, Yifan Guo, and Haixia Liu. 2024. "Integrating a Physical Model with Multi-Objective Optimization for the Design of Optical Angle Nano-Positioning Mechanism" Applied Sciences 14, no. 9: 3756. https://doi.org/10.3390/app14093756
APA StyleJiang, B., Dong, Y., Zhang, Z., Li, X., Wei, Y., Guo, Y., & Liu, H. (2024). Integrating a Physical Model with Multi-Objective Optimization for the Design of Optical Angle Nano-Positioning Mechanism. Applied Sciences, 14(9), 3756. https://doi.org/10.3390/app14093756
