Enhancing Low-Voltage Distribution Network Safety through Advanced Residual Current Protection Techniques
Abstract
1. Introduction
2. Analysis of Inherent Residual Current of Low-Voltage Distribution Networks
2.1. Generation of Residual Current from Unbalanced Systems
2.2. Generation of Residual Current from N-Phase Line Grounding
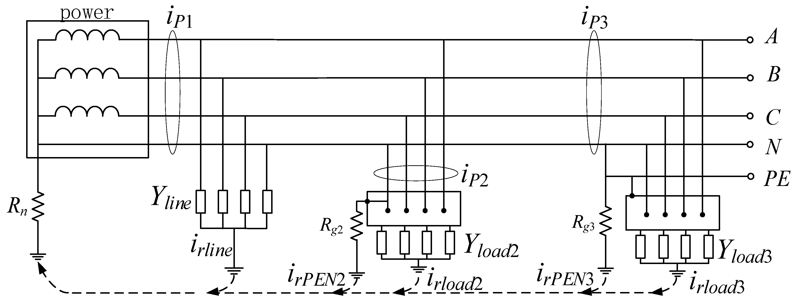
3. Distributed Residual Current Protection Utilizing Closed-Section Methods
3.1. Protection Principle
3.2. Protective Criterion Design
3.3. Blocking and Tripping of Protection
3.4. Adaptive Expansion of Closed Sections
4. Simulation Analysis
4.1. Selection of Simulation Model and Parameters
4.2. Analysis of Simulation Results
4.2.1. TT Configuration Ground Fault Analysis
4.2.2. TN Configuration Ground Fault Analysis
5. Analysis of Experimental Data
5.1. Earth Fault Testing in TT Configuration
5.2. Ground Fault Testing in TN Configuration
6. Conclusions
Author Contributions
Funding
Data Availability Statement
Conflicts of Interest
Nomenclature
| Residual current along the line. | |
| Residual current on the load side. | |
| Residual current of the shell on the load side. | |
| Residual current within the closed section i. | |
| Residual current flowing into the closed section i. | |
| Residual current flowing out of the closed section i. | |
| Operating current. | |
| Braking current. | |
| Minimum operating current. | |
| Ratio braking coefficient. | |
| Residual current phasor measured at the external contact point of the closed section. | |
| Reliability coefficient. | |
| Aperiodic component coefficient. | |
| 10% error coefficient of the current transformer. | |
| Coefficient of the same type of transformer. | |
| Maximum short-circuit current flowing through the current transformer. | |
| Maximum residual current during normal operation in the closed-section protection. | |
| Relationship matrix between the closed-section CS and LTU. | |
| Relationship of each LTU in the closed section. | |
| Residual current matrix measured by each LTU. | |
| Residual current phasor measured by each LTU. | |
| Residual current matrix of the closed section. | |
| Current action matrix. | |
| Absolute value of the elements in the relationship matrix R. | |
| Braking current matrix. | |
| Protection minimum operating current matrix. | |
| Elements in . | |
| Limit matrix. | |
| Elements in D. | |
| Protection blocking matrix. | |
| Diagonal elements in B. | |
| Protection trip matrix. | |
| Elements in T. | 
References
- Zhao, H.; Xiao, X.; Sun, Q. Identifying Electric Shock in the Human Body via alpha Dispersion. IEEE Trans. Power Deliv. 2018, 33, 1107–1114. [Google Scholar] [CrossRef]
- Freschi, F. High-Frequency Behavior of Residual Current Devices. IEEE Trans. Power Deliv. 2012, 27, 1629–1635. [Google Scholar] [CrossRef]
- Li, K.; Lin, J.; Niu, F.; Wang, Y.; Li, Q.; Guo, Z.; Wu, Y. A Novel Fault Leakage Current Detection Method with Protection Deadzone Elimination. IEEE Trans. Instrum. Meas. 2021, 70, 3505009. [Google Scholar] [CrossRef]
- Kotsch, J.; Prussak, B.; Morse, M.; Kohl, J. Exploration of the Theory of Electric Shock Drowning. In Proceedings of the 2018 IEEE IAS Electrical Safety Workshop (ESW), Fort Worth, TX, USA, 19–23 March 2018; pp. 1–3. [Google Scholar]
- Harid, N.; Bogias, A.C.; Griffiths, H.; Robson, S.; Haddad, A. A Wireless System for Monitoring Leakage Current in Electrical Substation Equipment. IEEE Access 2016, 4, 2965–2975. [Google Scholar] [CrossRef]
- Wu, S.; Lin, S.-Y.; Guo, M.-F. Application of WE-AE-BP Method to Electric Shock Faults Identification in the Low-voltage Distribution Network. In Proceedings of the 2020 IEEE 1st China International Youth Conference on Electrical Engineering, Wuhan, China, 1–4 November 2020; pp. 1–6. [Google Scholar]
- Zhang, M.; Qin, P.; Chen, Y.; Jia, H.; Wang, Z.; Deng, W. Study on the Detection Method of Leakage in TN-C Area of Low-voltage Distribution Network. In Proceedings of the 2021 International Conference on Power System Technology, Fukuoka, Japan, 10–12 September 2021; pp. 378–381. [Google Scholar]
- Zhang, X.; Liu, Z.; Wang, Y.; Dou, Z.; Zhai, G.; Wei, Q. Residual Current Detection Method Based on Variational Modal Decomposition and Dynamic Fuzzy Neural Network. IEEE Access 2021, 9, 142925–142937. [Google Scholar] [CrossRef]
- Dou, Z.; Han, Q.; Niu, X.; Peng, X.; Guo, H. An Adaptive Filter for Aeromagnetic Compensation Based on Wavelet Multiresolution Analysis. IEEE Geosci. Remote Sens. Lett. 2016, 13, 1069–1073. [Google Scholar] [CrossRef]
- Dragomiretskiy, K.; Zosso, D. Variational Mode Decomposition. IEEE Trans. Signal Process. 2014, 62, 531–544. [Google Scholar] [CrossRef]
- Wang, Y.; Wai, R. Adaptive Fuzzy-Neural-Network Power Decoupling Strategy for Virtual Synchronous Generator in Micro-Grid. IEEE Trans. Power Electr. 2022, 37, 3878–3891. [Google Scholar] [CrossRef]
- Wang, Y.; Zhang, F.; Zhang, S. A New Methodology for Identifying Arc Fault by Sparse Representation and Neural Network. IEEE Trans. Instrum. Meas. 2018, 67, 2526–2537. [Google Scholar] [CrossRef]
- Shen, Y.-L.; Wai, R.-J. Wavelet-Analysis-Based Singular-Value-Decomposition Algorithm for Weak Arc Fault Detection via Current Amplitude Normalization. IEEE Access 2021, 9, 71535–71552. [Google Scholar] [CrossRef]
- Li, R.; Wong, P.; Wang, K.; Li, B.; Yuan, F. Power quality enhancement and engineering application with high permeability distributed photovoltaic access to low-voltage distribution networks in Australia. Prot. Control Mod. Power Syst. 2020, 5, 1–7. [Google Scholar] [CrossRef]
- Nsaif, Y.M.; Lipu, M.S.H.; Ayob, A.; Yusof, Y.; Hussain, A. Fault Detection and Protection Schemes for Distributed Generation Integrated to Distribution Network: Challenges and Suggestions. IEEE Access 2021, 9, 142693–142717. [Google Scholar] [CrossRef]
- Arrabe, R.G.; Granados, J.M.G.; Gomez, F.A.; Gaona, C.A.P. New Selective Directional Ground Fault Protection Method for Ungrounded Systems. IEEE Trans. Power Deliv. 2022, 37, 5234–5243. [Google Scholar] [CrossRef]
















| Equipment | Types | Parameters | 
|---|---|---|
| Transformer | 10 kV/0.4 kV | Configuration: ∆/Y | 
| Capacity: 1250 kVA | ||
| No-load loss: 1.36 kW | ||
| No-load current percentage: 0.27% | ||
| Short-circuit loss: 12 kW | ||
| Short-circuit voltage percentage: 4.5% | ||
| Power line | YJV-0.6/1 kV | Conductor cross-section: 16 mm | 
| Direct current resistance: <1.15 ohm/km | ||
| Carrying capacity: 100 A | 
| Disclaimer/Publisher’s Note: The statements, opinions and data contained in all publications are solely those of the individual author(s) and contributor(s) and not of MDPI and/or the editor(s). MDPI and/or the editor(s) disclaim responsibility for any injury to people or property resulting from any ideas, methods, instructions or products referred to in the content. | 
© 2024 by the authors. Licensee MDPI, Basel, Switzerland. This article is an open access article distributed under the terms and conditions of the Creative Commons Attribution (CC BY) license (https://creativecommons.org/licenses/by/4.0/).
Share and Cite
Zhang, X.; Liu, Y.; Han, Z.; Zhang, H. Enhancing Low-Voltage Distribution Network Safety through Advanced Residual Current Protection Techniques. Appl. Sci. 2024, 14, 3256. https://doi.org/10.3390/app14083256
Zhang X, Liu Y, Han Z, Zhang H. Enhancing Low-Voltage Distribution Network Safety through Advanced Residual Current Protection Techniques. Applied Sciences. 2024; 14(8):3256. https://doi.org/10.3390/app14083256
Chicago/Turabian StyleZhang, Xinyi, Yuanlong Liu, Zhaoru Han, and Hengxu Zhang. 2024. "Enhancing Low-Voltage Distribution Network Safety through Advanced Residual Current Protection Techniques" Applied Sciences 14, no. 8: 3256. https://doi.org/10.3390/app14083256
APA StyleZhang, X., Liu, Y., Han, Z., & Zhang, H. (2024). Enhancing Low-Voltage Distribution Network Safety through Advanced Residual Current Protection Techniques. Applied Sciences, 14(8), 3256. https://doi.org/10.3390/app14083256
 
        


 
       