Characterization of a Rectangular-Cut Kirigami Pattern for Soft Material Tuning
Abstract
1. Introduction
2. Materials and Methods
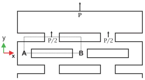
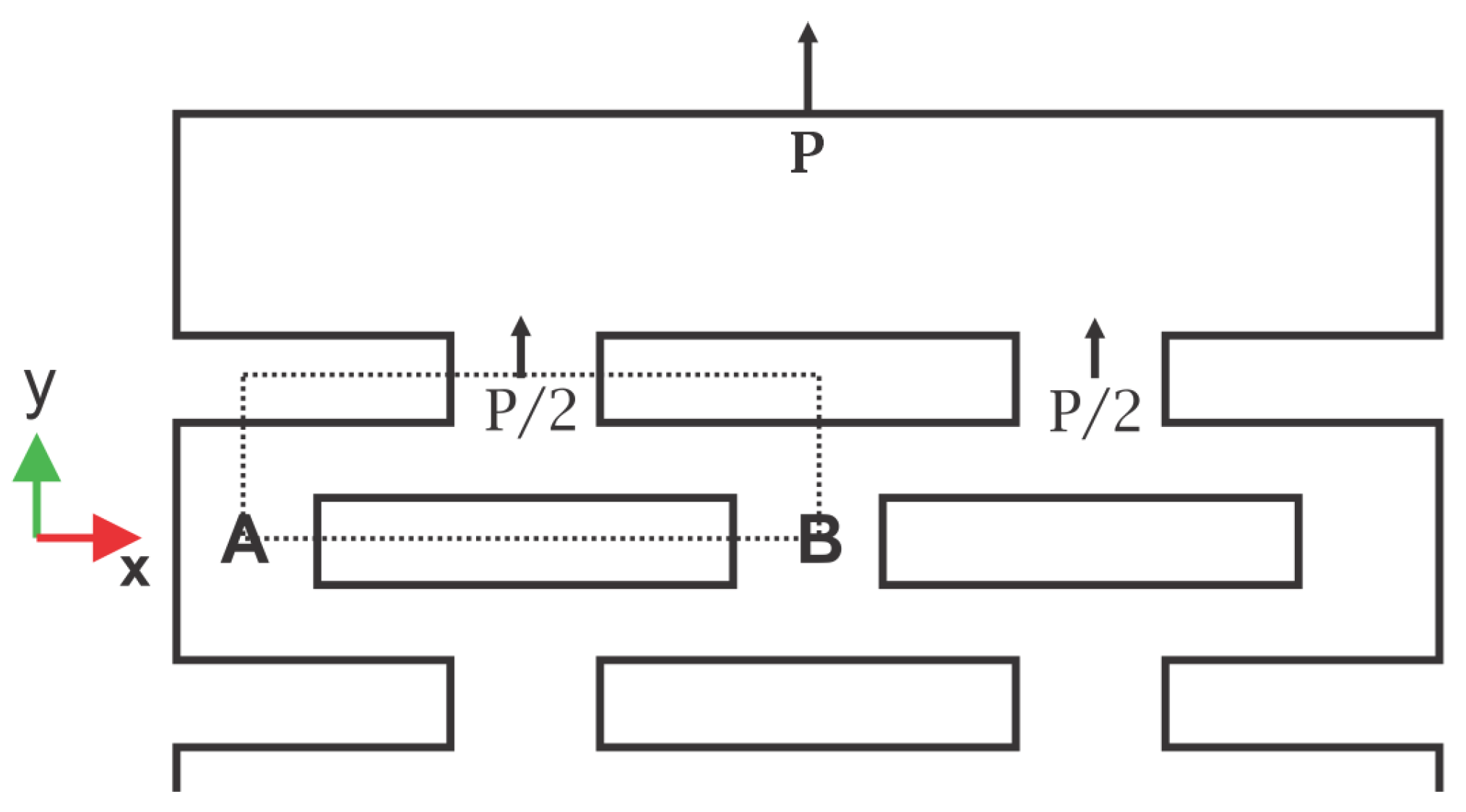
2.1. Rectangular Pattern Cuts
2.2. FEM Simulation
2.3. Experimental Setup
3. Results
3.1. FEM Results
3.2. Experimental Results
4. Discussion
5. Conclusions
Author Contributions
Funding
Institutional Review Board Statement
Informed Consent Statement
Data Availability Statement
Conflicts of Interest
References
- Firouzeh, A.; Higashisaka, T.; Nagato, K.; Cho, K.; Paik, J. Stretchable Kirigami Components for Composite Meso-Scale Robots. IEEE Robot. Autom. Lett. 2020, 5, 1883–1890. [Google Scholar] [CrossRef]
- Zheng, M.; Chen, Y.; Liu, Z.; Liu, Y.; Wang, Y.; Liu, P.; Liu, Q.; Bi, K.; Shu, Z.; Zhang, Y.; et al. Kirigami-inspired multiscale patterning of metallic structures via predefined nanotrench templates. Microsyst. Nanoeng. 2019, 5, 54. [Google Scholar] [CrossRef]
- Song, Z.; Wang, X.; Lv, C.; An, Y.; Liang, M.; Ma, T.; He, D.; Zheng, Y.-J.; Huang, S.-Q.; Yu, H.; et al. Kirigami-based stretchable lithium-ion batteries. Sci. Rep. 2015, 5, 10988. [Google Scholar] [CrossRef]
- Shigemune, H.; Maeda, S.; Hara, Y.; Koike, U.; Hashimoto, S. Kirigami robot: Making paper robot using desktop cutting plotter and inkjet printer. In Proceedings of the 2015 IEEE/RSJ International Conference on Intelligent Robots and Systems (IROS), Hamburg, Germany, 28 September–2 October 2015. [Google Scholar] [CrossRef]
- Shyu, T.C.; Damasceno, P.F.; Dodd, P.M.; Lamoureux, A.; Xu, L.; Shlian, M.; Shtein, M.; Glotzer, S.C.; Kotov, N.A. A kirigami approach to engineering elasticity in nanocomposites through patterned defects. Nat. Mater. 2015, 14, 785–789. [Google Scholar] [CrossRef]
- Ryu, J.; Tahernia, M.; Mohammadifar, M.; Gao, Y.; Choi, S. Moisture-Responsive Paper Robotics. J. Microelectromechanical Syst. 2020, 29, 1049–1053. [Google Scholar] [CrossRef]
- Wang, X.; Guest, S.D.; Kamien, R.D. Keeping It Together: Interleaved Kirigami Extension Assembly. Phys. Rev. X 2020, 10, 011013. [Google Scholar] [CrossRef]
- Choi, G.P.T.; Dudte, L.H.; Mahadevan, L. Programming shape using kirigami tessellations. Nat. Mater. 2019, 18, 999–1004. [Google Scholar] [CrossRef]
- Chen, S.; Liu, Z.; Du, H.; Tang, C.; Ji, C.-Y.; Quan, B.; Pan, R.; Yang, L.; Li, X.; Gu, C.; et al. Electromechanically reconfigurable optical nano-kirigami. Nat. Commun. 2021, 12, 1299. [Google Scholar] [CrossRef]
- Lin, S.; Xie, Y.M.; Li, Q.; Huang, X.; Zhou, S. A Kirigami Approach to Forming a Synthetic Buckliball. Sci. Rep. 2016, 6, 33016. [Google Scholar] [CrossRef] [PubMed]
- Neville, R.M.; Scarpa, F.; Pirrera, A. Shape morphing Kirigami mechanical metamaterials. Sci. Rep. 2016, 6, 31067. [Google Scholar] [CrossRef]
- Blees, M.K.; Barnard, A.W.; Rose, P.A.; Roberts, S.P.; McGill, K.L.; Huang, P.Y.; Ruyack, A.R.; Kevek, J.W.; Kobrin, B.; Muller, D.A.; et al. Graphene kirigami. Nature 2015, 524, 204–207. [Google Scholar] [CrossRef]
- Bertoldi, K.; Vitelli, V.; Christensen, J.; van Hecke, M. Flexible mechanical metamaterials. Nat. Rev. Mater. 2017, 2, 17066. [Google Scholar] [CrossRef]
- Branyan, C.; Hatton, R.L.; Menguc, Y. Snake-Inspired Kirigami Skin for Lateral Undulation of a Soft Snake Robot. IEEE Robot. Autom. Lett. 2020, 5, 1728–1733. [Google Scholar] [CrossRef]
- Sandoval-Castro, X.Y.; Martinez-Sanchez, D.E.; Cortes-Gonzalez, J.G.; Castillo-Castaneda, E.; Gautreau, E.; Laribi, M.A. A Kirigami–like Soft Elastomeric Skin: Design and Influence Evaluation in the Mobility of a Bio–inspired Snake–Arm Robot. In Advances in Mechanism and Machine Science; Okada, M., Ed.; IFToMM WC 2023. Mechanisms and Machine Science; Springer: Cham, Switzerland, 2023; Volume 148. [Google Scholar] [CrossRef]
- Liu, B.; Ozkan-Aydin, Y.; Goldman, D.I.; Hammond, F.L. Kirigami Skin Improves Soft Earthworm Robot Anchoring and Locomotion under Cohesive Soil. In Proceedings of the 2019 2nd IEEE International Conference on Soft Robotics (RoboSoft), Seoul, Republic of Korea, 14–18 April 2019. [Google Scholar] [CrossRef]
- Babaee, S.; Shi, Y.; Abbasalizadeh, S.; Tamang, S.; Hess, K.; Collins, J.E.; Ishida, K.; Lopes, A.; Williams, M.; Albaghdadi, M.; et al. Kirigami-inspired stents for sustained local delivery of therapeutics. Nat. Mater. 2021, 20, 1085–1092. [Google Scholar] [CrossRef]
- Wang, T.; Ugurlu, H.; Yan, Y.; Li, M.; Li, M.; Wild, A.-M.; Yildiz, E.; Schneider, M.; Sheehan, D.; Hu, W.; et al. Adaptive wireless millirobotic locomotion into distal vasculature. Nat. Commun. 2022, 13, 4465. [Google Scholar] [CrossRef]
- Lamoureux, A.; Lee, K.; Shlian, M.; Forrest, S.R.; Shtein, M. Dynamic kirigami structures for integrated solar tracking. Nat. Commun. 2015, 6, 8092. [Google Scholar] [CrossRef]
- Chen, S.; Chen, J.; Zhang, X.; Li, Z.-Y.; Li, J. Kirigami/origami: Unfolding the new regime of advanced 3D microfabrication/nanofabrication with “folding”. Light Sci. Appl. 2020, 9, 75. [Google Scholar] [CrossRef]
- Sedal, A.; Memar, A.H.; Liu, T.; Menguc, Y.; Corson, N. Design of Deployable Soft Robots Through Plastic Deformation of Kirigami Structures. IEEE Robot. Autom. Lett. 2020, 5, 2272–2279. [Google Scholar] [CrossRef]
- Hunt, A.; Freriks, M.; Sasso, L.; Esfahani, P.M.; HosseinNia, S.H. IPMC Kirigami: A Distributed Actuation Concept. In Proceedings of the 2018 International Conference on Manipulation, Automation and Robotics at Small Scales (MARSS), Nagoya, Japan, 4–8 July 2018. [Google Scholar] [CrossRef]
- Morikawa, Y.; Yamagiwa, S.; Sawahata, H.; Numano, R.; Koida, K.; Ishida, M.; Kawano, T. Stretchable micro-doughnuts Kirigami bioprobe. In Proceedings of the 2018 IEEE Micro Electro Mechanical Systems (MEMS), Belfast, UK, 21–25 January 2018. [Google Scholar] [CrossRef]
- Guo, Z.; Ji, B.; Wang, L.; Yang, B.; Wang, W.; Liu, J. A Flexible and Stretchable Kirigami-Inspired Implantable Neural Probe with Floating Microsites for Electrophysiology Recordings. In Proceedings of the 2020 IEEE 33rd International Conference on Micro Electro Mechanical Systems (MEMS), Vancouver, BC, Canada, 18–22 January 2020. [Google Scholar] [CrossRef]
- Miao, L.; Wan, J.; Guo, H.; Wang, H.; Song, Y.; Chen, X.; Zhang, H. Kirigami Cross-Shaped 3D Buckling Active Sensor for Detecting Stretching and Bending. In Proceedings of the 2019 20th International Conference on Solid-State Sensors, Actuators and Microsystems & Eurosensors XXXIII (TRANSDUCERS & EUROSENSORS XXXIII), Berlin, Germany, 23–27 June 2019. [Google Scholar] [CrossRef]
- Baldwin, A.; Meng, E. Kirigami Strain Sensors Microfabricated from Thin-Film Parylene C. J. Microelectromechanical Syst. 2018, 27, 1082–1088. [Google Scholar] [CrossRef]
- Hwang, D.-G.; Bartlett, M.D. Tunable Mechanical Metamaterials through Hybrid Kirigami Structures. Sci. Rep. 2018, 8, 3378. [Google Scholar] [CrossRef]
- Tang, Y.; Yin, J. Design of cut unit geometry in hierarchical kirigami-based auxetic metamaterials for high stretchability and compressibility. Extrem. Mech. Lett. 2017, 12, 77–85. [Google Scholar] [CrossRef]
- Han, D.X.; Zhao, L.; Chen, S.H.; Wang, G.; Chan, K.C. Critical transitions in the shape morphing of kirigami metallic glass. J. Mater. Sci. Technol. 2021, 61, 204–212. [Google Scholar] [CrossRef]
- Tao, J.; Khosravi, H.; Deshpande, V.; Li, S. Engineering by Cuts: How Kirigami Principle Enables Unique Mechanical Properties and Functionalities. Adv. Sci. 2022, 10, 2204733. [Google Scholar] [CrossRef]
- Zhang, X.; Ma, J.; Li, M.; You, Z.; Wang, X.; Luo, Y.; Ma, K.; Chen, Y. Kirigami-based metastructures with programmable multistability. Proc. Natl. Acad. Sci. USA 2022, 119, e2117649119. [Google Scholar] [CrossRef]
- Taniyama, H.; Iwase, E. Design of a Kirigami Structure with a Large Uniform Deformation Region. Micromachines 2021, 12, 76. [Google Scholar] [CrossRef]
- Joe, S.; Totaro, M.; Beccai, L. Analysis of Soft Kirigami Unit Cells for Tunable Stiffness Architectures. In Proceedings of the 4th International Conference on Soft Robotics (RoboSoft), New Haven, CT, USA, 12–16 April 2021. [Google Scholar] [CrossRef]
- Nakajima, J.; Fayazbakhsh, K.; Teshima, Y. Experimental study on tensile properties of 3D printed flexible kirigami specimens. Addit. Manuf. 2020, 32, 101100. [Google Scholar] [CrossRef]
- Chung, S.; Coutinho, A.; Rodrigue, H. Manufacturing and Design of Inflatable Kirigami Actuators. IEEE Robot. Autom. Lett. 2023, 8, 25–32. [Google Scholar] [CrossRef]
- Yong, K.; De, S.; Hsieh, E.Y.; Leem, J.; Aluru, N.R.; Nam, S. Kirigami-inspired strain-insensitive sensors based on atomically-thin materials. Mater. Today 2020, 34, 58–65. [Google Scholar] [CrossRef]
- Hibbeler, R.C. Mechanics of Materials, 10th ed.; Pearson: Boston, MA, USA, 2017. [Google Scholar]
- Yap, H.K.; Ng, H.Y.; Yeow, C.-H. High-Force Soft Printable Pneumatics for Soft Robotic Applications. Soft Robot. 2016, 3, 144–158. [Google Scholar] [CrossRef]














| Velocity | 2.5 mm/s |
|---|---|
| Specimen Length | 95 mm |
| Specimen Width | 70 mm |
| Thickness | 1 mm |
Disclaimer/Publisher’s Note: The statements, opinions and data contained in all publications are solely those of the individual author(s) and contributor(s) and not of MDPI and/or the editor(s). MDPI and/or the editor(s) disclaim responsibility for any injury to people or property resulting from any ideas, methods, instructions or products referred to in the content. |
© 2024 by the authors. Licensee MDPI, Basel, Switzerland. This article is an open access article distributed under the terms and conditions of the Creative Commons Attribution (CC BY) license (https://creativecommons.org/licenses/by/4.0/).
Share and Cite
Muñoz-Barron, B.; Sandoval-Castro, X.Y.; Castillo-Castaneda, E.; Laribi, M.A. Characterization of a Rectangular-Cut Kirigami Pattern for Soft Material Tuning. Appl. Sci. 2024, 14, 3223. https://doi.org/10.3390/app14083223
Muñoz-Barron B, Sandoval-Castro XY, Castillo-Castaneda E, Laribi MA. Characterization of a Rectangular-Cut Kirigami Pattern for Soft Material Tuning. Applied Sciences. 2024; 14(8):3223. https://doi.org/10.3390/app14083223
Chicago/Turabian StyleMuñoz-Barron, Benigno, X. Yamile Sandoval-Castro, Eduardo Castillo-Castaneda, and Med Amine Laribi. 2024. "Characterization of a Rectangular-Cut Kirigami Pattern for Soft Material Tuning" Applied Sciences 14, no. 8: 3223. https://doi.org/10.3390/app14083223
APA StyleMuñoz-Barron, B., Sandoval-Castro, X. Y., Castillo-Castaneda, E., & Laribi, M. A. (2024). Characterization of a Rectangular-Cut Kirigami Pattern for Soft Material Tuning. Applied Sciences, 14(8), 3223. https://doi.org/10.3390/app14083223

