A New Smart Grid Hybrid DC–DC Converter with Improved Voltage Gain and Synchronized Multiple Outputs
Abstract
1. Introduction
- ➢
- Development of a New Hybrid Converter: The paper introduces a novel hybrid DC–DC converter that integrates elements from both the Zeta converter and the Mahafzah converter. By combining these converter topologies, the proposed hybrid converter achieves enhanced voltage gain, contributing to higher efficiency and reduced voltage stress on the controlled switch.
- ➢
- Improved Efficiency and Performance: Through the integration of the Zeta and Mahafzah converters, the new hybrid converter offers improved performance characteristics, such as better voltage regulation and transient response. The synchronization between multiple output voltages ensures seamless operation and optimal power delivery, making it an attractive solution for various applications.
- ➢
- Multi-Load Capability: The proposed hybrid converter is designed to supply three different loads, including one with inverted polarity. This flexibility in load handling expands the converter’s versatility, making it suitable for a wide range of applications.
- ➢
- Architecture and Design Analysis: The paper thoroughly discusses the architecture and design of the proposed hybrid converter. It includes detailed parameter selection and loss calculations, providing valuable insights into the converter’s operational behavior and efficiency.
- ➢
- Application Scenarios: The research presents two different applications of the proposed hybrid converter. The first scenario involves its use as a DC–DC converter, while the second explores its application as an AC–DC converter. This demonstrates the converter’s adaptability in diverse energy conversion tasks.
- ➢
- Practical Implementations: The findings of this paper have the potential for practical implementation in various fields, including power supplies, telecommunications, electric vehicles, and renewable energy systems. The compact and efficient nature of the hybrid converter offers a viable solution for generating multiple synchronized output voltages from a single input source.
2. The Proposed Converter
2.1. The Proposed Converter Architecture
2.2. The Proposed Converter Modeling and Design
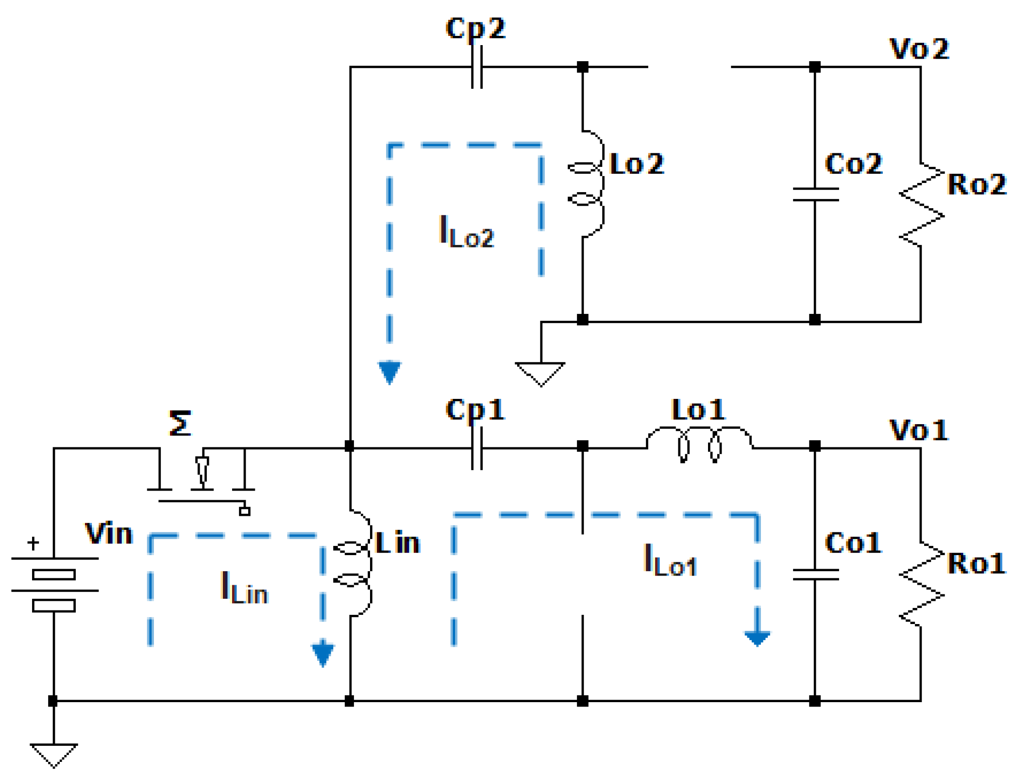
- During Ton of M, both Do1 and Do2 are in reverse bias. The inductors’ currents’ directions are shown in Figure 4.

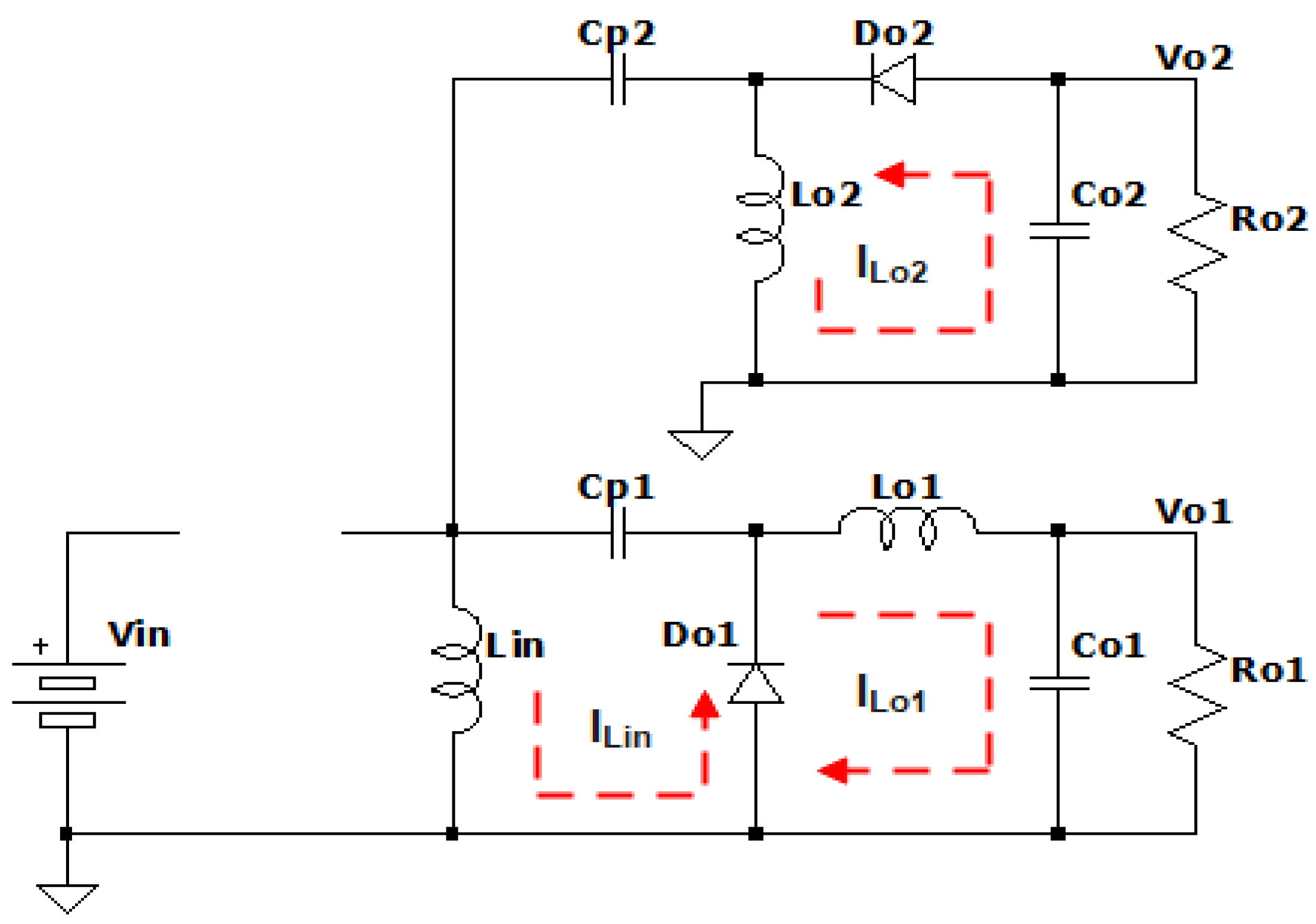
- During Toff of M, both Do1 and Do2 are conducting. The inductors’ currents’ directions are shown in Figure 5.

- To calculate the duty cycle of the proposed converter, each converter has its own duty cycle, which is given by:
2.3. Design of the Proposed Hybrid Converter for AC–DC Adapter Applications
2.4. Loss Calculations
3. Simulation Results
- Application in Renewable Energy Systems: The hybrid converter was employed as a DC–DC converter in a renewable energy system. The results demonstrated its ability to efficiently convert and manage energy flows from renewable sources, making it a promising solution for sustainable energy applications.
- Application as an Electric Vehicle Adapter (AC–DC Converter): The hybrid converter was tested as an AC–DC converter for electric vehicles. The simulation outcomes illustrated its capability to deliver reliable and regulated power supply to electric vehicles, highlighting its potential in the transportation sector.
3.1. As a DC–DC Converter
3.2. As an AC–DC Converter
3.3. Cost Analysis
4. Conclusions
Author Contributions
Funding
Data Availability Statement
Conflicts of Interest
References
- Gaboriault, M.; Notman, A. A high efficiency, noninverting, buck-boost DC-DC converter. In Proceedings of the Nineteenth Annual IEEE Applied Power Electronics Conference and Exposition, 2004, APEC’04, Anaheim, CA, USA, 22–26 February 2004; IEEE: Piscataway, NJ, USA, 2004; Volume 3. [Google Scholar]
- Banaei, M.R.; Bonab, H.A.F. A high efficiency nonisolated buck–boost converter based on ZETA converter. IEEE Trans. Ind. Electron. 2019, 67, 1991–1998. [Google Scholar] [CrossRef]
- Li, W.; Fan, L.; Zhao, Y.; He, X.; Xu, D.; Wu, B. High-step-up and high-efficiency fuel-cell power-generation system with active-clamp flyback–forward converter. IEEE Trans. Ind. Electron. 2011, 59, 599–610. [Google Scholar]
- Vu, H.-N.; Choi, W. A novel dual full-bridge LLC resonant converter for CC and CV charges of batteries for electric vehicles. IEEE Trans. Ind. Electron. 2017, 65, 2212–2225. [Google Scholar] [CrossRef]
- Mahafzah, K.A.; Obeidat, M.A.; Al-Shetwi, A.Q.; Ustun, T.S. A Novel Synchronized Multiple Output DC-DC Converter Based on Hybrid Flyback-Cuk Topologies. Batteries 2022, 8, 93. [Google Scholar] [CrossRef]
- Mahafzah, K.A.; Rababah, H.A. A novel step-up/step-down DC-DC converter based on flyback and SEPIC topologies with improved voltage gain. Int. J. Power Electron. Drive Syst. (IJPEDS) 2023, 14, 898–908. [Google Scholar] [CrossRef]
- Hwu, K.I.; Peng, T.J. A novel buck–boost converter combining KY and buck converters. IEEE Trans. Power Electron. 2011, 27, 2236–2241. [Google Scholar] [CrossRef]
- Zhang, Y.; Paresh, C.S. A new soft-switching technique for buck, boost, and buck-boost converters. IEEE Trans. Ind. Appl. 2003, 39, 1775–1782. [Google Scholar] [CrossRef]
- Lefeuvre, E.; Audigier, D.; Richard, C.; Guyomar, D. Buck-boost converter for sensorless power optimization of piezoelectric energy harvester. IEEE Trans. Power Electron. 2007, 22, 2018–2025. [Google Scholar] [CrossRef]
- Cordeiro, A.; Chaves, M.; Canacsinh, H.; Luis, R.; Pires, V.F.; Foito, D.; Pires, A.J.; Martins, J.F. Hybrid Sepic-Cuk DC-DC Converter Associated to a SRM Drive for a Solar PV Powered Water Pumping System. In Proceedings of the 2019 8th International Conference on Renewable Energy Research and Applications (ICRERA), Brasov, Romania, 3–6 November 2019; pp. 169–174. [Google Scholar] [CrossRef]
- Chakraborty, S.; Reza, S.M.S.; Hasan, W. Design and analysis of hybrid solar-wind energy system using CUK & SEPIC converters for grid connected inverter application. In Proceedings of the 2015 IEEE 11th International Conference on Power Electronics and Drive Systems, Sydney, NSW, Australia, 9–12 June 2015; pp. 278–283. [Google Scholar] [CrossRef]
- Haque, M.Z.; Al Hysam, M.A.; Rahman, A.; Ihsan, M.A.; Ahmed, S.; Molla, N.M. A Hybrid Bipolar DC-Link Converter Based on SEPIC-Cuk Combination. In Proceedings of the 2022 4th International Conference on Sustainable Technologies for Industry 4.0 (STI), Dhaka, Bangladesh, 17–18 December 2022; pp. 1–5. [Google Scholar] [CrossRef]
- Suresh, K.V.; Vinayaka, K.U.; Rajesh, U. A CUK-SEPIC fused converter topology for wind-solar hybrid systems for stand-alone systems. In Proceedings of the 2015 IEEE Power, Communication and Information Technology Conference (PCITC), Bhubaneswar, India, 15–17 October 2015; pp. 48–53. [Google Scholar] [CrossRef]
- Lodh, T.; Majumder, T. High gain and efficient integrated flyback-Sepic DC-DC converter with leakage energy recovery mechanism. In Proceedings of the 2016 International Conference on Signal Processing, Communication, Power and Embedded System (SCOPES), Paralakhemundi, India, 3–5 October 2016; pp. 1495–1500. [Google Scholar] [CrossRef]
- Saket, M.A.; Ordonez, M.; Shafiei, N. Planar transformers with near-zero common-mode noise for flyback and forward converters. IEEE Trans. Power Electron. 2017, 33, 1554–1571. [Google Scholar] [CrossRef]
- Wang, D.; He, X.; Shi, J. Design and analysis of an interleaved flyback–forward boost converter with the current autobalance characteristic. IEEE Trans. Power Electron. 2009, 25, 489–498. [Google Scholar] [CrossRef]
- Eshkevari, A.L.; Mosallanejad, A.; Sepasian, M. Design, modelling, and implementation of a modified double-switch flyback-forward converter for low power applications. IET Power Electron. 2019, 12, 739–748. [Google Scholar] [CrossRef]
- Xie, X.; Li, J.; Peng, K.; Zhao, C.; Lu, Q. Study on the single-stage forward-flyback PFC converter with QR control. IEEE Trans. Power Electron. 2015, 31, 430–442. [Google Scholar] [CrossRef]
- Kundu, U.; Yenduri, K.; Sensarma, P. Accurate ZVS analysis for magnetic design and efficiency improvement of full-bridge LLC resonant converter. IEEE Trans. Power Electron. 2016, 32, 1703–1706. [Google Scholar] [CrossRef]
- Wu, S.-T.; Han, C.-H. Design and implementation of a full-bridge LLC converter with wireless power transfer for dual mode output load. IEEE Access 2021, 9, 120392–120406. [Google Scholar] [CrossRef]
- Shen, Y.; Zhao, W.; Chen, Z.; Cai, C. Full-bridge LLC resonant converter with series-parallel connected transformers for electric vehicle on-board charger. IEEE Access 2018, 6, 13490–13500. [Google Scholar] [CrossRef]
- Salem, M.; Ramachandaramurthy, V.K.; Sanjeevikumar, P.; Leonowicz, Z.; Yaramasu, V. Full bridge LLC resonant three-phase interleaved multi converter for HV applications. In Proceedings of the 2019 IEEE International Conference on Environment and Electrical Engineering and 2019 IEEE Industrial and Commercial Power Systems Europe (EEEIC/I&CPS Europe), Genova, Italy, 11–14 June 2019; IEEE: Piscataway, NJ, USA, 2019. [Google Scholar]
- Bakas, P.; Okazaki, Y.; Shukla, A.; Patro, S.K.; Ilves, K.; Dijkhuizen, F.; Nami, A. Review of hybrid multilevel converter topologies utilizing thyristors for HVDC applications. IEEE Trans. Power Electron. 2020, 36, 174–190. [Google Scholar] [CrossRef]
- Zhang, J.; Xu, S.; Din, Z.; Hu, X. Hybrid multilevel converters: Topologies, evolutions and verifications. Energies 2019, 12, 615. [Google Scholar] [CrossRef]
- Li, Y.; Zhao, Y. A virtual space vector model predictive control for a seven-level hybrid multilevel converter. IEEE Trans. Power Electron. 2020, 36, 3396–3407. [Google Scholar] [CrossRef]
- Mathew, E.C.; Ghat, M.B.; Shukla, A. A generalized cross-connected submodule structure for hybrid multilevel converters. IEEE Trans. Ind. Appl. 2016, 52, 3159–3170. [Google Scholar] [CrossRef]
- Li, Y.; Diao, F.; Zhao, Y. Simplified two-stage model predictive control for a hybrid multilevel converter with floating H-bridge. IEEE Trans. Power Electron. 2020, 36, 4839–4850. [Google Scholar] [CrossRef]
- Lodh, T.; Majumder, T. A high gain high-efficiency negative output flyback-Cuk integrated DC-DC converter. In Proceedings of the 2016 International Conference on Signal Processing, Communication, Power and Embedded System (SCOPES), Paralakhemundi, India, 3–5 October 2016; IEEE: Piscataway, NJ, USA, 2016. [Google Scholar]
- Buso, S.; Spiazzi, G.; Tagliavia, D. Simplified control technique for high-power-factor flyback Cuk and Sepic rectifiers operating in CCM. IEEE Trans. Ind. Appl. 2000, 36, 1413–1418. [Google Scholar] [CrossRef]
- Ji, Y.H.; Kim, J.H.; Jang, S.J.; Won, C.Y.; Kim, S.S. Fuel cell generation system with SEPIC-flyback converter. In Proceedings of the 2nd International Conference on Ubiquitous Information Management and Communication, Suwon, Republic of Korea, 31 January–1 February 2008. [Google Scholar]
- Reddy, P.L.S.K.; Obulesu, Y.P.; Singirikonda, S.; Al Harthi, M.; Alzaidi, M.S.; Ghoneim, S.S.M. A Non-Isolated Hybrid Zeta Converter with a High Voltage Gain and Reduced Size of Components. Electronics 2022, 11, 483. [Google Scholar] [CrossRef]
- Mahafzah, K.A.; Al-Shetwi, A.Q.; Hannan, M.A.; Babu, T.S.; Nwulu, N. A New Cuk-Based DC-DC Converter with Improved Efficiency and Lower Rated Voltage of Coupling Capacitor. Sustainability 2023, 15, 8515. [Google Scholar] [CrossRef]
- Wu, P.; Huang, W.; Tai, N.; Liang, S. A novel design of architecture and control for multiple microgrids with hybrid AC/DC connection. Appl. Energy 2018, 210, 1002–1016. [Google Scholar] [CrossRef]
- Charadi, S.; Chaibi, Y.; Redouane, A.; Allouhi, A.; El Hasnaoui, A.; Mahmoudi, H. Efficiency and energy-loss analysis for hybrid AC/DC distribution systems and microgrids: A review. Int. Trans. Electr. Energy Syst. 2021, 31, e13203. [Google Scholar] [CrossRef]
- Saponara, S.; Saletti, R.; Mihet-Popa, L. Recent Trends in DC and Hybrid Microgrids: Opportunities from Renewables Sources, Battery Energy Storages and Bi-Directional Converters. Appl. Sci. 2020, 10, 4388. [Google Scholar] [CrossRef]
- Mahafzah, K.A.; Krischan, K.; Muetze, A. Efficiency enhancement of a three phase Hard Switching Inverter under light load conditions. In Proceedings of the IECON 2016-42nd Annual Conference of the IEEE Industrial Electronics Society, Florence, Italy, 23–26 October 2016; IEEE: Piscataway, NJ, USA, 2016; pp. 3372–3377. [Google Scholar]
- Mahafzah, K.A.; Krischan, K.; Muetze, A. Efficiency enhancement of a three phase Soft Switching Inverter under light load conditions. In Proceedings of the IECON 2016-42nd Annual Conference of the IEEE Industrial Electronics Society, Florence, Italy, 23–26 October 2016; IEEE: Piscataway, NJ, USA, 2016; pp. 3378–3383. [Google Scholar]
- Available online: https://www.elspec-ltd.com/ieee-519-2014-standard-for-harmonics/ (accessed on 29 February 2024).
- Available online: https://uk.rs-online.com/web/ (accessed on 28 February 2024).
- Available online: https://export.farnell.com/ (accessed on 29 February 2024).
























| Literature Review | Hybrid DC–DC Converter | Topologies Combined | Advantages |
|---|---|---|---|
| [1,2,7,8,9,10] | Buck-Boost Converter | Buck, Boost | Voltage step-up and step-down capability, flexible voltage conversion, wide input range |
| [2,11,12,13,14] | SEPIC-Cuk Converter | SEPIC, Cuk | Wide input voltage range, galvanic isolation, continuous currents, |
| [3,15,16,17,18] | Flyback-Forward Converter | Flyback, forward | Bidirectional power flow, multiple isolated outputs |
| [4,19,20,21,22] | Full-Bridge LLC Converter | Full-Bridge, LLC | High efficiency, high power density, low EMI |
| [23,24,25,26,27] | Hybrid Multilevel Converter | Various multilevel topologies | High voltage, high power, reduced harmonics, low switching losses |
| [5,28,29] | Flyback-Cuk Converter | Flyback, CuK | High efficiency, high voltage regulation, improved transient response |
| [6,14,30] | Flyback-SEPICConverter | Flyback, SEPIC | High efficiency, High voltage regulation, improved transient response |
| Main Features Comparison | |||
| Hybrid converter | Number of Outputs | Voltage Gain | THD |
| [5] | 2 | 27.69% | |
| [6] | 2 | 27.26% | |
| Proposed converter | 3 | 21.11% | |
| The Selected Parameters | The Calculated Parameters Based on [31,32] | ||
|---|---|---|---|
| Parameter | Value | Parameter | Value |
| Pin/Po | 25 kW | Io3 | 137 A |
| Vin-RMS | 220 V | IL1 | 240 A |
| Vo1 | 100 V | IL2 | 240 A |
| Vo2 | −100 V | ILin | 480 A |
| Vo3 | 200 V | Ro1 | 1 Ω |
| ΔILin | 2 A | Ro2 | 1 Ω |
| ΔIL1 | 1 A | Ro3 | 1.5 Ω |
| ΔIL2 | 2 A | ILin | 7.5 mH |
| ΔVCp1 | <10 V | L1 | 3 mH |
| ΔVCp2 | <10 V | L2 | 3 mH |
| Duty Cycle (D) | 50% | Cp1 | 200 µF |
| fs | 20 kHz | Cp2 | 200 µF |
| Co1 | 1.2 mF | ||
| Co2 | 1.2 mF | ||
| Losses Type | Equation | Conditions | |
|---|---|---|---|
| Losses of Figure 3 | |||
| Conduction Loss | In M | Ron: MOSFET m on-state resistance Rs: Series resistance of the current loop | |
| In Do1 or Do2 | Vf: Diode forward voltage | ||
| Switching Loss | In M | Coss: Switch M output capacitance | |
| In Do1 or Do2 | Cd: Diode parasitic capacitance | ||
| Control Loss | Qg: Switch gate charge Vg: Voltage needed to charge the gate | ||
| Total Loss | |||
| Component | Zeta Converter | Mahafzah Converter | Proposed Converter |
|---|---|---|---|
| Number of switches | 1 | 1 | 1 |
| Number of diodes | 1 | 1 | 2 |
| Number of capacitors | 1 | 1 | 2 |
| Number of inductors | 2 | 2 | 3 |
| Output low pass filter | 1 | 1 | 2 |
Disclaimer/Publisher’s Note: The statements, opinions and data contained in all publications are solely those of the individual author(s) and contributor(s) and not of MDPI and/or the editor(s). MDPI and/or the editor(s) disclaim responsibility for any injury to people or property resulting from any ideas, methods, instructions or products referred to in the content. |
© 2024 by the authors. Licensee MDPI, Basel, Switzerland. This article is an open access article distributed under the terms and conditions of the Creative Commons Attribution (CC BY) license (https://creativecommons.org/licenses/by/4.0/).
Share and Cite
Mahafzah, K.A.; Obeidat, M.A.; Mansour, A.; Sanseverino, E.R.; Zizzo, G. A New Smart Grid Hybrid DC–DC Converter with Improved Voltage Gain and Synchronized Multiple Outputs. Appl. Sci. 2024, 14, 2274. https://doi.org/10.3390/app14062274
Mahafzah KA, Obeidat MA, Mansour A, Sanseverino ER, Zizzo G. A New Smart Grid Hybrid DC–DC Converter with Improved Voltage Gain and Synchronized Multiple Outputs. Applied Sciences. 2024; 14(6):2274. https://doi.org/10.3390/app14062274
Chicago/Turabian StyleMahafzah, Khaled A., Mohammad A. Obeidat, Ayman Mansour, Eleonora Riva Sanseverino, and Gaetano Zizzo. 2024. "A New Smart Grid Hybrid DC–DC Converter with Improved Voltage Gain and Synchronized Multiple Outputs" Applied Sciences 14, no. 6: 2274. https://doi.org/10.3390/app14062274
APA StyleMahafzah, K. A., Obeidat, M. A., Mansour, A., Sanseverino, E. R., & Zizzo, G. (2024). A New Smart Grid Hybrid DC–DC Converter with Improved Voltage Gain and Synchronized Multiple Outputs. Applied Sciences, 14(6), 2274. https://doi.org/10.3390/app14062274

