H2 URESONIC: Design of a Solar-Hydrogen University Renewable Energy System for a New and Innovative Campus
Abstract
1. Introduction
2. Solar-Hydrogen Storage System
2.1. Solar-Hydrogen Technologies and Storage System
2.2. Components
2.2.1. Solar Panel
2.2.2. Electrolyzer
2.2.3. Electrolyzer Hydrogen Storage Tanks
- Compressed Hydrogen Storage: gaseous hydrogen is compressed at high pressures, typically ranging from 350 to 700 bar, in compressed hydrogen storage to reduce volume and increase storage density. The compressed hydrogen is kept in high-strength containers made of materials that can resist the pressures involved. While this approach is well-established and very easy, the energy required for compression and the need for durable storage materials are factors in its efficiency. Advanced composite materials and metal hydrides are being investigated to improve the performance of compressed hydrogen storage systems.
- Liquid Hydrogen Storage: liquid hydrogen storage entails chilling gaseous hydrogen to extremely low temperatures (about −253 degrees Celsius) in order to convert it to a liquid state. This considerably reduces the volume occupied by hydrogen, allowing for increased storage density. Cryogenic storage tanks, sometimes double-walled with vacuum insulation, are used to hold liquid hydrogen. The high energy density achieved by this technology is efficient, but the energy-intensive liquefaction process and the difficulty involved with maintaining low temperatures are aspects to consider.
- Metal Hydride Storage: metal hydride storage involves the absorption and desorption of hydrogen by specific metal alloys. During absorption, hydrogen is chemically bonded to the metal, and during desorption, hydrogen is liberated. This approach has a distinct benefit in that it provides for safe and compact storage at moderate pressures and temperatures. The effectiveness of metal hydride storage is governed by parameters such as metal alloy selection, operating circumstances, and hydrogen absorption and release kinetics. Ongoing research focuses on building high-capacity, reversible metal hydrides for increased performance.
- Underground Storage: underground storage, which is commonly found in depleted natural gas reservoirs or salt caverns, makes use of natural geology to store hydrogen. Gaseous hydrogen is injected and stored in subsurface formations, taking advantage of the geological structure’s permeability and porosity. This approach offers large-scale storage capacity and is especially well-suited for seasonal storage requirements. Underground storage efficiency is determined by elements such as geological conditions, injection and extraction rates, and safety concerns.
2.2.4. Fuel Cells
2.3. Working Mechanism
- Solar Energy Conversion to Electricity: the process begins with the conversion of solar energy into electricity via photovoltaic (PV) cells. These cells, which are typically composed of semiconductor materials such as silicon, absorb photons from the sun. The energy from the absorbed photons stimulates electrons in the semiconductor, resulting in an electric current. This direct conversion of sunlight into electricity, known as the photovoltaic effect, is the first step in harvesting solar energy for later stages in the energy cycle.
- Electrolysis Process for Hydrogen Production: the power generated by solar panels is then routed to an electrolyzer for electrolysis, which creates hydrogen from water (H2O). Electrical energy is used in the electrolyzer to break water molecules into hydrogen and oxygen. The electrolysis is facilitated by two electrodes, one connected to the positive terminal (anode) and the other to the negative terminal (cathode). The liberated hydrogen gas is collected, and as a byproduct, oxygen is emitted. The use of solar-generated electricity for electrolysis assures a sustainable and environmentally benign technique of producing hydrogen.
- Hydrogen Storage and Retrieval: once created, hydrogen is efficiently stored for subsequent use. Compression, liquefaction, metal hydrides, and underground storage are all means of storage. The storage mechanism chosen is determined by considerations like scale, application, and accessibility. These hydrogen stores serve as a versatile energy transporter, ready to be retrieved when needed. The ability to store hydrogen allows for greater flexibility in energy distribution and consumption, addressing the intermittent nature of solar energy production.
- Fuel Cell Electricity Generation: the final stage of the energy cycle involves the utilization of hydrogen in fuel cells to generate electricity. Fuel cells work by using an electrochemical reaction between hydrogen and oxygen. In a typical Proton Exchange Membrane (PEM) fuel cell, hydrogen is delivered to the anode, and oxygen from the air is fed to the cathode. Hydrogen molecules are divided into protons and electrons at the anode. Protons pass through a membrane, while electrons generate an electric current. Protons, electrons, and oxygen mix at the cathode to form water and heat as byproducts. This electrochemical technique directly turns the chemical energy of stored hydrogen into electrical energy, completing the energy cycle with high efficiency and low environmental impact. Thus, fuel cells play an important role in delivering a clean and sustainable source of electricity for a range of applications.
3. Research Approach and Integration Design
3.1. Research Approach
- Literature Review: the investigation begins with a thorough assessment of the available literature on solar-hydrogen systems, university energy management, and associated technologies. This phase lays the theoretical groundwork by synthesizing essential concepts, best practices, and field difficulties. It also identifies knowledge gaps, which informs research questions and objectives.
- Case Studies and Interviews: analyzing real-world case studies where solar-hydrogen systems have been integrated into university energy management is a critical component. In addition, interviews with experts, stakeholders, and professionals in the industry provide useful insights into practical issues, accomplishments, and lessons gained from previous projects. These qualitative data help to provide a more sophisticated view of the integration process.
- Technology Assessment: the study includes a full evaluation of the technological aspects, including the efficiency, scalability, and economic viability, of solar-hydrogen storage systems. This includes a thorough analysis of several types of solar panels, electrolyzers, storage systems, and fuel cell technologies to decide which are most suited for academic applications.
- Simulation and Modeling: the study evaluates the potential energy generation, storage capacity, and overall system performance under varied situations using simulation tools and modeling approaches. This step tries to provide predicted insights into the system’s behavior by taking into account elements such as solar irradiation, swings in energy consumption, and the university’s specific energy needs.
- Environmental Impact Analysis: an environmental impact assessment is carried out to determine the integrated system’s ecological footprint. Analyzing life cycle evaluations, carbon emissions reductions, and overall sustainability measures is part of this process. It looks at the broader environmental effects of switching to a solar-hydrogen energy system at a university.
- Integration Design and Feasibility Analysis: the study synthesizes findings into a holistic integration design, defining the step-by-step procedure for integrating the solar-hydrogen storage system into the university’s existing energy infrastructure. A feasibility analysis looks at the economics, potential obstacles, and overall feasibility of adopting the suggested design.
3.2. Integration Design
3.2.1. Existing Energy Infrastructure
- Joint Laboratory and Practice Building (Building 123);
- Engineering Building V (Building 120);
- Engineering Building IV (Building 118);
- Engineering Building II (Building 122).
3.2.2. Solar Generation Monitoring System
4. Modeling a Solar-Hydrogen System in the University
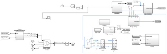
4.1. Energy Management System Model
4.2. Performance Result
5. Future Prospects
5.1. The Development of AIoT (Artificial Intelligence of Things)
5.2. AIoT for Hydrogen Energy Systems
6. Conclusions
Author Contributions
Funding
Institutional Review Board Statement
Informed Consent Statement
Data Availability Statement
Conflicts of Interest
References
- Bernhard, T.; Stefan, P.; Andreas, W.; Gerhard, P. Hybrid model predictive control of renewable microgrids and seasonal hydrogen storage. Int. J. Hydrogen Energy 2023, 48, 38125–38142. [Google Scholar]
- Albert, H.S.; Arjen, A.T.V.; Michiel, A.J.U.H.B.; Evrim, U. A Green Hydrogen Energy System: Optimal control strategies for integrated hydrogen storage and power generation with wind energy. Renew. Sustain. Energy Rev. 2022, 168, 112744. [Google Scholar]
- Vincent, K.; Veronika, E.; Kerstin, A.; Stefan, R.; Andrea, H. Decentral Production of Green Hydrogen for Energy Systems: An Economically and Environmentally Viable Solution for Surplus Self-Generated Energy in Manufacturing Companies? Sustainability 2023, 15, 2994. [Google Scholar]
- Wadim, S.; Lubomir, C.; Elena, T.; Manuela, T.; Yelena, P. Renewable Energy in the Sustainable Development of Electrical Power Sector: A Review. Energies 2021, 14, 8240. [Google Scholar]
- Ismail, M.; Tawfik, G.; Badr, M.A.; Khalid, A.; Ahmed, A.; Mansor, A.; Hsan, H.A. Integration of Renewable-Energy-Based Green Hydrogen into the Energy Future. Processes 2023, 11, 2685. [Google Scholar]
- Babangida, M.; Abdullah, M.P.; Abba, L.B.; Mukhtar, F.H. A systematic review of hybrid renewable energy systems with hydrogen storage: Sizing, optimization, and energy management strategy. Int. J. Hydrogen Energy 2023, 48, 38354–38373. [Google Scholar]
- Torbjørn, E.E.; Amin, H.; Sabrina, S. Hydrogen-based systems for integration of renewable energy in power systems: Achievements and perspectives. Int. J. Hydrogen Energy 2021, 46, 31963–31983. [Google Scholar]
- Wilson, F.E.; Joseph, T.A.; Martins, C.O.; Philemon, C.U. A Solar Energy System Design for Green Hydrogen Production in South-Western Nigeria, Lagos State, Using HOMER & ASPEN. Open J. Optim. 2023, 12, 72–97. [Google Scholar]
- Zheng, L.; Wenda, Z.; Rui, Z.; Hexu, S. Development of renewable energy multi-energy complementary hydrogen energy system (A Case Study in China): A review. Energy Explor. Exploit. 2020, 38, 2099–2127. [Google Scholar]
- Vincent, A.A. Development of an Intelligent Power Management System for Solar PV-Wind-Battery-Fuel-Cell Integrated System. Front. Energy Res. 2021, 9, 613958. [Google Scholar]
- Hui, S.; Shunqin, L.; Hengming, H.; Bowen, D.; Jinhua, Y. Solar-Driven Hydrogen Production: Recent Advances, Challenges, and Future Perspectives. Am. Chem. Soc. Energy Lett. 2022, 7, 1043–1065. [Google Scholar]
- Troy, S. South Korean efforts to transition to a hydrogen economy. Clean Technol. Environ. Policy 2021, 23, 509–516. [Google Scholar]
- Layth, H.M.; Hamid, H.M.; Hussein, F.H. Analysis of Renewable Energy Sources, Aspects of Sustainability and Attempts of Climate Change. Am. Sci. Res. J. Eng. Technol. Sci. (ASRJETS) 2018, 43, 22–32. [Google Scholar]
- Tadeusz, C. Wind and solar energy technologies of hydrogen production—A review of issues. Polityka Energetyczna Energy Policy J. 2019, 22, 5–20. [Google Scholar]
- Alfred, J.; Srijit, B.; Akshay; Anil, K. Design and evaluation of stand-alone solar-hydrogen energy storage system for academic institute: A case study. Mater. Proc. 2021, 47, 5918–5922. [Google Scholar]
- Jun, M.; Mustafa, B. Online Energy Management Strategy Based on Adaptive Model Predictive Control for Microgrid with Hydrogen Storage. Int. J. Renew. Energy Res. 2018, 8, 861–870. [Google Scholar]
- Ayodelea, T.R.; Yusuffa, A.A.; Mosetlhea, T.C.; Ntombela, M. Hydrogen production using solar energy resources for the South African transport sector. Int. J. Sustain. Eng. 2021, 14, 1843–1857. [Google Scholar] [CrossRef]
- Azmi, M.S.F.M.; Husain, M.H.; Rahim, S.R.A.; Mid, E.C.; Shaari, A.S.; Hashim, N.; Husky, N.; Ahmad, M.F. Hybrid Cooling System for Solar Photovoltaic Panel. J. Phys. Conf. Ser. 2023, 2550, 012004. [Google Scholar] [CrossRef]
- Sahil, O.; Mumtaz, A.Q.; Basit, S.M.; Ahmed, N.; Sana, U.S.M.; Sana, U.; Muhammad, U.F.; Fang, J. Potential Assessment and Economic Analysis of Concentrated Solar Power against Solar Photovoltaic Technology. Int. J. Energy Res. 2023, 2023, 3611318. [Google Scholar]
- Bahman, H. Renewable Solar Energy Resources Potential and Strategy in Azerbaijan. Int. J. Energy Econ. Policy 2023, 13, 31–38. [Google Scholar]
- Quoc, N.N.; Van, N.M.; Thi, H.L.H. Acceptance of Solar Technology by Farmers in Vietnam. Int. J. Energy Econ. Policy 2023, 3, 93–101. [Google Scholar]
- Erwan, H.; Raden, A.W.; Adiarso, A.; Ermawan, D.S.; Nur, A.H.; Sigit, S.; Hari, S.; Ayu, L.F.; Yanti, R.D.; Ontin, F. Solar Cell Manufacturing Cost Analysis and Its Impact to Solar Power Electricity Price in Indonesia. Int. J. Energy Econ. Policy 2023, 13, 244–258. [Google Scholar]
- Saulesh, M.; Ruslan, A.; Timur, S.; Amangeldy, B.; Bolat, K.; Manuela, T. A Review on Solar Energy Policy and Current Status: Top 5 Countries and Kazakhstan. Energies 2023, 16, 4370. [Google Scholar]
- Modupeola, D.; Patricia, P. Recent advances in solar photovoltaic materials and systems for energy storage applications: A review. Beni-Suef Univ. J. Basic Appl. Sci. 2023, 12, 66. [Google Scholar]
- Sai, N.V.; Mohd, H.A. A Comprehensive Review of Solar Photovoltaic (PV) Technologies, Architecture, and Its Applications to Improved Efficiency. Energies 2023, 16, 319. [Google Scholar]
- Marta, V.; Nancy, H.; Ian, M.P.; Ron, S.; Arnulf, J.W.; Carlos, D.C.; Christian, B.; Matthew, S.; Andrew, B.; Izumi, K.; et al. Solar photovoltaics is ready to power a sustainable future. Joule 2021, 5, 1041–1056. [Google Scholar]
- Nabil, B.; Mohammad, A.M.; Nasser, A.; Sameh, A.; Sultan, T.; Ala, H.J.; Artur, A.; Moh’d, A.; Gabriel, B.; Ali, A.; et al. Effect of the Residential Photovoltaic Systems Evolution on Electricity and Thermal Energy Usage in Jordan. Adv. Sci. Technol. Res. J. 2023, 17, 79–87. [Google Scholar]
- Rahul, R.U.; Muhammad, S.; Ahmad, M.; Ameena, A.S. Technoeconomic Assessment of Various Configurations Photovoltaic Systems for Energy and Hydrogen Production. Int. J. Energy Res. 2023, 2023, 1612600. [Google Scholar]
- Ahmed, M.A.O.; Mohamed, G.O.; Bishoy, E.S. Evaluation of green hydrogen production using solar, wind, and hybrid technologies under various technical and financial scenarios for multi-sites in Egypt. Int. J. Hydrogen Energy 2023, 48, 38535–38556. [Google Scholar]
- Yihao, Z.; Ming, M.; Huaiyu, S. Recent advances in efficient and scalable solar hydrogen production through water splitting. Carbon Neutrality 2023, 2, 23. [Google Scholar]
- Mingjian, X.; Haocheng, W.; Qian, S.; Jiaqi, S.; Jiajun, L. Multi-objective optimization configuration of wind-solar coupling hydrogen production system. J. Phys. Conf. Ser. 2023, 2488, 012001. [Google Scholar]
- Till, W.; Victor, T.; Gonzalo, G.G. Environmental sustainability assessment of large-scale hydrogen production using prospective life cycle analysis. Int. J. Hydrogen Energy 2023, 48, 8310–8327. [Google Scholar]
- Barış, A.; Muhammed, B.A. Hydrogen Production and Storage Methods. Int. J. Adv. Nat. Sci. Eng. Res. 2023, 7, 179–185. [Google Scholar]
- Ibrahim, O. Trend analysis and evaluation of hydrogen energy and hydrogen storage research. Energy Storage 2023, 5, e471. [Google Scholar]
- Kang, P.; Gary, M.; Zhang, X.; Wang, T.; Zhongfu, T.; Jayant, A. Systematic comparison of hydrogen production from fossil fuels and biomass resources. Int. J. Agric. Biol. Eng. 2017, 10, 192–200. [Google Scholar]
- Nima, N. Future of Hydrogen in Energy Transition and Reform. J. Chem. Lett. 2021, 2, 64–72. [Google Scholar]
- Thirugnanasambandham, K. A Review On Hydrogen Energy Production from Electrochemical System: Benefits and Challenges. Energy Sources 2018, 41, 902–909. [Google Scholar]
- Ziyi, L.; Xinyi, Y.; Yingxue, W.; Weidi, L.; Siliang, L.; Yuankun, Z.; Zihan, H.; Hong, Z.; Shuming, D.; Jie, X.; et al. A Survey of Artificial Intelligence Techniques Applied in Energy Storage Materials R&D. Front. Energy Res. 2020, 8, 116. [Google Scholar]
- Song-Jeng, H.; Matoke, P.M.; Sathiyalingam, K. Artificial Intelligence Application in Solid State Mg-Based Hydrogen Energy Storage. J. Compos. Sci. 2021, 5, 145. [Google Scholar]
- Abdulrahman, M.; Abomazid; Nader, A.E.T.; Hany, E.Z.F. Optimal Energy Management of Hydrogen Energy Facility Using Integrated Battery Energy Storage and Solar Photovoltaic Systems. IEEE Trans. Sustain. Energy 2022, 13, 1457–1468. [Google Scholar]
- Eman, H.B.; Hazem, A.; Mahmoud, E. Novel optimization technique of isolated microgrid with hydrogen energy storage. PLoS ONE 2018, 13, e0193224. [Google Scholar]
- Syed, U.A.; Asad, W.; Muhammad, A.; Saeed, M.Q.; Jamshed, I. Model Predictive Control of Consensus-Based Energy Management System for DC Microgrid. PLoS ONE 2023, 18, e0278110. [Google Scholar]
- Sonam; Prateek, M. An Improvised modelling of hybrid power system in atlab using solar power and fuel cell with internet of things implementation. Int. Res. J. Mod. Eng. Technol. Sci. 2023, 5, 167–174. [Google Scholar]
- Mojgan, F.; Paramjotsingh, S.; Sumit, I.T.; Roonak, D.; Ali, J.; Thomas, E.; Hans, K.; Reza, L.; Hamid, K. Artificial Intelligence/Machine Learning in Energy Management Systems, Control, and Optimization of Hydrogen Fuel Cell Vehicles. Sustainability 2023, 15, 5249. [Google Scholar]
- Danqi, S.; Jiayang, Z.; Junjie, M.; Zizhe, D.; Zhangjie, C.; Yanzhou, Q. Application of Machine Learning in Fuel Cell Research. Energies 2023, 16, 4390. [Google Scholar]
- Yang, S.; Jiaming, Z.; Jinming, Z.; Fengyan, Y.; Guofeng, W.; Chaofeng, P.; Wei, G.; Xing, S. Research on Energy Management of Hydrogen Fuel Cell Bus Based on Deep Reinforcement Learning Considering Velocity Control. Sustainability 2023, 15, 12488. [Google Scholar]
- Zhongliang, L.; Zhixue, Z.; Liangfei, X.; Xiaonan, L. A review of the applications of fuel cells in microgrids: Opportunities and challenges. BMC Energy 2019, 1, 8. [Google Scholar]
- Aiman, A.; Ade, J.; Mustafa, J.; Francisco, M.A. Future of Electric and Hydrogen Cars and Trucks: An Overview. Energies 2023, 16, 3230. [Google Scholar]
- Ali, R.B.; Burak, T. Real-time energy management in an off-grid smart home: Flexible demand side control with electric vehicle and green hydrogen production. Int. J. Hydrogen Energy 2023, 48, 23146–23155. [Google Scholar]
- Jiayi, H.; Jianxiao, W.; Zhihao, H.; Qi, A.; Yiyang, S.; Asad, M.; Chin, W.T.; Feng, G. Hydrogen-powered smart grid resilience. IET Energy Convers. Econ. 2023, 4, 89–104. [Google Scholar]
- Seyed, E.H.; Mazlan, A.W. Hydrogen from solar energy, a clean energy carrier from a sustainable source of energy. Int. J. Energy Res. 2020, 44, 4110–4131. [Google Scholar]
- Shan, W.; Aolin, L.; Chuan-Jian, Z. Hydrogen production from water electrolysis: Role of catalysts. Nano Converg. 2021, 8, 4. [Google Scholar]
- Sergey, K.; Yi, Z.; Shi, Y.; Henrik, W.B. Optimal operation of the hydrogen-based energy management system with P2X demand response and ammonia plant. Appl. Energy 2021, 304, 117559. [Google Scholar]
- Tao, Z.; Bruno, F. Modeling and control design of hydrogen production process for an active hydrogen/wind hybrid power system. Int. J. Hydrogen Energy 2009, 34, 21–30. [Google Scholar]
- Canan, A.; Ercan, E.; Irem, F.E. Performance analysis of a stand-alone integrated solar hydrogen energy system for zero energy buildings. Int. J. Hydrogen Energy 2023, 48, 1664–1684. [Google Scholar]









| No | Indicator | Description |
|---|---|---|
| 1 | Environmental Imperative | The worldwide imperative to combat climate change necessitates a transition toward more environmentally friendly energy practices. Universities, as significant institutions, must set a good example in terms of decreasing carbon footprints and supporting ecologically friendly technologies. |
| 2 | Economic Viability | Renewable energy technologies, such as solar-hydrogen systems, provide enormous economic benefits. Exploring and adopting these solutions can result in long-term cost reductions, making it a financially sound decision for institutions. |
| 3 | Educational Leadership | Universities act as educational leaders and social influencers. They not only contribute to environmental sustainability by embracing innovative energy solutions, but they also teach and motivate the next generation of leaders to embrace eco-friendly activities. |
| 4 | Energy Resilience | Diversifying energy sources by implementing solar-hydrogen storage systems improves energy resilience. Universities can benefit from a secure and sustainable energy supply because of their vital responsibilities in research, education, and community service. |
| 5 | Technological Advancements | As technology advances, remaining on the cutting edge of energy storage solutions is critical. Solar-hydrogen system research allows universities to take advantage of cutting-edge technology, ensuring that their energy infrastructure remains efficient and competitive. |
| 6 | Regulatory and Policy Landscape | Renewable energy initiatives are increasingly favored by government laws and regulations. Researching and implementing solar-hydrogen storage systems allows institutions to take advantage of favorable legislation, which may result in financial incentives and awards. |
| 7 | Community and Stakeholder Expectations | Universities are vital components of their communities. Adopting sustainable energy methods corresponds to the expectations of environmentally concerned stakeholders, such as students, teachers, staff, and the broader community. |
| 8 | Long-Term Sustainability | Sustainable energy solutions help institutions’ long-term viability and sustainability. Institutions can protect their energy infrastructure from potential resource shortages or price volatility by lowering their reliance on traditional energy sources. |
| No | Technology | Description |
|---|---|---|
| 1 | Photovoltaic (PV) solar panels | Photovoltaic solar panels use semiconductor elements to convert sunlight directly into electricity. These panels capture solar energy for subsequent conversion and are an essential component of solar-hydrogen systems. When exposed to sunlight, PV panels generate direct current (DC) electricity. |
| 2 | Electrolyzers | Electrolyzers are machines that use electricity to split water (H2O) into hydrogen (H2) and oxygen (O2). There are three types of electrolyzers: Proton Exchange Membrane (PEM) Electrolyzers, which are efficient and well-suited for smaller-scale applications; Alkaline Electrolyzers, which are economical and well-suited for large-scale industrial applications; and Solid Oxide Electrolyzers, which operate at high temperatures and are well-suited for specific industrial processes. |
| 3 | Hydrogen Storage Tanks | Hydrogen storage tanks are used to keep the hydrogen produced for later use. The first type of hydrogen storage is gaseous hydrogen storage, which is stored under pressure in high-strength tanks. The second type of storage is liquid hydrogen storage, which uses extremely low temperatures to convert hydrogen to a liquid state. The third type of storage is solid-state hydrogen storage, which uses materials that absorb and release hydrogen as needed. |
| 4 | Fuel Cells | Fuel cells are electrochemical devices that produce energy and water by converting hydrogen and oxygen. The most prevalent kind of fuel cells are Proton Exchange Membrane (PEM) Fuel Cells, which are commonly utilized for stationary and portable applications. Less prevalent are Alkaline Fuel Cells (AFC), which have historically been utilized in space applications, and Solid Oxide Fuel Cells (SOFC), which operate at high temperatures and are suited for a variety of applications. |
| 5 | Solar Thermal Hydrogen Production | Concentrated solar power is used to generate high-temperature heat for the thermal breakdown of water into hydrogen and oxygen in solar thermal hydrogen synthesis. Solar concentrators focus sunlight onto a receiver, producing high temperatures that fuel chemical processes. |
| 6 | Photoelectrochemical (PEC) Cells | PEC cells use semiconductor materials to directly convert solar energy into hydrogen via a photoelectrochemical process. The PEC function of light absorption in the semiconductor material generates electron-hole pairs, which initiates the water-splitting reaction. |
| 7 | Bifacial Solar Panels | Solar panels that gather sunlight from both the front and back faces capture more energy overall. Increased efficiency by harnessing reflected sunlight from surrounding surfaces is the function. |
| No | Step | Description |
|---|---|---|
| 1 | Photons Absorption | When sunlight, which consists of photons (light particles), strikes the surface of a solar panel, the photons transfer their energy to the electrons in the panel’s semiconductor material. |
| 2 | Generation of Electron-Hole Pairs | Electrons in the semiconductor material are excited by the absorbed energy and break out from their regular locations. This produces electron-hole pairs, in which one electron is freed and a positively charged “hole” in the substance is left behind. |
| 3 | Creation of Voltage Potential | Electron mobility generates an electric current, and charge separation generates a voltage potential across the solar cell. This potential difference serves as the foundation for generating electricity. |
| 4 | Electricity Generation | The electric current created travels through the semiconductor material and into an external circuit connected to the solar panel. This movement of electrons creates electrical energy, which can then be used for a variety of purposes. |
| 5 | Direct Current (DC) Output | Solar panels generate electrical energy in the form of direct current (DC). DC power flows in only one direction and is created by solar cells. |
| 6 | Inverter Conversion (for Grid-Connected Systems) | An inverter converts the direct current (DC) electricity generated by solar panels into alternating current (AC) for grid-connected solar power systems. AC is the most common type of electricity found in homes and businesses. |
| 7 | Utilization or Grid Feed-in | The converted electrical energy can be used immediately to power devices connected to the solar panel system. Excess electricity can also be fed into the electrical grid, earning credits or compensation in some grid-tied systems. |
| No | Variable | Description |
|---|---|---|
| 1 | Electrolyzer Technology | The efficiency, prices, and applications of various electrolyzer technologies, such as Proton Exchange Membrane (PEM), alkaline, and solid oxide electrolyzers, differ. The technology chosen is determined by considerations such as the anticipated size of hydrogen generation and the application’s specific requirements |
| 2 | Electrolyzer Efficiency | An electrolyzer’s overall efficiency is critical in calculating the amount of electrical energy required to create a particular amount of hydrogen. Higher efficiency corresponds to lower energy losses throughout the electrolysis process, making hydrogen production more sustainable and cost-effective. |
| 3 | Electrolyzer Dimensions and Capacity | The scalability and usability of the electrolyzer system are influenced by its size and capacity. It is critical to match the size of the electrolyzer to the expected hydrogen output in order to optimize performance and resource utilization. |
| 4 | Purity of Water Source | The quality and purity of the water used in electrolysis affect the performance and longevity of the electrolyzer. Water impurities, such as minerals or pollutants, can degrade electrode performance over time. |
| 5 | Operating Conditions | The efficiency of electrolyzers is affected by operating variables such as temperature, pressure, and flow rates. The optimal working conditions differ based on the type of electrolyzer technology used. |
| 6 | Electrode Materials | The selection of electrode materials has a considerable impact on the electrolyzer’s performance and durability. Materials with high conductivity, corrosion resistance, and stability under electrolysis conditions contribute to system longevity and consistency. |
| 7 | Power Supply | The source and stability of the electrical power provided to the electrolyzer have an impact on its performance. Renewable energy sources, such as solar or wind power, contribute to the environmental sustainability of hydrogen generation, while a constant power supply assures consistent operation. |
| 8 | System Design and Integration | The whole design and integration of the electrolyzer system, including the layout of components and control systems, play a role in obtaining optimal performance. Well-designed systems improve efficiency, ease of maintenance, and the overall economic viability of hydrogen production. |
| 9 | Cost Considerations | The cost of electrolyzer systems, including both initial capital expenditures and continuous running expenses, has an impact on the economic feasibility of hydrogen production. Continuous technological breakthroughs and economies of scale are lowering the costs of electrolyzer systems. |
| 10 | Regulatory Environment | The regulatory landscape for hydrogen generation, including regulations, incentives, and standards, can influence the acceptance and deployment of electrolyzer technology. Electrolyzers can be integrated into sustainable hydrogen production systems more quickly if supportive policies and incentives are in place |
| No | Layer | Description & Features |
|---|---|---|
| 1 | Artificial Intelligence | The AI layer is the AIoT system’s brain, responsible for data processing, decision-making, and improving hydrogen-related processes. Advanced machine learning, deep learning, and AI algorithms are included. The AI layer improves the system’s intelligence by enabling data-driven decision-making, predictive capabilities, and continual development. Features: a. Data Analysis: AI algorithms evaluate data from IoT sensors and devices to find patterns, anomalies, and trends in hydrogen production, storage, and consumption. b. Decision-Making: AI models employ sensor data to make smart decisions in real-time, such as altering hydrogen production rates, maximizing energy use, or initiating safety routines. c. Predictive Maintenance: AI anticipates when equipment and infrastructure need maintenance, decreasing downtime and ensuring system reliability. d. Energy Optimization: AI optimizes energy use and production by matching hydrogen production to demand to reduce costs and environmental impact. This layer offers a framework for efficiently connecting and managing the AI and IoT components. Cloud platforms, communication protocols, and networking infrastructure are all part of it. The platform and network layer provide for seamless data flow across the AI and IoT levels while also providing data security, scalability, and accessibility. Features: |
| 2 | Platform and Network | a. Data Analysis: AI algorithms evaluate data from IoT sensors and devices to find patterns, anomalies, and trends in hydrogen production, storage, and consumption. b. Decision-Making: AI models employ sensor data to make smart decisions in real time, such as altering hydrogen production rates, maximizing energy use, or initiating safety routines. c. Predictive Maintenance: AI anticipates when equipment and infrastructure need maintenance, decreasing downtime and ensuring system reliability. Energy Optimization: AI optimizes energy use and production by matching hydrogen production to demand to reduce costs and environmental impact. d. Data Integration: Collects and transmits data from IoT sensors and devices to the AI layer for analysis and decision-making. Cloud Services: Cloud computing resources are used for data storage, processing, and scalability. e. Secure Communication: Ensures that data is transmitted securely and reliably between IoT devices and the AI layer. Data Management: Data Management is in charge of storing, retrieving, and archiving data for historical analysis and reporting. |
| 3 | IoT Sensors and Devices | This layer is made up of a network of Internet of Things sensors, actuators, and Devices that are deployed across the hydrogen energy system. These gadgets capture data in real-time and interact with physical components. The IoT layer delivers real-world data that flows into the AI layer, allowing for easier monitoring, control, and data-driven decision-making. Features: a. Data Collection: IoT sensors collect data on hydrogen pressure, temperature, and flow rates, energy usage, and other pertinent characteristics. b. Control: In reaction to AI-driven judgments, actuators and devices can remotely control equipment, valves, or processes. c. Environmental Sensors: Monitor environmental factors such as emissions or air quality to ensure regulatory compliance. |
| 4 | Energy Resources and Production | This layer represents the physical infrastructure involved in hydrogen creation, storage, and distribution. Electrolyzers, hydrogen storage tanks, pipes, and other components are included. Features: Energy Resources and Production: This layer represents the physical infrastructure involved in hydrogen creation, storage, and distribution. Electrolyzers, hydrogen storage tanks, pipes, and other components are included. The energy resource and production layer is the hydrogen system’s backbone, and IoT sensors in this layer provide essential data for AI-driven optimization and control. |
Disclaimer/Publisher’s Note: The statements, opinions and data contained in all publications are solely those of the individual author(s) and contributor(s) and not of MDPI and/or the editor(s). MDPI and/or the editor(s) disclaim responsibility for any injury to people or property resulting from any ideas, methods, instructions or products referred to in the content. |
© 2024 by the authors. Licensee MDPI, Basel, Switzerland. This article is an open access article distributed under the terms and conditions of the Creative Commons Attribution (CC BY) license (https://creativecommons.org/licenses/by/4.0/).
Share and Cite
Joshua, S.R.; Park, S.; Kwon, K. H2 URESONIC: Design of a Solar-Hydrogen University Renewable Energy System for a New and Innovative Campus. Appl. Sci. 2024, 14, 1554. https://doi.org/10.3390/app14041554
Joshua SR, Park S, Kwon K. H2 URESONIC: Design of a Solar-Hydrogen University Renewable Energy System for a New and Innovative Campus. Applied Sciences. 2024; 14(4):1554. https://doi.org/10.3390/app14041554
Chicago/Turabian StyleJoshua, Salaki Reynaldo, Sanguk Park, and Kihyeon Kwon. 2024. "H2 URESONIC: Design of a Solar-Hydrogen University Renewable Energy System for a New and Innovative Campus" Applied Sciences 14, no. 4: 1554. https://doi.org/10.3390/app14041554
APA StyleJoshua, S. R., Park, S., & Kwon, K. (2024). H2 URESONIC: Design of a Solar-Hydrogen University Renewable Energy System for a New and Innovative Campus. Applied Sciences, 14(4), 1554. https://doi.org/10.3390/app14041554
