Next Article in Journal
Applying Game Theory to Teach the PERT Scheduling Method
Previous Article in Journal
A Comprehensive Review on Uncertainty and Risk Modeling Techniques and Their Applications in Power Systems
 
 
Font Type:
Arial Georgia Verdana
Font Size:
Aa Aa Aa
Line Spacing:
Column Width:
Background:
Article

Optimization of Composite Structures with Thin Rigid Fibers Using Bioinspired Algorithms

by
Arkadiusz Poteralski
*,
Mirosław Szczepanik
and
Piotr Fedeliński
Faculty of Mechanical Engineering, Silesian University of Technology, Konarskiego 18A, 44-100 Gliwice, Poland
*
Author to whom correspondence should be addressed.
Appl. Sci. 2024, 14(24), 12044; https://doi.org/10.3390/app142412044
Submission received: 6 October 2024 / Revised: 28 November 2024 / Accepted: 6 December 2024 / Published: 23 December 2024

Abstract

The paper deals with an application of the artificial immune system (AIS) and the particle swarm optimizer (PSO) to the optimization of composites with thin rigid fibers. The boundary value problem is solved using the boundary element method (BEM). The numerical examples demonstrate the optimization of the distribution and orientation of fibers in a composite. The objective functions depend on effective elastic properties. Two separate independent optimization methods are used to confirm the correctness of the obtained results (AIS and PSO). The bioinspired approach shows that the method based on the artificial immune system or particle swarm optimizer is an efficient technique for solving computer-aided optimal design problems (maximalization of the Young’s modulus or Poisson’s ratio) and allows for the development of new materials.

1. Introduction

Mechanical structure optimization challenges are a class of challenging and time-consuming jobs. The challenge lies in the requirement of finding a global solution and computing difficult direct problems more than once in order to determine the value of the fitness function and/or its gradient. Proposing optimization techniques based on immune system applications or the particle swarm optimizer is a crucial step in the creation of bioinspired algorithms. Both the boundary element method (BEM) and the finite-element method (FEM) can be used to tackle boundary–initial value problems.
In this paper, two different optimization algorithms are used: the artificial immune system (AIS) and the particle swarm optimizer (PSO). Both algorithms were created based on observations of phenomena occurring in nature. The purpose of using two different optimization algorithms is to ensure that the obtained solutions are optimal. First, all tasks are solved using AIS, then using PSO. Obtaining the same results confirms that the results are optimal.
The goal of these algorithms is to optimize composite structures with thin rigid fibers. A process found in biological immune systems serves as the foundation for the development of artificial immune systems [1]. They can make use of positive and negative selection mechanisms or of the clonal selection mechanism. The clonal selection mechanism is employed in this work.
Intensive research on the development of such algorithms for application to optimization and identification problems has been carried out in recent years. Currently, in many research institutions in the world, artificial immune systems [2] and particle swarm optimizers [3] are developed and used, e.g., in relation to the optimization and classification problem. A few examples of such numerous works are the query expansion problem [4], learning neural network [1,5,6], and multi-objective optimization [7,8]. Nowadays, AIS is widely used to solve a wide range of issues, even highly specialized ones, such as diagnosing heart disease using ECG analysis [9], identifying and controlling a fuel-ethanol fermentation process [1], and choosing the best Wiener equalizers [10]. There are also other fascinating uses for AISs, such as reconstructing evolutionary trees [8]. The ‘classic’ artificial immune system [11] has been modified; one such modification is the Bayesian artificial immune system (BAIS), which is utilized in Refs. [12,13]. There is additional application potential of the AIS in the context of transportation systems [14,15]. In Ref. [16], a hybrid version of this approach is utilized to achieve faster convergence to the global optimum.
Swarm algorithms mimic the social behaviors of animals that travel and reside in groups. The PSO algorithm finds answers to the optimization issue by promoting the motion of particles in a specific space. PSO employs an iterative methodology. Based on its prior experiences and the collective experiences of the group, an individual’s (i.e., particle) location is established (a swarm). Furthermore, the capacity to memorize and subsequently return to previously identified regions with favorable characteristics allows the particles to adjust to their new surroundings.
PSO finds extensive use in several scientific and engineering challenges, including structural optimization and mechanics. Truss optimization using the particle swarm optimizer has been accomplished successfully, as reported in Ref. [17]. The work in [18] presents a PSO for constrained engineering design challenges. In contrast, the work in [19] presents an efficient coevolutionary particle swarm optimization algorithm for limited engineering design problems. There is increasing interest in this algorithm.
The main advantage of the PSO algorithm is the fact that it can be controlled using a small number of parameters. The second advantage is that it is very fast. A small number of iterations are needed for the algorithm to find a solution. Unfortunately, its disadvantage is the fact that the entire population tends to a single solution, which, unfortunately, is not always a global solution.
The second algorithm, AIS, can be said to be the opposite of PSO. The main advantage of this algorithm is its high resistance to getting stuck in a local extremum. Unlike PSO, AIS can find many extrema at the same time. The number of extrema that AIS can identify is equivalent to the number of memory cells set at the beginning of the optimization. Unfortunately, the disadvantage of this algorithm in relation to PSO is its speed. A larger number of objective function calls may be needed to find the optimum. However, there is a high probability that the optimum that is found is global.
The AIS and PSO algorithms used in this paper are applied to the following tasks: the optimization of shell and shell solid structures with respect to the shape, topology, and material properties [20], the optimization of thermomechanical structures [21], the identification and optimization of composite structures [22], the optimization of elastic vibrating systems [23], the identification of the acoustics problem [24], the identification of the material constants for piezoelectric materials [25], the identification and optimization of porous structure parameters [26], and the optimization of magnetoelectric composites [27]. On the basis of many numerical examples, we can conclude that the proposed bioinspired algorithms have a good probability of finding a global optimum and avoiding local solutions. The aim of these algorithms with respect to the optimization and identification process is to provide a better convergence to the global optimum. Additionally, a modification of the conventional method can be used to enhance the optimization process. This modification was made for AIS. In a situation where the algorithm cannot find a global solution and gets stuck with local solutions, a hybrid AIS can be used. There are two forms of hybridization that can be implemented. The first hybrid artificial immune system relies on the Kriging method [20,27], while the second uses hypermutation gradients [24]. The two new optimization techniques seek to improve convergence to the global optimum and reduce the algorithm’s time consumption. Furthermore, the uncertainty problem—that is, the identification of material characteristics that have been distorted by the noise of a particular value—can be solved using the second type of the hybridization [25]. The effectiveness of the optimization process using AIS and PSO depends on the appropriate setting of the algorithm parameters. During each optimization or identification process, the parameters of these algorithms are tested. Based on these tests, the optimal values of these parameters are decided and set. Setting the wrong parameter values can lead to reduced efficiency and also to finding local solutions.
Nowadays, composite modeling and design is a modern direction of scientific research. In Ref. [28], a representative geometry of linear fibrous composites was created at the microscale. This structure is employed to reproduce the crystalline microfiber stacking of Kevlar to form a single fiber joined by a non-ordered crystal structure. The newest multiscale modeling methods have been described in Ref. [29]. This research includes molecular, micro-, meso-, and macroscale models for hard and soft composite materials. The hard materials considered are polymer, metal, yarn, fiber, fiber-reinforced polymer, and polymer matrix composites, and the soft materials are biological tissues such as brain white matter. This is interesting work on the subject of the theoretical method for determining the equivalent fracture toughness and tensile strength of steel fiber-reinforced cementitious composite (SFRC). This method was established based on the boundary effect model [30]. In Ref. [31], the fracture performance of the composite with highly heterogeneous and anisotropic microstructures is analyzed. The boundary effect model is used. In this paper, the layered structures of composites were considered and damage along and perpendicular to the notch was assumed in the study.
Interesting methods of modeling composites and dealing with certain problems are also described in the following works. In Ref. [32], in order to overcome the many local minima issue that arises with fiber orientation optimization methods that take the fiber angle into account as the design variable, the authors presented a novel method based on the optimum selection of discrete angles. Based on various load path definitions, a number of load path-guided techniques for fiber trajectory optimization are presented in the study [31]. As an alternative to finite-element analysis (FEA), Ref. [33] suggests a machine learning (ML)-based method for optimizing the fiber orientations of variable stiffness carbon fiber-reinforced plastic (CFRP) structures.
The topics described above can still be developed and supplemented with new approaches to composite design. Therefore, it was decided to optimize thin rigid fibers using bioinspired algorithms such as AIS and PSO. One of the ways to increase the strength and stiffness of composites is to use fibers as reinforcement [34,35]. If the stiffness of the fibers is much higher than the surrounding matrix, the fibers can be treated as perfectly stiff. This approach significantly simplifies composite modeling [36]. In composite materials reinforced by fibers, there is a strong concentration of stresses on the ends of the fibers. This type of material can be modeled simply and, at the same time, precisely by BEM. The method requires division into the boundary elements of the external surfaces of the body and the surfaces of fibers in the composites. The other possibility is using the fast multipole boundary element method to analyze composites reinforced by nanotubes [37].
In this paper, BEM is applied in strength analysis of statically loaded, two-dimensional, and linear–elastic composites with rigid and straight-line fibers. A perfect connection between rigid reinforcements and a flexible matrix is assumed. In order to analyze the problem using BEM, the edges of the plate and fibers are divided into boundary elements. Boundary integral equations are used for nodes on the boundary of the plate and fibers. The unknown quantities in the presented method are the displacements and tractions along boundaries, the displacements of rigid fibers, and interaction traction [38]. The number of nodes and equations is much smaller than in methods that require discretization of the domain and the results are more accurate [39]. The method allows for easy modification of the reinforcement in composites.
Based on the literature review, it can be concluded that the proposed method of optimization of composites with thin rigid fibers using bioinspired methods is a new approach to complement many works dealing with design composites. The combination of BEM and bioinspired optimization algorithms such as AIS and PSO is an innovative approach that provides fast and reliable solutions.
In summary of the literature review, bioinspired methods are used during optimization for a variety of engineering problems, but the method is not applied to the materials themselves, as discussed in this paper.
All programs used during the optimization of composite structures with thin rigid fibers were developed by the authors of this publication (including the program for analyzing composites using BEM, as well as both optimization algorithms). One of the primary goals defined in creating software based on AIS and PSO was its universality and simplicity in applying it with any programs to solve problems resulting from changing design variables.
Therefore, a Procedure for the Exchange of Data (PED) is created between an optimization algorithm (AIS or PSO) and any program that solves the problem used to calculate the objective function [20]. This procedure allows us to quickly and easily combine the optimization program with any engineering calculation program.
This paper is organized as follows. In Section 2 and Section 3, respectively, the principle of AIS and PSO operation is described and explained. In Section 4, BEM for a composite including stiff, thin fibers is presented. In Section 5, the optimization problem and numerical examples are presented. Finally, concluding remarks are given in Section 6.

2. Artificial Immune Systems

Numerous techniques, such as the clonal selection mechanism or the mechanisms of positive and negative selection, can be used to build an AIS [40]. The developed algorithm based on the clonal selection mechanism is explained in Ref. [41]. In Figure 1, this algorithm is displayed. The memory cells are created at random in the initial stage. This algorithm is run multiple times for different random values, which guarantees the algorithm’s effectiveness. Mutations and proliferation lead to the creation of new memory cells. The value of the objective function for a particular memory cell determines how many clones are made of that memory cell. The objective function value for every memory cell is then calculated.
A portion of the new memory cells replace the memory cells from the previous iteration during the selection process. The distance between memory cells and their clones—which is determined by applying the values of choice variables—is the basis for selection. The next stage is using the crowding mechanism. This procedure removes memory cells that are similar to one another, iteratively carrying out removal until the stop condition is satisfied.
The maximum number of iterations, the expected progress in the objective function over a number of iterations, or the expected value of the objective function can all be used to represent the stop condition. The mutation operator is altered in this approach, which is based on the Wierzchoń method [42]. The method proposed in Ref. [20] uses the Gaussian mutation in place of the non-uniform mutation [42]. This type of mutation allows for a certain way of tuning the results already obtained. The goal of Gaussian mutation is to search the neighborhood of a given memory cell. After conducting many tests, it was concluded that this type of mutation for this algorithm gives better results than other types of mutations.
For the optimization problem, the objective function is defined. The task of the immune optimization is to minimize (or maximize) the objective function J:
min J x ( x )
with respect to decision variables, which are summarized in the form of a vector:
x t j = g 1 j , g 2 j , , g i j , , g n j
where g i j —the i-th parameter of the j-th vector, corresponding to the decision variable of the optimization problem; and t —the number of iterations.
The optimization process of composite structures proceeds in the environment in which the constraints can be imposed, for example, on the equivalent stresses, the displacements of the structure, or the volume of the structure. The other constraints are imposed on decision variables—the parameters of vector (2):
g i   min j g i j g i   max j
where
  • g i   min j —the i-th minimal value of the parameter for the j-th memory cell;
  • g i   max j —the i-th maximal value of the parameter for the j-th memory cell.
The immunological algorithm’s initial step creates the group of memory cells ( L k p —the number of memory cells). Decision variables are stored in memory cells, which multiply throughout the optimization process. The proliferation process relies on creating clones on the basis of memory cells. Each of the memory cells and its clones ( L p o p _ k l —the number of clones) creates a special group for which the objective functions are calculated. The parameter describes the total population size of the memory cells. In the next step, which is the first step in the main loop of the immune algorithm, the proliferation of memory cells is implemented. A fixed number of clones is made for every memory cell. This method generates a declared number of clones in search of the optimal memory cell. Merely half of the indicated number of clones is produced for every extra memory cell.
Therefore, the population of memory cells is expressed by the following formulas:
L p o p = L k p + L p o p _ k l
L p o p _ k l = L k l + L k p 1 L k l 2
where L k p —the number of memory cells; L k l —the number of clones; L p o p —the size of the entire population of memory cells; and L p o p _ k l —the population of clones.
In this approach, the hypermutation mechanism is employed. This operator’s primary responsibility is to guarantee the formation of new differentiated memory cells. In this approach, a probabilistic method of modifying a single, randomly selected fragment of the decision vector is used. Using this modification, each position of the decision vector is mutated with a certain probability m u t G :
g i _ n e w j = g i j + Δ g i j , i = 1 , , L p o p _ k l
where g i _ n e w j —the new value of the decision vector parameter after using Gaussian mutation; g i j —the i-th parameter of the j-th decision vector corresponding to the i-th decision variable of the optimization problem; and Δ g i j —a mutation with a random value of the Gaussian distribution.
In the next step of AIS creation, the value of the objective function for all memory cells is calculated. Replacing ineffective memory cells with more productive clones is the aim of this selection. Some memory cells are swapped out for superior memory cells throughout the selection process. Selection on the basis of the geometrical distance between each memory cell and clones (measured by using decision variables) is performed (Figure 2). The selection process based on the two memory cells “MC-A” and “MC-B” is then described. Four clones are made for each of the memory cells “MC-A” and “MC-B,” ranging from C-A1 to C-A4 and C-B1 to C-B4, respectively. The clones of each memory cell are compared (the objective function is compared). The clone C-A4 and the memory cell MC-B are chosen in this comparison with the subsequent iteration (to attain a better value of the objective function). Repeating this process is necessary for every memory cell. The immune algorithm’s final stage of the main loop makes use of the crowding mechanism. Because it preserves the population’s diversity of memory cells, this mechanism is crucial to the optimization process. By means of the crowding mechanism, memory cells that are comparable are eliminated. The similarity is also determined as the geometrical distance between two memory cells (Figure 3) measured using the parameter mindis. Only memory cell “2” is in the similarity area during the crowding mechanism procedure for memory cell “1,” meaning that the better memory cell (“2”) is retained in the population while the worse memory cell (“1”) is deleted. Finally, a new memory cell is generated randomly. The other memory cells are outside of its similarity area. These memory cells remain in the population of memory cells.
The minimum distance of two points in space of solutions m i n d i s is
min d i s = 0.1 min d o m i = 1 n ( g i   max j g i   min j ) 2
where g i   min j —the i-th minimal value of the memory cell parameter (decision variable); g i   max j —the i-th maximal value of the memory cell parameter; n—the number of the memory cell parameters (decision variables); and m i n d o m —a parameter deciding the size of the search space of similarities of the memory cells.
Iterative repetition of the optimization process continues until the stop condition is satisfied. A maximum number of iterations is used to describe the stop condition. The unknown global optimum is represented by the searched cell (the best memory cell).
The main advantage of AIS is the fact that this approach does not need any information about the gradient of the fitness function and produces a strong probability of finding the global optimum. The other advantages of this algorithm include the following: information about the objective function is enough in the optimization process, multidirectional search is possible, as well as working on possible acceptable solutions, high resistance to getting stuck in local extremes, and the possibility of finding many extrema at the same time (also local ones which are close to the global solution). The disadvantage of this algorithm is the speed of the optimization process (it may take longer than other algorithms).

3. The Particle Swarm Optimizer

Like immune algorithms, particle swarm optimizers are designed based on principles seen in the natural world. PSOs mimic the social behaviors of animals traveling and residing in groups. The animals move around in three-dimensional space to modify where they eat and stay, to find a favorable location for breeding, or to avoid predators. Numerous types of insects living in swarms, fish swimming in schools, birds flying in flocks, and mammals in herds may all be identified. Raynolds published a simulation of bird flocking [43]. According to his assumption, only three fundamental conditions—collision avoidance, neighbor velocity matching, and flock centering—can lead to this type of coordinated motion. These three principles’ computer implementation displayed incredibly lifelike flocking behavior, splitting ahead of obstacles and reuniting after avoiding them in three dimensions. Fish shoals were the subject of similar observations. Further observations and simulations of bird and fish behavior produced, in effect, more accurate and more precisely formulated conclusions [44]. The results of this biological examination were used by Kennedy and Eberhart [45], who proposed a particle swarm optimizer—PSO. This program finds a solution to an n-variable optimization problem by realizing the directed motion of the particles in j-dimensional space. PSO employs an iterative methodology. The location of one individual (particle) is determined based on its earlier experience and the experience of the whole group (swarm). Furthermore, the capacity for memorization and subsequent return to previously identified regions with favorable characteristics allows the particles to adjust to their new surroundings. Finding ever better sites in the search space—that is, areas in the natural environment that serve as feeding or hatching grounds, for example—is the foundation of the PSO optimization process. In this research, an algorithm known as constricted continuous PSO—which uses a constant constriction coefficient and continuous representation of the design variables—has been applied. With this method, every particle oscillates in the search space between its neighbor’s best position and its own prior best position in an attempt to discover new best locations throughout its route. When the swarm is tiny (consists of a few or tens of particles), it can be presumed that every particle stays in the vicinity of the particle that is currently being considered. In this instance, we may presume that the global neighborhood version and the swarm’s most optimal location to date—the swarm leader’s present location—are taken into consideration (Figure 4).
The position of the i-th particle is changed by stochastic velocity vi, which is dependent on the particle distance from its earlier best position and the position of the swarm leader. This approach is given by the following equations:
v i j ( k + 1 ) = w v i j ( k ) + ϕ 1 j ( k ) q i j ( k ) d i j ( k ) + ϕ 2 j ( k ) q ^ i j ( k ) d i j ( k )
d i j ( k + 1 ) = d i j ( k ) + v i j ( k + 1 ) , i = 1 , 2 , , m   ;   j = 1 , 2 , , n
where
  • ϕ 1 j ( k ) = c 1 r 1 j ( k ) ;   ϕ 2 j ( k ) = c 2 r 2 j ( k ) ,
  • m—the number of the particles;
  • n—the number of design variables (problem dimension);
  • w—the inertia weight;
  • c1, c2—the acceleration coefficients;
  • r1, r2—random numbers with a uniform distribution [0, 1];
  • di(k)—the position of the i-th particle in the k-th iteration step;
  • vi(k)—the velocity of the i-th particle in the k-th iteration step;
  • qi(k)—the best found position of the i-th particle found thus far;
  • q ^ i ( k ) —the best position found thus far by the swarm, the position of the swarm leader;
  • k—the iteration step.
Equations (8) and (9) contain certain parameters that affect the speed and efficiency of the optimization process. These parameters are the number of particles (m), the inertia weight (w), and two acceleration coefficients (c1, c2). For the task to be stable, the acceleration coefficients should not be greater than 2.05. The inertia weight (w) controls the influence of the particle’s previous velocity on its current velocity. It controls exploration and exploitation. It acts as a constraint imposed on velocities that prevents the swarm from dispersing, and thus guarantees the convergence of the optimization process. The range of variability of this parameter is between 0.4 and 0.9.
The velocity of the i-th particle is determined by three components of the sum in (8). The first component wvi(k) plays the role of the constraint to avoid excessive oscillation in the search space. The inertia weight w controls the influence of particle velocity from the previous step on the current one. This element also governs the process of exploration and exploitation. Greater inertia weight values make global searching easier, whereas lower values make local searching more difficult. In order to prevent particle dispersion and ensure that the optimization process converges, the inertia weight serves as a constraint on velocity. The second component ϕ 1 ( k ) q i ( k ) d i ( k ) realizes the cognitive aspect. The particle’s distance from its previously determined optimum position is represented by this component. It is related to the natural inclination of the individuals (particles) to the environments where they had the best experiences (the best value of the fitness function). The third component ϕ 2 ( k ) q ^ i ( k ) d i ( k ) represents the particle distance from the position of the swarm leader. It refers to the natural inclination of the individuals to follow the other which achieved a favorable outcome.
Figure 5 displays the PSO flowchart. The procedure starts with a randomly generated particle swarm of the presumptive size. The starting positions and velocities of the particles are created randomly. In the next step, the objective function values are evaluated for each particle. The data necessary for the calculation of the objective function are obtained in consequence of solving the boundary value problem. The swarm leader is selected once the optimal particle placements have been updated based on the fitness information of every particle. Next, (8) is used to modify the particle velocities, and (9) is used to modify the particle placements. Until the stop condition is met, the procedure is repeatedly carried out iteratively. The maximum number of iterations is usually used to describe the stop condition. Essentially, every particle oscillates in the search space between its previous best position (the position with the best fitness function value) and the best position of its best neighbor (the relative swarm leader). The idea is that each particle will find the new best positions (solutions) on its trajectory, which will ultimately lead to the optimal solution in a specific area.
The advantage of this algorithm, like for AIS, is the fact that information about the objective function is enough in the optimization process. Other advantages include being a faster algorithm compared to other bioinspired algorithms, being controlled by a small number of parameters, and working on possible acceptable solutions. The disadvantage of this algorithm is the fact that the entire population tends to a single solution, which unfortunately will not always be a global solution due to incorrectly selected optimization parameters.

Comparison Between AIS and PSO

Having two different optimization algorithms and knowing their advantages and disadvantages, a comparison of them in terms of efficiency and effectiveness for several selected tasks (mechanical systems) is presented. In Ref. [23], AIS and PSO were compared for the optimization of a reinforced rectangular plate. Optimization of the plate, which is dynamically loaded and reinforced by a frame-like structure composed of straight beams, is considered. The optimal positions of stiffeners were researched in order to maximize the stiffness of the plate. Both algorithms were effective and found the same solution. In terms of efficiency, PSO was faster and needed an average of about 440 fitness function evaluations, while AIS required about 680.
In Ref. [21], the optimization of thermomechanical structures was carried out using PSO and AIS. The optimization problem was formulated as the minimization of the volume, the maximal value of the equivalent stress, the maximal value of the temperature, or maximization of the total dissipated heat flux with respect to specific dimensions of a thermomechanical structure. The final solutions obtained after optimization were identical, but in terms of efficiency, this time AIS was faster and needed an average of about 630 fitness function evaluations, while PSO needed about 825.
In Ref. [22], an application of AIS and PSO to the optimization of the stacking sequence of plies in composites is presented. Both algorithms found the same solutions after setting their optimization parameters appropriately. In terms of efficiency, both algorithms needed about 450 fitness function evaluations.
To sum up both algorithms: the effectiveness and efficiency of both algorithms (AIS and PSO) depend on several factors. The size of the starting population will certainly be of great importance. A large population will provide a greater chance of searching the space of potential solutions, which will provide a greater chance of finding the global optimum. On the other hand, the computation time will increase, because more direct tasks have to be solved. Therefore, for the algorithm to be effective and efficient, a compromise must be found between the size of the population and the optimization time. Additionally, it is necessary to take care of the appropriate values of the optimization parameters for each of the algorithms. An assessment of the influence of all algorithm parameters for both AIS and PSO on the efficiency of the optimization process for many mathematical functions was also carried out [46]. For simple examples such as mathematical functions, the efficiency of PSO is better [46]. The advantage of AIS over PSO can be observed with more complex optimization examples, prone to getting stuck in local extrema [46]. According to our observations, these complex examples are tasks for which we have a dozen or more design variables or for strongly nonlinear tasks.
On the basis of the obtained results, there are no clear conclusions that one algorithm is better than the other. The most important thing is that both algorithms are effective even if the efficiency of one of them is worse.
In this paper, the purpose of using PSO was to confirm the results obtained by AIS, which was used first, to validate the results obtained by AIS.

4. Boundary Element Method for the Composite Including Stiff, Thin Fibers

The external boundaries of the plate and the fibers are split into boundary elements in order to obtain the numerical solution by BEM. Nodal values and quadratic shape functions are used to interpolate the displacements, traction, and coordinates of external boundaries and the traction operating on the fibers. Because the fibers are straight and stiff, the displacements and coordinates are not interpolated. The relations between nodal displacements and traction are established by substituting the interpolated displacements, traction, and coordinates into the boundary integral [47]. Nodes along the outside edges of the plate and the fibers are known as collocation points.
Fiber node displacements are computed analytically [47]. The following formulas for every fiber node can be expressed in matrix form:
u   =   I u f
where the matrix I depends on the coordinates of nodes, the matrix u contains the displacements of fiber nodes, and the matrix uf contains the displacements of fiber tips and the angles of fiber rotations.
The following matrix form can be used to express the equilibrium equations for traction acting on the fibers:
E t f   =   0
where the nodal values of the traction operating on the fibers are contained in the matrix tf, and the matrix E is dependent on the coordinates of the fiber nodes. Analytical integration of the formulas given in the paper [47] yields the matrix E.
The conventional BEM matrix equation is produced by numerically computing the boundary integrals using the Gauss quadrature. Equation (10) represents the collocation fiber node displacements. When the equilibrium is included in the system of equations (11), the matrix equation that results is as follows:
H e e 0 H f e I 0 0 u e u f = G e e G e f G f e G f f 0 E t e t f
where the submatrices with the index e denote the external boundaries and the submatrices with the index f denote the fibers. The submatrices H and G are the standard BEM matrices, which depend on the boundary integrals of fundamental solutions, shape functions, and Jacobians [47]. There is rearrangement of the matrix Equation (12). The equation’s left side should contain the unknown variables, while the right side should contain the known boundary conditions. The appropriate column and the unknown fiber traction tf are rearranged as follows:
H e e G e f 0 H f e G e e I 0 E 0 u e t f u f = G e e G f e 0 t e
In the case of the mixed boundary conditions on the external boundaries, the matrices ue and te and the corresponding columns of matrices H and G are additionally rearranged, as in standard BEM [47]. The fiber displacements and traction, as well as the unknown nodal displacements and traction at the external boundaries, are the direct solutions of the matrix equation. With the current method, displacements, strains, and stresses may be calculated at any location in the matrix.

5. Numerical Examples

The optimization of a composite with thin rigid fibers is presented in this paper.
A square plate of length 2w and height 2h is considered (w = h). The considered material is homogenous, isotropic, linear–elastic, and in plane strain conditions, and the Poisson’s ratio is ν = 0.3 (plane stress). The aim of optimization is to minimize or maximize the effective elastic properties. The decision variables determine the orientation or distribution of fibers described by several parameters. Geometrical constraints are imposed on the decision variables. The optimal parameters of AIS and PSO have been set for each optimization problem. All examples are first optimized using AIS and then checked using PSO. Therefore, all generated figures showing the optimal shape of the composite are generated after optimization using AIS. The PSO algorithm confirms that the same final solutions are obtained.

5.1. Optimization of Fiber Orientation in Composite

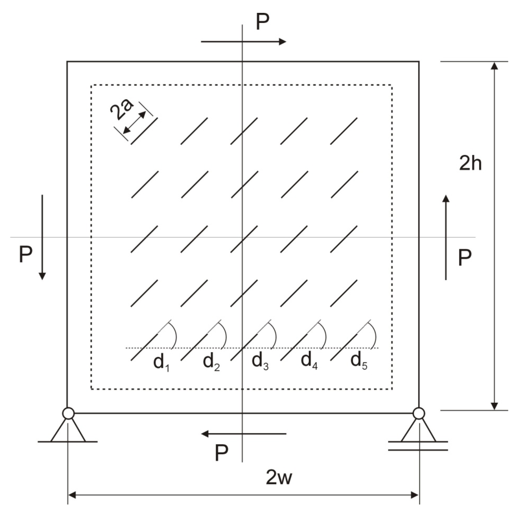
The first example of composite optimization is presented in Figure 6. The square plate is simply supported and uniformly loaded by traction P in the horizontal direction. The square plate contains 25 uniformly distributed inclined fibers, as shown in Figure 6. The decision variables for this example determine the orientation of fibers described by several parameters: d1, d2, d3, d4, and d5. The length of fibers is 2a, where a/w = 1/8. For this example, each decision variable (from d1 to d5) is responsible for changing all the fibers in one column by changing the angle from d1 to d5. The composite is discretized using 330 boundary elements (80 for the external boundary and 10 for each fiber).
The objective function is described by the effective elastic Young’s modulus in the direction of loading:
J 1 ( x ) = E 1 ,
and the effective Poisson’s ratio:
J 2 ( x ) = ν 12 .
Before the optimization process, several variants for the characteristic orientation of parallel fibers are studied (Table 1). Five different angles of fiber orientation are considered: α = d1 = d2 = d3 = d4 = d5 = 0, π/6, π/4, π/3, and π/2. For these variants, the effective properties of the composites are calculated.
The effective Young’s moduli and Poisson’s ratios are calculated using the average strains. The normalized effective properties—the Young’s modulus E1/Eo and the Poisson’s ratio v12/vo—are given in Table 1, where Eo and vo are properties of the matrix in plane strain conditions.
The effective properties of the composites are the same for the fibers in two orientations: for the acute angle α and the obtuse angle π-α.
A description of the optimized parameters with bounds for box constraints is presented in Table 2.
The parameters of AIS and PSO are included in Table 3. The selection of the parameters of the optimization algorithms for AIS and PSO are tested and verified to ensure that a global solution was found for each optimization.
In this example, the composite due to the Young’s modulus is optimized (maximization and minimization). The results of the maximization of the Young’s modulus of the composite are presented in Table 4.
The orientation of the fibers for the best composite is 0 [rad]. Comparing these values with the values from Table 1, it can be concluded that both algorithms have found the same optimal solution. The results of the minimization of the Young’s modulus of the composite are presented in Table 5. The change in the value of the objective function for the best individual is presented in Figure 7.
For each subsequent example, the trend of searching for the optimal solution is very similar; therefore, it is only presented for this example.
The orientation of fibers for the best composite is between 0.9647 [rad] and 1.0159 [rad] (for the obtuse angle, the acute angle is calculated using π-α). Comparing these values with the values from Table 1, it can be concluded that both algorithms in the second example have also found the optimal solution. The results of the maximization after 12 iterations and minimization after 31 iterations in the form of the optimal orientation of the rigid fibers are presented in Figure 8. The number of objective function evaluations for the maximization problem was 780 for AIS and 850 for PSO, while for the minimization problem it was 2015 for AIS and 1550 for PSO.
In the next step, the composite is optimized according to the Poisson’s ratio (maximization and minimization). The results of the maximization of the Poisson’s ratio of the composite are presented in Table 6.
The orientation of fibers for the best composite is between 0.5642 [rad] and 0.5845 [rad] (for the obtuse angle, the acute angle is calculated using π-α). During this optimization example, the bioinspired algorithms found the optimal solution by taking into consideration the values from Table 1. The results of the minimization of the Poisson’s ratio of the composite are presented in Table 7.
The orientation of the fibers for the best composite is about 1.5708 [rad]. For the last example, it can be concluded that both algorithms have found the optimal solution (Table 1). The results of the maximization after 34 iterations and minimization after 145 iterations in the form of the optimal orientation of rigid fibers are presented in Figure 9. The number of objective function evaluations for the maximization problem was 2210 for AIS and 1650 for PSO, while for the minimization problem it was 9425 for AIS and 6580 for PSO.
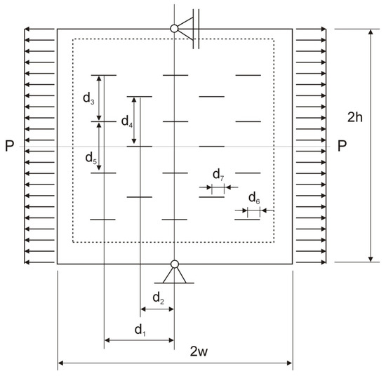
The second example of composite optimization is presented in Figure 10. For this example, the loading scheme is changed. In this example, a square plate is simply supported and loaded by shear traction P. The objective function for this type of boundary condition is described by the effective shear modulus:
J 3 ( x ) = G .
Before the optimization process, several variants for the characteristic orientation of the fibers are analyzed (Table 8). For this example, all fibers with the same angle are changed. Five different angles of fiber orientation are considered: α = 0, π/6, π/4, π/3, π/2. For these variants, the effective shear modulus of the composites is calculated.
The normalized effective shear modulus G/Go is given in Table 8, where Go is the property of the matrix in plane strain conditions. The effective shear modulus of the composites is the same for the fibers in two orientations: for the acute angle α and the obtuse angle π-α.
The parameters of AIS and PSO are included in Table 9.
In this example, the composite is optimized according to the shear modulus (maximization and minimization). The results of the maximization of the shear modulus of the composite are presented in Table 10.
Orientation of fibers for the best composite is between 0.7818 [rad] and 0.8095[rad] (for the obtuse angle, the acute angle is calculated using π-α). Comparing these values with the values from Table 8, it can be concluded that both algorithms have found the optimal solution. The results of the minimization of the shear modulus of the composite are presented in Table 11.
The orientation of the fibers for the best composite is about 0.000 [rad] or 1.5708 [rad]. Comparing these values with the values from Table 8, it can be concluded that both algorithms in the last example have also found the optimal solution. The results of the maximization after 66 iterations and also the minimization after 66 iterations in the form of the optimal distribution of rigid fibers are presented in Figure 11. The number of objective function evaluations for the maximization problem was 4290 for AIS and 3800 for PSO, while for the minimization problem it was 4290 for AIS and 5350 for PSO.
Finally, after several numerical tests, it can be concluded that the bioinspired algorithms found optimal solutions in all examples.

5.2. Optimization of Fiber Distribution in the Composite

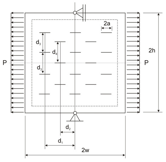
A third example of the optimized composite is presented in Figure 12. The geometrical parameters are the same as in the previous example. The square plate is simply supported and uniformly loaded by traction P in the horizontal direction. The difference is the number of fibers and the possibility of their modification. A square plate contains 18 fibers in five columns (three columns with 4 fibers and two with 3 fibers) as shown in Figure 12. The fibers in the square plate are distributed symmetrically in the horizontal and vertical directions. The length of each fiber is 2a. The decision variables for this example determine the distribution of fibers described by four parameters: d1, d2, d3, and d4. The composite is discretized using 260 boundary elements (80 for the external boundary and 10 for each fiber). The aim of optimization is to minimize or maximize the effective elastic Young’s modulus in the direction of loading.
A description of the optimized parameters with bounds for box constraints is presented in Table 12.
The parameters of AIS and PSO are included in Table 13.
In this example, the composite is optimized according to the Young’s modulus (maximization and minimization). The results of the maximization of the Young’s modulus of the composite are presented in Table 14.
The results of the minimization of the Young’s modulus of the composite are presented in Table 15.
The result of maximizing and minimizing the Young’s modulus using AIS and PSO was the same. The results of the maximization after 71 iterations and also the minimization after 30 iterations in the form of the optimal distribution of rigid fibers are presented in Figure 13. The number of objective function evaluations for the maximization problem was 8550 for AIS and 9260 for PSO, while for the minimization problem it was 20,235 for AIS and 17,450 for PSO. On the basis of the obtained results, it can be concluded that the stiffest composite is obtained when the fibers are placed in several distant lines (Figure 13a). Conversely, the worst solution is when all the fibers are close together (Figure 13b).
In the last example, two additional design variable (d5 and d6) are added (Figure 14). The purpose of this modification is to find a better solution than the previous ones. The aim of optimization is to maximize the Young’s modulus. The decision variables determine the location of fibers described by the parameters d1, d2, d3, d4, and d5. The last decision variable d6 determines the fibers’ length. The fibers in the square plate are distributed symmetrically in the horizontal and vertical direction. Geometrical constraints are imposed on the decision variables. In addition, the condition for the total length of all fibers has to be fulfilled. The total length of all fibers should be constant. The relation between the length of the fibers is
2 d 6 a + d 7 a = 3 .
Thus, during the optimization process, the position and length of the rigid fibers are changed.
A description of the optimized parameters with bounds for box constraints is presented in Table 16.
The parameters of AIS and PSO are included in Table 17.
The results of the optimization of the composite are presented in Table 18.
The result of maximizing the Young’s modulus using AIS and PSO was the same. The number of objective function evaluations for the maximization problem was 13,500 for AIS and 12,850 for PSO. The result of the optimization after 30 iterations in the form of the optimal distribution of rigid fibers is presented in Figure 15.
The introduction of two additional decision variables allowed us to obtain a stiffer composite. For the first example, the normalized effective Young’s modulus is 1.1683, but for the second, stiffer one, it is 1.2812. The conclusion is that a stiffer composite is obtained when the fibers are placed in several distant lines.

6. Conclusions

An effective tool for the bioinspired optimization of composites with rigid fibers has been presented. Two different optimization algorithms were used: the artificial immune system (AIS) and the particle swarm optimizer (PSO). The aim of using two independent algorithms was to check whether the obtained solutions were optimal. The boundary element method was used to analyze these types of composites. Several numerical examples for the variants of location, orientation, and the length of fibers, and two types of boundary conditions have been presented.
In the first example, the square plate was simply supported and uniformly loaded by traction in the horizontal direction. The decision variables for this example determined the orientation of the fibers described by five parameters. In this example, the elastic Young’s modulus and effective Poisson’s ratio were optimized (maximization and minimization). For the second example, the loading scheme was changed. In this example, the square plate was simply supported and loaded by shear traction. In this example, the effective shear modulus was optimized (maximization and minimization).
In the third example, the geometrical parameters were the same as in the previous examples. The square plate was simply supported and uniformly loaded by traction in the horizontal direction. The difference was the number of fibers and the possibility of their modification. A square plate contained 18 fibers in five columns. The decision variables for this example determined the distribution of the fibers. The aim of optimization was to minimize or maximize the effective elastic Young’s modulus in the direction of loading. In the last example, two additional design variable were added. The purpose of this modification was to find a better solution than the previous ones. The aim of optimization was to maximize the Young’s modulus. The decision variables determined the location of the fibers. The last decision variable determined the fibers’ length.
Based on the obtained results, it can be concluded that the implementation of this approach utilizing AIS and PSO provides a high probability of finding the global optimal solutions. Two independent bioinspired algorithms were used to confirm the correctness of the obtained results. Additionally, each optimization was performed ten times to ensure that the same results were obtained. For well-set AIS and PSO parameters, the same results were obtained each time. Based on the examples included in the article, it can be stated that both algorithms were effective, and the efficiency of both algorithms was at a similar level. The proposed method involving the use of AIS/PSO and BEM allows us to design new composites. Unfortunately, one of the limitations of this work when modeling composites was the lack of possibility of fiber intersection. Further improvements in the modeling of composites are possible with the utilization of intersecting fibers. In this way, it will be possible to model more realistic versions of composites. There are also possibilities of achieving efficiency improvements with the proposed method, e.g., by the application of hybrid bioinspired methods [20]. In this article, numerical calculations were performed for which there is currently no comparison with experimental counterparts. The comparison of numerical results with experiments is planned in the future to compare numerical simulations with real-life results. However, the validation of the obtained results was performed for two calculation methods, i.e., for BEM and FEM. The results obtained with both methods for this type of composite were the same, but, among others, due to a much smaller number of elements (only the boundary discretization for BEM), the BEM method turned out to be faster and was selected for optimization [39]. Additionally, the optimization process was validated using two different algorithms: first AIS and next PSO.

Author Contributions

Writing—original draft preparation, P.F., A.P. and M.S.; writing—review and editing, A.P. and M.S. All authors have read and agreed to the published version of the manuscript.

Funding

The scientific research was funded by the National Science Centre, Poland, Grant No. 2015/19/B/ST8/02629.

Institutional Review Board Statement

Not applicable.

Informed Consent Statement

Not applicable.

Data Availability Statement

The raw data supporting the conclusions of this article will be made available by the authors on request.

Acknowledgments

The authors acknowledge the management of the Department of Computational Mechanics and Engineering for the opportunity to perform the calculations.

Conflicts of Interest

The authors declare that they have no conflicts of interest.

References

  1. Lau, H.Y.K.; Wong, V.W.K. An immunity Approach to strategic behavioural control of intelligent transportation systems. Int. J. Eng. Appl. Artif. Intell. 2007, 20, 289–306. [Google Scholar] [CrossRef]
  2. de Castro, L.N.; Timmis, J. Artificial immune systems: A novel paradigm to pattern recognition. In Artificial Neural Networks in Pattern Recognition, SOCO-2002; University of Paisley: Paisley, UK, 2002; pp. 67–84. [Google Scholar]
  3. Kennedy, J.; Eberhart, R.C. Particle Swarm Optimisation. In Proceedings of the IEEE International Conference on Neural Networks, Piscataway, NJ, USA; 1985; pp. 1942–1948. Available online: https://www.cs.tufts.edu/comp/150GA/homeworks/hw3/_reading6%201995%20particle%20swarming.pdf (accessed on 5 December 2024).
  4. Castro, P.A.D.; Franca, F.O.; Ferreira, H.M.; Coelho, G.P.; Von Zuben, F.J. Query expansion using an immune-inspired biclustering algorithm. Nat. Comput. 2010, 9, 579–602. [Google Scholar] [CrossRef]
  5. de Castro, L.N.; Von Zuben, F.J. Immune and Neural Network Models: Theoretical and Empirical Comparisons. Int. J. Comput. Intell. Appl. 2001, 1, 239–257. [Google Scholar] [CrossRef]
  6. Lau, Y.K.H.; Tsang, W.W.P. A Parallel Immune Optimization Algorithm for Numeric Function Optimization. Int. J. Evol. Intell. 2008, 1, 171–185. [Google Scholar] [CrossRef]
  7. de Castro, L.N.; Von Zuben, F.J. Multi-objective feature selection using a Bayesian artificial immune system. Int. J. Intell. Comput. Cybern. 2010, 3, 235–256. [Google Scholar] [CrossRef]
  8. Coelho, G.P.; Silva, A.E.A.; Von Zuben, F.J. An immune-inspired multi-objective Approach to the reconstruction of phylogenetic trees. Neural Comput. Appl. 2010, 19, 1103–1132. [Google Scholar] [CrossRef]
  9. Bereta, M.; Burczyński, T. Comparing binary and real-valued coding in hybrid immune algorithm for feature selection and classification of ECG signals. Eng. Appl. Artif. Intell. 2007, 20, 571–585. [Google Scholar] [CrossRef]
  10. Attux, R.R.F.; Loiola, M.B.; Suyama, R.; de Castro, L.N.; Von Zuben, F.J.; Romano, J.M.T. Blind Search for Optimal Wiener Equalizers Using an Artificial Immune Network Model. EURASIP J. Appl. Signal Process. 2003, 8, 740–747. [Google Scholar]
  11. de Castro, L.N.; Von Zuben, F.J. The Construction of a Boolean Competitive Neural Network Using Ideas from Immunology. Neurocomputing 2003, 50, 51–85. [Google Scholar] [CrossRef]
  12. Castro, P.A.D.; Von Zuben, F.J. BAIS: A Bayesian Artificial Immune System for the Effective Handling of Building Blocks. Inf. Sci. 2009, 179, 1426–1444. [Google Scholar] [CrossRef]
  13. Castro, P.A.D.; Von Zuben, F.J. Multi-objective Bayesian Artificial Immune System: Empirical Evaluation and Comparative Analyses. J. Math. Model. Algorithms 2009, 8, 151–173. [Google Scholar] [CrossRef]
  14. Huang, T.; Song, X.; Liu, M. A Kriging-based non-probability interval optimization of loading path in T-shape tube hydroforming. Int. J. Adv. Manuf. Technol. 2016, 85, 1615–1631. [Google Scholar] [CrossRef]
  15. Jiao, L.; Li, Y.; Gong, M.; Zhang, X. Quantum-Inspired Immune Clonal Algorithm for Global Optimization. IEEE Trans. Syst. Man Cybern. Part B 2008, 38, 1234–1253. [Google Scholar] [CrossRef]
  16. Gong, M.; Liu, C.; Jiao, L.; Cheng, G. Hybrid Immune Algorithm with Lamarckian Local Search for Multi-objective Optimization. Memetic Comput. 2010, 2, 47–67. [Google Scholar] [CrossRef]
  17. Schutte, J.F.; Groenwold, A.A. Sizing design of truss structures using particle swarms. Struct. Multidisc Opt. 2003, 25, 261–269. [Google Scholar] [CrossRef]
  18. He, Q.; Wang, L. An effective co-evolutionary particle swarm optimisation for constrained engineering design problems. Eng. Appl. Artif. Intell. 2006, 20, 89–99. [Google Scholar] [CrossRef]
  19. He, S.; Prempain, E.; Wu, Q.H. An Improved Particle Swarm Optimizer for Mechanical Design Optimisation Problems. Eng. Optim. 2004, 36, 585–605. [Google Scholar] [CrossRef]
  20. Poteralski, A. Hybrid artificial immune strategy in identification and optimization of mechanical systems. J. Comput Sci. 2007, 23, 216–225. [Google Scholar] [CrossRef]
  21. Szczepanik, M.; Poteralski, A.; Długosz, A.; Kuś, W.; Burczyński, T. Bio-inspired optimization of thermomechanical structures. In Artificial Intelligence and Soft Computing, Proceedings of the ICAISC 2013, Zakopane, Poland, 9–13 June 2013; Part II; Springer: Berlin/Heidelberg, Germany, 2013; Volume 7895, pp. 79–90. [Google Scholar]
  22. Poteralski, A.; Szczepanik, M.; Beluch, W.; Burczyński, T. Optimization of composite structures using bio-inspired methods. In Artificial Intelligence and Soft Computing, Proceedings of the ICAISC 2014, Zakopane, Poland, 1–5 June 2014; Springer: Berlin/Heidelberg, Germany, 2014; Volume 8468, pp. 385–395. [Google Scholar]
  23. Poteralski, A.; Szczepanik, M.; Górski, R.; Burczyński, T. Swarm and immune computing of dynamically loaded reinforced structures. In Lecture Notes on Artificial Intelligence, Proceedings of the International Conference on Artificial Intelligence and Soft Computing (ICAISC), Zakopane, Poland, 14–28 June 2015; Springer: Berlin/Heidelberg, Germany, 2015; Volume 9120, pp. 483–494. [Google Scholar]
  24. Poteralski, A.; Szczepanik, M.; Ptaszny, J.; Kuś, W.; Burczyński, T. Hybrid artificial immune system in identification of room acoustic properties. In Inverse Problems in Science and Engineering; Taylor & Francis: New York, NY, USA, 2013. [Google Scholar]
  25. Poteralski, A.; Szczepanik, M.; Dziatkiewicz, G.; Kuś, W. Comparison between PSO and AIS on the basis of identification of material constants in piezoelectrics. In Artificial Intelligence and Soft Computing, Proceedings of the ICAISC 2013, Zakopane, Poland, 9–13 June 2013; Part II; Springer: Berlin/Heidelberg, Germany, 2013; Volume 7895, pp. 569–581. [Google Scholar]
  26. Ptaszny, J.; Poteralski, A. Optimization of Porous Structure Effective Elastic Properties by the Fast Multipole Boundary Element Method and an Artificial Immune System. In Proceedings of the EngOpt 2018, 6th International Conference on Engineering Optimization, Lisboa, Portugal, 17–19 September 2018; Springer: Berlin, Germany, 2018. [Google Scholar]
  27. Poteralski, A.; Dziatkiewicz, G. Artificial immune system for effective properties optimization of magnetoelectric composites. AIP Conf. Proc. 2018, 1922, 140007. [Google Scholar]
  28. Recchia, S.; Zheng, J.; Pelegri, A.A. Fiberwalk: A random walk approach to fiber representative volume element creation. Acta Mech 2014, 225, 1301–1312. [Google Scholar] [CrossRef]
  29. Agrwal, M.; Pasupathy, P.; Wu, X.; Recchia, S.S.; Pelegri, A.A. Multiscale Computational and Artificial Intelligence Models of Linear and Nonlinear Composites: A Review. Small Sci. 2024, 4, 2300185. [Google Scholar] [CrossRef]
  30. Li, Y.; Qing, L.B.; Guan, J.F. Determination of equivalent fracture toughness and tensile strength of steel fibre reinforced cementitious composite based on boundary effect model. Eng. Fract. Mech. 2023, 290, 109506. [Google Scholar] [CrossRef]
  31. Kiyono, C.Y.; Silva, E.C.N.; Reddy, J.N. A novel fiber optimization method based on normal distribution function with continuously varying fiber path. Compos. Struct. 2017, 160, 503–515. [Google Scholar] [CrossRef]
  32. Zhao, S.; Wu, N.; Wang, Q. Load path-guided fiber trajectory in composite panels: A comparative study and a novel combined method. Compos. Struct. 2021, 263, 113689. [Google Scholar] [CrossRef]
  33. Xu, Y.; Gao, Y.; Wu, C.; Fang, J.; Sun, G.; Steven, G.P.; Li, Q. Machine learning based topology optimization of fiber orientation for variable stiffness composite structures. Int. J. Numer. Methods Eng. 2021, 122, 6736–6755. [Google Scholar] [CrossRef]
  34. Fedeliński, P.; Górski, R. Analysis and optimization of dynamically loaded reinforced plates by the coupled boundary and finite element method. Comput. Model. Eng. Sci. 2006, 15, 31–40. [Google Scholar]
  35. Fedeliński, P.; Górski, R. Optimal arrangement of reinforcement in composites. Arch. Civ. Mech. Eng. 2015, 15, 525–531. [Google Scholar] [CrossRef]
  36. Fedeliński, P.; Górski, R.; Czyż, T.; Dziatkiewicz, G.; Ptaszny, J. Analysis of effective properties of materials by using the boundary element method. Arch. Mech. 2014, 66, 19–35. [Google Scholar]
  37. Liu, Y.; Nishimura, N.; Otani, Y. Large-scale modeling of carbon-nanotube composites by a fast multipole boundary element method. Comput. Mater. Sci. 2005, 34, 173–187. [Google Scholar] [CrossRef]
  38. Fedeliński, P. Computer modeling and analysis of microstructures with fibres and cracks. J. Achiev. Mater. Manufact. Eng. 2012, 54, 242–249. [Google Scholar]
  39. Holek, M.; Fedeliński, P. Finite and boundary element analysis of crack closure. Comput. Methods Mater. Sci. 2020, 20, 7–13. [Google Scholar] [CrossRef]
  40. Bereta, M.; Burczyński, T. Immune K-means and negative selection algorithms for data analysis. Inf. Sci. 2009, 179, 1407–1425. [Google Scholar] [CrossRef]
  41. de Castro, L.N.; Von Zuben, F.J. Learning and optimization using the clonal selection principle, IEEE Transactions on Evolutionary Computation. Spec. Issue Artif. Immune Syst. 2002, 6, 239–251. [Google Scholar]
  42. Wierzchoń, S.T. Sztuczne Systemy Immunologiczne. Teoria i Zastosowania (Artificial Immune Systems. Theory and Applications); Akademicka Oficyna Wydawnicza EXIT: Warszawa, Poland, 2001. [Google Scholar]
  43. Reynolds, C.W. Flocks, herds, and schools, A distributed behavioral model. Comput. Graph. 1987, 21, 25–34. [Google Scholar] [CrossRef]
  44. Heppner, F.; Grenander, U. A stochastic nonlinear model for coordinated bird flocks. In The Ubiquity of Chaos; Krasner, S., Ed.; AAAS Publications: Washington, DC, USA, 1990. [Google Scholar]
  45. Kennedy, J.; Eberhart, R.C. Swarm Intelligence; Morgamn Kauffman: New York, NY, USA, 2001. [Google Scholar]
  46. Burczyński, T.; Kuś, W.; Beluch, W.; Długosz, A.; Poteralski, A.; Szczepanik, M. Intelligent computing in optimal design. In Solid Mechanics and Its Applications; Springer: Berlin, Germany, 2020; ISSN 0925-0042. [Google Scholar]
  47. Fedeliński, P. Effective elastic properties of composites with randomly distributed thin rigid fibres. Arch Appl Mech 2021, 91, 135–149. [Google Scholar] [CrossRef]
Figure 1. The artificial immune system.
Figure 1. The artificial immune system.
Applsci 14 12044 g001
Figure 2. The idea of the selection mechanism.
Figure 2. The idea of the selection mechanism.
Applsci 14 12044 g002
Figure 3. The idea of the crowding mechanism.
Figure 3. The idea of the crowding mechanism.
Applsci 14 12044 g003
Figure 4. The idea of the particle swarm.
Figure 4. The idea of the particle swarm.
Applsci 14 12044 g004
Figure 5. The flowchart of the particle swarm optimizer.
Figure 5. The flowchart of the particle swarm optimizer.
Applsci 14 12044 g005
Figure 6. Dimensions and boundary conditions and type of fibers for the composite.
Figure 6. Dimensions and boundary conditions and type of fibers for the composite.
Applsci 14 12044 g006
Figure 7. Change in the value of the objective function for the best individual.
Figure 7. Change in the value of the objective function for the best individual.
Applsci 14 12044 g007
Figure 8. The optimal orientation of rigid fibers for (a) maximization of the Young’s modulus and (b) minimization of the Young’s modulus.
Figure 8. The optimal orientation of rigid fibers for (a) maximization of the Young’s modulus and (b) minimization of the Young’s modulus.
Applsci 14 12044 g008
Figure 9. The optimal orientation of rigid fibers for (a) maximization of the Poisson’s ratio and (b) minimization of the Poisson’s ratio.
Figure 9. The optimal orientation of rigid fibers for (a) maximization of the Poisson’s ratio and (b) minimization of the Poisson’s ratio.
Applsci 14 12044 g009
Figure 10. Dimensions and boundary conditions and type of fibers used for the composite.
Figure 10. Dimensions and boundary conditions and type of fibers used for the composite.
Applsci 14 12044 g010
Figure 11. The optimal orientation of rigid fibers for (a) maximization of the shear modulus and (b) minimization of the shear modulus.
Figure 11. The optimal orientation of rigid fibers for (a) maximization of the shear modulus and (b) minimization of the shear modulus.
Applsci 14 12044 g011
Figure 12. Dimensions and boundary conditions for the composite.
Figure 12. Dimensions and boundary conditions for the composite.
Applsci 14 12044 g012
Figure 13. The optimal distribution of rigid fibers for (a) maximization of the Young’s modulus and (b) minimization of the Young’s modulus.
Figure 13. The optimal distribution of rigid fibers for (a) maximization of the Young’s modulus and (b) minimization of the Young’s modulus.
Applsci 14 12044 g013
Figure 14. Dimensions and boundary conditions and type of fibers for the composite.
Figure 14. Dimensions and boundary conditions and type of fibers for the composite.
Applsci 14 12044 g014
Figure 15. The best result after the optimization process: the optimal distribution of the rigid fibers.
Figure 15. The best result after the optimization process: the optimal distribution of the rigid fibers.
Applsci 14 12044 g015
Table 1. Effective properties of composites.
Table 1. Effective properties of composites.
α[rad]0.0000.5240.7851.0471.571
E1/Eo1.6671.1321.0241.0011.079
v12/vo1.0001.0981.0790.9710.640
Table 2. Description of the decision parameters.
Table 2. Description of the decision parameters.
ParameterMeaningLower BoundUpper Bound
g1 [rad]d103.1416
g2 [rad]d203.1416
g3 [rad]d303.1416
g4 [rad]d403.1416
g5 [rad]d503.1416
Table 3. Parameters of AIS and PSO.
Table 3. Parameters of AIS and PSO.
AIS
Number of Decision VariablesNumber of Memory CellsNumber of ClonesCrowding FactorGaussian Mutation
510100.50.5
PSO
Number of Decision VariablesNumber of ParticlesInertia WeightAcceleration Coefficient c1Acceleration Coefficient c2
5200.731.471.47
Table 4. Results of maximization of Young’s modulus.
Table 4. Results of maximization of Young’s modulus.
Decision VariableIteration 6Iteration 8Iteration 12
g1 [rad]0.06630.06633.1416
g2 [rad]0.00000.00003.1416
g3 [rad]3.14163.14163.1416
g4 [rad]3.12933.12930.0000
g5 [rad]0.45930.00003.1416
Normalized effective Young modulus E/E01.52731.65701.6669
Table 5. Results of minimization of the Young’s modulus.
Table 5. Results of minimization of the Young’s modulus.
Decision VariableIteration 4Iteration 10Iteration 31
g1 [rad]2.03770.98572.1769
g2 [rad]1.90642.10522.1607
g3 [rad]0.84940.98850.9899
g4 [rad]0.95011.03181.0159
g5 [rad]0.87410.99431.0088
Normalized effective Young modulus E/E01.00961.00051
Table 6. Results of maximization of Poisson’s ratio.
Table 6. Results of maximization of Poisson’s ratio.
Decision VariableIteration 3Iteration 16Iteration 34
g1 [rad]2.68500.53310.5845
g2 [rad]0.56682.57442.5701
g3 [rad]0.35882.54632.5572
g4 [rad]2.51420.58800.5642
g5 [rad]2.55552.60082.5769
Normalized effective Poisson’s ratio ν/ν01.10131.11061.1129
Table 7. Results of minimization of Poisson’s ratio.
Table 7. Results of minimization of Poisson’s ratio.
Decision VariableIteration 4Iteration 21Iteration 145
g1 [rad]1.58151.54241.5672
g2 [rad]1.55421.56351.5684
g3 [rad]1.61121.56341.5677
g4 [rad]1.58751.56201.5734
g5 [rad]3.11821.58711.5691
Normalized effective Poisson’s ratio ν/ν00.7069530.6509570.64629
Table 8. Effective shear modulus of composites.
Table 8. Effective shear modulus of composites.
α [rad]0.0000.5240.7851.0471.571
G/Go1.0001.1791.2551.1791.000
Table 9. Parameters of AIS and PSO.
Table 9. Parameters of AIS and PSO.
AIS
Numbers of Decision VariablesThe Number of
Memory Cells
The Number of
the Clones
Crowding FactorGaussian
Mutation
510100.50.5
PSO
Numbers of Decision VariablesThe Numbers of ParticlesInertia WeightAcceleration Coefficient c1Acceleration Coefficient c2
5200.731.471.47
Table 10. Results of maximization of shear modulus.
Table 10. Results of maximization of shear modulus.
Decision VariableIteration 4Iteration 8Iteration 66
g1 [rad]0.69850.81900.7960
g2 [rad]2.35862.35862.3321
g3 [rad]0.80570.80570.8036
g4 [rad]0.76780.76780.8051
g5 [rad]0.88200.75670.7818
Normalized effective shear modulus G/G01.25201.25591.2572
Table 11. Results of minimization of shear modulus.
Table 11. Results of minimization of shear modulus.
Decision VariableIteration 3Iteration 5Iteration 66
g1 [rad]3.14163.14163.1416
g2 [rad]1.51811.51811.5670
g3 [rad]1.58631.58631.5656
g4 [rad]1.44701.58141.5583
g5 [rad]3.12003.12003.1416
Normalized effective shear modulus G/G01.00491.00101.0000
Table 12. Description of the decision parameters.
Table 12. Description of the decision parameters.
ParameterMeaningLower BoundUpper Bound
g1d1/w0.31250.7500
g2d2/w0.18750.7500
g3d3/w0.06250.5834
g4d4/w0.06250.8750
Table 13. Parameters of AIS and PSO.
Table 13. Parameters of AIS and PSO.
AIS
Numbers of Decision VariablesThe Number of
Memory Cells
The Number of
the Clones
Crowding FactorGaussian
Mutation
440100.50.5
PSO
Numbers of Decision VariablesThe Numbers of ParticlesInertia WeightAcceleration Coefficient c1Acceleration Coefficient c2
4300.731.471.47
Table 14. Results of maximization of Young’s modulus.
Table 14. Results of maximization of Young’s modulus.
Decision VariableIteration 3Iteration 13Iteration 71
g10.57840.47200.4467
g20.26090.23340.2175
g30.55710.55710.4901
g40.81060.81060.7601
Normalized effective Young modulus E/E01.15381.16471.1683
Table 15. Results of minimization of Young’s modulus.
Table 15. Results of minimization of Young’s modulus.
Decision VariableIteration 2Iteration 6Iteration 30
g10.42240.43830.5175
g20.48730.50480.5108
g30.37010.25890.1755
g40.06250.83300.0625
Normalized effective Young modulus E/E01.11691.10921.0955
Table 16. Description of the decision parameters.
Table 16. Description of the decision parameters.
ParameterMeaningLower BoundUpper Bound
g1d1/w0.31250.7500
g2d2/w0.18750.7500
g3d3/w0.06250.7500
g4d4/w0.06250.8750
g5d5/w0.12501.5000
g6d6/w0.06250.1563
Table 17. Parameters of AIS and PSO.
Table 17. Parameters of AIS and PSO.
AIS
Numbers of Decision VariablesThe Number of
Memory Cells
The Number of
the Clones
Crowding FactorGaussian
Mutation
440200.50.5
PSO
Numbers of Decision VariablesThe Numbers of ParticlesInertia WeightAcceleration Coefficient c1Acceleration Coefficient c2
4350.731.471.47
Table 18. Results of the optimization process.
Table 18. Results of the optimization process.
Decision VariableIteration 3Iteration 10Iteration 30
g10.38990.42390.5634
g20.28360.26400.2626
g30.16940.16780.2136
g40.56500.61810.6945
g50.84760.84760.9108
g60.06330.06250.0625
Normalized effective Young modulus E/E01.22611.24931.2812
Disclaimer/Publisher’s Note: The statements, opinions and data contained in all publications are solely those of the individual author(s) and contributor(s) and not of MDPI and/or the editor(s). MDPI and/or the editor(s) disclaim responsibility for any injury to people or property resulting from any ideas, methods, instructions or products referred to in the content.

Share and Cite

MDPI and ACS Style

Poteralski, A.; Szczepanik, M.; Fedeliński, P. Optimization of Composite Structures with Thin Rigid Fibers Using Bioinspired Algorithms. Appl. Sci. 2024, 14, 12044. https://doi.org/10.3390/app142412044

AMA Style

Poteralski A, Szczepanik M, Fedeliński P. Optimization of Composite Structures with Thin Rigid Fibers Using Bioinspired Algorithms. Applied Sciences. 2024; 14(24):12044. https://doi.org/10.3390/app142412044

Chicago/Turabian Style

Poteralski, Arkadiusz, Mirosław Szczepanik, and Piotr Fedeliński. 2024. "Optimization of Composite Structures with Thin Rigid Fibers Using Bioinspired Algorithms" Applied Sciences 14, no. 24: 12044. https://doi.org/10.3390/app142412044

APA Style

Poteralski, A., Szczepanik, M., & Fedeliński, P. (2024). Optimization of Composite Structures with Thin Rigid Fibers Using Bioinspired Algorithms. Applied Sciences, 14(24), 12044. https://doi.org/10.3390/app142412044

Note that from the first issue of 2016, this journal uses article numbers instead of page numbers. See further details here.

Article Metrics

Back to TopTop