Enhancing Efficiency in Hybrid Solar–Wind–Battery Systems Using an Adaptive MPPT Controller Based on Shadow Motion Prediction
Abstract
1. Introduction
2. Literature Review
2.1. Wind Turbine Generators
- Synchronous generator with field winding—a synchronous generator typically consists of a three-phase winding stator that feeds the external load and a rotor that generates a magnetic field. The rotor may be magnetically permanent or have an area winding system [16].
- Permanent magnetic synchronous generator—with this type of generator, the incremental converter controls the electromagnetic torque. The converter regulates the direct current (DC) connection voltage and controls the input power factor on the power supply side. One of its drawbacks involves using a diode rectifier, which increases the current and distortion range [17].
- DFIG wired rotor generator—a DFIG controller can be a good solution for variable speed systems with a synchronous speed change range. Furthermore, the power of the electronic power converter in these systems constitutes 20–30% of the total power of the generator, which contributes to lower losses compared to other types that operate at full power. Converter prices and costs are also reduced. The term “doubly-fed” refers to the stator supplying power to the power grid and the load, while the power converter generates the rotor voltage [18]. These systems have wide but limited operating speed ranges. The converter compensates for the difference in electrical and mechanical frequencies by injecting the variable frequency current into the rotor [19]. The power converters and controllers regulate the generator’s behavior during both regular operation and faults. The advantages of a DFIG controller include the following: (a) the ability to control the reactive power, (b) the ability to independently control active and reactive capabilities, (c) the ability to be magnetized by the rotor, and (d) reactive power generation capability.
- DFIG all-control winding rotor generator—the controller used in these generators offers greater controllability flexibility than a traditional DFIG controller. These wind power systems are designed for wind farms located at sea and connected to neighboring land via sea cables. Other methods of integrating an induction generator into a grid include cycloconverters [20] and matrix converters [21]. The disadvantages of these systems include a low line power factor, high harmonic deviations in line and machine flow for cycloconverters, and the removal of DC capacitors in matrix converters. This type of converter is complex, and its technology needs to be more mature.
- Cage rotor induction generator—the stator windings in these generators are linked to the network via an electronic power converter. The stator converter control system regulates the electromagnetic torque and supplies the machine with reactive power [22]. The network side converter regulates the DC connection voltage and controls the active and reactive power transfer from the system to the network.
- A dual-stator winding induction generator [23]—the two stator windings are electrically isolated in these machines.
- Two-speed cage rotor induction generator—this type of generator increases the turbine’s efficiency at low wind speeds, which is unsuitable for large wind farms because it cannot power the network [24].
- A DFIG field-oriented controller—this was used in Ref. [25] due to its ability to manage and optimize wind turbine speed and torque control. This controller divides the stator current into segments to produce the torque and flux.
- A DFIG vector control (VC) for grid and rotor side converters—this approach was suggested in [26], exploiting fuzzy controls such as Mamdani, Sugeno, and ANFIS.
2.2. Solar Cells
- We improve existing solar farm systems by considering the shadow conditions and MPPT;
- We use motion detection to predict the shadow pattern in a solar farm;
- We propose an effective hybrid system, including PV and wind sources, using a combination of well-known DFIG, ANFIS, and Z-source converter components.
3. Theoretical Framework
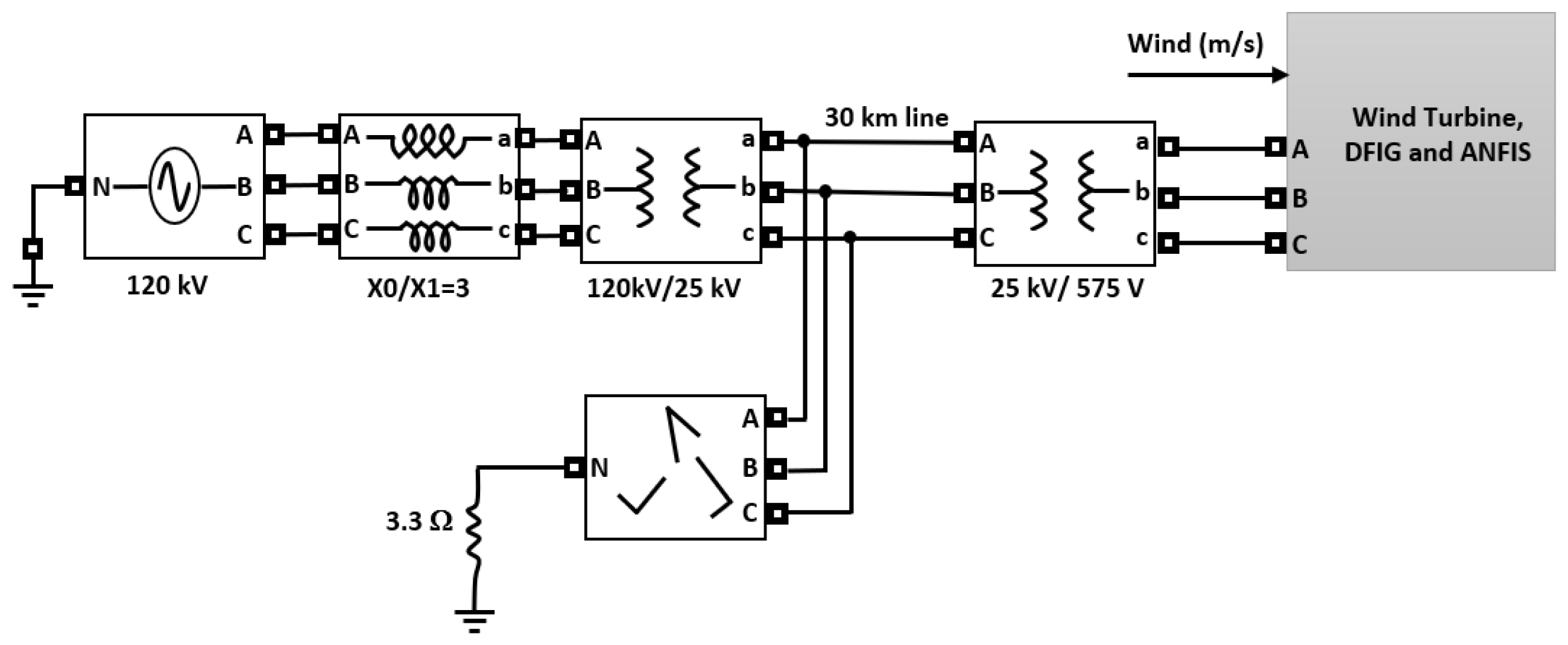
3.1. Wind Turbines and DFIG Systems
3.2. PV System
3.3. ANFIS Controller
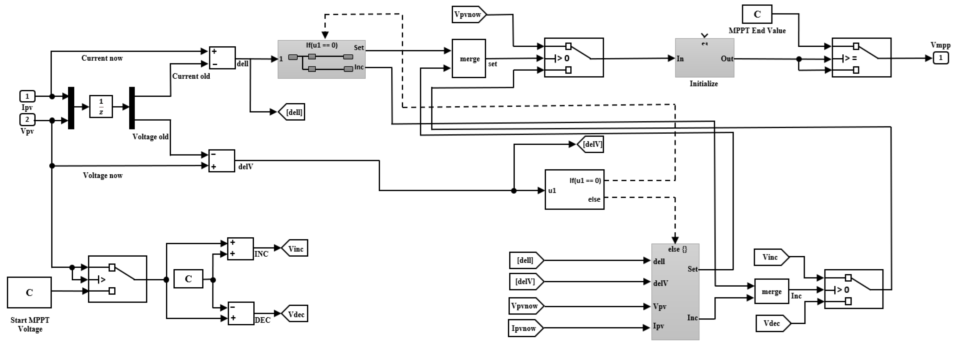
3.4. MPPT Controller and Motion Detection
3.5. Storage Battery
4. Simulation Results
4.1. Evaluation of the Wind Turbine, DFIG and ANFIS
4.2. Evaluation of the PV System with and Without the Proposed Scheme
4.3. Advantages of the Proposed Approach
- Increased power output during exits from the shadow area: As the irradiation increases, the effective output of the solar farm also rises due to the MPPT improvement.
- Reduced pressure on control circuits during the entrance into the shadow area: When the irradiation decreases or shading occurs, the proposed method reduces the loss and pressure on the control circuits.
- Minimized distortion caused by irregular panel output due to shading: The proposed approach minimizes the DC distortion resulting from irregular panel output caused by shading, ensuring a more regulated power output.
5. Conclusions
Author Contributions
Funding
Institutional Review Board Statement
Informed Consent Statement
Data Availability Statement
Conflicts of Interest
References
- Ai, C.; Zhang, L.; Gao, W.; Yang, G.; Wu, D.; Chen, L.; Chen, W.; Plummer, A. A review of energy storage technologies in hydraulic wind turbines. Energy Convers. Manag. 2022, 264, 115584. [Google Scholar] [CrossRef]
- Barthelmie, R.J.; Pryor, S.C. Climate change mitigation potential of wind energy. Climate 2021, 9, 136. [Google Scholar] [CrossRef]
- Roga, S.; Bardhan, S.; Kumar, Y.; Dubey, S.K. Recent technology and challenges of wind energy generation: A review. Sustain. Energy Technol. Assess. 2022, 52, 102239. [Google Scholar] [CrossRef]
- Attallah, O.; Ibrahim, R.A.; Zakzouk, N.E. Fault diagnosis for induction generator-based wind turbine using ensemble deep learning techniques. Energy Rep. 2022, 8, 12787–12798. [Google Scholar] [CrossRef]
- Bebars, A.D.; Eladl, A.A.; Abdulsalam, G.M.; Badran, E.A. Internal electrical fault detection techniques in DFIG-based wind turbines: A review. Prot. Control Mod. Power Syst. 2022, 7, 18. [Google Scholar] [CrossRef]
- Heng, T.Y.; Ding, T.J.; Chang, C.C.W.; Ping, T.J.; Yian, H.C.; Dahari, M. Permanent Magnet Synchronous Generator design optimization for wind energy conversion system: A review. Energy Rep. 2022, 8, 277–282. [Google Scholar] [CrossRef]
- Touati, Z.; Pereira, M.; Araújo, R.E.; Khedher, A. Integration of switched reluctance generator in a wind energy conversion system: An overview of the state of the art and challenges. Energies 2022, 15, 4743. [Google Scholar] [CrossRef]
- Naveenkumar, R.; Ravichandran, M.; Mohanavel, V.; Karthick, A.; Aswin, L.S.R.L.; Priyanka, S.S.H.; Kumar, S.K.; Kumar, S.P. Review on phase change materials for solar energy storage applications. Environ. Sci. Pollut. Res. 2022, 29, 9491–9532. [Google Scholar] [CrossRef]
- Nasser, M.; Megahed, T.F.; Ookawara, S.; Hassan, H. A review of water electrolysis–based systems for hydrogen production using hybrid/solar/wind energy systems. Environ. Sci. Pollut. Res. 2022, 29, 86994–87018. [Google Scholar] [CrossRef] [PubMed]
- Wang, B.; Yu, X.; Chang, J.; Huang, R.; Li, Z.; Wang, H. Techno-economic analysis and optimization of a novel hybrid solar-wind-bioethanol hydrogen production system via membrane reactor. Energy Convers. Manag. 2022, 252, 115088. [Google Scholar] [CrossRef]
- Rahman, A.; Farrok, O.; Haque, M.M. Environmental impact of renewable energy source based electrical power plants: Solar, wind, hydroelectric, biomass, geothermal, tidal, ocean, and osmotic. Renew. Sustain. Energy Rev. 2022, 161, 112279. [Google Scholar] [CrossRef]
- Zhang, J.; Lu, J.; Pan, J.; Tan, Y.; Cheng, X.; Li, Y. Implications of the development and evolution of global wind power industry for China—An empirical analysis is based on public policy. Energy Rep. 2022, 8, 205–219. [Google Scholar] [CrossRef]
- Owolabi, O.I.; Madushele, N.; Adedeji, P.A.; Olatunji, O.O. FEM and ANN approaches to wind turbine gearbox monitoring and diagnosis: A mini review. J. Reliab. Intell. Environ. 2023, 9, 399–419. [Google Scholar] [CrossRef]
- Goman, O.; Dreus, A.; Rozhkevych, A.; Heti, K.; Karplyuk, V. Improving the efficiency of Darier rotor by controlling the aerodynamic design of blades. Energy Rep. 2022, 8, 788–794. [Google Scholar] [CrossRef]
- Ganthia, B.P.; Mohanty, M.; Maherchandani, J.K. Power analysis using various types of wind turbines. In Modeling and Control of Static Converters for Hybrid Storage Systems; IGI Global: Hershey, PA, USA, 2022; pp. 271–286. [Google Scholar]
- Wang, J.; Qu, R.; Tang, Y.; Liu, Y.; Zhang, B.; He, J.; Zhu, Z.; Fang, H.; Su, L. Design of a superconducting synchronous generator with LTS field windings for 12 MW offshore direct-drive wind turbines. IEEE Trans. Ind. Electron. 2015, 63, 1618–1628. [Google Scholar] [CrossRef]
- Babaghorbani, B.; Beheshti, M.T.; Talebi, H.A. A Lyapunov-based model predictive control strategy in a permanent magnet synchronous generator wind turbine. Int. J. Electr. Power Energy Syst. 2021, 130, 106972. [Google Scholar] [CrossRef]
- Dwijendra, N.K.A.; Jalil, A.T.; Abed, A.M.; Bashar, B.S.; Al-Nussairi, A.K.J.; Hammid, A.T.; Shamel, A.; Uktamov, K.F. Improving the transition capability of the low-voltage wind turbine in the sub-synchronous state using a fuzzy controller. Clean Energy 2022, 6, 682–692. [Google Scholar] [CrossRef]
- Rodríguez-Amenedo, J.L.; Gómez, S.A.; Martínez, J.C.; Alonso-Martinez, J. Black-start capability of DFIG wind turbines through a grid-forming control based on the rotor flux orientation. IEEE Access 2021, 9, 142910–142924. [Google Scholar] [CrossRef]
- Wankhede, A.K.; Sharma, A.; Fernandes, B. Simulation and Analysis of Medium-Voltage Low-Speed Cyclo-Converter Synchronous Motor Drive and Issues with on-Load Speed Trimming. In Smart Technologies for Power and Green Energy: Proceedings of STPGE 2022; Springer: Berlin/Heidelberg, Germany, 2022; pp. 223–233. [Google Scholar] [CrossRef]
- Ortatepe, Z.; Karaarslan, A. Robust predictive sensorless control method for doubly fed induction generator controlled by matrix converter. Int. Trans. Electr. Energy Syst. 2020, 30, e12650. [Google Scholar] [CrossRef]
- Rahimi, M.; Asadi, M. Control and dynamic response analysis of full converter wind turbines with squirrel cage induction generators considering pitch control and drive train dynamics. Int. J. Electr. Power Energy Syst. 2019, 108, 280–292. [Google Scholar] [CrossRef]
- Talpone, J.I.; Puleston, P.F.; Cendoya, M.G.; Barrado-Rodrigo, J.A. A dual-stator winding induction generator based wind-turbine controlled via super-twisting sliding mode. Energies 2019, 12, 4478. [Google Scholar] [CrossRef]
- Best, R.J.; Morrow, D.J. Analysis of two-speed wind farm operation from grid-side measurements. IEEE Trans. Sustain. Energy 2013, 4, 689–697. [Google Scholar] [CrossRef]
- Ouhssain, S.; Chojaa, H.; Aljarhizi, Y.; Al Ibrahmi, E.; Hadoune, A.; Maarif, A.; Suwarno, I.; Mossa, M.A. Performance Optimization of a DFIG-based Variable Speed Wind Turbines by IVC-ANFIS Controller. J. Robot. Control 2024, 5, 1492–1501. [Google Scholar] [CrossRef]
- Zeeshan, A.; Srivastava, S. Fuzzy/ANFIS control of DFIG based wind energy conversion system under the condition of voltage sag on grid in one phase. In Proceedings of the 2024 3rd International conference on Power Electronics and IoT Applications in Renewable Energy and its Control (PARC), Mathura, India, 23–24 February 2024; IEEE: Piscataway, NJ, USA, 2024; pp. 506–513. [Google Scholar] [CrossRef]
- Palanivel, M.; Kaithamalai, U.; Parthsarathi, P. Performance assessment of IC and ANFIS based MPPT for PV System using Super Lift Boost Converter. In Proceedings of the 2020 4th International Conference on Electronics, Communication and Aerospace Technology (ICECA), Coimbatore, India, 5–7 November 2020; IEEE: Piscataway, NJ, USA, 2020; pp. 6–11. [Google Scholar] [CrossRef]
- Alice Hepzibah, A.; Premkumar, K. ANFIS current–voltage controlled MPPT algorithm for solar powered brushless DC motor based water pump. Electr. Eng. 2020, 102, 421–435. [Google Scholar] [CrossRef]
- Anbarasu, E.; Basha, A.R. An improved power conditioning system for grid integration of solar power using ANFIS based FOPID controller. Microprocess. Microsyst. 2020, 74, 103030. [Google Scholar] [CrossRef]
- Mahdi, A.; Mahamad, A.; Saon, S.; Tuwoso, T.; Elmunsyah, H.; Mudjanarko, S. Maximum power point tracking using perturb and observe, fuzzy logic and ANFIS. SN Appl. Sci. 2020, 2, 89. [Google Scholar] [CrossRef]
- Hamouda, N.; Babes, B.; Kahla, S.; Boutaghane, A.; Beddar, A.; Aissa, O. ANFIS controller design using PSO algorithm for MPPT of solar PV system powered brushless DC motor based wire feeder unit. In Proceedings of the 2020 International Conference on Electrical Engineering (ICEE), Istanbul, Turkey, 25–27 September 2020; IEEE: Piscataway, NJ, USA, 2020; pp. 1–6. [Google Scholar] [CrossRef]
- Farah, L.; Haddouche, A.; Haddouche, A. Comparison between proposed fuzzy logic and ANFIS for MPPT control for photovoltaic system. Int. J. Power Electron. Drive Syst. 2020, 11, 1065. [Google Scholar] [CrossRef]
- Javed, M.R.; Waleed, A.; Virk, U.S.; ul Hassan, S.Z. Comparison of the adaptive neural-fuzzy interface system (ANFIS) based solar maximum power point tracking (MPPT) with other solar MPPT methods. In Proceedings of the 2020 IEEE 23rd International Multitopic Conference (INMIC), Bahawalpur, Pakistan, 5–7 November 2020; IEEE: Piscataway, NJ, USA, 2020; pp. 1–5. [Google Scholar] [CrossRef]
- Moyo, R.T.; Tabakov, P.Y.; Moyo, S. Design and modeling of the ANFIS-based MPPT controller for a solar photovoltaic system. J. Sol. Energy Eng. 2021, 143, 041002. [Google Scholar] [CrossRef]
- Ibrahim, S.A.; Nasr, A.; Enany, M.A. Maximum power point tracking using ANFIS for a reconfigurable PV-based battery charger under non-uniform operating conditions. IEEE Access 2021, 9, 114457–114467. [Google Scholar] [CrossRef]
- Pareek, S.; Kaur, T. Hybrid ANFIS-PID based MPPT controller for a solar PV system with electric vehicle load. Proc. IOP Conf. Ser. Mater. Sci. Eng. 2021, 1033, 012012. [Google Scholar] [CrossRef]
- Pachaivannan, N.; Subburam, R.; Padmanaban, M.; Subramanian, A. Certain investigations of ANFIS assisted CPHO algorithm tuned MPPT controller for PV arrays under partial shading conditions. J. Ambient Intell. Humaniz. Comput. 2021, 12, 9923–9938. [Google Scholar] [CrossRef]
- Bendary, A.F.; Abdelaziz, A.Y.; Ismail, M.M.; Mahmoud, K.; Lehtonen, M.; Darwish, M.M. Proposed ANFIS based approach for fault tracking, detection, clearing and rearrangement for photovoltaic system. Sensors 2021, 21, 2269. [Google Scholar] [CrossRef] [PubMed]
- Guerra, M.I.; de Araújo, F.M.; de Carvalho Neto, J.T.; Vieira, R.G. Survey on adaptative neural fuzzy inference system (ANFIS) architecture applied to photovoltaic systems. Energy Syst. 2024, 15, 505–541. [Google Scholar] [CrossRef]
- Ahmed, E.M.; Norouzi, H.; Alkhalaf, S.; Ali, Z.M.; Dadfar, S.; Furukawa, N. Enhancement of MPPT controller in PV-BES system using incremental conductance along with hybrid crow-pattern search approach based ANFIS under different environmental conditions. Sustain. Energy Technol. Assess. 2022, 50, 101812. [Google Scholar] [CrossRef]
- Revathy, S.; Kirubakaran, V.; Rajeshwaran, M.; Balasundaram, T.; Sekar, V.; Alghamdi, S.; Rajab, B.S.; Babalghith, A.O.; Anbese, E.M. Design and analysis of ANFIS–based MPPT method for solar photovoltaic applications. Int. J. Photoenergy 2022, 2022, 9625564. [Google Scholar] [CrossRef]
- Subramaniam, U.; Reddy, K.S.; Kaliyaperumal, D.; Sailaja, V.; Bhargavi, P.; Likhith, S. A MIMO–ANFIS-controlled solar-fuel-cell-based switched capacitor Z-source converter for an off-board EV charger. Energies 2023, 16, 1693. [Google Scholar] [CrossRef]
- Rahman, A.; Myo Aung, K.; Ihsan, S.; Raja Ahsan Shah, R.M.; Al Qubeissi, M.; Aljarrah, M.T. Solar energy dependent supercapacitor system with ANFIS controller for auxiliary load of electric vehicles. Energies 2023, 16, 2690. [Google Scholar] [CrossRef]
- Alaas, Z.; Eltayeb, G.e.A.; Al-Dhaifallah, M.; Latifi, M. A new MPPT design using PV-BES system using modified sparrow search algorithm based ANFIS under partially shaded conditions. Neural Comput. Appl. 2023, 35, 14109–14128. [Google Scholar] [CrossRef]
- Sultana, W.; Jebaseelan, S.S. ANFIS controller for photovoltaic inverter transient and voltage stability enhancement. Meas. Sens. 2024, 33, 101154. [Google Scholar] [CrossRef]
- Sivasubramanian, J.; Veerayan, M.B. ANN and ANFIS Based Control Approaches for Enhanced Performance of Solar PV Driven Water Pumping Systems Employing Quasi Z-Source Converter. J. Electr. Eng. Technol. 2024, 19, 3499–3513. [Google Scholar] [CrossRef]
- Tehrani, K.; Weber, M.; Rasoanarivo, I. Hybrid Power System Optimization for Microgrids. In Proceedings of the 2021 23rd European Conference on Power Electronics and Applications (EPE’21 ECCE Europe), Virtual, 6–10 September 2021; IEEE: Piscataway, NJ, USA, 2021; pp. 1–9. [Google Scholar]
- Belgacem, M.B.; Gassara, B.; Fakhfakh, A. Shared energy algorithm and parameters influence on multi-sources and multi-consumers smart microgrid. In Proceedings of the 2019 19th International Conference on Sciences and Techniques of Automatic Control and Computer Engineering (STA), Sousse, Tunisia, 24–26 March 2019; IEEE: Piscataway, NJ, USA, 2019; pp. 578–583. [Google Scholar]
- Qin, B.; Li, H.; Zhou, X.; Li, J.; Liu, W. Low-voltage ride-through techniques in DFIG-based wind turbines: A review. Appl. Sci. 2020, 10, 2154. [Google Scholar] [CrossRef]
- Feleke, S.; Satish, R.; Pydi, B.; Anteneh, D.; Abdelaziz, A.Y.; El-Shahat, A. Damping of Frequency and Power System Oscillations with DFIG Wind Turbine and DE Optimization. Sustainability 2023, 15, 4751. [Google Scholar] [CrossRef]
- Benbouhenni, H.; Bizon, N.; Mosaad, M.I.; Colak, I.; Djilali, A.; Gasmi, H. Enhancement of the power quality of DFIG-based dual-rotor wind turbine systems using fractional order fuzzy controller. Expert Syst. Appl. 2023, 238, 121695. [Google Scholar] [CrossRef]
- Karad, S.; Thakur, R. Recent trends of control strategies for doubly fed induction generator based wind turbine systems: A comparative review. Arch. Comput. Methods Eng. 2021, 28, 15–29. [Google Scholar] [CrossRef]
- Moghadam, H.M.; Gheisarnejad, M.; Esfahani, Z.; Khooban, M.H. A novel supervised control strategy for interconnected DFIG-based wind turbine systems: MiL validations. IEEE Trans. Emerg. Top. Comput. Intell. 2020, 5, 962–971. [Google Scholar] [CrossRef]
- Alzubaidi, O.H.A.A.; Dawood, A.Q. Design and Simulation of Wind Farm Model Using Doubly-Fed Induction Generator Techniques. In Proceedings of the International Conference on Emerging Technologies and Intelligent Systems: ICETIS 2021 (Volume 1); Springer: Berlin/Heidelberg, Germany, 2022; pp. 68–78. [Google Scholar]
- Kumar, V.; Pandey, A.S.; Sinha, S.K. Stability improvement of DFIG-based wind farm integrated power system using ANFIS controlled STATCOM. Energies 2020, 13, 4707. [Google Scholar] [CrossRef]
- Komijani, H. ANFIS controller design of DFIG under distorted grid voltage situations. Recent Adv. Electr. Electron. Eng. 2019, 12, 445–452. [Google Scholar] [CrossRef]
- Syahputra, R.; Soesanti, I. DFIG control scheme of wind power using ANFIS method in electrical power grid system. Int. J. Appl. Eng. Res. 2016, 11, 5256–5262. [Google Scholar]
- Gagnon, R. Detailed Model of a Doubly-Fed Induction Generator (DFIG) Driven by a Wind Turbine; The MathWork: Natick, MA, USA, 2006. [Google Scholar]
- Bhattacharyya, S.; Samanta, S.; Mishra, S.; Kumar P, D.S. Steady output and fast tracking MPPT (SOFT-MPPT) for P&O and InC algorithms. IEEE Trans. Sustain. Energy 2020, 12, 293–302. [Google Scholar] [CrossRef]
- Kishor, S.; Rajesh, K.; Rajendrn, S.; Ramkumar, A.; Arunkumar, T. A Comparative Analysis of Maximum Power Point Tracking Algorithms Applied to Hybrid Wind and Solar System. In Proceedings of the 2021 3rd International Conference on Advances in Computing, Communication Control and Networking (ICAC3N), Greater Noida, India, 17–18 December 2021; IEEE: Piscataway, NJ, USA, 2021; pp. 1087–1092. [Google Scholar] [CrossRef]
- Horrillo-Quintero, P.; García-Trivi no, P.; Sarrias-Mena, R.; García-Vázquez, C.A.; Fernández-Ramírez, L.M. Model predictive control of a microgrid with energy-stored quasi-Z-source cascaded H-bridge multilevel inverter and PV systems. Appl. Energy 2023, 346, 121390. [Google Scholar] [CrossRef]
- Shid Pilehvar, M.; Mardaneh, M.; Rajaei, A. An analysis on the main formulas of Z-source inverter. Sci. Iran. 2015, 22, 1077–1084. [Google Scholar]
- Peng, F.Z. Z-source inverter. IEEE Trans. Ind. Appl. 2003, 39, 504–510. [Google Scholar] [CrossRef]
- Abu-Rub, H.; Iqbal, A.; Ahmed, S.M.; Peng, F.Z.; Li, Y.; Baoming, G. Quasi-Z-source inverter-based photovoltaic generation system with maximum power tracking control using ANFIS. IEEE Trans. Sustain. Energy 2012, 4, 11–20. [Google Scholar] [CrossRef]
- Mendel, J.M. General type-2 fuzzy logic systems made simple: A tutorial. IEEE Trans. Fuzzy Syst. 2013, 22, 1162–1182. [Google Scholar] [CrossRef]
- Benbouhenni, H.; Bizon, N. Advanced direct vector control method for optimizing the operation of a double-powered induction generator-based dual-rotor wind turbine system. Mathematics 2021, 9, 2403. [Google Scholar] [CrossRef]
- Benbouhenni, H.; Colak, I.; Bizon, N.; Mazare, A.G.; Thounthong, P. Direct vector control using feedback PI controllers of a DPAG supplied by a two-level PWM inverter for a multi-rotor wind turbine system. Arab. J. Sci. Eng. 2023, 48, 15177–15193. [Google Scholar] [CrossRef]
- Parivar, H.; Shivaie, M.; Darahi, A.; Ansari, M. An efficient direct torque control strategy for a doubly fed induction generator (DFIG) in wind energy conversation systems. In Proceedings of the 2021 IEEE Texas Power and Energy Conference (TPEC), Virtually, 2–5 February 2021; IEEE: Piscataway, NJ, USA, 2021; pp. 1–5. [Google Scholar] [CrossRef]
- Qiu, J.; Ji, W.; Lam, H.K. A New Design of Fuzzy Affine Model-Based Output Feedback Control for Discrete-Time Nonlinear Systems. IEEE Trans. Fuzzy Syst. 2022, 31, 1434–1444. [Google Scholar] [CrossRef]
- Singh, S.K.; Haque, A. Performance evaluation of MPPT using boost converters for solar photovoltaic system. In Proceedings of the 2015 Annual IEEE India Conference (INDICON), New Delhi, India, 17–20 December 2015; IEEE: Piscataway, NJ, USA, 2015; pp. 1–6. [Google Scholar]
- Mohammed, S.S.; Devaraj, D. Simulation of Incremental Conductance MPPT based two phase interleaved boost converter using MATLAB/Simulink. In Proceedings of the 2015 IEEE International Conference on Electrical, Computer and communication Technologies (ICECCT), Coimbatore, India, 5–7 March 2015; IEEE: Piscataway, NJ, USA, 2015; pp. 1–6. [Google Scholar]
- Lupangu, C.; Saha, A.; Bansal, R.C.; Justo, J. Critical performance comparison between single-stage and two-stage incremental conductance MPPT algorithms for DC/DC boost-converter applied in PV systems. Electr. Power Components Syst. 2022, 50, 207–222. [Google Scholar] [CrossRef]

























| Parameter | Value |
|---|---|
| 8.88 A | |
| A | |
| A | |
| 8.88 A | |
| 1000 W/m2 | |
| 1.5 | |
| 1.5 | |
| 0 | |
| ∞ | |
| 0 | |
| 25 °C |
Disclaimer/Publisher’s Note: The statements, opinions and data contained in all publications are solely those of the individual author(s) and contributor(s) and not of MDPI and/or the editor(s). MDPI and/or the editor(s) disclaim responsibility for any injury to people or property resulting from any ideas, methods, instructions or products referred to in the content. |
© 2024 by the authors. Licensee MDPI, Basel, Switzerland. This article is an open access article distributed under the terms and conditions of the Creative Commons Attribution (CC BY) license (https://creativecommons.org/licenses/by/4.0/).
Share and Cite
Gharahbagh, A.A.; Hajihashemi, V.; Salehi, N.; Moradi, M.; Machado, J.J.M.; Tavares, J.M.R.S. Enhancing Efficiency in Hybrid Solar–Wind–Battery Systems Using an Adaptive MPPT Controller Based on Shadow Motion Prediction. Appl. Sci. 2024, 14, 11710. https://doi.org/10.3390/app142411710
Gharahbagh AA, Hajihashemi V, Salehi N, Moradi M, Machado JJM, Tavares JMRS. Enhancing Efficiency in Hybrid Solar–Wind–Battery Systems Using an Adaptive MPPT Controller Based on Shadow Motion Prediction. Applied Sciences. 2024; 14(24):11710. https://doi.org/10.3390/app142411710
Chicago/Turabian StyleGharahbagh, Abdorreza Alavi, Vahid Hajihashemi, Nasrin Salehi, Mahyar Moradi, José J. M. Machado, and João Manuel R. S. Tavares. 2024. "Enhancing Efficiency in Hybrid Solar–Wind–Battery Systems Using an Adaptive MPPT Controller Based on Shadow Motion Prediction" Applied Sciences 14, no. 24: 11710. https://doi.org/10.3390/app142411710
APA StyleGharahbagh, A. A., Hajihashemi, V., Salehi, N., Moradi, M., Machado, J. J. M., & Tavares, J. M. R. S. (2024). Enhancing Efficiency in Hybrid Solar–Wind–Battery Systems Using an Adaptive MPPT Controller Based on Shadow Motion Prediction. Applied Sciences, 14(24), 11710. https://doi.org/10.3390/app142411710

