Determination of the Sound Intensity Vector Field from Synchronized Sound Pressure Waveforms
Abstract
1. Introduction
- electro-acoustic transducer examination [49];
2. Materials and Methods
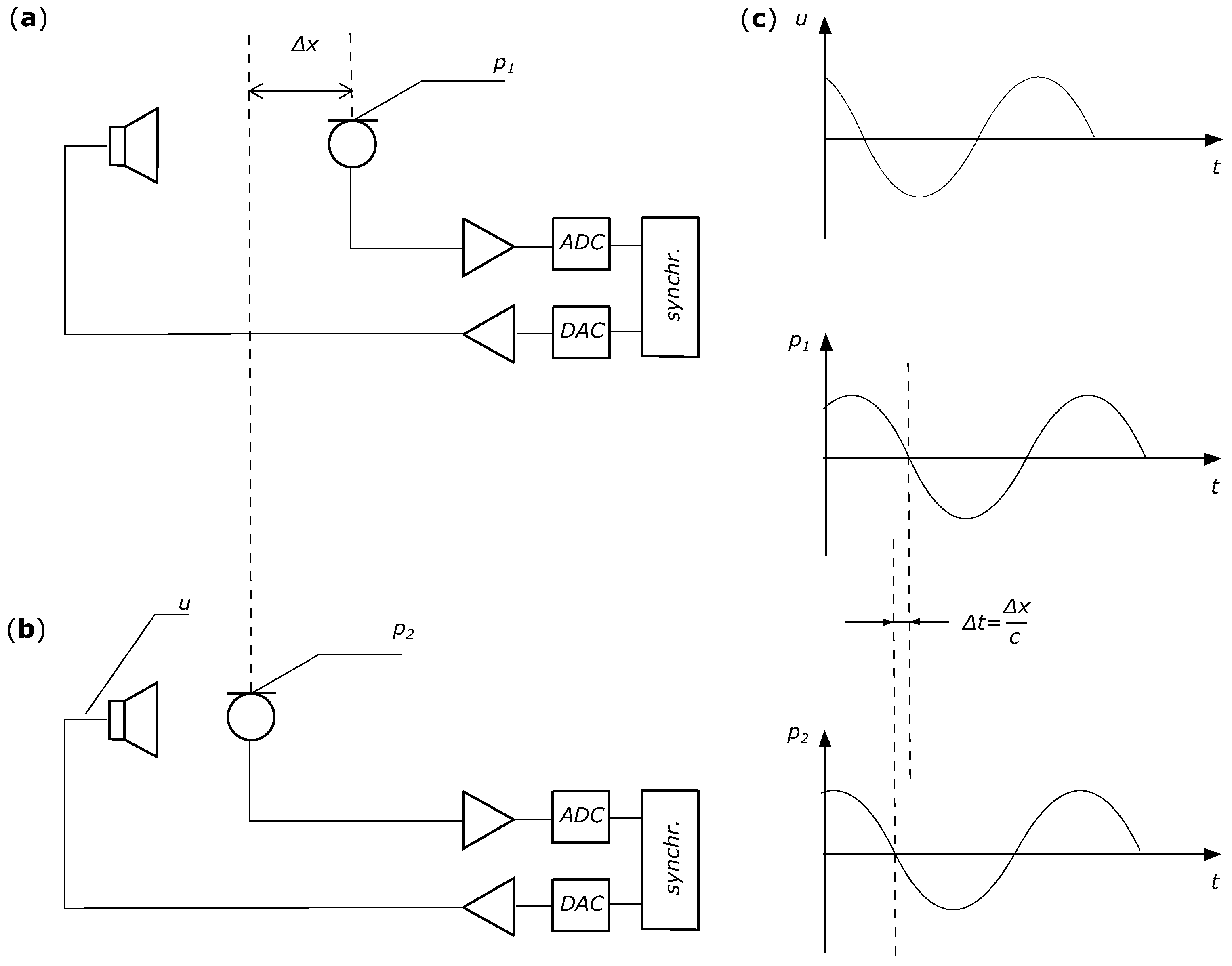
2.1. Direct Synchronization Method—Principle of Operation
2.2. Automated Measurement System and Test Stand
2.3. Measurement Experiment
- setting up the sensor at the measurement point with the given coordinates using 3D positioning system with Cartesian manipulator;
- generation (using a PXIe-6368 card) of the sweept sine signal controlling the loudspeaker set and simultaneous acquisition (using a PXIe-4499 card) of the probe signals, synchronized with the generation (contolled by PC and LabView software);
- saving the data to a measurement file.
2.4. Signal Processing for Single Microphone Method
3. Results
4. Discussion
5. Conclusions
Author Contributions
Funding
Institutional Review Board Statement
Informed Consent Statement
Data Availability Statement
Conflicts of Interest
References
- Rayleigh, L. The Theory of Sound; Macmillan: London, UK, 1894. [Google Scholar]
- Rayleigh, L. On an Instrument Capable of Measuring the Intensity of Aireal Vibrations. Philos. Mag. 1882, 14, 186–187. [Google Scholar] [CrossRef][Green Version]
- Wolff, I.; Massa, F. Direct measurement of sound Energy density and sound Energy flux in a complex sound field. J. Acoust. Soc. Am. 1932, 3, 317–318. [Google Scholar] [CrossRef]
- Bolt, R.H.; Petrauskas, A.A. An acoustic impedance meter for rapid field measurements. J. Acoust. Soc. Am. 1943, 15, 79. [Google Scholar] [CrossRef]
- Schultz, T.J. Acoustic wattmeter. J. Acoust. Soc. Am. 1956, 28, 693–699. [Google Scholar] [CrossRef]
- Baker, S. Acoustic Intensity Meter. J. Acoust. Soc. Am. 1955, 27, 269–273. [Google Scholar] [CrossRef]
- Chung, J.Y. Cross-spectral method of measuring acoustic intensity. In Research Publication GMR-2617; General Motors Research Laboratory: Warren, MI, USA, 1977. [Google Scholar]
- Fahy, F.J. Measurement of acoustic intensity using the cross-spectral density of two microphone signals. J. Acoust. Soc. Am. 1977, 62, 1057–1059. [Google Scholar] [CrossRef]
- ISO 9614-1:1993; Acoustics—Determination of Sound Power Levels of Noise Sources Using Sound Intensity—Part 1: Measurement at Discrete Points. International Organization for Standardization: Geneva, Switzerland, 1993.
- ISO 9614-2:1996; Acoustics—Determination of Sound Power Levels of Noise Sources Using Sound Intensity—Part 2: Measurement by Scanning. International Organization for Standardization: Geneva, Switzerland, 1996.
- ISO 9614-3:2002; Acoustics—Determination of Sound Power Levels of Noise Sources Using Sound Intensity—Part 3: Precision Method for Measurement by Scanning. International Organization for Standardization: Geneva, Switzerland, 2002.
- IEC-1043; Instruments for Measurement of Sound Intensity. International Electrotechnical Commission: Geneva, Switzerland, 1993.
- De Bree, H.-E. The Microflown: An acoustic particle velocity sensor. Acoust. Aust. 2003, 31, 91–94. [Google Scholar]
- Kornatowski, E. Pomiar i rejestracja drgań powierzchni kadzi transformatora energetycznego. Pozn. Univ. Technol. Acad. J. Electr. Eng. 2019, 100, 7–17. [Google Scholar]
- Odya, P.; Kotus, J.; Szczodrak, M.; Kostek, B. Sound Intensity Distribution Around Organ Pipe. Arch. Acoust. 2017, 42, 13–22. [Google Scholar] [CrossRef]
- Sani, M.S.M.; Rahman, M.M.; Baharom, M.Z.; Zaman, I. Sound intensity mapping of an engine dynamometer. Int. J. Automot. Mech. Eng. 2015, 12, 2820–2828. [Google Scholar]
- Jacobsen, F. A note on instantaneous and time-averaged active and reactive sound intensity. J. Sound Vib. 1991, 147, 489–496. [Google Scholar] [CrossRef]
- Jacobsen, F. An overview of the sources of error in sound power determination using the intensity technique. Appl. Acoust. 1997, 50, 155–166. [Google Scholar] [CrossRef]
- Nagata, S.; Furihata, K.; Wada, T. A three-dimensional sound intensity measurement system for sound source identification and sound power determination by ln models. J. Acoust. Soc. Am. 2005, 118, 3691–3705. [Google Scholar] [CrossRef]
- Cao, J.; Liu, J.; Wang, J.; Lai, X. Acoustic vector sensor: Reviews and future perspectives. IET Signal Process. 2017, 11, 1–9. [Google Scholar] [CrossRef]
- Czyżewski, A.; Kotus, J.; Szwoch, G. Estimating Traffic Intensity Employing Passive Acoustic Radar and Enhanced Microwave Doppler Radar Sensor. Remote Sens. 2020, 12, 110. [Google Scholar] [CrossRef]
- Kotus, J. Multiple sound sources localization in free field using acoustic vector sensor. Multimed. Tools Appl. 2015, 74, 4235–4251. [Google Scholar] [CrossRef]
- Kotus, J.; Czyżewski, A.; Kostek, B. 3D Acoustic Field Intensity Probe Design and Measurements. Arch. Acoust. 2016, 41, 701–711. [Google Scholar] [CrossRef][Green Version]
- Kotus, J.; Szwoch, G. Localization of sound sources with dual acoustic vector sensor. In Proceedings of the Signal Processing: Algorithms, Architectures, Arrangements, and Applications (SPA) Conference, Poznan, Poland, 18–20 September 2019; pp. 44–99. [Google Scholar]
- Kotus, J.; Szwoch, G. Calibration of acoustic vector sensor based on MEMS microphones for DOA estimation. Appl. Acoust. 2018, 141, 307–321. [Google Scholar] [CrossRef]
- Tervo, S. Direction Estimation Based on Sound Intensity Vectors. In Proceedings of the 17th European Signal Processing Conference (EUSIPCO), Glasgow, UK, 24–28 August 2009; pp. 700–704. [Google Scholar]
- Wajid, M.; Kumar, A.; Bahl, R. Direction Estimation and Tracking of Coherent Sources Using a Single Acoustic Vector Sensor. Arch. Acoust. 2020, 45, 209–219. [Google Scholar]
- Yang, X.; Xing, H.; Yan, Y. A data complementary method for sound source localization based on four-element microphone array groups. Meas. Sci. Technol. 2021, 32, 095015. [Google Scholar] [CrossRef]
- Zhang, Y.; Fu, J.; Guannan, L. A Novel Self-Calibration Method for Acoustic Vector Sensor. Math. Probl. Eng. 2018, 2018, 1219670. [Google Scholar] [CrossRef]
- Alyaa, H.A.; Aminudin, A.; Zaw, T.; Fathiah, W.N.; Vikneshvaran, T.; Shakirah, S.D. Noise source identification of vacuum cleaner using sound pressure-velocity (pu) probe. Int. J. Mech. Prod. Eng. 2017, 5, 67–70. [Google Scholar]
- Rawlinson, R.D. Applications of Sound Intensity Measurements to Gas Turbine Engineering. In Proceedings of the ASME 1992 International Gas Turbine and Aeroengine Congress and Exposition, Cologne, Germany, 1–4 June 1992. [Google Scholar]
- Wang, Y.S.; Liu, N.N.; Guo, H.; Wang, X.L. An engine-fault-diagnosis system based on sound intensity analysis and wavelet packet pre-processing neural network. Eng. Appl. Artif. Intell. 2020, 94, 103765. [Google Scholar] [CrossRef]
- Fredianelli, L.; Bianco, F.; Bolognese, M.; Gagliardi, P.; Lo Castro, F.; Fidecaro, F.; Licitra, G. Analysis of a vehicle-mounted self-stabilized p-u probe as a continuous spatial acoustic impedance measuring system for studying road surfaces. In INTER-NOISE and NOISE-CON Congress and Conference Proceedings; Institute of Noise Control Engineering: Madrid, Spain, 2019. [Google Scholar]
- Gee, K.L.; Neilsen, T.B.; Sommerfeldt, S.D.; Whiting, E.B.; Lawrence, J.S. Bias error analysis for phase and amplitude gradient estimation of acoustic intensity and specific acoustic impedance. J. Acoust. Soc. Am. 2017, 142, 2208–2218. [Google Scholar]
- Hiremath, N.; Kumar, V.; Motahari, N.; Shukla, D. An Overview of Acoustic Impedance Measurement Techniques and Future Prospects. Metrology 2021, 1, 17–38. [Google Scholar] [CrossRef]
- Lanoye, R.; Vermeir, G.; Lauriks, W.; Kruse, R.; Mellert, V. Measuring the free field acoustic impedance and absorption coefficient of sound absorbing materials with a combined particle velocity-pressure sensor. J. Acoust. Soc. Am. 2006, 119, 2826–2831. [Google Scholar] [CrossRef]
- Lawrence, J.S.; Whiting, E.B.; Gee, K.L.; Rasb, R.D.; Neilsen, T.B.; Sommerfeldt, S.D. Three-microphone probe bias errors for acoustic intensity and specific acoustic impedance. J. Acoust. Soc. Am. 2018, 143, EL81. [Google Scholar] [CrossRef]
- Farina, A.; Torelli, A. Measurement of the Sound Absorption Coefficient of Materials with a New Sound Intensity Technique. J. Audio Eng. Soc. 1997. Available online: https://www.researchgate.net/publication/228594809_Measurement_of_the_Sound_Absorption_Coefficient_of_Materials_with_a_New_Sound_Intensity_Technique (accessed on 30 November 2024).
- Liu, Y.; Jacobsen, F. Measurement of absorption with a p-u sound intensity probe in an impedance tube. J. Acoust. Soc. Am. 2005, 118, 2117–2120. [Google Scholar] [CrossRef]
- Massarani, P.; Villela, R.; Pazos, D. Measurement of Diffuse-Field Sound Absorption Coefficient of Materials Using the Two Microphones Method. In Proceedings of the 23rd International Congress on Acoustics, Aachen, Germany, 9–13 September 2019; pp. 4020–4026. [Google Scholar]
- Prascevic, R.M.; Milosevic, A.M.; Cvetkovic, S.D. Determination of absorption characteristic of materials on basis of sound intensity measurement. J. Phys. IV Proc. 1994, 4, C5-159–C5-162. [Google Scholar] [CrossRef][Green Version]
- Chapman, D.M.F. Using streamlines to visualize acoustic energy flow across boundaries. J. Acoust. Soc. Am. 2008, 124, 48–56. [Google Scholar] [CrossRef]
- Kotus, J.; Kostek, B. Measurements and Visualization of Sound Intensity Around the Human Head in Free Field Using Acoustic Vector Sensor. J. Audio Eng. Soc. 2015, 63, 99–109. [Google Scholar] [CrossRef][Green Version]
- Szczodrak, M.; Kurowski, A.; Kotus, J.; Czyżewski, A.; Kostek, B. A system for acoustic field measurement employing cartesian robot. Metrol. Meas. Syst. 2016, 23, 333–343. [Google Scholar] [CrossRef]
- Waterhouse, R.V.; Yates, T.W.; Feit, D.; Liu, Y.N. Energy streamlines of a sound source. J. Acoust. Soc. Am. 1985, 78, 758–762. [Google Scholar] [CrossRef]
- Duan, W.; Kirby, R.; Prisutova, J.; Horoshenkov, K. Measurement of complex acoustic intensity in an acoustic waveguide. J. Acoust. Soc. Am. 2013, 134, 3674–3685. [Google Scholar] [CrossRef] [PubMed]
- Meissner, M. Computer simulation of active sound intensity vector field in enclosure of irregular geometry. In Proceedings of the 59th Open Seminar on Acoustic, Boszkowo, Poland, 10–14 September 2012; pp. 163–166. [Google Scholar]
- Meissner, M. Numerical investigation of acoustic field in enclosures: Evaluation of active and reactive components of sound intensity. J. Sound Vib. 2015, 338, 154–168. [Google Scholar] [CrossRef]
- Mickiewicz, W.; Raczyński, M. Modified pressure-pressure sound intensity measurement method and its application to loudspeaker set directivity assessment. Metrol. Meas. Syst. 2020, 27, 181–194. [Google Scholar] [CrossRef]
- Meissner, M. Analytical and numerical study of acoustic intensity field in irregularly shaped room. Appl. Acoust. 2013, 74, 661–668. [Google Scholar] [CrossRef]
- Meissner, M. Prediction of Low-Frequency Sound Field in Rooms with Complex Valued Boundary Conditions on Walls. Vib. Phys. Syst. 2019, 30, 2019127. [Google Scholar]
- Miao, Y.; Yang, X.; Zhu, G.; Yang, W.; Tian, J.; Dai, Y. Measurement uncertainty analysis of sound intensity using double-coupler calibration system. Measurement 2023, 220, 113315. [Google Scholar] [CrossRef]
- Peixoto, D.H.N.; Magalhaes, M.D.C.; Papini, G.S. Verification of a phase-mismatch correction method for sound intensity measurements. In Proceedings of the Conference Metrologia 2019, Florianpolis, Brasil, 4–6 December 2019. [Google Scholar]
- Mickiewicz, W.; Raczyński, M.; Parus, A. Performance Analysis of Cost-Effective Miniature Microphone Sound Intensity 2D Probe. Sensors 2020, 20, 271. [Google Scholar] [CrossRef]
- Fahy, F.J. Sound Intensity; CRC Press: Boca Raton, FL, USA, 1995. [Google Scholar]







| Freq | Mean Value of Level Diff. XY Plane | Standard Deviation XY Plane | Mean Value of Level Diff. ZY Plane | Standard Deviation ZY Plane |
|---|---|---|---|---|
| [Hz] | [dB] | [dB] | [dB] | [dB] |
| 63 | −0.11 | 0.6 | −0.01 | 0.3 |
| 125 | −1.7 | 0.6 | −0.43 | 0.2 |
| 250 | −0.70 | 0.3 | 0.052 | 0.1 |
| 500 | −0.39 | 0.2 | 0.36 | 0.1 |
| 1000 | −0.65 | 0.2 | 0.078 | 0.4 |
| 2000 | −1.2 | 0.5 | −0.68 | 0.1 |
| 4000 | −2.2 | 0.6 | −1.5 | 0.3 |
| 8000 | −5.4 | 1.8 | −5.3 | 1.9 |
Disclaimer/Publisher’s Note: The statements, opinions and data contained in all publications are solely those of the individual author(s) and contributor(s) and not of MDPI and/or the editor(s). MDPI and/or the editor(s) disclaim responsibility for any injury to people or property resulting from any ideas, methods, instructions or products referred to in the content. |
© 2024 by the authors. Licensee MDPI, Basel, Switzerland. This article is an open access article distributed under the terms and conditions of the Creative Commons Attribution (CC BY) license (https://creativecommons.org/licenses/by/4.0/).
Share and Cite
Mickiewicz, W.; Raczyński, M. Determination of the Sound Intensity Vector Field from Synchronized Sound Pressure Waveforms. Appl. Sci. 2024, 14, 11299. https://doi.org/10.3390/app142311299
Mickiewicz W, Raczyński M. Determination of the Sound Intensity Vector Field from Synchronized Sound Pressure Waveforms. Applied Sciences. 2024; 14(23):11299. https://doi.org/10.3390/app142311299
Chicago/Turabian StyleMickiewicz, Witold, and Michał Raczyński. 2024. "Determination of the Sound Intensity Vector Field from Synchronized Sound Pressure Waveforms" Applied Sciences 14, no. 23: 11299. https://doi.org/10.3390/app142311299
APA StyleMickiewicz, W., & Raczyński, M. (2024). Determination of the Sound Intensity Vector Field from Synchronized Sound Pressure Waveforms. Applied Sciences, 14(23), 11299. https://doi.org/10.3390/app142311299

