Wind-Induced Vibration Control of High-Rise Buildings with Double-Skin Façades Using Distributed Multiple Tuned Façade-Dampers-Inerters
Abstract
1. Introduction
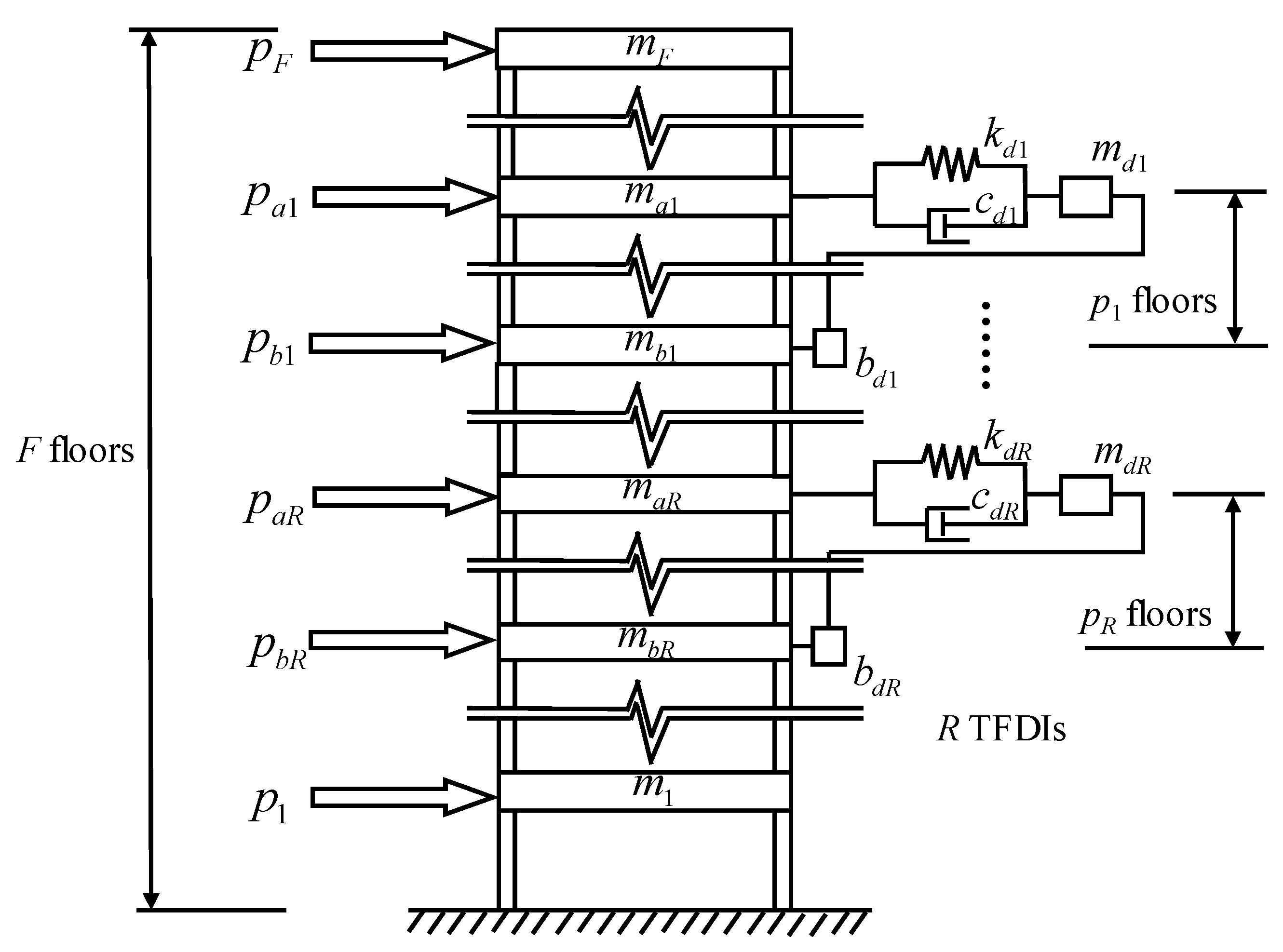
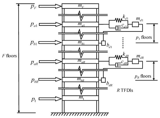
2. Concept of d-MTFDI System
2.1. Configuration of a TFDI
2.2. Vertical Distribution of TFDIs
3. Formulation of a d-MTFDI-Controlled System
4. Building Model and Wind Excitation
5. Two Different Tuning Modes of d-MTFDI
- (1)
- All the TFDIs have the same pi, leading to a unified inerter topology p;
- (2)
- All the TFDIs have the same βi, leading to a total inertance of inerter β = Rβi;
- (3)
- The R TFDIs are distributed continuously downwards from the top floor.
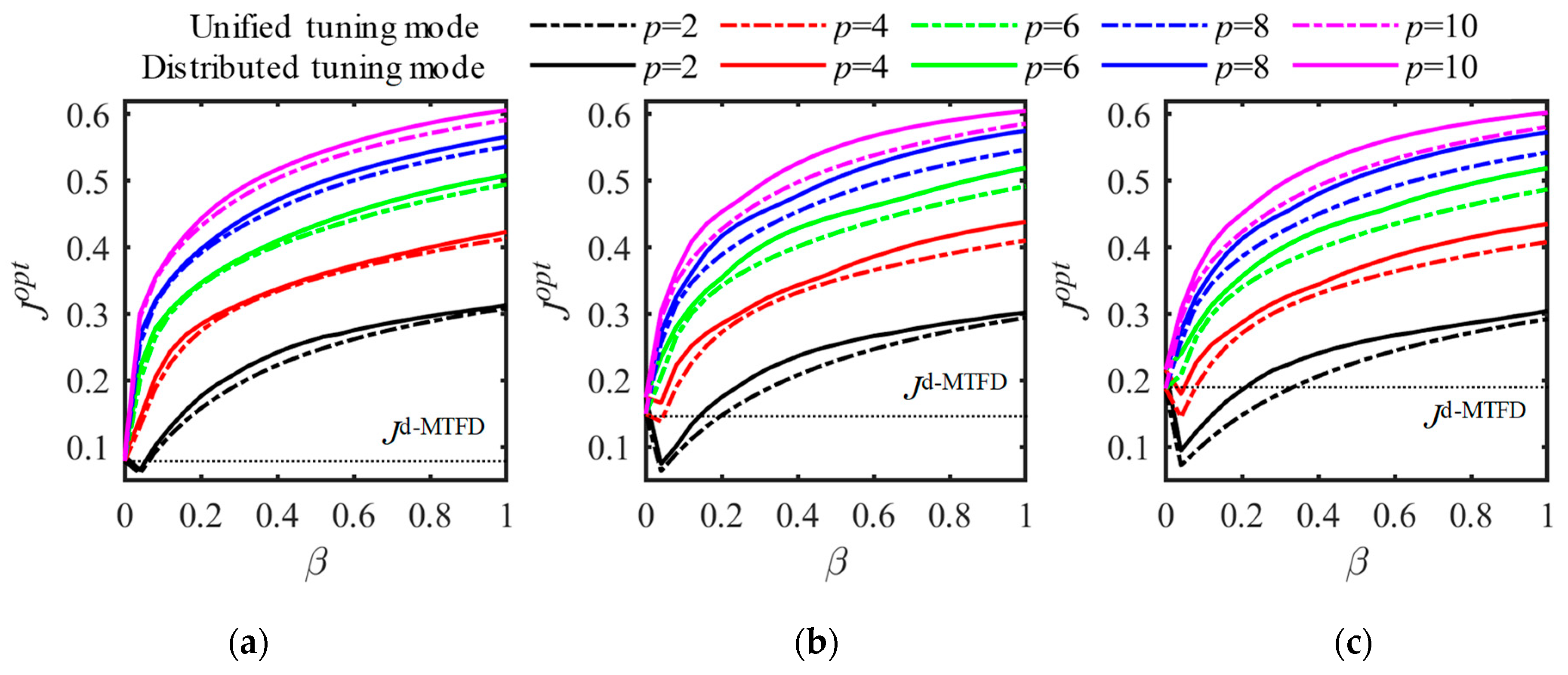
5.1. Unified Tuning Mode
5.2. Distributed Tuning Mode
- (1)
- For all [R, p, β] combinations, there always exists an optimal [Δ, ξd] combination;
- (2)
- (3)
- (4)
- (5)
- The robustness toward the change of Δ and ξd will be increased with the increase of either p or β, but the change of R exerts almost no influence. More importantly, when ξd is smaller than the optimal value, J always takes a steep drop, but when ξd is larger than the optimal value and p or β are large enough, especially p is large enough, the robustness toward ξd will be greatly enhanced. Such a phenomenon indicates that the designed ξd should be larger than the optimal value to make sure J will not be located in the steep drop part due to the installation error or material property randomness.
5.3. Comparison with Two Tuning Modes
6. Comparison of d-MTFDI with Traditional d-MTMD
7. Conclusions
- (1)
- By utilizing the DSF system, the d-MTFDI not only addresses the challenge of space limitations for multi-layer inerter installations in high-rise buildings but also significantly reduces the additional mass required for the tuned damping system.
- (2)
- For the unified tuning mode, the formulas of optimal tuning frequency ratio and damping ratio are derived. The WIV mitigation ratio J typically increases with p and β, but in cases of small β, introducing inerters to MOS may negatively impact the WIV control effect.
- (3)
- For the distributed tuning mode, there is always an optimal frequency range Δ and damping ratio ξd combination, with both the corresponding values and robustness toward the change of Δ and ξd increasing with p and β. However, in practical engineering applications, it is recommended to select a damping ratio ξd slightly larger than the optimal value to ensure that performance J does not decrease significantly due to potential errors or randomness.
- (4)
- The d-MTFDI with distributed tuning mode consistently outperforms the unified tuning mode across varying values of R, p, and β, primarily due to the resulting flattened transfer function. The optimal damping ratio in the distributed tuning mode is significantly lower than that in the unified mode, and an increase in R further reduces the demand for ξd, enhancing the practical application of d-MTFDI.
- (5)
- Compared with the traditional d-MTMD with the same mass ratio and installation positions, the d-MTFDI demonstrates a notable improvement in WIV control performance, exceeding a 20% increase, which indicates the significant advantage provided by the incorporation of inerters.
- (1)
- Experimental validation of d-MTFDI through an aeroelastic wind tunnel test;
- (2)
- Effect of floor action excited by wind and seismic actions on the outer skins of DSF, especially for the MOS.
Author Contributions
Funding
Institutional Review Board Statement
Informed Consent Statement
Data Availability Statement
Conflicts of Interest
Appendix A
References
- Ali, G.; Amirhosein, G.; Umberto, B.; John, T.; Danny, H.W.L.; Shahab, K. Exploring the advantages and challenges of double-skin façades (DSFs). Renew. Sustain. Energy Rev. 2016, 60, 1052–1065. [Google Scholar]
- Kwok, K.C.S.; Hitchcock, P.A.; Burton, M.D. Perception of vibration and occupant comfort in wind-excited tall buildings. J. Wind. Eng. Ind. Aerodyn. 2009, 97, 368–380. [Google Scholar] [CrossRef]
- Fu, J.; Zheng, Q.; Huang, Y.; Wu, J.; Pi, Y.; Liu, Q. Design optimization on high- rise buildings considering occupant comfort reliability and joint distribution of wind speed and direction. Eng. Struct. 2018, 156, 460–471. [Google Scholar] [CrossRef]
- Jafari, M.; Alipour, A. Methodologies to mitigate wind-induced vibration of tall buildings: A state-of-the-art review. J. Build. Eng. 2021, 33, 101582. [Google Scholar] [CrossRef]
- Wang, L.K.; Zhou, Y.; Nagarajaiah, S.; Shi, W.X. Bi-directional semi-active tuned mass damper for torsional asymmetric structural seismic response control. Eng. Struct. 2023, 294, 116744. [Google Scholar] [CrossRef]
- Li, Z.; Chen, X.; Huang, G.; Kareem, A.; Zhou, X. Alongwind and crosswind response of friction-pendulum base-isolated high-rise buildings. Eng. Struct. 2023, 293, 116564. [Google Scholar] [CrossRef]
- Bhattacharya, S.; Dalui, S.K. Effect of tuned mass damper in wind-induced response of “V” plan-shaped tall building. Struct. Des. Tall Spec. Build. 2022, 31, e1931. [Google Scholar] [CrossRef]
- Asami, T.; Mizukawa, Y.; Yamada, K. Optimal design of a hysterically damped dynamic vibration absorber. Mech. Eng. J. 2020, 7, 19-00482. [Google Scholar]
- Hiroki, Y.; Napat, H. Fundamental characteristics of multiple tuned mass dampers for suppressing harmonically forced oscillations. Earthq. Eng. Struct. Dynam. 1993, 22, 51–62. [Google Scholar]
- Masato, A.; Yozo, F. Dynamic characterization of multiple tuned mass dampers and some design formulas. Earthq. Eng. Struct. Dynam. 1994, 23, 813–835. [Google Scholar]
- Said, E.; Vasant, M.; Datta, T.K. Dynamic response control of a wind-excited tall building with distributed multiple tuned mass dampers. Int. J. Struct. Stabil. Dynam. 2019, 19, 1950059. [Google Scholar]
- Ahsan, K.; Samuel, K. Performance of multiple mass dampers under random loading. J. Struct. Eng. 1995, 121, 348–361. [Google Scholar]
- Malcolm, C.S. The Inerter: A Retrospective. Annu. Rev. Control Robot. Auton. Syst. 2020, 3, 361–391. [Google Scholar]
- Lazar, I.F.; Neild, S.A.; Wagg, D.J. Using an inerter-based device for structural vibration suppression. Earthq. Eng. Struct. Dyn. 2014, 43, 1129–1147. [Google Scholar] [CrossRef]
- He, H.; You, C.; Tan, P.; Xiang, Y.; Yang, K. Effective damping ratio enhancement effect of tuned inerter dampers for seismic response control of civil structures. Eng. Struct. 2023, 279, 115504. [Google Scholar] [CrossRef]
- Gao, H.; Wang, Z.; Jia, J.; Cheng, Z. The negative stiffness electromagnetic tuned inerter damper for damping enhancement of stay cables. Eng. Struct. 2023, 292, 116542. [Google Scholar] [CrossRef]
- Ikago, K.; Saito, K.; Inoue, N. Seismic control of single-degree-of-freedom structure using tuned viscous mass damper. Earthq. Eng. Struct. Dyn. 2012, 41, 453–474. [Google Scholar] [CrossRef]
- Jia, R.; Ji, X.; Cheng, Y.; Ikago, K. Seismic response control of core wall structures using tuned viscous mass damper (TVMD) outriggers. Eng. Struct. 2023, 292, 116546. [Google Scholar] [CrossRef]
- Pietrosanti, D.; Angelis, M.D.; Basili, M. Optimal design and performance evaluation of systems with tuned mass damper inerter (TMDI). Earthq. Eng. Struct. Dyn. 2017, 46, 1367–1388. [Google Scholar] [CrossRef]
- Prakash, S.; Jangid, R.S. Optimum parameters of tuned mass damper-inerter for damped structure under seismic excitation. Int. J. Dyn. Control 2022, 10, 1322–1336. [Google Scholar] [CrossRef]
- Wang, Q.H.; Lei, W.; Zhu, Z.W. MTMDI for Mitigating Wind-Induced Responses of Linked High-Rise Buildings. J. Struct. Eng. 2021, 147, 06021001. [Google Scholar] [CrossRef]
- Zhang, L.; Xue, S.T.; Zhang, R.F. Simplified multimode control of seismic response of high-rise chimneys using distributed tuned mass inerter systems (TMIS). Eng. Struct. 2021, 228, 111550. [Google Scholar] [CrossRef]
- Xu, K.; Dai, Q.; Bi, K.M. Multi-mode vortex-induced vibration control of long-span bridges by using distributed tuned mass damper inerters (DTMDIs). J. Wind Eng. Ind. Aerodyn. 2022, 224, 104970. [Google Scholar] [CrossRef]
- Giaralis, A.; Petrini, F. Wind-induced vibration mitigation in tall buildings using the tuned mass-damper-inerter. J. Struct. Eng. 2017, 143, 04017127. [Google Scholar] [CrossRef]
- Dai, J.; Gai, P.P.; Xu, Z.D. Inerter location effect on the generalized tuned mass damper inerter control. Structures 2023, 58, 105517. [Google Scholar] [CrossRef]
- Kareem, A. Methods to control wind-induced building motions. In Structures Congress XII; ASCE: Atlanta, GA, USA, 1994. [Google Scholar]
- Moon, K.S. Tall building motion control using double skin façades. J. Archit. Eng. 2009, 15, 84–90. [Google Scholar] [CrossRef]
- Moon, K.S. Integrated damping systems for tall buildings: Tuned mass damper/double skin facade damping interaction system. Struct. Des. Tall Spec. Build. 2016, 25, 232–244. [Google Scholar] [CrossRef]
- Zhang, Y.W.; Schauer, T.; Bleicher, A. Optimized passive/semi-active vibration control using distributed-multiple tuned facade damping system in tall buildings. J. Build. Eng. 2022, 52, 104416. [Google Scholar] [CrossRef]
- Vukobratović, V.; Ruggieri, S. Floor Acceleration Demands in a Twelve-Storey RC Shear Wall Building. Buildings 2021, 11, 38. [Google Scholar] [CrossRef]
- Wang, Z.X.; Giaralis, A. Enhanced motion control performance of the tuned mass damper inerter through primary structure shaping. Struct. Control Health Monit. 2021, 28, e2756. [Google Scholar] [CrossRef]
- Yang, J.N.; Agrawal, A.K.; Samali, B. Benchmark Problem for Response Control of Wind-Excited Tall Buildings. J. Eng. Mech. 2004, 130, 437–446. [Google Scholar] [CrossRef]
- Sarkar, S.; Fitzgerald, B. Design of tuned Mass damper fluid inerter for wind-induced vibration control of a tall building. J. Struct. Eng. 2023, 150, 04023242. [Google Scholar] [CrossRef]
- Samali, B.; Mayol, E.; Kwok, K.C.S.; Mack, A.; Hitchcock, P. Vibration control of the wind-excited 76-story benchmark building by liquid column vibration absorbers. J. Eng. Mech. 2004, 130, 478–485. [Google Scholar] [CrossRef]
- JGJ 113-2015; Technical Specification for Application of Architectural Glass. Ministry of Housing and Urban-Rural Development of the People’s Republic of China (MOHURD): Beijing, China, 2015.
- GB50009-2012; Load Code for the Design of Building Structures. Ministry of Housing and Urban-Rural Development of the People’s Republic of China (MOHURD): Beijing, China, 2012.
- Den Hartog, J.P. Two degrees of freedom. In Mechanical Vibration; Dover Publication: New York, NY, USA, 1985; pp. 95–103. [Google Scholar]
- Su, N.; Xia, Y.; Peng, S.T. Filter-based inerter location dependence analysis approach of tuned mass damper inerter (TMDI) and optimal design. Eng. Struct. 2022, 250, 113459. [Google Scholar] [CrossRef]














| Tuning Mode | Jopt | ||
|---|---|---|---|
| Unified | 0.993 | 0.048 | 41.6% |
| Distributed | 0.144 | 0.011 | 43.7% |
Disclaimer/Publisher’s Note: The statements, opinions and data contained in all publications are solely those of the individual author(s) and contributor(s) and not of MDPI and/or the editor(s). MDPI and/or the editor(s) disclaim responsibility for any injury to people or property resulting from any ideas, methods, instructions or products referred to in the content. |
© 2024 by the authors. Licensee MDPI, Basel, Switzerland. This article is an open access article distributed under the terms and conditions of the Creative Commons Attribution (CC BY) license (https://creativecommons.org/licenses/by/4.0/).
Share and Cite
Xu, H.; Su, L.; Lou, W.; Chen, Z. Wind-Induced Vibration Control of High-Rise Buildings with Double-Skin Façades Using Distributed Multiple Tuned Façade-Dampers-Inerters. Appl. Sci. 2024, 14, 10565. https://doi.org/10.3390/app142210565
Xu H, Su L, Lou W, Chen Z. Wind-Induced Vibration Control of High-Rise Buildings with Double-Skin Façades Using Distributed Multiple Tuned Façade-Dampers-Inerters. Applied Sciences. 2024; 14(22):10565. https://doi.org/10.3390/app142210565
Chicago/Turabian StyleXu, Haiwei, Lingfeng Su, Wenjuan Lou, and Zhehao Chen. 2024. "Wind-Induced Vibration Control of High-Rise Buildings with Double-Skin Façades Using Distributed Multiple Tuned Façade-Dampers-Inerters" Applied Sciences 14, no. 22: 10565. https://doi.org/10.3390/app142210565
APA StyleXu, H., Su, L., Lou, W., & Chen, Z. (2024). Wind-Induced Vibration Control of High-Rise Buildings with Double-Skin Façades Using Distributed Multiple Tuned Façade-Dampers-Inerters. Applied Sciences, 14(22), 10565. https://doi.org/10.3390/app142210565
