The Concept and Measurements of an Adjustable Holder for Large Magnets Applicable for a THz Undulator Working in Superradiant Emission
Abstract
1. Introduction
2. Materials and Methods
2.1. Overall Concept of THz Undulator
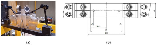
2.2. Magnet Holder
- brass shims;
- magnet mounting clamps;
- clamp mounting screws;
- inner frame fixing screws;
- positioning (alignment) screws.
2.3. FEMM Model
2.4. FEM ANSYS Model
2.5. Measurement Methods
3. Results
3.1. Magnetic Forces
3.2. FEM Deformation Analysis
3.3. Experimental Measurements
- (1)
- The influence of the clamp screw torque on the stability and deformation of the holder—Section 3.3.1 and Section 3.4.1;
- (2)
- The range of the magnet positioning by means of adjusting screws—Section 3.3.3 and Section 3.4.2;
- (3)
- The influence of the magnetic loading on the magnet position and the magnet holder deformation—Section 3.3.2 and Section 3.4.3;
- (4)
- The repeatability of the magnet position.
3.3.1. Tightening of Clamp Screws
3.3.2. Influence of Loading on Magnet Position
3.3.3. Preliminary Evaluation of Calibration Range
3.4. Full-Field DIC Study
- tightening the mounting clamps;
- adjustment and positioning of the magnet without load;
- adjustment and positioning of the magnet under load.
3.4.1. Tightening the Mounting Clamps
3.4.2. Adjustment and Positioning of the Magnet Without Load
3.4.3. Adjustment and Positioning of the Magnet Under Load
- (1)
- Tightening the clamp bolts with torque Mc = 4 Nm;
- (2)
- Tightening the adjustment bolts with torque Mr = 5 Nm;
- (3)
- Loading the holder with forces within the range F = 1.25–2.5 kN;
- (4)
- Calibration of the handle by increasing the tension of the adjusting screws using torque in the range Mr = 5–10 Nm;
- (5)
- Calibration of the handle by loosening the adjusting screws using torque in the range Mr = 10–0 Nm.
4. Discussion
5. Conclusions
- The multidisciplinary numerical (FEM) and experimental research conducted on the test bench effectively verified the design of the magnet holder. The calibration and adjustment of screws ensured stability and repeatability of the results, which is crucial for the further development and implementation of the mounting system in practical applications.
- The boundary conditions related to the design of the magnet holder were fully met. The study confirmed the possibility of using the proposed solution for positioning large magnets magnetized with relatively high force while providing quite a large calibration range.
- The results of the experimental measurement with the use of dial indicators and DIC are similar both quantitatively and qualitatively. They are also consistent with the results of the FEM analyses.
- The calibration conducted over the load variation range confirmed the linear behavior of the magnet holder throughout the entire predicted load range.
- The adjusting process conducted via adjusting screws has an almost linear and repeatable influence on the displacement of the magnet. The influence of the magnetic force on the structure deformation can be compensated during the holder’s assembly process by changing the individual thickness of the brass shims.
- The determined curves of magnet positioning can be used for the magnet-calibration process during the final installation process of the THz undulator.
- The results allowed the estimation of the minimum and safe torque values for the mounting bolts and screws required during assembly. Additionally, the development of the assembly procedure and its testing under real conditions proved to be a significant outcome.
- The application of DIC analysis made it possible to perform full-size measurements of the frame with a high accuracy of several/dozen micrometers.
- Gained experience and learned behavior of the magnet holders made it possible to develop a safe, reliable, and repeatable installation procedure for both men and equipment.
Author Contributions
Funding
Institutional Review Board Statement
Informed Consent Statement
Data Availability Statement
Conflicts of Interest
References
- Prat, E.; Al Haddad, A.; Arrell, C.; Augustin, S.; Boll, M.; Bostedt, C.; Calvi, M.; Cavalieri, A.L.; Craievich, P.; Dax, A.; et al. An X-ray free-electron laser with a highly configurable undulator and integrated chicanes for tailored pulse properties. Nat. Commun. 2023, 14, 5069. [Google Scholar] [CrossRef]
- Clarke, J. The Science and Technology of Undulators and Wigglers, Oxford Series on Synchrotron Radiation; Oxford Science Publications: Oxford, UK, 2004. [Google Scholar]
- Wiechecki, J.; Romanowicz, P.; Krawczyk, P.; Nietubyć, R.; Ziemiański, D. Overview of the unified undulator solution for the PolFEL project. In Proceedings of the MEDSI’23, Beijing, China, 6–11 November 2023; pp. 349–351. [Google Scholar] [CrossRef]
- Sasaki, S. Analyses for a planar variably-polarizing undulator. Nucl. Instrum. Methods Phys. Res. A 1994, 347, 83–86. [Google Scholar] [CrossRef]
- Clarke, J.A.; Scott, D.J.; Hill, C.; Hannon, F.E.; Shepherd, B.J.A.; Muir, A.A. Construction of an APPLE-II Type Undulator at Daresbury Laboratory for the SRS. In Proceedings of the EPAC 2004, Lucerne, Switzerland, 5–9 May 2004. [Google Scholar]
- Schmidt, T.; Anghel, A.; Böhler, P.; Brügger, M.; Calvi, M.; Danner, S.; Huber, P.; Keller, A.; Locher, M. Magnetic Design of an Apple III Undulator for SwissFEL. In Proceedings of the 36th International Free Electron Laser Conference (FEL’14), Basel, Switzerland, 25–29 August 2014; paper MOP043. pp. 116–120. [Google Scholar]
- Yu, C.; Zhu, Y.; Zhang, W.; Yang, J.; He, Y.; Zhen, T.; Liu, T.; Lei, Y.; Yuan, Q.; Yuan, D.; et al. Development of an APPLE III undulator prototype with three-dimensional force compensation for SHINE. Front. Phys. 2023, 11, 1174620. [Google Scholar] [CrossRef]
- Vilela, L.N.P.; Basílio, R.; Citadini, J.F.; Furaer, J.R., Jr.; Rodrigues, F. Advances in the Sirius Delta-Type Undulator Project. In Proceedings of the 9th International Particle Accelerator Conference IPAC2018, Vancouver, BC, Canada, 29 April–4 May 2018; pp. 1491–1493. [Google Scholar] [CrossRef]
- Roslund, L.; Al-Najdawi, M.; Balbin, L.; Benedictsson, S.; Ebbeni, M.; Holz, M.; Tarawneh, H.; Åhnberg, K. Realization of a compact apple x undulator, realization of a compact apple X undulator. In Proceedings of the MEDSI2023, Beijing, China, 6–10 November 2023; pp. 346–348. [Google Scholar] [CrossRef]
- Halbach, K. Design of permanent multipole magnets with oriented rare earth cobalt material. Nucl. Instrum. Methods 1980, 169, 1–10. [Google Scholar] [CrossRef]
- Halbach, K. Applications of Permanent Magnets in Accelerators and Electron Storage Rings. J. Appl. Phys. 1985, 57, 3605–3608. [Google Scholar] [CrossRef]
- Chung, T.Y.; Hwang, C.-S. Conceptual Design of a Permanent Magnet Undulator for Fast Pulse-to-Pulse Polarization Switching in an FEL. In Proceedings of the 39th International Free Electron Laser Conference (FEL’19), Hamburg, Germany, 26–30 August 2019; pp. 545–548. [Google Scholar] [CrossRef]
- Bahrdt, J. Permanent magnets including undulators and wigglers. In Proceedings of the CAS—CERN Accelerator School: Magnets, Bruges, Belgium, 16–25 June 2009; pp. 185–230. [Google Scholar]
- Hara, T.; Tanaka, T.; Kitamura, H.; Bizen, T.; Marechal, X.; Seike, T.; Kohda, T.; Matsuura, Y. Cryogenic permanent magnet undulators. Phys. Rev. Spec. Top. Accel. Beams 2004, 7, 050702. [Google Scholar] [CrossRef]
- Börgermann, F.-J.; Brombacher, C.; Üstüner, K. Properties, options and limitations of prfeb-magnets for cryogenic undulators. In Proceedings of the 5th International Particle Accelerator Conference IPAC2014, Dresden, Germany, 15–20 June 2014. [Google Scholar]
- Huse, V.; Sharma, G.; Mishra, S.; Mishra, G. Design and optimization of an electromagnet undulator. Optik 2014, 125, 4739–4741. [Google Scholar] [CrossRef]
- Prakash, B.; Huse, V.; Gehlot, M.; Mishra, G.; Mishra, S. Analysis of spectra properties of harmonic undulator radiation of an electromagnet undulator. Optik 2016, 127, 1639–1643. [Google Scholar] [CrossRef]
- Walker, R.P.; Pool, M.W.; Taylor, D.G. Development of an undulator magnet for the Daresbury synchrotron radiation source. J. De Phys. Colloq. 1984, 45, C1-321–C1-324. [Google Scholar] [CrossRef]
- Leitner, M.; Arbelaez, D.; Bassan, H.; Bruch, D.E.; Chen, C.W.; Corlett, J.N.; DeMello, A.J.; Garcia Fajardo, L.; Leitner, D.; Marks, S.; et al. Development of the Vertically Polarizing Hard X-Ray Undulator Segments for the Linear Coherent Light Source Upgrade (LCLS-II) Project. In Proceedings of the 10th International Particle Accelerator Conference (IPAC’19), Melbourne, Australia, 19–24 May 2019; pp. 3408–3413. [Google Scholar]
- Karabekyan, S.; Beckmann, A.; Pflüger, J.; Burandt, N.; Kuhn, J.; Schöps, A. The undulator control system for the european XFEL. In THPPR002. In Proceedings of the IPAC2012, New Orleans, LA, USA, 20–25 May 2012. [Google Scholar]
- Tanikawa, T.; Karabekyan, S.; Kovalev, S.; Casalbuoni, S.; Asgekar, V.; Serkez, S.; Geloni, G.; Gensch, M. A superradiant THz undulator source for XFELs. J. Instrum. 2019, 14, P05024. [Google Scholar] [CrossRef]
- Diviacco, B.; Bracco, R.; Millo, D.; Musardo, M.M. Phase Shifters for the FERMI@Elettra Undulators. In Proceedings of the 2nd International Particle Accelerator Conference (IPAC’11), San Sebastian, Spain, 4–9 September 2011; paper THPC164. pp. 3278–3280. [Google Scholar]
- Bocchetta, C.J. (Project Director). FERMI@Elettra Conceptual Design Report. Copyrighted Sincrotrone Trieste January 2007. Available online: https://www.elettra.eu/lightsources/fermi/fermi-machine/fermicdr/all.html (accessed on 10 October 2024).
- Tosin, G.; Neunschwander, R.T.; Citadini, J.F.; Rocha, M.C.; Resende, X.R.; Tavares, P.F.; Basílio, R.; Potye, M. Conceptual Design of an EPU for VUV Radiation Production at LNLS. In Proceedings of the EPAC’06, Edinburgh, Scotland, 26–30 June 2006; pp. 3110–3112. [Google Scholar]
- Zangrando, D.; Bracco, R.; Diviacco, B.; La Civita, D.; Musardo, M.; Tomasin, G.; Becheri, F.; Gigante, J.V.; Colldelram, C.; Martí, Z.; et al. Design of Two Variable Polarization Undulators for the ALBA Project. In Proceedings of the 11th European Conference, EPAC 2008, Genoa, Italy, 23–27 June 2008. EPAC08-WEPC137. [Google Scholar]
- Thiel, A.; Ebbeni, M.; Tarawneh, H. APPLE II insertion devices made at MAX IV. In Proceedings of the Mechanical Engineering Design of Synchrotron Radiation Equipment and Instrumentation MEDSI2018, Paris, France, 25–29 June 2018. [Google Scholar] [CrossRef]
- Holz, M.; Balbin, L.; Ebbeni, M.; Roslund, L.; Tarawneh, H. Progress and challenges of the compact APPLE X undulator prototype at MAX IV. In Proceedings of the 14th International Particle Accelerator Conference (IPAC’23), Venice, Italy, 7–12 May 2023; paper MOPM110. pp. 1233–1235. [Google Scholar]
- Calvi, M.; Camenzuli, C.; Ganter, R.; Sammut, N.; Schmidt, T. Magnetic assessment and modelling of the Aramis undulator beamline. J. Synchrotron Rad. 2018, 25, 686–705. [Google Scholar] [CrossRef]
- Schmidt, T.; Calvi, M. APPLE X Undulator for the SwissFEL Soft X-ray Beamline Athos. Synchrotron Radiat. News 2018, 31, 35–40. [Google Scholar] [CrossRef]
- Zhou, Q.G.; Zhang, M.; Li, Y.; Qian, Z.M.; Zhang, J.D. An APPLE-II type helical undulator for SSRF. In Proceedings of the APAC 2007, Raja Ramanna Centre for Advanced Technology (RRCAT), Indore, India, 29 January–2 February 2007. THPMA062. [Google Scholar]
- Wiechecki, J.; Romanowicz, P.; Krawczyk, P.; Nietubyć, R.; Ziemiański, D. Conceptual design of the THz undulator for the PolFEL project. In Proceedings of the FEL’22, Trieste, Italy, 22–26 August 2022; pp. 479–481. [Google Scholar] [CrossRef]
- Banaszkiewicz, T.; Chorowski, M.; Duda, P.; Poliński, J.; Pietrowicz, S.; Czuma, P.; Krawczyk, P.; Lorkiewicz, J.; Nietubyć, R.; Sekutowicz, J.; et al. Cryogenic system for Polish Free Electron Laser Facility. IOP Conf. Ser. Mater. Sci. Eng. 2020, 755, 012102. [Google Scholar] [CrossRef]
- Peters, W.H.; Ranson, W.F. Digital imaging techniques in experimental stress analysis. Opt. Eng. 1982, 21, 427–432. [Google Scholar] [CrossRef]
- Peters, W.H.; Ranson, W.F.; Sutton, M.A. Applications of digital image correlation methods to rigid body mechanics. Opt. Eng. 1983, 22, 738–742. [Google Scholar] [CrossRef]
- Romanowicz, P.J.; Szybiński, B.; Wygoda, M. Application of DIC Method in the Analysis of Stress Concentration and Plastic Zone Development Problems. Materials 2020, 13, 3460. [Google Scholar] [CrossRef]
- Romanowicz, P. Experimental and numerical estimation of the damage level in multilayered composite plates. Mater. Und Werkst. 2018, 49, 591–605. [Google Scholar] [CrossRef]
- Romanowicz, P.J.; Szybiński, B.; Wygoda, M. Static and Fatigue Behaviour of Double-Lap Adhesive Joints and Notched Metal Samples Reinforced by Composite Overlays. Materials 2022, 15, 3233. [Google Scholar] [CrossRef]
- Romanowicz, P.J.; Szybiński, B.; Wygoda, M. Fatigue performance of open-hole structural elements reinforced by CFRP overlays. Int. J. Adhes. Adhes. 2024, 130, 103606. [Google Scholar] [CrossRef]
- ANSYS. Campus Release 2023 R2 July 2022; ANSYS, Inc.: Canonsburg, PA, USA, 2023. [Google Scholar]
- Finite Element Method Magnetics (FEMM 4.2). Available online: https://www.femm.info/wiki/HomePage (accessed on 26 September 2024).
- Baltzis, K.B. The finite element method magnetics (FEMM) freeware package: May it serve as an educational tool in teaching electromagnetics? Educ. Inf. Technol. 2010, 15, 19–36. [Google Scholar] [CrossRef]
- GOM Software 2018 Hotfix 1. Available online: www.gom.com (accessed on 26 September 2018).
- Romanowicz, P.J.; Szybiński, B.; Wygoda, M. Assessment of Digital Image Correlation Effectiveness and Quality in Determination of Surface Strains of Hybrid Steel/Composite Structures. Materials 2024, 17, 3561. [Google Scholar] [CrossRef] [PubMed]































| Component | Material | Mechanical Properties of Material | |||
|---|---|---|---|---|---|
| Remanence (T) | Intrinsic Coercivity (kA/m) | Yield Stress (MPa) | Tensile Strength (MPa) | ||
| Magnets | N42UH | 1.28 | 1.91 | - | - |
| Magnet holders | 7075 T6 | - | - | 434 | 506 |
| Bolts | BUMAX 109 | - | - | 900 | 1000 |
| Shims | CuZn37 | - | - | 130 | 330 |
| Orientation of Magnet | Magnetic Force (kN) Gap 100 mm | Magnetic Force (kN) Gap 200 mm | Magnetic Force (kN) Gap 600 mm |
|---|---|---|---|
| Vertical magnetization (down) | 3.82 | 3.71 | 3.79 |
| Horizontal magnetization (right) | −3.64 | −3.70 | −3.78 |
| Vertical magnetization (up) | 3.81 | 3.71 | 3.76 |
| Horizontal magnetization (left) | −3.61 | −3.70 | −3.72 |
Disclaimer/Publisher’s Note: The statements, opinions and data contained in all publications are solely those of the individual author(s) and contributor(s) and not of MDPI and/or the editor(s). MDPI and/or the editor(s) disclaim responsibility for any injury to people or property resulting from any ideas, methods, instructions or products referred to in the content. |
© 2024 by the authors. Licensee MDPI, Basel, Switzerland. This article is an open access article distributed under the terms and conditions of the Creative Commons Attribution (CC BY) license (https://creativecommons.org/licenses/by/4.0/).
Share and Cite
Romanowicz, P.J.; Wiechecki, J.; Ziemiański, D.; Nietubyć, R.; Krawczyk, P. The Concept and Measurements of an Adjustable Holder for Large Magnets Applicable for a THz Undulator Working in Superradiant Emission. Appl. Sci. 2024, 14, 10338. https://doi.org/10.3390/app142210338
Romanowicz PJ, Wiechecki J, Ziemiański D, Nietubyć R, Krawczyk P. The Concept and Measurements of an Adjustable Holder for Large Magnets Applicable for a THz Undulator Working in Superradiant Emission. Applied Sciences. 2024; 14(22):10338. https://doi.org/10.3390/app142210338
Chicago/Turabian StyleRomanowicz, Paweł J., Jarosław Wiechecki, Daniel Ziemiański, Robert Nietubyć, and Paweł Krawczyk. 2024. "The Concept and Measurements of an Adjustable Holder for Large Magnets Applicable for a THz Undulator Working in Superradiant Emission" Applied Sciences 14, no. 22: 10338. https://doi.org/10.3390/app142210338
APA StyleRomanowicz, P. J., Wiechecki, J., Ziemiański, D., Nietubyć, R., & Krawczyk, P. (2024). The Concept and Measurements of an Adjustable Holder for Large Magnets Applicable for a THz Undulator Working in Superradiant Emission. Applied Sciences, 14(22), 10338. https://doi.org/10.3390/app142210338

