Next Article in Journal
Measurement Model of Full-Width Roughness Considering Longitudinal Profile Weighting
Previous Article in Journal
Automatic Reconstruction of Reservoir Geological Bodies Based on Improved Conditioning Spectral Normalization Generative Adversarial Network
 
 
Font Type:
Arial Georgia Verdana
Font Size:
Aa Aa Aa
Line Spacing:
Column Width:
Background:
Article

Transient Stability Control Strategy Based on Uncertainty Quantification for Disturbances in Hybrid Energy Storage Microgrids

1
College of Engineering Science and Technology, Shanghai Ocean University, Shanghai 210306, China
2
Key Laboratory of High Performance Ship Technology (Wuhan University of Technology), Ministry of Education, Wuhan 430063, China
*
Author to whom correspondence should be addressed.
Appl. Sci. 2024, 14(22), 10212; https://doi.org/10.3390/app142210212
Submission received: 11 October 2024 / Revised: 1 November 2024 / Accepted: 4 November 2024 / Published: 7 November 2024

Abstract

The transient stability control for disturbances in microgrids based on a lithium-ion battery–supercapacitor hybrid energy storage system (HESS) is a challenging problem, which not only involves needing to maintain stability under a dynamic load and changing external conditions but also involves dealing with the energy exchange between the battery and the supercapacitor, the dynamic change of the charging and discharging process and other factors. This paper focuses on the bus voltage control of HESS under load mutations and system uncertainty disturbances. A BP Neural Network-based Active Disturbance Rejection Controller (BP-ADRC) is proposed within the traditional voltage-current dual-loop control framework, leveraging uncertainty quantification. Firstly, system uncertainties are quantified using system-identification tools based on measurable information. Subsequently, an Extended State Observer (ESO) is designed to estimate the total system disturbance based on the quantified information. Thirdly, an adaptive BP Neural Network-based Active Disturbance Rejection Controller is studied to achieve transient stability control of disturbances. Robust controllers, PID controllers and second-order linear Active Disturbance Rejection Controllers are employed as benchmark strategies to design simulation experiments. Simulation results indicate that, compared to other benchmark strategies, the BP-ADRC controller based on uncertainty quantification exhibits superior tracking and disturbance-rejection performance in transient stability control within microgrids of hybrid energy storage systems.

1. Introduction

With the advancement of DC microgrid technology, hybrid energy storage systems (HESSs) have also seen significant development in recent years. However, due to the diverse types of HESSs, extensive research has been conducted to achieve rapid energy conversion (storage and release) within microgrids (such as ship microgrids and wind power microgrids) under load disturbances and system uncertainties [1]. The control issues of microgrids based on HESSs include the distribution of unbalanced power within the system, the stability of the DC bus voltage and the coordinated control strategy of DC converters. Among these, the distribution of unbalanced power is the core of the control system [2]. Only by distributing unbalanced power in a timely manner can energy be released promptly when the system requires it, ensuring stable operation of the microgrid. However, as the role of renewable energy in microgrids becomes increasingly prominent, the volatility of energy output and the uncertainty of load demand changes cause unbalanced power fluctuations, posing new challenges to bus voltage tracking. A decline in bus voltage stability will directly increase the risk of equipment damage, operating costs and line losses, imposing higher demands on system scheduling and operational management [3,4,5,6,7,8]. To achieve stable operation of the bus voltage, an important step is to address the issue of bus voltage resistance to load disturbances [9,10,11,12]. Therefore, this paper discusses and proposes solutions to bus voltage resistance to load disturbances.
Extensive research has been conducted worldwide to address the challenge of bus voltage anti-load disturbance caused by unbalanced power fluctuations. The primary control methods can be categorized into two main types: model-based methods and model-free methods. Among the model-based methods, Model Predictive Control (MPC) is a prominent representative [13,14,15]. The advantage of this method is that it can predict the bus voltage input of the hybrid energy storage system based on the operating state of the microgrid under disturbances, thereby achieving timely tracking. However, precise modeling is challenging due to pulse interference in the microgrid and the dynamic characteristics of batteries and supercapacitors in the hybrid energy storage system. Consequently, model-free control methods have garnered more attention. Robust control is a typical method that maintains system stability under uncertainties such as system parameter variations, external disturbances and modeling errors [16]. It can achieve bus voltage anti-load disturbance characteristics and adjust control parameters in response to load pulses. However, this control method requires a deep understanding of the dynamic characteristics and uncertainties of the hybrid energy storage system, involves high design complexity and is mostly applicable to relatively small disturbances.
In addition to not relying on the precise model of the controlled object, intelligent control also has the advantages of strong adaptability, strong ability to handle complex systems, good real-time performance, strong anti-interference ability, not being affected by system dynamic changes and easy implementation of autonomous control. For example, fuzzy control has also achieved research results in bus voltage control. However, it still has issues such as performance being highly dependent on rule design, difficulty in knowledge acquisition and adjustment, high computational complexity and poor interpretability [17].
PID is one of the industry’s most widely used control methods, and it does not rely on the precise model of the controlled object. It can promptly eliminate the error between the control target and the actual behavior. However, it has been proven to have drawbacks, such as the side effects of integral feedback and the “weighted sum” strategy not being necessarily optimal [18]. Despite these shortcomings, PID remains a highly regarded method. To better explore and utilize the advantages of PID control, there are currently two main approaches to improving PID control.
The first approach is to improve PID control by integrating intelligent methods. References [17,19] combine dynamic programming and fuzzy control, two control methods without precise models, with PID control [20,21,22,23,24]. The advantage of these methods is that they can adjust the PID controller parameters in real-time based on the uncertainties of load pulses. However, the performance of the fuzzy control method is highly dependent on the design of fuzzy rules and the selection of membership functions. This typically requires specialized knowledge and experience and may involve extensive experimentation and tuning, resulting in high design complexity and poor robustness. Consequently, it can reduce the real-time performance and accuracy of bus voltage tracking.
The second approach to improving PID control is to enhance its modules. By improving the integral module of the PID controller, Active Disturbance-Rejection Control (ADRC) has been proposed. ADRC offers a faster response, smaller overshoot and better robustness, and it has been widely applied to various controlled objects, gaining industry recognition [25,26]. However, ADRC’s performance depends on parameter selection and tuning, and the parameters are relatively sensitive [27,28,29].
The primary objective of this study is to address the transient disturbance control in a hybrid energy storage microgrid comprising lithium batteries and supercapacitors. Initially, a hybrid energy storage microgrid was constructed based on its unique characteristics. Subsequently, a traditional second-order linear Active Disturbance-Rejection Controller (ADRC) was enhanced by integrating a BP neural network. This integration facilitates the quantification of uncertainties and the adjustment of parameters k p and k d . The uncertainty quantification method employed is based on system identification using MATLAB R2023b, which offers the advantage of rapidly quantifying linear disturbances.
The main work of this paper is as follows:
  • The main work of the Section 2 of this paper is to build an overall base model of the lithium battery–supercapacitor hybrid energy storage system, of which the details are, respectively, built lithium battery model, supercapacitor model, DC/DC bidirectional converter model, DC bus model, load-side perturbation model, as well as uncertainty perturbation model of the lithium battery–supercapacitor hybrid energy storage microgrid.
  • In the Section 3 of this paper, uncertainty is introduced on the basis of the built lithium battery–supercapacitor hybrid energy storage microgrid, and the quantization uncertainty model of system identification based on MATLAB is built. After quantization, the Back Propagation Neural Network is introduced to optimize the k p and k d parameters of the second-order linear Active Disturbance Rejection Controller.
  • Section 4 of this paper then presents the quantized uncertainty-based BP-ADRC controller in lithium battery–supercapacitor hybrid energy storage microgrids to test the suppression effect of load disturbances and uncertainty disturbances, using the PID controller, the LPV robust controller and the second-order linear ADRC controller as the substrate, to test the bus voltage tracking under the four controllers, and introduce three evaluation indexes, I A E , r i p , η a , to judge the bus voltage-tracking effect of individual controllers, and then introduce a BP network to optimize the parameters of k p and k d . Section 4 of this paper tests the proposed uncertainty quantification-based BP-ADRC controller, which is used as the base for the load and uncertainty disturbances.
  • Section 5 of this paper mainly analyzes of Section 4 and the simulation curve data of each group. It compares the curve tracking and oscillation of the BP-ADRC controller in busbar voltage tracking with other controllers in detail. Finally, data analysis shows that the BP-ADRC controller based on uncertainty quantization has a good voltage-tracking effect in the face of sudden load disturbance and linear uncertainty disturbance and can better suppress the fluctuations caused by disturbance.
  • The last section is the conclusion of this paper.

2. Mathematical Modeling of HESS

Figure 1 shows the overall schematic diagram of the microgrid with a lithium battery–supercapacitor hybrid energy storage system.
Figure 1 illustrates that the hybrid energy storage system in this study is composed of lithium batteries, supercapacitors and bidirectional DC/DC converters. The specific mathematical modeling process is as follows.

2.1. Lithium-Ion Battery

Lithium-ion batteries operate based on the redox reactions at the anode and cathode, enabling charging and discharging processes. During charging, chemical energy is converted into electrical energy for storage, while during discharging, electrical energy is converted back into chemical energy for energy output. A universal equivalent model for lithium-ion batteries can be constructed, representing the battery as a resistor in series with a controlled voltage source. It is assumed that the internal resistance and capacity remain constant during charging and discharging, and that all parameters are unaffected by external conditions such as temperature. The simplified circuit of the lithium-ion battery is shown in Figure 2.
According to the equivalent model, the output voltage of the lithium battery is as follows:
U B a t = E B a t R B a t I B a t
where E B a t , R B a t and I B a t represent the lithium battery’s open-circuit voltage, internal resistance and charge/discharge current, respectively.

2.2. Supercapacitor

A supercapacitor is a capacitor with high electrostatic capacity, formed by a layer of positive and negative charges. This paper employs a double-layer capacitor to establish an equivalent circuit model. Leakage is neglected (an equivalent parallel resistor can represent leakage, but the resistance value is very high and can be ignored). The modeling is carried out using a series structure, where R S C represents the internal resistance of the supercapacitor, and L S C simulates its inductance. The equivalent model of the supercapacitor is shown in Figure 3.
The voltage-current relationship of the supercapacitor is given by:
V S C = V S C i n i I S C R S C
d V S C d t = I S C L S C
where V S C i n i represents the initial voltage of the supercapacitor.

2.3. Bidirectional DC/DC Converter

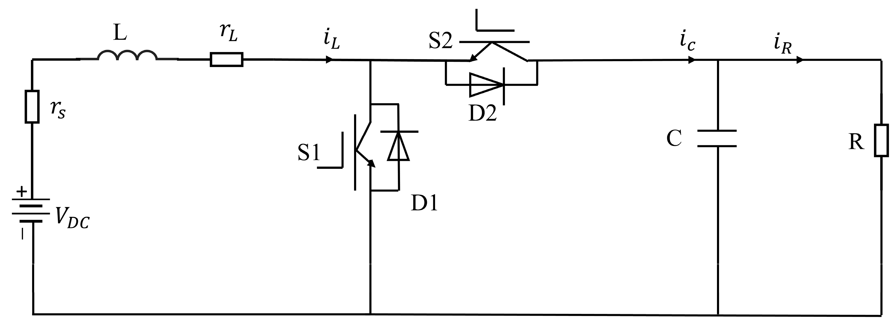
A hybrid energy storage system requires the bidirectional connection of lithium batteries, supercapacitors and the DC bus for energy transfer. Therefore, this paper selects a bidirectional DC/DC converter, with its topology shown in Figure 4.
The operating principle is illustrated in Figure 5.
ESD represents the energy storage device, Inv represents the inverter and Rec represents the rectifier.
Combining Figure 4 and Figure 5, it can be seen that when the energy storage device releases energy, the DC/DC converter operates in boost mode, controlling the release of power through real-time energy feedback to the storage device. Similarly, when the energy storage device absorbs energy, the DC/DC converter operates in buck mode.

2.4. DC Bus

The lithium battery and supercapacitor are connected in parallel to the DC bus through a bidirectional DC/DC converter. The model is shown in Figure 6.
As shown in Figure 6, R B a t is the internal resistance of the lithium battery, and R S C is the internal resistance of the supercapacitor, state-space method is used to establish a continuous system model to derive the differential equations for the lithium battery and supercapacitor, as indicated in Equations (4) and (5).
d I B a t d t = 1 L B a t [ V B a t R B a t I B a t V D C ( 1 α B a t ) ]
d I S C d t = 1 L S C [ V S C R S C I S C V D C ( 1 α S C ) ]
where α B a t is the duty cycle of the DC/DC converter connected to the lithium-ion battery, and α S C is the duty cycle of the DC/DC converter connected to the supercapacitor.

2.5. System Disturbance

The system disturbances in this paper are mainly divided into two parts. One part is the load mutation, and the other part is the system uncertainty disturbances caused by changes in parameters such as the charge/discharge efficiency and internal resistance of the lithium battery and supercapacitor, as well as fluctuations in renewable energy or external factors like the power grid. The mathematical model of the load mutation is as follows:
R = R 1 R = R 2 R = R 3 , , , 0 < t t 1 t 1 < t t 2 t 2 < t t 3
where R represents the load impedance of the hybrid energy storage system, R 1 , R 2 , R 3 represents different impedance values, t represents the operating time of the hybrid energy storage microgrid and t 1 , t 2 , t 3 represents the specific time at which the hybrid energy storage microgrid operates.
Based on the literature [30], which mentions that uncertainties in the hybrid energy storage system microgrid are mostly uniformly varying (such as battery current, system power), the uncertainty disturbance model in this paper is designed as follows:
φ = cos t + 1

3. BP-ADRC Based on Uncertainty Quantification

To ensure the microgrid’s stable operation, the stability of the DC bus voltage tracking must be maintained. This paper proposes a dual-loop control strategy for voltage and current in a hybrid energy storage system based on a BP-ADRC controller with uncertainty quantification, as shown in Figure 7.
The use of dual-loop PI control has several advantages over dual-loop PID control:
  • Lower Computational Complexity: The PI controller lacks a derivative term, resulting in lower computational requirements. This makes it suitable for real-time control systems, particularly resource-constrained embedded systems.
  • Enhanced Noise Immunity: The PI controller is less sensitive to high-frequency noise without the derivative term, enhancing system stability in noise or disturbances.
  • Simplified Parameter Tuning: The PI controller requires only the adjustment of proportional and integral parameters, simplifying the design and tuning process.
  • Suitable for Slow Dynamic Systems: The PI controller is appropriate for systems that do not require rapid response. It provides sufficient control accuracy in the lithium battery–supercapacitor hybrid energy storage system, where voltage and current change are relatively slow.
The proposed solution consists of two parts: Uncertainty Quantification and BP-ADRC. BP-ADRC refers to a Back Propagation Neural Network-based Active Disturbance Rejection Controller, which includes a Linear Extended State Observer (ESO) and a closed-loop controller. Additionally, V D C represents the input voltage of the hybrid energy storage system, V d c is the bus voltage tracked by the system, I t o t is the output current of the BP-ADRC, I t r is the filtered current and I S C and I B a t are the currents of the supercapacitor and lithium battery. f 0 ( x 1 , x 2 ) represents the quantified uncertainty model. The functions of the modules in the proposed solution are as follows:
  • Uncertainty Quantification Module: Based on the measured total current and actual voltage information, this module uses uncertainty quantification methods to obtain part of the acceleration information f 0 ( x 1 , x 2 ) that causes system disturbances.
  • Extended State Observer (ESO) Module: Utilizing the information f 0 ( x 1 , x 2 ) obtained from the Uncertainty Quantification Module, this module constructs an ESO with partially known disturbance information to estimate the unquantified disturbance information f 1 ( x 1 , x 2 ) required by the ADRC closed-loop controller.
  • BP-ADRC Module: Based on the total system disturbance estimation information obtained above, this module designs a closed-loop controller with parameter adaptive capability using a BP neural network to achieve the transient stability control objective of the bus voltage disturbance.

3.1. Uncertainty Quantification

Assume that the controlled process can be described as a second-order dynamic system, as shown in Equation (8) [18]:
d x 1 ( t ) d t = x 2 ( t ) d x 2 ( t ) d t = f ( x 1 , x 2 ) + b u ( t ) y ( t ) = x 1 ( t )
where the coefficient b in the control term is an unknown parameter, for the convenience of observer design, the second equation in (8) is rewritten as Equation (9) [18]:
d x 2 ( t ) d t = f ( x 1 , x 2 ) + ( b b 0 ) u ( t ) + b 0 u ( t )
where b 0 is a selected known parameter. Combining Equations (8) and (9) yields Equation (10) [18]:
f ( x 1 , x 2 ) + ( b b 0 ) u ( t ) = f 0 ( x 1 , x 2 ) + f 1 ( x 1 , x 2 )
where f 0 ( x 1 , x 2 ) represents the dynamics that can be quantified through measurement information, and f 1 ( x 1 , x 2 ) represents the part that cannot be quantified or is inaccurately quantified.
Using MATLAB’s system-identification tool, this paper identifies a second-order state-space model based on historical data of V d c (input u ( t ) ) and I t o t (output y ( t ) ). The specific identification process is as follows.
  • Data Preparation:
Input Data:
u ( t ) = [ u 0 ( t ) , u 1 ( t ) , , u N ( t ) ]
Output Data:
y ( t ) = [ y 0 ( t ) , y 1 ( t ) , y N ( t ) ]
Sampling Time: T s
2.
Constructing the Hankel Matrix:
Past input/output Hankel matrix [31]:
U p = u 0 ( t ) u 1 ( t ) u k 1 ( t ) u 1 ( t ) u 2 ( t ) u k ( t ) u N 1 ( t ) u N ( t ) u k + N 2 ( t )
Y p = y 0 ( t ) y 1 ( t ) y k 1 ( t ) y 1 ( t ) y 2 ( t ) y k ( t ) y N 1 ( t ) y N ( t ) y k + N 2 ( t )
Future input/output Hankel matrix [31]:
U f = u k ( t ) u k + 1 ( t ) u 2 k 1 ( t ) u k + 1 ( t ) u k + 2 ( t ) u 2 k ( t ) u k + N 1 ( t ) u k + N ( t ) u 2 k + N 2 ( t )
Y f = y k ( t ) y k + 1 ( t ) y 2 k 1 ( t ) y k + 1 ( t ) y k + 2 ( t ) y 2 k ( t ) y k + N 1 ( t ) y k + N ( t ) y 2 k + N 2 ( t )
where k is a specific time.
Consider the following time-invariant linear state-space model [31]:
x k + 1 ( t ) = A x k ( t ) + B u k ( t ) y k ( t ) = C x k + D u k ( t )
The Toeplitz matrix [31]:
ψ k = D 0 0 C B D 0 C A k 2 B C A k 3 B D
Extend the observability matrix [31]:
Γ k = C C A C A k 1
Past state sequence [31]:
X P = x 0 ( t ) x 1 ( t ) x N 1 ( t )
Future state sequence [31]:
X f = x k ( t ) x k + 1 ( t ) x k + N 1 ( t )
According to Formulas (13)–(21), Formulas (22) and (23) can be derived as follows [31]:
Y p = Γ k X P + ψ k U P
Y f = Γ k X f + ψ k U f
The following formula is derived [31]:
ξ = Γ k X f
3.
Singular Value Decomposition (SVD) [31]:
Perform singular value decomposition on (24):
ξ = U 1 U 2 Σ 1 0 0 0 V 1 Τ V 2 Τ = U 1 Σ 1 V 1 Τ
Γ k = U 1 Σ 1 1 / 2 T
X f = T 1 Σ 1 1 / 2 V 1 Τ
where U 1 and U 2 are parts of the left singular vector matrix of the input data matrix, 1 is the singular value matrices, V is the matrix obtained through singular value decomposition and V 1 and V 2 are submatrices of V .
The state sequence vector can be estimated according to Formulas (25)–(27) [31]:
X k = [ x k ( t ) x k + 1 ( t ) x k + N 1 ( t ) ]
4.
Estimation of System Matrices:
Define N-1 vectors [31]:
X ¯ k = x k + 1 ( t ) x k + N 1 ( t )
X ¯ k = x k ( t ) x k + N 2 ( t )
U ¯ k | k = u k ( t ) u k + N 2 ( t )
Y ¯ k | k = y k ( t ) y k + N 2 ( t )
Then it is derived according to the above formula [31]:
X ¯ k + 1 Y ¯ k | k = A B C D Y ¯ k U ¯ k | k
The final second-order state-space model is obtained as follows [18]:
d x 1 ( t ) d t d x 2 ( t ) d t = A x 1 ( t ) x 2 ( t ) + B u ( t )
y ( t ) = C x 1 ( t ) x 2 ( t )
where the matrix A can be decomposed as follows:
A = a 1 a 2 a 3 a 4
Therefore, the uncertainty model obtained through uncertainty quantification is:
f 0 ( x 1 , x 2 ) = a 3 x 1 ( t ) + a 4 x 2 ( t )

3.2. Extended State Observer Based on Uncertainty Quantification

The mathematical model of the third-order Linear Extended State Observer (LESO) based on uncertainty quantification is shown in Equation (38) [18]:
d z 1 ( t ) d t = z 2 ( t ) + 3 ω o ( y ( t ) z 1 ( t ) ) d z 2 ( t ) d t = z 3 ( t ) + 3 ω o 2 ( ( y ( t ) z 1 ( t ) ) + f 0 ( z 1 , z 2 ) + b 0 u ( t ) d z 3 ( t ) d t = ω o 3 ( ( y ( t ) z 1 ( t ) )
where y ( t ) z 1 ( t ) is the estimation error of the LESO, z 1 ( t ) , z 2 ( t ) and z 3 ( t ) are the outputs of the observer and ω o is the gain parameter of the observer. By appropriately selecting ω o , the estimated value of f 1 ( x 1 , x 2 ) can be obtained as z 3 ( t ) . Therefore, the total disturbance of the system in Equation (10) can be described as [18]:
f ( x 1 , x 2 ) + ( b b 0 ) u ( t ) = f 0 ( x 1 , x 2 ) + z 3 ( t )

3.3. BP-ADRC Under Uncertainty Quantification

Based on the total disturbance information obtained above, this paper adopts a linear ADRC controller, as shown in Figure 8, to achieve voltage tracking and disturbance-rejection performance.
The parameters of the linear ADRC controller include the parameters of the extended state observer ω o , b 0 and the controller parameters k p and k d . The parameter ω o determines the controller’s ability to track disturbance information, while k p and k d determine the controller’s ability to track control targets. Selecting the maximum ω o within the allowable bandwidth range in engineering implementation can obtain the most disturbance information, thus providing a clear empirical basis for parameter tuning. The parameters k p and k d are more sensitive to disturbance changes than ω o , requiring more prominent adaptive capabilities for parameter tuning. Therefore, this paper proposes a method using a BP neural network to adjust the parameters k p and k d . Compared with traditional parameter tuning, the BP neural network can provide better disturbance-rejection performance for the controller. Real-time optimization of k p and k d in the linear ADRC results in better overall control performance. The overall solution is shown in Figure 9:
First, the bus voltage is subtracted from the actual voltage to obtain the deviation e 1 ( t ) , which is input to the ADRC controller, and the control current y ( t ) is output. The deviation e 2 ( t ) is obtained by subtracting the bus voltage V D C from the output voltage v ( t ) . Then, e 2 ( t ) , v ( t ) and V D C are simultaneously input into the neural network for training and k p and k d are obtained and fed back to the LADRC controller in real-time. The neural network training structure diagram is shown in Figure 10.
In Figure 10, from left to right are the input layer, hidden layer and output layer, with the input and output of the hidden layer as follows [27]:
J i n ( n ) = i 3 w i j I i n ( n ) J o u t ( n ) = f ( J i n ( n ) )
K i n ( n ) = j = 1 4 w j k J o u t ( n ) K o u t ( n ) = g ( K i n ( n ) )
w i j and w j k are the weight coefficients of the neural network. The activation function of the neural network is [27]:
f ( x ) = 1 e x + 1
The network performance index is defined as [27]:
E ( k ) = 1 2 [ V D C ( k ) v ( k ) ] 2 = 1 2 e 2 ( k )
The weight coefficient update is achieved through the gradient descent method [27]:
Δ w j k ( n ) = η E ( n ) w j k ( n )
where η is the learning rate. The transformation of E ( n ) w j k ( n ) can be as follows [27]:
E ( n ) w j k ( n ) = E ( n ) K o u t ( n ) E o u t ( n ) K i n ( n ) K i n ( n ) w j k ( n ) K i n ( n ) w j k ( n ) = J o u t ( n )
This paper utilizes MATLAB’s built-in Neural Network Toolbox to train the BP neural network and achieve real-time parameter interaction between Simulink and the neural network. The learning rate η for the BP-ADRC is set to 0.2. The manually tuned parameters for the Extended State Observer (ESO) are fixed at ω o = 300 and b 0 = 1000.

4. Simulation Study on Disturbance Transient Control

To validate the proposed method’s ability to enhance the disturbance-rejection capability of bus voltage and achieve bus voltage tracking based on existing methods, two sets of meticulously designed disturbance-rejection-simulation experiments were conducted. These include the bus voltage disturbance rejection under load disturbance and bus voltage disturbance rejection under uncertainty disturbance. The benchmark comparison strategies include traditional PID control (parameters set according to reference [21], with a proportional parameter of 0.71 and an integral parameter of 182), Linear Parameter Varying (LPV) controller [16] and traditional linear Active Disturbance Rejection Control (ADRC). The simulation parameters for the hybrid energy storage system (HESS) are shown in Table 1.
To ensure the experiment’s accuracy, this paper presents three evaluation metrics for measuring the effectiveness of bus voltage tracking [16]:
I A E = 0 t e ( t ) d t
r i p = ( V d c max V d c min ) / V d c
η a = V d c / V D C
Robustness and comprehensive performance evaluation are the reasons for choosing I A E to evaluate the curve-tracking performance in this paper.
The r i p parameter ensures the stable representation of sparse signals by the observation matrix, meaning that even in the presence of noise or incomplete data, the signal can be accurately reconstructed. This is crucial for precise curve tracking.
Dynamic response and robustness evaluation are the reasons for using the η a to evaluate tracking performance.
The Integral of Absolute Error I A E represents the absolute error between the tracking curve and the target curve, which e ( t ) denotes the tracking error. A smaller absolute tracking error indicates higher precision. The ripple r i p of the tracking curve represents the rapidity of bus voltage tracking. It is calculated by subtracting the minimum value from the maximum value of the tracking curve and dividing it by the target voltage value. Similar to I A E , a smaller value indicates better tracking performance. The tracking accuracy η a represents the stability of the tracking effect, calculated by dividing the bus-tracking voltage by the bus voltage. The closer this value is to 1, the better the overall tracking performance. Here, V d c is the bus-tracking voltage, V d c min and V d c max are the minimum and maximum tracking voltages, respectively.

4.1. Transient Stability Control Experiment for Load Disturbance Rejection

To validate the disturbance-rejection capability of the proposed method, this paper first designs a simulation experiment for bus voltage tracking under load disturbance. The simulation is designed to change the load disturbance magnitude at 2 s and 4 s while maintaining the same control input bus voltage: from 0 to 2 s, the load impedance is 50 Ω; at 2 s, it suddenly changes to 100 Ω and remains at this value until 4 s; from 2 to 4 s, the load impedance is 100 Ω [16]. Then, at 4 s, the impedance changes back to 50 Ω and remains until the end of the simulation. A constant 2 V voltage disturbance signal is also introduced at 1 s and 3 s of the simulation. This section sets up four simulation experiments, where four controllers are tasked with tracking bus voltages of 20 V, 30 V, 40 V and 50 V under the same conditions. Figure 11, Figure 12, Figure 13 and Figure 14 show the bus voltage-tracking performance of each controller.
From the curves in Figure 11a, Figure 12a, Figure 13a and Figure 14a, it can be concluded that when disturbance signals are introduced, the BP-ADRC bus voltage tracking exhibits the smallest fluctuation range, between 0.15 and 0.3 V, and the shortest recovery tracking time, ranging from 0.042 s to 0.051 s. Additionally, from the curves in Figure 11b, Figure 12b, Figure 13b and Figure 14b, it can be observed that in the presence of external load disturbances, the BP-ADRC bus voltage tracking shows the smallest fluctuation range, between 0.02 V and 0.08 V, and the shortest recovery-tracking time, ranging from 0.012 s to 0.067 s.
To ensure the rigor of the simulation experiments, the simulated curve data was imported into the MATLAB workspace. Subsequently, each set of data was substituted into Equations (31)–(33), resulting in Table 2 as shown below:
Based on Table 2, the data for BP-ADRC is superior to the other three controllers. This indicates that the method proposed in this paper achieves good control performance for load disturbances in bus voltage.

4.2. Transient Stability Control Experiment for Uncertainty Disturbances

Using Equation (7), system uncertainty disturbances were introduced into the simulation environment for each controller. Under identical conditions, each controller’s bus voltage-tracking performance was compared. Simulation experiments were conducted with input bus voltages of 20 V, 30 V, 40 V and 50 V. The experimental curves are shown in Figure 15, Figure 16, Figure 17 and Figure 18.
Based on the curves from Figure 15, Figure 16, Figure 17 and Figure 18, it can be observed that compared to other controllers, the BP-ADRC controller achieves the smallest fluctuations and the most stable tracking performance under uncertain disturbances.

5. Discussions

This paper thoroughly addresses the issue of disturbance transient control in a lithium battery–supercapacitor hybrid energy storage microgrid, both theoretically and practically. Firstly, we constructed a hybrid energy storage system comprising a battery, supercapacitor, bidirectional DC/DC converter, bus voltage, load-side disturbances and uncertain disturbances. Secondly, we trained the dynamic parameters k p and k d of the Active Disturbance Rejection Controller using a BP neural network. Utilizing the state observer within the ADRC, we quantified the uncertainties in the hybrid energy storage system based on system-identification methods. Finally, we conducted two significant simulation experiments to validate that the proposed method can effectively suppress load-side and uncertain disturbances within the hybrid energy storage system. The detailed conclusions of the simulation are as follows.
We obtained the parameter values in Table 2 for the load disturbance-rejection curves. The LPV robust controller showed improvements over the PID controller in all metrics. Specifically, the I A E on the tracking voltage curves under various bus voltage inputs was reduced by approximately 3% and the r i p values of the two controllers were reduced by 4.5% to 19%. The traditional Active Disturbance Rejection Controller (ADRC) further improved upon the LPV robust controller, with the I A E reduced by 3.9% to 6.35% and the r i p values reduced by 0.56% to 6.68% under various tracking voltages. The BP neural network-based ADRC showed further reductions compared to the traditional ADRC. The I A E was reduced by 0.89% to 5.4% and the r i p values were reduced by 1.7% to 5.98%. The tracking accuracy of the four controllers was nearly identical, with a negligible difference in r i p . Overall, the BP-ADRC controller demonstrated excellent load disturbance-rejection performance. Therefore, the proposed BP-ADRC controller can effectively suppress disturbances at the load end in a lithium battery–supercapacitor hybrid energy storage system.
For the anti-uncertainty disturbance-simulation experiment, the following conclusions can be drawn from Figure 15, Figure 16, Figure 17 and Figure 18: Firstly, the green simulation curve of the PID under various input bus voltages did not achieve real-time tracking of the bus voltage, with a deviation range of approximately 20–50 V. This indicates that the PID controller has lost its ability to track the bus voltage in the face of uncertainties, and the output voltage curve cannot meet the requirements of the hybrid energy storage microgrid, demonstrating its poor response to uncertainties. Secondly, the brown bus voltage-tracking curve of the LPV robust controller, although having smaller errors than the PID, also failed to achieve real-time tracking, with an error range of 0.5–3 V. This indicates that its bus voltage-tracking performance is affected by uncertainties, showing its inability to suppress disturbances caused by uncertainties effectively. Thirdly, although capable of tracking, the blue simulation curve of the ADRC exhibited significant oscillations with a real-time amplitude of 0.15–0.23 V. In contrast, the red bus voltage-tracking curve under the BP-ADRC controller achieved nearly perfect tracking, remaining smooth and oscillation-free throughout, demonstrating its excellent ability to suppress uncertainty disturbances. This is attributed to its ability to quantify uncertainty disturbances through a state observer and optimize parameters via a BP neural network.
All the above data show that the BP-ADRC controller based on uncertainty quantization proposed in this paper is better than the PID controller, LPV robust controller and second-order linear ADRC controller for load disturbance and uncertain disturbance in a lithium battery–ultracapacitor microgrid. These findings prove that the BP-ADRC controller proposed in this paper has better load-end disturbance- and uncertainty-rejection performance effects compared to the PID controller, LPV robust controller and second-order linear ADRC controller.

6. Conclusions

Addressing the issues of bus voltage-tracking fluctuations and poor disturbance-rejection capability in hybrid energy storage systems within DC microgrids under load variations and system uncertainty disturbances, this paper integrates a BP neural network into the LADRC controller to adjust its parameters k p and k d based on the quantification of system disturbance uncertainties. The main conclusions of this paper are as follows:
  • The system-identification method can quantify the uncertainties of the hybrid energy storage microgrid under the ADRC controller.
  • Quantifying uncertainties within the hybrid energy storage microgrid can enhance its disturbance-rejection capability.
  • With improved disturbance-rejection capability, the operational efficiency of the hybrid energy storage microgrid will increase.
Based on the proposed method, future work will explore other methods for quantifying uncertainties in hybrid energy storage systems to improve the quantification effect and study the operational capabilities of hybrid energy storage microgrids under more uncertain conditions.

Author Contributions

C.W.: Responsible for the background investigation, writing and simulation of the experiment. Z.L.: Responsible for the revision of the language and formulas of the paper, the editing of the language. H.H.: Guidance, review and editing of writing. G.Y.: Guidance, review and editing of writing. All authors have read and agreed to the published version of the manuscript.

Funding

This research supported by Open Fund of Key Laboratory of High Performance Ship Technology (Wuhan University of Technology), Ministry of Education [grant number gxnc23052801].

Institutional Review Board Statement

Not applicable.

Informed Consent Statement

Not applicable.

Data Availability Statement

This study is ongoing, please contact the authors if you need specific data.

Conflicts of Interest

The authors declare no conflicts of interest.

Nomenclature

U B a t Lithium battery external voltage
E B a t Lithium battery external voltage
R B a t Internal resistance of lithium battery
I B a t Lithium battery current
U S C External voltage of the supercapacitor
V S C i n i Intial voltage of the supercapacitor
R S C Internal resistance of lithium supercapacitor
I S C Lithium supercapacitor current
V D C Input bus voltage
V d c Bus-tracking voltage
α B a t Duty cycle of the DC/DC converter connected to the lithium battery
α S C Duty cycle of the DC/DC converter connected to the supercapacitor
R Impedance value at the load end
R 1 0 − t 1 Time impedance value at the load end
R 2 t 1 t 2 Time impedance value at the load end
R 3 t 2 t 3 Time impedance value at the load end
φ Uncertainty
I t o t BP-ADRC controller output current
I t r Current passing through the high-pass filter
I a The difference between I t o t and I t r
v ( t ) Output of hybrid energy storage system
e 1 ( t ) The difference between V D C and V d c
e 2 ( t ) The difference between V D C and v ( t )
k p Proportional parameter of BP-ADRC
k d Differential parameter of BP-ADRC
ω o Initial parameters of the state observer
I A E Integral of absolute error
r i p Restricted isometry property
η a The ratio of each sample point V D C to V d c
f 0 ( x 1 , x 2 ) Uncertainty of BP-ADRC quantification

References

  1. Gu, Y.; Xiang, X.; Li, W. Mode-Adaptive Decentralized Control for Renewable DC Microgrid with Enhanced Reliability and Flexibility. IEEE Trans. Power Electron. 2014, 29, 5072–5080. [Google Scholar] [CrossRef]
  2. Tian, Y.; Yang, D.; Lu, Y. Disturbance Analysis of Renewable Energy Multi Flexible DC Bus Converge System and Multi-Bus Coordinative Control for Disturbance Rejection. Proc. CSEE 2024, 1–14. [Google Scholar] [CrossRef]
  3. Jiang, Y.; Liu, H.; Ye, S. Energy-Storage and Reactive-Power Optimization of a High-Proportional New Energy Distribution Network Considering Voltage Quality and Flexibility. Electr. Power Constr. 2023, 44, 68–79. [Google Scholar]
  4. Ding, L.; Ke, S.; Zhang, F. Forecasting of Electric-Vehicle Charging Load Considering Travel Demand and Guidance Strategy. Electr. Power Constr. 2024, 45, 10–26. [Google Scholar]
  5. Hu, W.; Cao, D.; Huang, Q. Application of Deep Reinforcement Learning in Optimal Operation of Distribution Network. Autom. Electr. Power Syst. 2023, 47, 174–191. [Google Scholar]
  6. Zhou, D.; Yuan, Z.; Li, J. An Advanced Fuzzy Control Strategy for Hybrid Energy Storage Systems Considering Smoothing of Wind Power Fluctuations at Future Moments. Power Gener. Technol. 2024, 45, 412–422. [Google Scholar]
  7. Wang, Z.; Chen, Q.; Zhang, Y. Wind-Power Smoothing Strategy Based on Hybrid Energy Storage to Reduce Smoothing Power Lag. Electr. Power Constr. 2023, 44, 149–159. [Google Scholar]
  8. Long, H. Application of Energy Storage Technology in Large-scale New Energy Grid Integration. Electr. Eng. 2024, 32–35. [Google Scholar] [CrossRef]
  9. Li, J.; Yang, B.; Hu, Y. Location and Capacity Planning of Electricity-Hydrogen Hybrid Energy Storage System Considering Demand Response. Power Syst. Technol. 2023, 47, 3698–3714. [Google Scholar]
  10. Wang, H.; Chen, J.; Li, B. Large-disturbance Stability Analysis of DC Microgrid Based on Improved Droop Control. Proc. CSU-EPSA 2023, 35, 1–11. [Google Scholar]
  11. Yang, Y.; Huang, J. Bus Voltage Control of DC Microgrid Based on Differential Flatness Theory. Proc. CSU-EPSA 2022, 34, 66–73. [Google Scholar]
  12. Zhang, Q.; Zheng, X.; Liu, Y. Active Damping Suppression Strategy for Bus Voltage Oscillation in Ship Microgrid Source-Load Cascade System. Proc. CSU-EPSA 2022, 34, 1–10. [Google Scholar]
  13. Punna, S.; Manthai, U.B.; Arunkumar, R.C.R. A Comparative Analysis of PI and Predictive Control Strategy for HESS Based Bi-directional DC-DC Converter for DC Microgrid Applications. Lect. Notes Electr. Eng. 2022, 824, 181–220. [Google Scholar]
  14. Zhong, L.; Yin, B.; Liu, W.Z. Research on Model Predictive Controlled HESS for Seamless Mode Switching of DC Microgrid. IEEE Trans. Appl. Supercond. 2021, 31, 1–5. [Google Scholar] [CrossRef]
  15. Moghadam, M.; Ghaffarzadeh, N. Suppressing Solar PV Output Fluctuations by Designing an Efficient Hybrid Energy Storage System Controller. Unconv. Resour. 2024, 4, 14–25. [Google Scholar] [CrossRef]
  16. Sellali, M.; Betka, A.; Djerdir, A. A Novel Energy Management Strategy in Electric Vehicle Based on H∞ Self-Gain Scheduled for Linear Parameter Varying Systems. IEEE Trans. Energy Convers. 2021, 36, 767–778. [Google Scholar] [CrossRef]
  17. Liu, Y.Y.; Yang, Z.P.; Wu, X.B. An Adaptive Energy Management Strategy of Stationary Hybrid Energy Storage System. IEEE Trans. Transp. Electrif. 2022, 8, 2261–2272. [Google Scholar] [CrossRef]
  18. Han, J. From PID Technique to Active Disturbances Rejection Control Technique. Basic Autom. 2002, 3, 13–18. [Google Scholar]
  19. Wu, X.M.; Li, S.Y.; Gan, S.F. An Adaptive Energy Optimization Method of Hybrid Battery-Super capacitor Storage System for Uncertain Demand. Energies 2022, 15, 1765. [Google Scholar] [CrossRef]
  20. Su, J.L.; Li, K.; Li, Y.F. A Novel State-of-Charge-Based Droop Control for Battery Energy Storage Systems to Support Coordinated Operation of DC Microgrids. IEEE J. Emerg. Sel. Top. Power Electron. 2023, 11, 312–324. [Google Scholar] [CrossRef]
  21. Papageorgiou, P.; Oureilidis, K.; Tsakiri, A. A Modified Decentralized Droop Control Method to Eliminate Battery Short-Term Operation in a Hybrid Supercapacitor/Battery Energy Storage System. Energies 2023, 16, 2858. [Google Scholar] [CrossRef]
  22. Huang, K.; Li, Y.; Zhang, X. Research on Power Control Strategy of Household-Level Electric Power Router Based on Hybrid Energy Storage Droop Control. Prot. Control. Mod. Power Syst. 2021, 6, 1–13. [Google Scholar] [CrossRef]
  23. Xu, C.; Li, M.; Chen, Z. Meta rule-based energy management strategy for battery/super capacitor hybrid electric vehicles. Energy 2023, 285, 1293. [Google Scholar]
  24. Romos, G.A.; Costa-Castelló, R. Energy Management Strategies for Hybrid Energy Storage Systems Based on Filter Control: Analysis and Comparison. Electronics 2022, 11, 1631. [Google Scholar] [CrossRef]
  25. Han, J.Q. From PID to Active Disturbance Rejection Control. IEEE Trans. Ind. Electron. 2009, 56, 900–906. [Google Scholar] [CrossRef]
  26. Xu, L.; Zhuo, S.; Liu, J. Advancement of active disturbance rejection control and its applications in power electronics. IEEE Trans. Ind. Appl. 2023, 60, 1680–1694. [Google Scholar] [CrossRef]
  27. Zhu, J.; Ge, Q.; Sun, P. Traction-System Research of High-Speed Maglev Based on Active Disturbance Rejection Control. Trans. China Electrotech. Soc. 2020, 35, 1065–1074. [Google Scholar]
  28. Gao, Z.Q. Scaling and bandwidth-parameterization based controller tuning. In Proceedings of the IEEE 2003 American Control Conference, Denver, CO, USA, 4–6 June 2003; pp. 4989–4996. [Google Scholar]
  29. Tirpude, S. Analysis of a function fitting neural network based control strategy for a hybrid energy storage system applied to electric vehicles. Int. J. Emerg. Trends Eng. Res. 2020, 8, 2955–2962. [Google Scholar] [CrossRef]
  30. Reza, M.S.; Hannan, M.A.; Mansor, M. Uncertainty parameters of battery energy storage integrated grid and their modeling approaches: A review and future research directions. J. Energy Storage 2023, 68, 107698. [Google Scholar] [CrossRef]
  31. Li, Z.M.; Guo, S.W. Linear Active Disturbance Rejection Controller Based on N4SID Subspace Identification. Inf. Control 2017, 46, 159–164. [Google Scholar]
Figure 1. Overall block diagram of microgrid.
Figure 1. Overall block diagram of microgrid.
Applsci 14 10212 g001
Figure 2. Equivalent model of lithium-ion battery.
Figure 2. Equivalent model of lithium-ion battery.
Applsci 14 10212 g002
Figure 3. Equivalent model of supercapacitor.
Figure 3. Equivalent model of supercapacitor.
Applsci 14 10212 g003
Figure 4. Bidirectional DC/DC converter topology.
Figure 4. Bidirectional DC/DC converter topology.
Applsci 14 10212 g004
Figure 5. Schematic diagram of the operation of a bidirectional DC/DC converter.
Figure 5. Schematic diagram of the operation of a bidirectional DC/DC converter.
Applsci 14 10212 g005
Figure 6. Schematic diagram of the operation of a bidirectional DC/DC converter.
Figure 6. Schematic diagram of the operation of a bidirectional DC/DC converter.
Applsci 14 10212 g006
Figure 7. Hybrid energy storage system voltage and current double-loop control.
Figure 7. Hybrid energy storage system voltage and current double-loop control.
Applsci 14 10212 g007
Figure 8. Linear ADRC controller flow diagram.
Figure 8. Linear ADRC controller flow diagram.
Applsci 14 10212 g008
Figure 9. Block diagram of the overall system.
Figure 9. Block diagram of the overall system.
Applsci 14 10212 g009
Figure 10. BP neural network structure diagram.
Figure 10. BP neural network structure diagram.
Applsci 14 10212 g010
Figure 11. (a) The 20 V bus-tracking voltage anti-signal interference curve. (b) The 20 V bus-tracking voltage anti-load disturbance curve. (c) The 20 V bus-tracking voltage total anti-disturbance curve.
Figure 11. (a) The 20 V bus-tracking voltage anti-signal interference curve. (b) The 20 V bus-tracking voltage anti-load disturbance curve. (c) The 20 V bus-tracking voltage total anti-disturbance curve.
Applsci 14 10212 g011
Figure 12. (a) The 30 V bus-tracking voltage anti-signal interference curve. (b) The 30 V bus-tracking voltage anti-load disturbance curve. (c) The 30 V bus-tracking voltage total anti-disturbance curve.
Figure 12. (a) The 30 V bus-tracking voltage anti-signal interference curve. (b) The 30 V bus-tracking voltage anti-load disturbance curve. (c) The 30 V bus-tracking voltage total anti-disturbance curve.
Applsci 14 10212 g012
Figure 13. (a) The 40 V bus-tracking voltage anti-signal interference curve. (b) The 40 V bus-tracking voltage anti-load disturbance curve. (c) The 40 V bus-tracking voltage total anti-disturbance curve.
Figure 13. (a) The 40 V bus-tracking voltage anti-signal interference curve. (b) The 40 V bus-tracking voltage anti-load disturbance curve. (c) The 40 V bus-tracking voltage total anti-disturbance curve.
Applsci 14 10212 g013
Figure 14. (a) The 50 V bus-tracking voltage anti-signal interference curve. (b) The 50 V bus-tracking voltage anti-load disturbance curve. (c) The 50 V bus-tracking voltage total anti-disturbance curve.
Figure 14. (a) The 50 V bus-tracking voltage anti-signal interference curve. (b) The 50 V bus-tracking voltage anti-load disturbance curve. (c) The 50 V bus-tracking voltage total anti-disturbance curve.
Applsci 14 10212 g014
Figure 15. The 20 V bus tracking voltage disturbance rejection performance.
Figure 15. The 20 V bus tracking voltage disturbance rejection performance.
Applsci 14 10212 g015
Figure 16. The 30 V bus tracking voltage disturbance rejection performance.
Figure 16. The 30 V bus tracking voltage disturbance rejection performance.
Applsci 14 10212 g016
Figure 17. The 40 V bus tracking voltage disturbance rejection performance.
Figure 17. The 40 V bus tracking voltage disturbance rejection performance.
Applsci 14 10212 g017
Figure 18. The 50 V bus-tracking voltage disturbance rejection performance.
Figure 18. The 50 V bus-tracking voltage disturbance rejection performance.
Applsci 14 10212 g018
Table 1. Table of values for HESS parameters [16].
Table 1. Table of values for HESS parameters [16].
ParameterTitle 3
Battery Rated Voltage/V12
Battery Rated Current/A20
Battery Internal Resistance/Ω0.0012
Capacitor Rated Voltage/V16
Capacitor Open Circuit Current/A10
Capacitor Internal Resistance/Ω0.0021
Table 2. Table of simulated curve data derived from Equations (31)–(33).
Table 2. Table of simulated curve data derived from Equations (31)–(33).
VoltageController I A E r i p η a
20 VADRC0.00641.35551.0001
PID0.01151.34851.0002
LPV0.02201.35600.9997
BP-ADRC0.00151.00290.9936
30 VADRC2.00060.75550.7499
PID1.99930.88490.7501
LPV2.00530.77150.7493
BP-ADRC0.00100.75510.7454
40 VADRC0.01911.00130.9976
PID0.05391.32141.0001
LPV0.05011.12110.9976
BP-ADRC0.00321.02960.9944
50 VADRC0.04281.00020.9957
PID6.16302.19901.0603
LPV0.07691.12770.9956
BP-ADRC0.00421.02230.9919
Disclaimer/Publisher’s Note: The statements, opinions and data contained in all publications are solely those of the individual author(s) and contributor(s) and not of MDPI and/or the editor(s). MDPI and/or the editor(s) disclaim responsibility for any injury to people or property resulting from any ideas, methods, instructions or products referred to in the content.

Share and Cite

MDPI and ACS Style

Wang, C.; Lei, Z.; Huo, H.; Yao, G. Transient Stability Control Strategy Based on Uncertainty Quantification for Disturbances in Hybrid Energy Storage Microgrids. Appl. Sci. 2024, 14, 10212. https://doi.org/10.3390/app142210212

AMA Style

Wang C, Lei Z, Huo H, Yao G. Transient Stability Control Strategy Based on Uncertainty Quantification for Disturbances in Hybrid Energy Storage Microgrids. Applied Sciences. 2024; 14(22):10212. https://doi.org/10.3390/app142210212

Chicago/Turabian Style

Wang, Ce, Zhengling Lei, Haibo Huo, and Guoquan Yao. 2024. "Transient Stability Control Strategy Based on Uncertainty Quantification for Disturbances in Hybrid Energy Storage Microgrids" Applied Sciences 14, no. 22: 10212. https://doi.org/10.3390/app142210212

APA Style

Wang, C., Lei, Z., Huo, H., & Yao, G. (2024). Transient Stability Control Strategy Based on Uncertainty Quantification for Disturbances in Hybrid Energy Storage Microgrids. Applied Sciences, 14(22), 10212. https://doi.org/10.3390/app142210212

Note that from the first issue of 2016, this journal uses article numbers instead of page numbers. See further details here.

Article Metrics

Back to TopTop