Adaptive Feedback Control for Four-Phase Interleaved Boost Converter Used with PEM Fuel Cell †
Abstract
1. Introduction
- State-feedback control ensures global output regulation and disturbance attenuation for dynamic systems, whether linear or nonlinear. This method also offers great flexibility in designing control laws, allowing adaptation to various dynamic system configurations [23].
- The design of this controller is linked to the internal and external states of the system in closed-loop, thus allowing precise and efficient control of the internal states and the system output.
- Algorithmic simplicity: Although this type of control may add complexity, it also helps reduce algorithmic complexity by simplifying implementation, focusing on regulating relevant internal states of the system.
- A simple robust controller is proposed by combining two linear control algorithms. Additionally, a simple theoretical proof is provided to certify the corresponding stability.
- The LQR controller is employed to synthesize the best parameters by considering the performance index.
2. Four-Phase IBC and PEM Fuel Cell Modeling
2.1. PEM Fuel Cell Modeling
2.2. Four-Phase Interleaved Boost Converter Modeling

| Item | Components | Simulation Value |
|---|---|---|
| Fuel cell stack | Number of cells in stack | 46 |
| Voltage range | 22 to 50 V | |
| Nominal fuel cell stack voltage | 26 V | |
| Nominal current | 0 to 46 A | |
| Auxiliary power | 24 V (60 W) | |
| Four−phase IBC | : Output voltage | 40∼70 V |
| C: Capacitor | 600 F | |
| f: Working frequency | 5 kHz | |
| U: Duty cycle | 0.458 | |
| : Current load | 3.75∼8.75 A | |
| : Inductors | 1 mH | |
| BS + STSM | Outer loop | , |
| Inner loop | , | |
| DL-STSM | Outer loop | , |
| Inner loop | , | |
| PI | Outer loop | , |
| Inner loop | , |
3. Controller Design
3.1. PI Design
3.2. Proposed Control Design
3.2.1. Current Loop Gains Synthesis
- Step 1: controller synthesis
- Step 2: controller synthesis
3.2.2. Voltage Loop Gains Synthesis
- Step 1: controller synthesis
- Step 2: controller synthesis
3.3. DL-STSM Design
- Designing the current loop by determining the control law gains to ensure its stability;
- Solving the transfer function of the closed-loop current loop;
- Designing the voltage loop by synthesizing the voltage control law that ensures loop stability and meets specified requirements.
3.4. Backstepping and STSM Control Design
4. Testing the Robustness of Control Systems Against Uncertainty
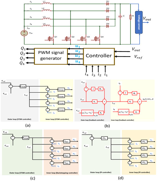
- The first controller selected for this comparison is the double-loop PI controller. The initial step required for this controller involves deriving the small-signal model of the studied converter. Subsequently, the transfer functions from the duty cycle to the output voltage and from the duty cycle to the current in the coil can be obtained using Laplace transformation. Finally, the synthesis of the controller parameters can be determined using pole placement methods.
- The second one is a double-loop super-twisting sliding mode controller (DL-STSM). Its principle consists of simultaneously controlling the voltage and current loops using two distinct STSM controllers. Two reasons explain why the DL-STSM is chosen. Firstly, it can offer good robustness with a reasonable limitation of input current ripple for the FC application; secondly, it demonstrates the capacity to inhibit overshooting the FC current [11]. For a fair comparison, the synthesis of the DL-STSM controller parameters is based on the PSO algorithm for better optimization.
- The third controller implemented, referred to as the backstepping and super-twisting sliding mode (BS + STSM) controller, also features a dual-loop structure. The outer loop, based on the STSM algorithm, ensures precise tracking of the output voltage while simultaneously generating the appropriate current reference. The inner loop, utilizing the backstepping control algorithm, enhances resilience to disturbances and indirectly controls the fuel cell stack current. Stability analyses of both loops are conducted using the Lyapunov approach. Finally, the selection and optimization of parameters for this controller are also achieved through the PSO algorithm. In order to verify the robustness of the proposed controller, it is necessary to consider the uncertainties in the circuit parameters with different operating points of the converter. For this, five different representative operations were selected, as shown in Figure 3. The performance of the output voltage with the proposed controller and other controllers such as the DL-STSM controller and the backstepping controller coupled with STSM are presented in Figure 3 case (a), case (b), case (c), case (d), and case (e), respectively. It can be clearly observed that the proposed controller exhibits almost the same output performance with a lower overshoot and faster settling time than the best controller chosen for comparison. The maximum overshoot of the DL-STSM controller is 4 V and the settling time is 0.15 s with ripples, while the BS + STSM controller and the PI controller exhibit lesser robustness when the circuit parameters are changed; in comparison, a reduction of in output voltage overshoot and a superior reduction of in settling time (0.149 s) are achieved with the proposed controller.
5. Simulation Results and Discussion



| Controller | Multiple Setpoints of Reference Voltage | Various Current Loads | |||||
|---|---|---|---|---|---|---|---|
| Settling Time (ms) | Undershoot (%) | Overshoot (%) | Steady-State Error (%) | Steady-State Error (%) | Undershoot (%) | Overshoot (%) | |
| PI | 22 | 8 | 0 | 0 | 12 | ||
| DL-STSM | 80 | ||||||
| BS + STSM | 60 | ||||||
| Feedback | 20 | 0 | 0 | 9 | |||
6. Conclusions
Author Contributions
Funding
Data Availability Statement
Conflicts of Interest
References
- Eriksson, E.L.; Gray, E.M. Optimization and integration of hybrid renewable energy hydrogen fuel cell energy systems–A critical review. Appl. Energy 2017, 202, 348–364. [Google Scholar] [CrossRef]
- Bhaskar, M.S.; Ramachandaramurthy, V.K.; Padmanaban, S.; Blaabjerg, F.; Ionel, D.M.; Mitolo, M.; Almakhles, D. Survey of dc-dc non-isolated topologies for unidirectional power flow in fuel cell vehicles. IEEE Access 2020, 8, 178130–178166. [Google Scholar] [CrossRef]
- Mei, J.; Meng, X.; Tang, X.; Li, H.; Hasanien, H.; Alharbi, M.; Dong, Z.; Shen, J.; Sun, C.; Fan, F.; et al. An Accurate Parameter Estimation Method of the Voltage Model for Proton Exchange Membrane Fuel Cells. Energies 2024, 17, 2917. [Google Scholar] [CrossRef]
- Wang, Q.; Xue, M.; Lin, B.L.; Lei, Z.; Zhang, Z. Well-to-wheel analysis of energy consumption, greenhouse gas and air pollutants emissions of hydrogen fuel cell vehicle in China. J. Clean. Prod. 2020, 275, 123061. [Google Scholar] [CrossRef]
- Carignano, M.; Roda, V.; Costa-Castelló, R.; Valiño, L.; Lozano, A.; Barreras, F. Assessment of energy management in a fuel cell/battery hybrid vehicle. IEEE Access 2019, 7, 16110–16122. [Google Scholar] [CrossRef]
- Wang, Y.; Yuan, H.; Martinez, A.; Hong, P.; Xu, H.; Bockmiller, F.R. Polymer electrolyte membrane fuel cell and hydrogen station networks for automobiles: Status, technology, and perspectives. Adv. Appl. Energy 2021, 2, 100011. [Google Scholar] [CrossRef]
- Xu, J.; Sun, C.; Ni, Y.; Lyu, C.; Wu, C.; Zhang, H.; Yang, Q.; Feng, F. Fast identification of micro-health parameters for retired batteries based on a simplified P2D model by using padé approximation. Batteries 2023, 9, 64. [Google Scholar] [CrossRef]
- Alyakhni, A.; Boulon, L.; Vinassa, J.M.; Briat, O. A comprehensive review on energy management strategies for electric vehicles considering degradation using aging models. IEEE Access 2021, 9, 143922–143940. [Google Scholar] [CrossRef]
- Hong, T.; Geng, Z.; Qi, K.; Zhao, X.; Ambrosio, J.; Gu, D. A wide range unidirectional isolated dc-dc converter for fuel cell electric vehicles. IEEE Trans. Ind. Electron. 2020, 68, 5932–5943. [Google Scholar] [CrossRef]
- Pan, X.; Li, H.; Liu, Y.; Zhao, T.; Ju, C.; Rathore, A.K. An overview and comprehensive comparative evaluation of current-fed-isolated-bidirectional dc/dc converter. IEEE Trans. Power Electron. 2019, 35, 2737–2763. [Google Scholar] [CrossRef]
- Hao, X.; Salhi, I.; Laghrouche, S.; Ait-Amirat, Y.; Djerdir, A. Backstepping supertwisting control of four-phase interleaved boost converter for pem fuel cell. IEEE Trans. Power Electron. 2022, 37, 7858–7870. [Google Scholar] [CrossRef]
- Mallikarjuna Reddy, B.; Samuel, P. Analysis, modelling and implementation of multi-phase single-leg DC/DC converter for fuel cell hybrid electric vehicles. Int. J. Model. Simul. 2020, 40, 279–290. [Google Scholar] [CrossRef]
- Huangfu, Y.; Li, Q.; Xu, L.; Ma, R.; Gao, F. Extended state observer based flatness control for fuel cell output series interleaved boost converter. IEEE Trans. Ind. Appl. 2019, 55, 6427–6437. [Google Scholar] [CrossRef]
- Scirè, D.; Lullo, G.; Vitale, G. Design and modeling of an interleaving boost converter with quasi-saturated inductors for electric vehicles. In Proceedings of the 2020 AEIT International Conference of Electrical and Electronic Technologies for Automotive (AEIT AUTOMOTIVE), Turin, Italy, 18–20 November 2020; pp. 1–6. [Google Scholar]
- Reddy, K.J.; Sudhakar, N.J.I.A. High voltage gain interleaved boost converter with neural network based MPPT controller for fuel cell based electric vehicle applications. IEEE Access 2018, 6, 3899–3908. [Google Scholar] [CrossRef]
- Somkun, S.; Sirisamphanwong, C.; Sukchai, S. A dsp-based interleaved boost dc–dc converter for fuel cell applications. Int. J. Hydrogen Energy 2015, 40, 6391–6404. [Google Scholar] [CrossRef]
- Zhou, J.; Jiang, J.; Fan, F.; Sun, C.; Dong, Z.; Song, K. Real-Time Impedance Detection for PEM Fuel Cell Based on TAB Converter Voltage Perturbation. Energies 2024, 17, 4320. [Google Scholar] [CrossRef]
- Hao, X.; Salhi, I.; Laghrouche, S.; Ait-Amirat, Y.; Djerdir, A. Robust control of four-phase interleaved boost converter by considering the performance of pem fuel cell current. Int. J. Hydrogen Energy 2021, 46, 38827–38840. [Google Scholar] [CrossRef]
- Gouhail, M.; Mazoudi, E.H.E.; Issam, S.; Doubabi, S. Fuzzy Logic Control of Four-Phase Interleaved Boost Converter for PEM Fuel Cell. In Proceedings of the 2023 10th International Conference on Wireless Networks and Mobile Communications (WINCOM), Istanbul, Türkiye, 26–28 October 2023; pp. 1–6. [Google Scholar]
- Saadi, R.; Hammoudi, M.; Kraa, O.; Ayad, M.; Bahri, M. A robust control of a 4-leg floating interleaved boost converter for fuel cell electric vehicle application. Math. Comput. Simul. 2020, 167, 32–47. [Google Scholar] [CrossRef]
- Zhuo, S.; Xu, L.; Huangfu, Y.; Gaillard, A.; Paire, D.; Gao, F. Robust adaptive control of interleaved boost converter for fuel cell application. IEEE Trans. Ind. Appl. 2021, 57, 6603–6610. [Google Scholar] [CrossRef]
- Xu, D.; Dai, Y.; Yang, C.; Yan, X. Adaptive fuzzy sliding mode command-filtered backstepping control for islanded pv microgrid with energy storage system. J. Frankl. Inst. 2019, 356, 1880–1898. [Google Scholar] [CrossRef]
- Battilotti, S. Global output regulation and disturbance attenuation with global stability via measurement feedback for a class of nonlinear systems. IEEE Trans. Autom. Control 1996, 41, 315–327. [Google Scholar] [CrossRef]
- Grove, W.R. XLII. On a small voltaic battery of great energy; some observations on voltaic combinations and forms of arrangement; and on the inactivity of a copper positive electrode in nitro-sulphuric acid. Lond. Edinb. Dublin Philos. Mag. J. Sci. 1839, 15, 287–293. [Google Scholar] [CrossRef]
- Mann, R.F.; Amphlett, J.C.; Hooper, M.A.; Jensen, H.M.; Peppley, B.A.; Roberge, P.R. Development and application of a generalized steady-state electrochemical model for a PEM fuel cell. J. Power Sources 2000, 86, 173–180. [Google Scholar] [CrossRef]
- Pukrushpan, J.T.; Peng, H.; Stefanopoulou, A.G. Control-oriented modeling and analysis for automotive fuel cell systems. J. Dyn. Sys. Meas. Control 2004, 126, 14–25. [Google Scholar] [CrossRef]
- Guzzella, L. Control Oriented Modelling of Fuel-Cell Based Vehicles. In Presentation in NSF Workshop on the Integration of Modeling and Control for Automotive Systems; The University of Michigan: Ann Arbor, MI, USA, 1999. [Google Scholar]
- Kaddour, A.A.; Benjelloun, K.; Elalami, N. Static output-feedback controller design for a fish population system. Appl. Soft Comput. 2015, 29, 280–287. [Google Scholar] [CrossRef]
- Wang, Y.; Wang, C.Y. Dynamics of polymer electrolyte fuel cells undergoing load changes. Electrochim. Acta 2006, 51, 3924–3933. [Google Scholar] [CrossRef]






Disclaimer/Publisher’s Note: The statements, opinions and data contained in all publications are solely those of the individual author(s) and contributor(s) and not of MDPI and/or the editor(s). MDPI and/or the editor(s) disclaim responsibility for any injury to people or property resulting from any ideas, methods, instructions or products referred to in the content. |
© 2024 by the authors. Licensee MDPI, Basel, Switzerland. This article is an open access article distributed under the terms and conditions of the Creative Commons Attribution (CC BY) license (https://creativecommons.org/licenses/by/4.0/).
Share and Cite
Gouhail, M.; Salhi, I.; El Mazoudi, E.h.; Doubabi, S. Adaptive Feedback Control for Four-Phase Interleaved Boost Converter Used with PEM Fuel Cell. Appl. Sci. 2024, 14, 9895. https://doi.org/10.3390/app14219895
Gouhail M, Salhi I, El Mazoudi Eh, Doubabi S. Adaptive Feedback Control for Four-Phase Interleaved Boost Converter Used with PEM Fuel Cell. Applied Sciences. 2024; 14(21):9895. https://doi.org/10.3390/app14219895
Chicago/Turabian StyleGouhail, Mohamed, Issam Salhi, El houssine El Mazoudi, and Said Doubabi. 2024. "Adaptive Feedback Control for Four-Phase Interleaved Boost Converter Used with PEM Fuel Cell" Applied Sciences 14, no. 21: 9895. https://doi.org/10.3390/app14219895
APA StyleGouhail, M., Salhi, I., El Mazoudi, E. h., & Doubabi, S. (2024). Adaptive Feedback Control for Four-Phase Interleaved Boost Converter Used with PEM Fuel Cell. Applied Sciences, 14(21), 9895. https://doi.org/10.3390/app14219895

