Optimal Energy Management Systems and Voltage Stabilization of Renewable Energy Networks
Abstract
1. Introduction
- The generalization of the regulation and the optimization problem in the MG
- Creation and Implementation of a versatile simulated model of a MG
- Real practical application of the model in an experimental testbed
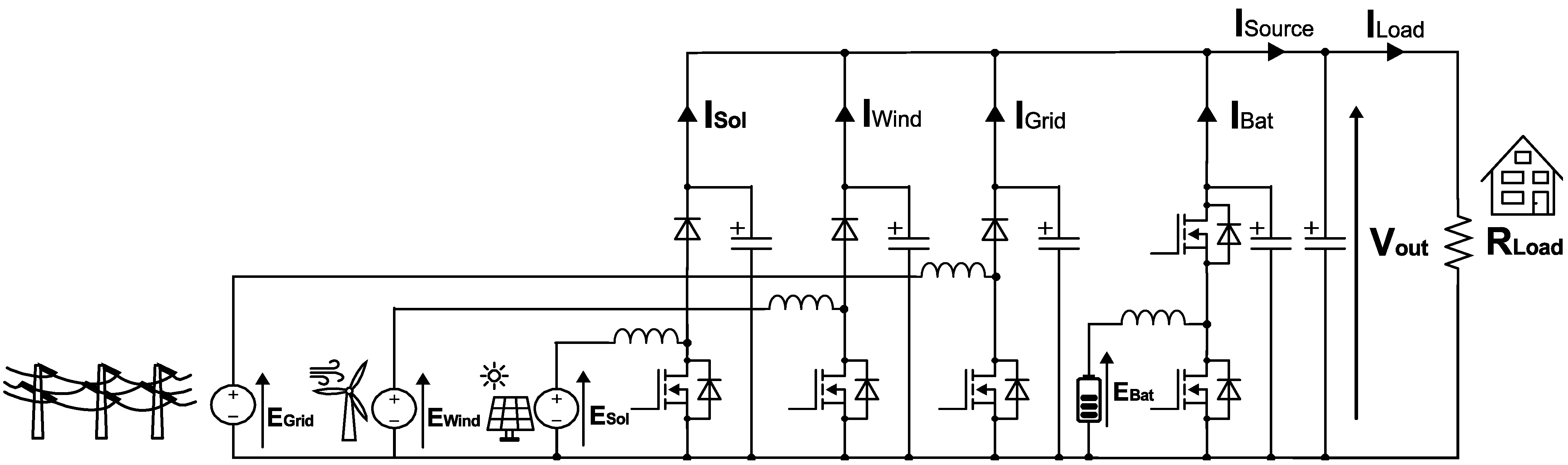
2. System Layout
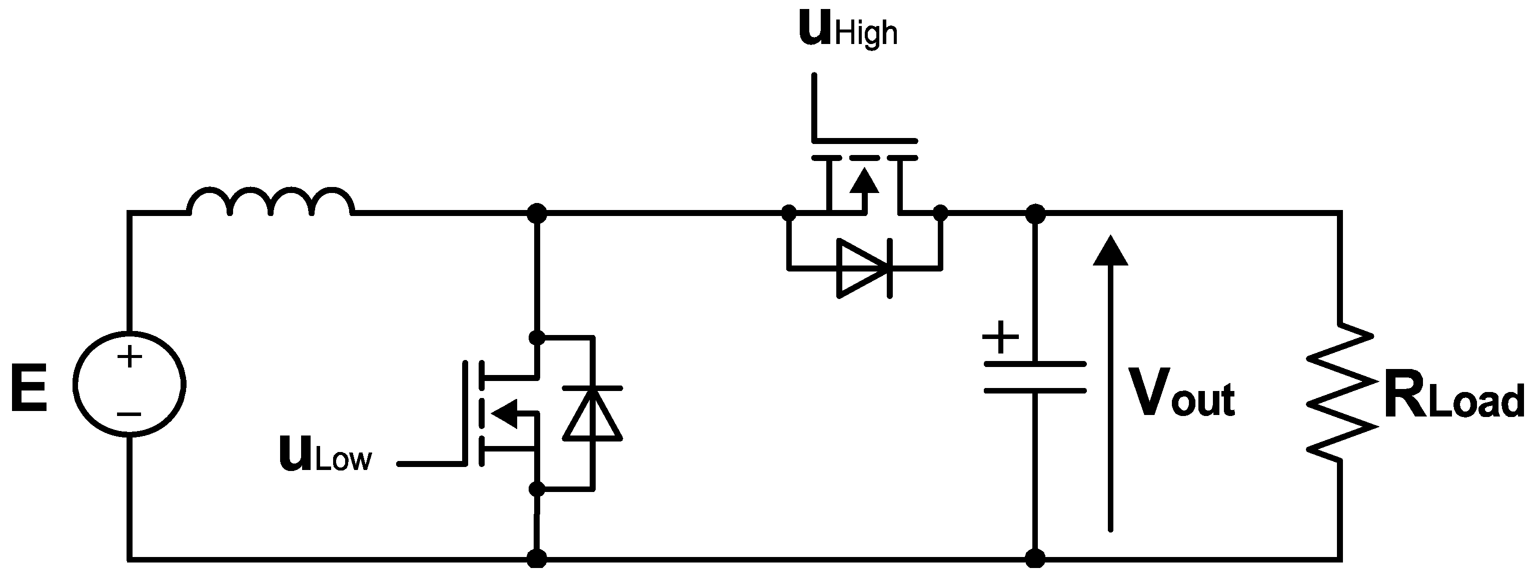
2.1. Voltage Regulation
2.2. Bi-Directional Current Flow
3. Objectives
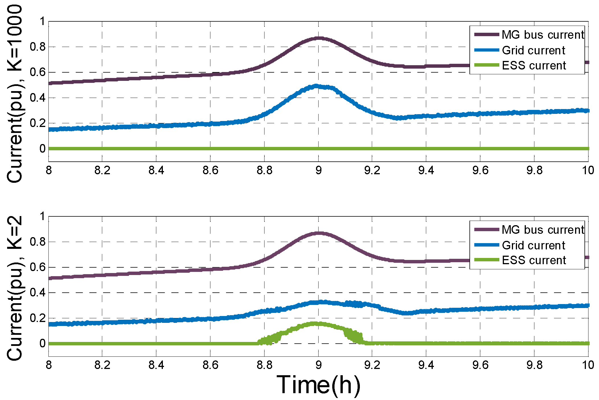
4. Simulation
Results
5. Experimental Results
6. Conclusions
Author Contributions
Funding
Institutional Review Board Statement
Informed Consent Statement
Data Availability Statement
Conflicts of Interest
Nomenclature
| Isources | Converter output current, (Source current) |
| Iload | Load’s current |
| i | Converter input current. |
| Iren | Renewable current |
| Isol | Current of the photovoltaic system (solar) |
| Iwind | Current of the wind power system. |
| βstability | Penalty weight for approaching the maximum capacity |
| βflat | Contrast weight |
| βprice | Linear energy price |
| Cost | Cost |
| Iref | Reference current |
| Vout | Output voltage |
| Vout-source | Output voltage in battery charging mode |
| Vout-reg | Output voltage in battery discharging mode |
| VL | Inductance voltage of the simple boost converter |
| Igrid, Īgrid | Current drawn from the grid and its average value. |
| r | normalized index of stable operation |
| Ibat | Battery current |
| Is-char | Source charge current |
| Is-dischar | Source discharge current |
| Rbat | equivalent battery resistor |
| T | Evaluation period |
| MPPT | Maximum power point tracking |
| PWM | Pulse width modulation |
| EESS | Electrical Energy storage system (or ESS) |
| SOC | State of charge |
| MG | Micro-grid |
| DC | Direct current |
| ζ | Damping coefficient |
| ωn | Natural frequency |
| δ, δo | Duty cycle of the system and threshold duty cycle for buck-boost operation mode |
| β, α | Bounding control parameters |
| m | Mode of operation |
| θ | Contribution matrix |
| ueess | Energy storage system control variable |
| CP | Consumption profile |
| CCS | Current controlled sources |
| KVL | Kirchhoff’s voltage law |
| LCG | Link converter connected to the grid |
| PS & VF | Peak shaving and valley filling |
| GHG | Greenhouse gases |
| DSM | Demand side management |
| EMS | Energy management system |
| MISO | Multi-Input Single Output converter |
References
- Satapathy, A.S.; Mohanty, S.; Mohanty, A.; Rajamony, R.K.; Soudagar, M.E.M.; Khan, T.M.Y.; Kalam, M.A.; Alij, M.M.; Bashir, M.N. Emerging Technologies, Opportunities and Challenges for Microgrid Stability and Control. Energy Rep. 2024, 11, 3562–3580. [Google Scholar] [CrossRef]
- Sarvi, M.; Zohdi, H.Z. A Comprehensive Overview of DC-DC Converters Control Methods and Topologies in DC Microgrids. Energy Sci. Eng. 2024, 12, 2017–2036. [Google Scholar] [CrossRef]
- Naseri, N.; Aboudrar, I.; El Hani, S.; Ait-Ahmed, N.; Motahhir, S.; Machmoum, M. Energy Transition and Resilient Control for Enhancing Power Availability in Microgrids Based on North African Countries: A Review. Appl. Sci. 2024, 14, 6121. [Google Scholar] [CrossRef]
- Ton, D.T.; Smith, M.A. The U.S. Department of Energy’s Microgrid Initiative. Energies 2012, 5, 2021–2034. [Google Scholar] [CrossRef]
- Lasseter, R.H.; Paigi, P. Microgrid: A Conceptual Solution. In Proceedings of the 2004 IEEE 35th Annual Power Electronics Specialists Conference (IEEE Cat. No. 04CH37551), Aachen, Germany, 20–25 June 2004; IEEE: New York, NY, USA, 2004. [Google Scholar]
- Chrifi-Alaoui, L.; Drid, S.; Ouriagli, M.; Mehdi, D. Overview of Photovoltaic and Wind Electrical Power Hybrid Systems. Energies 2023, 16, 4778. [Google Scholar] [CrossRef]
- Ahmad, S.; Shafiullah, M.; Ahmed, C.B.; Alowaifeer, M. A Review of Microgrid Energy Management and Control Strategies. IEEE Access 2023, 11, 21729–21757. [Google Scholar] [CrossRef]
- García Vera, Y.E.; Dufo-López, R.; Bernal-Agustín, J.L. Energy Management in Microgrids with Renewable Energy Sources: A Literature Review. Appl. Sci. 2019, 9, 3854. [Google Scholar] [CrossRef]
- Arévalo, P.; Ochoa-Correa, D.; Villa-Ávila, E. Optimizing Microgrid Operation: Integration of Emerging Technologies and Artificial Intelligence for Energy Efficiency. Electronics 2024, 13, 3754. [Google Scholar] [CrossRef]
- Ali, S.; Zheng, Z.; Aillerie, M.; Sawicki, J.-P.; Péra, M.-C.; Hissel, D. A Review of DC Microgrid Energy Management Systems Dedicated to Residential Applications. Energies 2021, 14, 4308. [Google Scholar] [CrossRef]
- Elazab, R.; Abo Dahab, A.; Abo Adma, M.; Hassan, H.A. Reviewing the Frontier: Modeling and Energy Management Strategies for Sustainable 100% Renewable Microgrids. Appl. Sci. 2024, 6, 168. [Google Scholar] [CrossRef]
- Zahraoui, Y.; Alhamrouni, I.; Mekhilef, S.; Basir Khan, M.R.; Seyedmahmoudian, M.; Stojcevski, A.; Horan, B. Energy Management System in Microgrids: A Comprehensive Review. Sustainability 2021, 13, 10492. [Google Scholar] [CrossRef]
- Liu, X.-K.; Wang, Y.-W.; Lin, P.; Wang, P. Distributed Supervisory Secondary Control for a DC Microgrid. IEEE Trans. Energy Convers. 2020, 35, 1736–1746. [Google Scholar] [CrossRef]
- Ullah, M.H.; Babaiahgari, B.; Alseyat, A.; Park, J.-D. A Computationally Efficient Consensus-Based Multiagent Distributed EMS for DC Microgrids. IEEE Trans. Ind. Electron. 2021, 68, 5425–5435. [Google Scholar] [CrossRef]
- Habibullah, A.F.; Kim, K.-H. Decentralized Power Management of DC Microgrid Based on Adaptive Droop Control with Constant Voltage Regulation. IEEE Access 2022, 10, 129490–129504. [Google Scholar] [CrossRef]
- Padilla-Medina, A.; Perez-Pinal, F.; Jimenez-Garibay, A.; Vazquez-Lopez, A.; Martinez-Nolasco, J. Design and Implementation of an Energy-Management System for a Grid-Connected Residential DC Microgrid. Energies 2020, 13, 4074. [Google Scholar] [CrossRef]
- Hwang, H.; Lee, S.H.; Choi, D.; Choi, S.; Sung, B. Voltage Stability Assessment of a Campus DC Microgrid Implemented in Korea as a Blockchain-Based Power Transaction Testbed. Energies 2023, 16, 7297. [Google Scholar] [CrossRef]
- Mechnane, F.; Drid, S.; Nait-Said, N.; Chrifi-Alaoui, L. Robust Current Control of a Small-Scale Wind–Photovoltaic Hybrid System Based on the Multiport DC Converter. Appl. Sci. 2023, 13, 7047. [Google Scholar] [CrossRef]
- Li, W.; Slotine, J.-J.E. Applied Nonlinear Control; Prentice-Hall, Inc.: Upper Saddle River, NJ, USA, 1990; pp. 276–307. [Google Scholar]
- Guldner, J.; Shi, J.; Utkin, V. Sliding Mode Control in Electro-Mechanical Systems; Taylor & Francis: London, UK, 1999; p. 232. [Google Scholar]
- Bhardwaj, M. Modeling Bi-Directional Buck/Boost Converter for Digital Control Using C2000 Microcontrollers; Application Report SPRABX5; Texas Instruments Incorporated: Dallas, TX, USA, 2015; p. 11. [Google Scholar]
- Vergori, E.; Mocera, F.; Somà, A. Battery Modelling and Simulation Using a Programmable Testing Equipment. Computers 2018, 7, 20. [Google Scholar] [CrossRef]
- Sun, Z.; Bae, S. Multiple-Input Soft-Switching DC–DC Converter to Connect Renewable Energy Sources in a DC Microgrid. IEEE Access 2022, 10, 128380–128391. [Google Scholar] [CrossRef]
- Gao, F.; Kang, R.; Cao, J.; Yang, T. Primary and secondary control in DC microgrids: A review. J. Mod. Power Syst. Clean Energy 2019, 7, 227–242. [Google Scholar] [CrossRef]
- Bakare, M.S.; Abdulkarim, A.; Zeeshan, M.; Shuaibu, A.N. A Comprehensive Overview on Demand Side Energy Management Towards Smart Grids: Challenges, Solutions, and Future Directions. Energy Inform. 2023, 6, 262. [Google Scholar] [CrossRef]
- Vivas, F.J.; Segura, F.; Andújar, J.M.; Palacio, A.; Saenz, J.L.; Isorna, F.; López, E. Multi-Objective Fuzzy Logic-Based Energy Management System for Microgrids with Battery and Hydrogen Energy Storage System. Electronics 2020, 9, 1074. [Google Scholar] [CrossRef]
- Chua, K.H.; Bong, H.L.; Lim, Y.S.; Wong, J.; Wang, L. The State-of-the-Arts of Peak Shaving Technologies: A Review. In Proceedings of the 2020 International Conference on Smart Grid and Clean Energy Technologies (ICSGCE), Kuching, Malaysia, 4–7 October 2020; pp. 162–166. [Google Scholar]
- Zhang, L.; Yang, Y.; Li, Q.; Gao, W.; Qian, F.; Song, L. Economic optimization of microgrids based on peak shaving and CO2 reduction effect: A case study in Japan. J. Clean. Prod. 2021, 321, 128973. [Google Scholar] [CrossRef]
- Brinkel, N.B.G.; Gerritsma, M.K.; AlSkaif, T.A.; Lampropoulos, I.; van Voorden, A.M.; Fidder, H.A.; van Sark, W.G.J.H.M. Impact of rapid PV fluctuations on power quality in the low-voltage grid and mitigation strategies using electric vehicles. Int. J. Electr. Power Energy Syst. 2020, 118, 105741. [Google Scholar] [CrossRef]
- Eriksson, R.; Modig, N.; Elkington, K. Synthetic inertia versus fast frequency response: A definition. IET Renew. Power Gener. 2018, 12, 507–514. [Google Scholar] [CrossRef]
- Amasyali, K.; Chen, Y.; Telsang, B.; Olama, M.; Djouadi, S.M. Hierarchical Model-Free Transactional Control of Building Loads to Support Grid Services. IEEE Access 2020, 8, 219367–219377. [Google Scholar] [CrossRef]
- Linden, D.; Reddy, T.B. Handbook of Batteries, 3rd ed.; McGraw-Hill: New York, NY, USA, 2001. [Google Scholar]
- Proedrou, E. A Comprehensive Review of Residential Electricity Load Profile Models. IEEE Access 2021, 9, 12114–12133. [Google Scholar] [CrossRef]
- Nakajima, K.; Takane, Y.; Fukuba, S.; Yamaguchi, K.; Kikegawa, Y. Urban electricity temperature relationships in the Tokyo Metropolitan Area. Energy Build. 2022, 256, 111729. [Google Scholar] [CrossRef]
- Cai, H.; Shen, S.; Lin, Q.; Li, X.; Xiao, H. Predicting the Energy Consumption of Residential Buildings for Regional Electricity Supply-Side and Demand-Side Management. IEEE Access 2019, 7, 30386–30397. [Google Scholar] [CrossRef]
- Muyizere, D.; Letting, L.K.; Munyazikwiye, B.B. Effects of Communication Signal Delay on the Power Grid: A Review. Electronics 2022, 11, 874. [Google Scholar] [CrossRef]
























| I VF (pu) | I PS (pu) | Local Cost (pu) | J Flat (pu) |
|---|---|---|---|
| 0 | 0.8 | 12.8457 | 0.2526 |
| 0.05 | 0.68 | 11.9649 | 0.2955 |
| 0.08 | 0.6 | 9.6683 | 0.3356 |
| 0.15 | 0.5 | 6.8976 | 0.5126 |
| 0.2 | 0.4 | 4.6929 | 0.7534 |
Disclaimer/Publisher’s Note: The statements, opinions and data contained in all publications are solely those of the individual author(s) and contributor(s) and not of MDPI and/or the editor(s). MDPI and/or the editor(s) disclaim responsibility for any injury to people or property resulting from any ideas, methods, instructions or products referred to in the content. |
© 2024 by the authors. Licensee MDPI, Basel, Switzerland. This article is an open access article distributed under the terms and conditions of the Creative Commons Attribution (CC BY) license (https://creativecommons.org/licenses/by/4.0/).
Share and Cite
Drid, M.-D.; Hamdani, S.; Nait-Seghir, A.; Chrifi-Alaoui, L.; Labdai, S.; Drid, S. Optimal Energy Management Systems and Voltage Stabilization of Renewable Energy Networks. Appl. Sci. 2024, 14, 9782. https://doi.org/10.3390/app14219782
Drid M-D, Hamdani S, Nait-Seghir A, Chrifi-Alaoui L, Labdai S, Drid S. Optimal Energy Management Systems and Voltage Stabilization of Renewable Energy Networks. Applied Sciences. 2024; 14(21):9782. https://doi.org/10.3390/app14219782
Chicago/Turabian StyleDrid, Mohamed-Dhiaeddine, Samir Hamdani, Amirouche Nait-Seghir, Larbi Chrifi-Alaoui, Sami Labdai, and Said Drid. 2024. "Optimal Energy Management Systems and Voltage Stabilization of Renewable Energy Networks" Applied Sciences 14, no. 21: 9782. https://doi.org/10.3390/app14219782
APA StyleDrid, M.-D., Hamdani, S., Nait-Seghir, A., Chrifi-Alaoui, L., Labdai, S., & Drid, S. (2024). Optimal Energy Management Systems and Voltage Stabilization of Renewable Energy Networks. Applied Sciences, 14(21), 9782. https://doi.org/10.3390/app14219782

