Research on Ultra-Fast Transient Overvoltage Characteristics of Electric Locomotive
Abstract
1. Introduction
2. Test Scheme
2.1. Testing System
2.2. Testing Contents
3. Testing Results
4. Analysis and Discussion
4.1. Formation Mechanism of High-Amplitude and High-Steepness Operating Overvoltage
- (1)
- Arc theory
- (2)
- Formation Mechanism of Overvoltage induced by Arc
- (3)
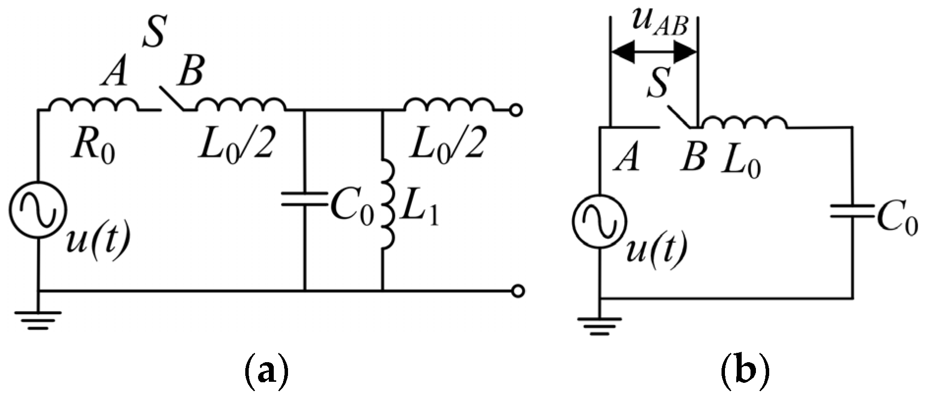
- Formation Mechanism of Ultra-Fast Transient Overvoltage Caused by Pantograph Lifting and Main Breaker Closing
- (1)
- Before the pantograph lifting, the voltage of the residual charge on the catenary is U0. uc(0) = U0 when t = 0.
- (2)
- The current does not mutate due to inductance in the circuit, when t = 0, ic(0) = 0.
- (4)
- Formation Mechanism of Ultra-fast Transient Overvoltage Caused by Pantograph Dropping and Main Breaker Opening
- (1)
- The first arc-extinguishing process
- (2)
- The first arc-reignition process
4.2. Distribution Law of Ultra-Fast Transient Overvoltage on High-Voltage Equipment
4.3. Hazard of Ultra-Fast Transient Overvoltage to Locomotive High-Voltage Equipment
4.4. Influence of Installation Position and Quantity of Arresters on Ultra-Fast Transient Overvoltage
5. Conclusions
- (1)
- The tested amplitude and steepness of operating overvoltage is higher than in existing reports. The peak operating overvoltage of HXD1 is 328.60 kV and its steepness is 4.21 × 104 kV/μs, exhibiting characteristics similar to VFTO. The phenomenon of multiple arc reignition is obvious in the pantograph lifting and dropping process, whereas it is not apparent in the main breaker closing and opening operations.
- (2)
- The amplitude of overvoltage during the pantograph lifting and breaker closing exceeds 3Um of rated voltage considering the equivalent variable capacitance between the pantograph and the catenary. In addition, for pantograph dropping and main breaker opening overvoltage, the amplitude tends to increase in a pattern of 3, 5, 7, 9, and 11 times the rated voltage as the arc reignition.
- (3)
- Ultra-fast transient overvoltage is unevenly distributed at high-voltage equipment of the electric locomotive. The overvoltage with high amplitude and high steepness mainly concentrates at the pantograph while other test points are relatively low.
- (4)
- Operating overvoltage poses a serious threat to high-voltage equipment, and reasonable layout of the arrester can effectively reduce the overvoltage amplitude and decrease the likelihood of damage to the high-voltage equipment.
Author Contributions
Funding
Institutional Review Board Statement
Informed Consent Statement
Data Availability Statement
Conflicts of Interest
References
- Wang, S. Data analysis of high voltage transformer for HXD1B locomotive. Railw. Loco. Car 2015, 35, 122–123. [Google Scholar]
- Wang, R.; Li, X.; Zhang, L.; Zhang, J.; Gao, H. Fault and analysis of high voltage transformer in HXD3C electric locomotive. Elect. Drive Loco. 2014, 3, 106–109. [Google Scholar] [CrossRef]
- Xiao, S.; Duan, J.; Zhu, T.; Liu, K.; Liu, J.; Gao, G. The impact of high-speed railway catenary and pantograph off-line overvoltage on vehicle potential. China Railw. Sci. 2023, 44, 180–190. [Google Scholar]
- Hui, G. Discussion on the lightning arrester and discharge gap burnout failure of HXD21000 series locomotives. Elec. Loco. Mass Trans. Veh. 2016, 39, 74–76. [Google Scholar]
- Shi, D. Research on Switching Overvoltage and Its Suppression Technique for High Voltage System of the Electrical Multiple Units Train. Master’s Thesis, Department of Electrical Engineering, Beijing Jiaotong University, Beijing, China, 2015. [Google Scholar]
- Ma, C.; Lin, Y.; Zhu, J. Research on Overvoltage Generation Mechanism and Test of Traction Power Grid. New Technol. Prod. China. 2022, 7, 55–57. [Google Scholar]
- Liu, Y. Research on Electromagnetic Disturbance Characteristics of Pantograph-Catenary Offline and Pantograph Lifting. Master’s Thesis, Department of Electrical Engineering, Southwest Jiaotong University, Chengdu, China, 2021. [Google Scholar]
- Wang, S. Research on testing and simulation analysis of overvoltage waveform on the roof of a moving train. In Proceedings of the 2022 IEEE 5th International Electrical and Energy Conference (CIEEC), Nanjing, China, 27–29 May 2022; pp. 2923–2928. [Google Scholar]
- Zhang, Y. Research on VFTO Simulation Analysis of 1000 kV GIS Test Circuit Considering Dynamic Arcing Model. IEEE Trans. Ind. Appl. 2022, 58, 6952–6959. [Google Scholar] [CrossRef]
- GB/T 16927-2011; Standard for High-Voltage Test Techniques—Part 1: General Definitions and Test Requirements. Standardization Administration of the People’s Republic of China: Beijing, China, 2011.
- GB/T 24837-2018; Standard for Specification for 1100 kV Alternating-Current Disconnectors and Earthing Switches. Standardization Administration of the People’s Republic of China: Beijing, China, 2018.
- IEC 60071-4; Standard for Computational Guide to Insulation Co-Ordination and Modelling Of Electrical Networks. International Electrotechnical Commission: Geneva, Switzerland, 2004.
- Shi, W.; Chang, Y.; Zhang, Q. Fundamentals of High Voltage Engineering; China Machine Press: Beijing, China, 2010; pp. 228–230. [Google Scholar]
- Shen, Q.; Zhou, Z.; Wang, D. High Voltage Technology, 4th ed.; China Electric Power Press: Beijing, China, 2012; pp. 24–26. [Google Scholar]
- He, X. Electrical Appliances, 2nd ed.; China Machine Press: Beijing, China, 2002; pp. 55–56. [Google Scholar]
- Lin, S. Modern High Voltage Electrical Apparatus Technology, 2nd ed.; China Machine Press: Beijing, China, 2011; pp. 84–86. [Google Scholar]
- Song, K. Research on VFTO Simulation in Disconnecting Switch Time-Varying Capacitance Model. Master’s Thesis, Department of Electrical Engineering, Huazhong University of Scince & Technology, Wuhan, China, 2018. [Google Scholar]
- Qiao, Z. Overvoltage and Electrical Insulation Protection in Power System, 1st ed.; China Coal Industry Publishing House: Beijing, China, 2012; p. 85. [Google Scholar]
- Zhao, Z. High Voltage Technique, Chinese ed.; China Electric Power Press: Beijing, China, 2022; pp. 206–207. [Google Scholar]
- Zhang, S. HXD1 Electric Locomotive; China Railway Publishing House: Beijing, China, 2009; pp. 17–18. [Google Scholar]
- Wu, M. Transient Processes and Optimization of Winding Insulation for Power Transformer. Master’s Thesis, Department of Electrical Engineering, Southwest University, Nanjing, China, 2016. [Google Scholar]
- GB/T 11032-2020; Metal-Oxide Surge Arresters Without Gaps for a.c. Systems. Standardization Administration of the People’s Republic of China: Beijing, China, 2021.
- Chen, J.; Guo, J.; Wang, L.; Dai, M.; Jiao, L.; Cui, L. The V-A characteristics under steep-front waves of metal oxide surge arrester model. Insul. Surge Arresters 2013, 4, 68–74. [Google Scholar]

















| Equipment Name | Specification |
|---|---|
| Resistance–capacitance voltage divider | ratio 1:1000 |
| Capacitive voltage divider | ratio 1:2016 |
| Attenuating probe | ×1/×10, ×10:600 Vpk |
| HBM data recorder | 20 Msa/s |
| High-speed digital oscilloscope | 2 Gsa/s |
| Signal line | some |
| Operation | Pantograph Lifting | Main Breaker Closing | Main Breaker Opening | Pantograph Dropping | ||||
|---|---|---|---|---|---|---|---|---|
| Test Point | 1 | 2 | 1 | 2 | 1 | 2 | 1 | 2 |
| 1 | 155.72 | 7.41 | 112.43 | 7.39 | 155.09 | 50.15 | 222.46 | 8.03 |
| 2 | 176.16 | 7.41 | 328.60 | 46.22 | 132.72 | 49.28 | 210.13 | 8.75 |
| 3 | 146.63 | 6.75 | 315.10 | 40.02 | 194.73 | 50.12 | 209.54 | 8.75 |
| Operation | Pantograph Lifting | Main Breaker Closing | Main Breaker Opening | Pantograph Dropping | ||||
|---|---|---|---|---|---|---|---|---|
| Test Point | 1 | 3 | 1 | 3 | 1 | 3 | 1 | 3 |
| 4 | 237.52 | 8.72 | / | / | / | / | 273.89 | 10.00 |
| 5 | 169.85 | 7.40 | 99.14 | 40.31 | / | / | 181.00 | 7.39 |
| 6 | 280.60 | 11.45 | 94.99 | 35.03 | 85.62 | 32.85 | 206.49 | 9.41 |
| Operation | Pantograph Lifting | Main Breaker Closing | Main Breaker Opening | Pantograph Dropping | ||||
|---|---|---|---|---|---|---|---|---|
| Test Point | 1 | 5 | 1 | 5 | 1 | 5 | 1 | 5 |
| 7 | 193.47 | 11.60 | / | / | / | / | 253.70 | 15.97 |
| 8 | 185.23 | 10.74 | 90.78 | 40.54 | / | / | 236.33 | 13.40 |
| 9 | 184.63 | 10.17 | 103.40 | 43.90 | / | / | 305.60 | 18.16 |
| Operation | Point 1 | Synchronous Point | |||
|---|---|---|---|---|---|
| Voltage (kV) | Steepness (kV/μs) | Point Number | Voltage (kV) | Steepness (kV/μs) | |
| Pantograph lifting | 280.60 | 2.31 × 104 | 3 | 11.45 | 9.39 × 102 |
| Main breaker closing | 328.60 | 4.21 × 104 | 2 | 46.22 | 3.02 × 101 |
| Main breaker opening | 194.73 | 1.57 × 104 | 2 | 50.12 | 6.60 × 10−1 |
| Pantograph dropping | 305.60 | 5.79 × 104 | 3 | 18.16 | 2.58 × 102 |
| Operation | Operating Overvoltage | ||
|---|---|---|---|
| HXD1 (kV) | HXD1C (kV) | Δu | |
| Pantograph lifting | 176.16 | 126.81 | −49.35 |
| Main breaker closing | 328.60 | 103.20 | −225.40 |
| Main breaker opening | 132.72 | 86.04 | −46.68 |
| Pantograph dropping | 253.70 | 113.91 | −139.79 |
| Pantograph lifting | 146.63 | 118.29 | −28.34 |
| Main breaker closing | 315.09 | 51.60 | −263.49 |
| Main breaker opening | 194.73 | 68.76 | −125.97 |
| Pantograph dropping | 236.33 | 116.10 | −120.23 |
Disclaimer/Publisher’s Note: The statements, opinions and data contained in all publications are solely those of the individual author(s) and contributor(s) and not of MDPI and/or the editor(s). MDPI and/or the editor(s) disclaim responsibility for any injury to people or property resulting from any ideas, methods, instructions or products referred to in the content. |
© 2024 by the authors. Licensee MDPI, Basel, Switzerland. This article is an open access article distributed under the terms and conditions of the Creative Commons Attribution (CC BY) license (https://creativecommons.org/licenses/by/4.0/).
Share and Cite
Guo, Y.; Tian, F.; Liu, H.; Yin, Y. Research on Ultra-Fast Transient Overvoltage Characteristics of Electric Locomotive. Appl. Sci. 2024, 14, 9561. https://doi.org/10.3390/app14209561
Guo Y, Tian F, Liu H, Yin Y. Research on Ultra-Fast Transient Overvoltage Characteristics of Electric Locomotive. Applied Sciences. 2024; 14(20):9561. https://doi.org/10.3390/app14209561
Chicago/Turabian StyleGuo, Yike, Fuqiang Tian, Hongqi Liu, and Yufeng Yin. 2024. "Research on Ultra-Fast Transient Overvoltage Characteristics of Electric Locomotive" Applied Sciences 14, no. 20: 9561. https://doi.org/10.3390/app14209561
APA StyleGuo, Y., Tian, F., Liu, H., & Yin, Y. (2024). Research on Ultra-Fast Transient Overvoltage Characteristics of Electric Locomotive. Applied Sciences, 14(20), 9561. https://doi.org/10.3390/app14209561
