Next Article in Journal
Analysis, Generation, and Validation of New Boards for the Game Micro Robots
Previous Article in Journal
VFLD: Voxelized Fractal Local Descriptor
 
 
Font Type:
Arial Georgia Verdana
Font Size:
Aa Aa Aa
Line Spacing:
Column Width:
Background:
Article

Perspectives of Hydrogen Generation in Cavitation–Jet Hydrodynamic Reactor

1
Institute of Nuclear Physics, Almaty 050032, Kazakhstan
2
Department of Power Engineering, Satbayev University, Almaty 050013, Kazakhstan
3
National School of Physics and Mathematics, Astana 050000, Kazakhstan
*
Author to whom correspondence should be addressed.
Appl. Sci. 2024, 14(20), 9415; https://doi.org/10.3390/app14209415
Submission received: 23 September 2024 / Revised: 11 October 2024 / Accepted: 13 October 2024 / Published: 15 October 2024

Abstract

The article investigates the potential for producing hydrogen by combining the methods of water splitting under cavitation and the chemical activation of aluminum in a high-speed cavitation–jet flow generated by a specialized hydrodynamic reactor. The process of cavitation and water spraying causes the liquid heating itself until it reaches saturated vapor pressure, resulting in the creation of vapor–gaseous products from the splitting of water molecules. The producing of vapor–gaseous products can be explained through the theory of non-equilibrium low-temperature plasma formation within a high-speed cavitation–jet flow of fluid. Special focus is also given to the interactions occurring at the interface boundary phase of aluminum and liquid under cavitation condition. The primary solid products formed on aluminum surfaces are bayerite, copper oxides (I and II), iron carbide, and a compound of magnesium oxides and aluminum hydroxide. A high hydrogen yield of 60% was achieved when using a 0.1% sodium hydroxide solution as a working liquid compared to demineralized water. Moreover, hydrogen methane was also detected in the volume of the vapor–gas mixture, which could be utilized to address the challenges of decarbonization and the recycling of aluminum-containing solid industrial and domestic waste. This work provides a contribution to the study of the mechanism of hydrogen generation by cavitation–jet processing of water and aqueous alkali solutions, in which conditions are created for double cavitation in the cavitation–jet chamber of the hydrodynamic reactor.

1. Introduction

The pursuit of affordable, renewable, and eco-friendly energy sources is motivated by growing concerns over the scarcity of fossil fuels and the effects of global warming. Hydrogen emerges as a viable alternative energy source with the potential to significantly influence specialized sectors, including fuel cells, combustion engines, and gas turbines [1,2,3]. Low-carbon hydrogen has the capacity to substitute natural gas in heating buildings, industrial operations, and backup power generation and can serve as a fuel or raw material for energy-demanding industries [4].
Energy and environmental safety are key advantages of hydrogen, along with its high efficiency. The significance of hydrogen in processing various types and in decarbonizing current production continues to grow. Future energy supply systems will likely feature multiple instances of generating both electricity and other energy forms from natural gas at the same location. This includes utilizing shared infrastructure for natural gas supply, connections to the electricity grid, transportation, and geological CO2 storage in carbon capture, utilization, and storage (CCUS) industrial clusters. Comparing current industrial technologies for hydrogen production shows that the steam–methane reforming process is more efficient than water electrolysis and methane pyrolysis [5,6]. Furthermore, the development of hydrogen distribution networks is anticipated, provided that sufficient quantities of hydrogen can be produced at competitive prices [7].
All current large-scale methods for producing organic chemical products from natural gas, primarily methane, rely on a two-stage process. Initially, natural gas is transformed into synthesis gas, a mix of carbon monoxide and hydrogen, at temperatures around 1000 °C [8,9]. This process’s complexity stems from its significant energy and capital demands, which constitute 70% of the overall costs of the final product. The subsequent stage is the generation of organic compounds from synthesis gas (via the Fischer–Tropsch process), necessitating high temperatures (300–350 °C) and pressures (2–3 MPa) with the use of Fe-Co catalysts [10,11,12,13,14].
The advancement of technology should aim to streamline and enhance the efficiency of converting natural gas into synthetic gas. This could be realized through various methods, including multi-channel reactor processes, catalyst-assisted methane oxidation at millisecond contact times, combustion-based filtration, matrix conversion of hydrocarbons, and plasmochemical techniques. Current technologies fall short of this purpose, necessitating the development of simpler, more cost-effective, and smaller-scale technologies. Such technologies would employ easily dismantled equipment and be transferable to a new location once the original site’s resources are exhausted [15].
The application of plasma technology, particularly atmospheric-pressure non-thermal plasma, is increasingly favored for hydrogen production through methane activation. Non-thermal plasma produces a variety of highly reactive species, such as energetic electrons, radicals, and excited species, which facilitate chemical reactions. This allows for the elimination of expensive and impurity-prone catalysts while keeping energy costs low due to their relatively low gas temperature and high chemical selectivity [16]. Nonthermal plasma systems boast a high reaction rate, quick attainment of steady state, and high specific productivity, ensuring swift start-up and shutdown of the plasma process [17,18]. Such systems can be flexibly integrated into small-scale hydrogen production systems. Moreover, the ability of nonthermal plasma systems to harness electricity from intermittent renewable sources like solar and wind offers a remedy for the mismatch between energy production and consumption from renewables [19,20]. Furthermore, several alternative technologies have emerged for industrial-scale hydrogen production without carbon-containing minerals, thus achieving zero greenhouse gas emissions [21,22].
An area of interest is the study of cavitation processes in high-speed fluid flows through specific tubes or the creation of gas–steam bubbles via ultrasonic irradiation in a liquid medium. Following cavitation treatment, water molecules can be used as a source of “green” hydrogen [23,24,25]. Cavitation involves the formation, growth, and implosion of microbubbles due to ultrasonic irradiation or hydrodynamic local acceleration flow, leading to sono-chemical reactions. These microbubbles serve as potent microreactors where pyrolytic reactions produce free radicals and oxidants (such as HO, H, HO2, and H2O2) as well as molecular hydrogen (H2). As these microbubbles collapse rapidly, they become highly pressurized and reach temperatures of several thousand Kelvins, thus creating a high-powered microreactor environment [26,27].
The utilization of aluminum and its alloys offers a promising avenue for producing hydrogen from water, which could address the environmental issues related to the recycling of aluminum waste [28,29,30]. The process of generating hydrogen (H2) through the reaction of aluminum (Al) with water in neutral solutions is recognized for its simplicity, safety, efficiency, and eco-friendliness [31]. However, the formation of a dense passive oxide layer on Al and its alloys significantly reduces the H2 production efficiency. Efforts have been made to remove this oxide layer to improve the hydrogen generation efficiency in the aluminum–water reaction process.
The detailed analysis indicates that hydrogen can be obtained by various methods, including coal and biomass gasification, water electrolysis, methane vapor reforming, plasma chemistry, and other alternative methods not covered in this article. Coal and biomass gasification necessitate high operating temperatures, leading to significant energy expenditures for producing modest hydrogen quantities. Water electrolysis, which employs electricity from renewable sources like wind and solar power, offers environmental advantages. However, the substantial initial investment for infrastructure leads to elevated hydrogen production costs and limited capacity relative to conventional industrial hydrogen production [32].
This work discusses a combined technology for generating hydrogen from water and aqueous alkali solutions within a cavitation–jet reactor (CJR) along with the chemical activation of aluminum, which is used in fabricating the reactor construction components. This technology aims to address not only a significant technological challenge but also issues associated with the decarbonization and recycling of aluminum-containing waste from both industrial and household appliances.

2. Experimental

2.1. Cavitation–Jet Reactor

The most common tool for studying cavitation is a hydrodynamic tube, a laboratory installation with an enclosed or open piping in which water flows at a variable speed and pressure. The experimental installation explored in this work is a closed hydrodynamic circuit (Figure 1). The cavitation–jet reactor (CJR) for the generation of hydrogen from aqueous liquid media consists of a threaded coupling of cavitation and jet chambers (CJC). It is connected to a high-pressure circulating pump and liquid receiver vessel through the tube connection and works in closed mode (Figure 1). The flow rates were adjusted by a frequency changer connected to a circulating pump (PQ 3000-MF, Pedrollo, San Bonifacio, Italy, maximum flow rate 50 L/min, maximum delivery pressure 18 bar). The working fluid was fed through a 14 atm pressure from the circulating pump to a CJC passing through, which entered the receiver vessel and circulated in this mode for a certain period of time. The principle of cavitation–jet action is to create a turbulent cauterizing fluid flow by changing its hydrodynamic parameters [33].
The cavitation–jet chamber was constructed from transparent organic glass for visual observation, photography, and video recording of high-speed liquid flow.
The fluid flow screw in the Venturi tube, conic resonator–splitter in the confusor, and reflector in the diffuser part of the Laval nozzle are made of aluminum.
The time for one cycle of the flow generated by the pump pressure was calculated according to the following equation:
t = V Q = 0.03 18 3600 6   s
where V is the volume of circulating liquid (0.02 m3), and Q is the volume pump flow (18 m3·h−1).

2.2. Determination of the Gases in a Vapor–Gas Mixture

The gas content in the vapor–gas mixture was determined using the portable multi-channel gas detector TOP-SENS 610 (“TOP-SENS” LLC, Moscow, Russia) and the gas chromatograph Chromos GH-1000 (“Chromos-Engineering” LLC, Dzerzhinsk, Russia) with 3 mm columns filled with NaX and PORAPAK Q. The measurement ranges for hydrogen, methane, carbon monoxide and oxygen is from 0 to 1000 ppm.
The analysis was conducted using an RGA-100 gas analyzer (Stanford Research Systems, Sunnyvale, CA, USA) for mass spectrometry, capable of detecting gases within a mass range of 1 to 100 a.m.u. The plant is equipped with a high-vacuum Agilent TPS-Flexy-304FS pumping station, which is based on a Turbo-V 304-FS turbomolecular pump and a dry spiral pump IDP-7 from Agilent Technologies (Tokyo, Japan). The gas detection principle involves ionizing a fraction of the gas molecules, sorting the resulting positive ions by mass, and measuring them. The detection device used is a Faraday cylinder.
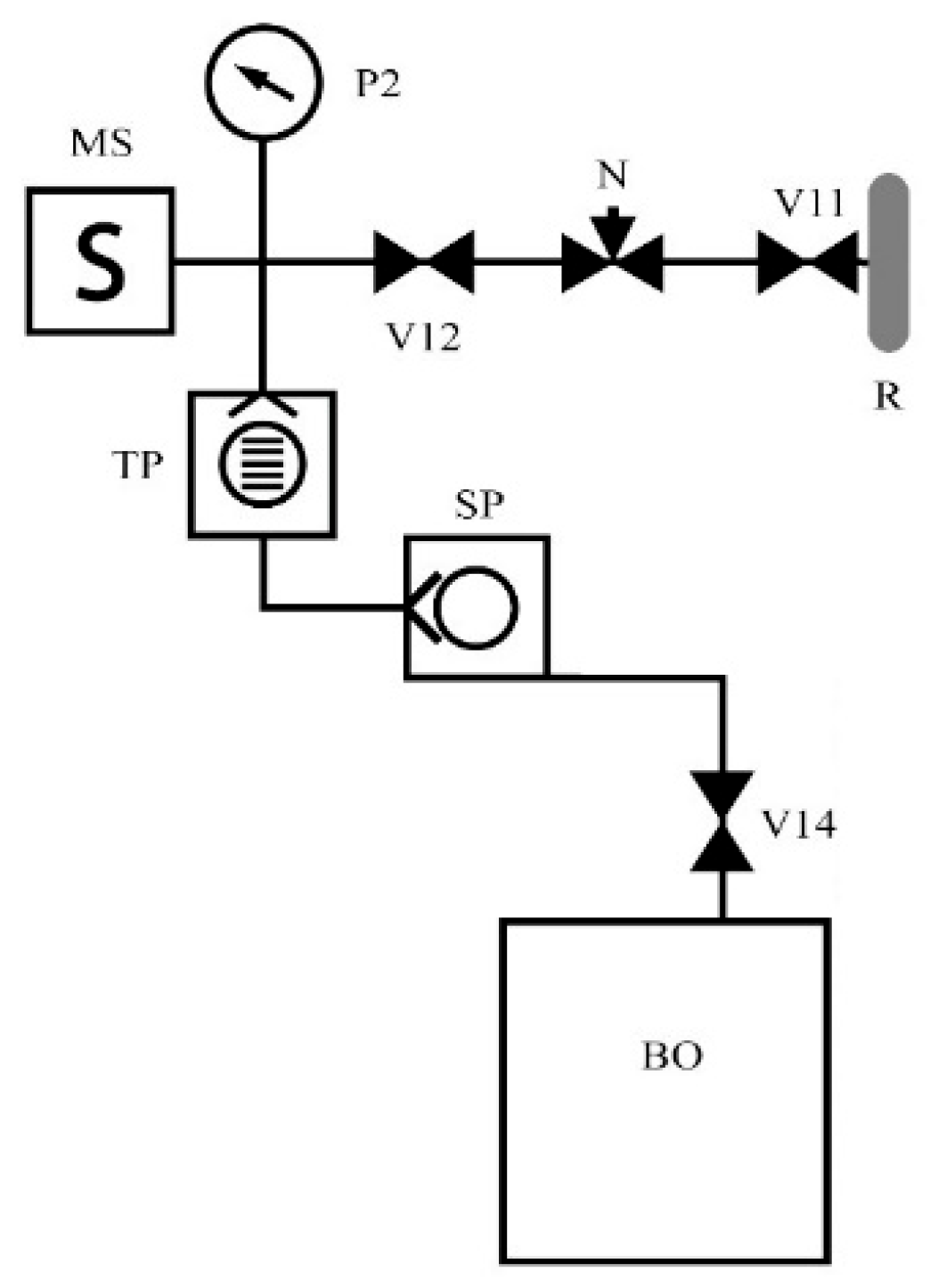
Determination of gas composition was carried out using a stand designed for the analysis of the mass spectrum of residual gases (refer to Figure 2).
Experiments were conducted at the mass spectrum analysis booth of residual gases. In the pre-prepared installation, a gas-sampling tank was connected via a valve (V11). The gas composition was then pumped through the fan (N) into the mass spectrometer (MS) chamber.

2.3. XRD Analysis

X-ray diffraction analysis (XRD) was carried out on a Bruker X-ray diffractometer (Billerica, MA, USA) with CuKα radiation. A thin, dried film of a hybrid composition and powdered shungite with a size of up to 10 µm was scanned in the 2θ angle range from 5° to 70° with a step of 0.02°, a scanning speed of 2 s/point, with radiation in distilled water with parameters of 40 kV and 40 mA.
Qualitative phase analysis was carried out in the EVA program with an integrated JCPDS database. Quantitative phase analysis was implemented in the Profex 5.4.0 software using fitting by the Rietveld full-pattern refinement method with BGMN base of structural phase models [34].

2.4. SEM Analysis

Scanning electron microscopy (SEM) was performed using a Hitachi model TM 4000 Plus microscope (Tokyo, Japan) equipped with an X-ray fluorescence energy dispersive analysis (EDA) attachment with a crystal detector. The samples were examined under low vacuum in back-scattered electron (BSE) mode.

3. Results and Discussions

3.1. Cavitation–Jet Chamber

One of the ways to increase the efficiency of processes related to cavitation applications is to develop experimental techniques for conducting models and aimed studies taking into account the large-scale effect. To predict the performance of the equipment, it is necessary to know not only standard thermodynamic characteristics, such as supercavitation deflections, but also redundant phase functions of the systems of interest. Information on thermodynamic properties of phase equilibria in multicomponent systems is generally limited [20,22,32].
In this study, the cavitation–jet reactor that involves dynamic rotating working parts, such as screw blades, along with a fast jet mode, was examined. This combination of cavitation generators can accelerate the fluid flow in the cavitation mode. It is important to create oscillations with different frequencies, varying by orders of magnitude. To induce cavitation bubbles of a specific size, oscillations must be generated at a certain frequency. A higher frequency of acoustic oscillations and low pressure, which cause cavitation, result in smaller cavitation bubbles [35,36].
The cavitation–jet chamber (CJC) used in this study is composed of three sections, each of which causes a specific oscillation process. The first part is the Venturi tube, which has a mechanism that allows the pump liquid to rotate in the form of a blade-type screw.
The blade-type screw is a tube with external grooves, where the fluid flow is twisted and has an internal flow channel, that is, the fluid flow from the centrifugal pump, and it is divided into two streams with different flow rates and therefore has different amplitude–frequency characteristics. The screw should be considered as a fluid flow activator in the binary cavitation mode. The fracturing section of the vortex structure of the twisted and direct-flow fluids determines the size of the cavitation chamber.
The binary cavitation flow in a liquid is interrupted by the installation of hydraulic resistances, which notably restrict the channel flow, such as a Laval nozzle. Moreover, incorporating structural elements with suboptimal flow, like a conical splitter and a flow reflector, aids in creating a range of fragmented cavitation droplets or cavitation clouds (Figure 3). The hydrodynamic action in a liquid medium primarily occurs through the developed turbulence from pulsating pressure and flow rate, leading to intense cavitation, shock waves, and secondary nonlinear acoustic effects.
Circulating of demineralized water in CJR for a set duration (1 h in the experiments) caused the temperature of the liquid to increase to its boiling point, which matched the saturated vapor pressure of the water (Figure 4a). The temperature increase rate is directly related to the flow rate of the fluid in the centrifugal pump, controlled by a frequency converter, as shown in Figure 4b. An increase in the current frequency in the circuit powering the centrifugal pump led to a significant rise in temperature. The frequency was altered at intervals of 10 min.
It is important to recognize that there is no universally accepted objective theory to account for the temperature rise of the fluid in a vortex heat generator. Significant discrepancies exist among researchers’ views, both in the theoretical framework describing the processes of liquid flow and in the assessment of research findings concerning vortex heat generators [36,37]. The kinetic energy of fluid flow transforms into heat due to the nature of the high-pressure current in an incompressible liquid. A high-pressure flow of an incompressible liquid, initially single-phase, gains a large-scale visual structure because of the marked increase in the channel’s plasticity and the spiral alteration in the curvature direction, following the Archimedes spiral.
Furthermore, the complexity of analyzing the phenomenon of temperature rise is associated with the movement type of the liquid in the CJC. Since twisted flow is part of spatial currents, the flow structure constantly changes under mass and centrifugal forces. This situation contributes to the complexity of the mechanisms within a twisted flow and the challenges in determining the rules that govern these processes.
The zone of cavitation in the liquid is caused by a sharp drop in the absolute pressure when the velocity increases in the compressed flow section and has a local character. Cold-liquid boiling occurs under reducing the absolute pressure inside the volume or on the surface of the liquid. According to the “hole” theory of the liquid state of a substance, due to the high mobility of molecules, microscopic cracks or “holes” are present in the liquid. These “holes” cannot remain empty and are actively filled with gas that comes into contact with the free surface of the liquid, such as air when the liquid is exposed to the atmosphere. As a result, real liquid always contains dissolved air and can be viewed as a solution of a soluble substance (air) in the solvent [38]. When the absolute pressure is lowered, part of the filling material dissolves into the fluid in the form of microbubbles. These microbubbles act as cavitation nuclei and undergo magnification, leading to the formation of cavitation. However, these arguments cannot explain the excessive generation of heat above the ambient temperature, that is, the boiling point of water under normal conditions. One can suppose that the increase in temperature may be related to the emergence of acoustic cavitation, which is a consequence of the development of hydrodynamic cavitation.
Therefore, the second section of CJC, which is designed in the form of a Laval nozzle (LN), uses the excitation of oscillations of the resonating elements in the form of a conical splitter by passing a liquid jet from a Venturi tube. The vibrations of the resonating elements create an acoustic field in the fluid flow. The jet, which flows at a high velocity from the swiller in the Venturi tube, enters the conical resonator–splitter with a wedge-shaped edge. In this case, there is a disruption of the stream, and vortex pulsations occur. When the pulsation frequency coincides with the internal resonance frequency of the splitter, an acoustic wave emits from it into the liquid. The optimal operating mode is achieved by experimentally adapting the size of the resonating elements, adjusting the distance between the nozzle and reflector, and adjusting the jet speed. The reflector, which serves as the third compartment of CJC, is situated beyond the Labelle nozzle, as depicted in Figure 2. It takes the form of a protective screen attached to the diffuser section of the Laval nozzle using iron fasteners.
When generators operate at varying frequencies, and a fluid passes through them sequentially, it must first traverse the higher-frequency generator before the lower-frequency one. In a high-frequency generator, the smallest cavitation bubbles are excited and swiftly grow in size. The presence of these larger cavitation bubbles in the Venturi tube facilitates the creation of smaller cavitation bubbles in the convection and flow section of the Laval nozzle.
Acoustic effects arise when cavitation bubbles collapse in the vortex area of VT (Figure 3, Section 1) and evolve into a flowing part of the Laval nozzle (Figure 3, Section 2), forming micron-sized daughter droplets [23,39]. Within the Laval nozzle, as the stream divides into a diffuser, water molecules disintegrate into active radicals H and HO, akin to the radiolysis of water molecules under ionizing radiation. This disintegration of water molecules accounts for the temperature rise during the collapse of cavitation bubbles. The energy discharged from this collapse is enough to sever the H-O-H bonds, potentially yielding hydrogen and peroxide. Furthermore, the higher the frequency of the current powering the centrifugal pump, the greater the liquid’s heating rate. (Figure 4).
It is important to note that in the initiation zone of cavitation oscillations, the system exhibits an electrical potential ranging from 100 to 120 mV at 15 °C, which notably decreases to 70 mV at 80 °C, although this phenomenon does not occur in a static state, i.e., when there is no rapid liquid flow. It is hypothesized that cavitation and microshock emit electrons within the compressed bubbles of the VT-blade screw and the LN splitter aluminum resonator, thereby promoting chemical reactions with the liquid’s molecules. The initial process results in the generation of molecular hydrogen. This process is analogous to the radiolysis of water induced by high-energy irradiation, such as an electron beam or ultrasound exposure as outlined in the following references [39,40].
H 2 O   W a t e r   r a d i o l y s i s   e aq ,   H ,   HO ,   H 2 ,   H 2 O 2 ,   H aq +
The second cause of electroconductivity might be attributed to the accumulation of static electricity charges due to electrification at the dielectric boundary with varying dielectric permeability values as well as the discharge of charges during the flow of dielectric fluid over the conductor’s surface. According to J. Frenkel’s theory, cavitation bubbles in water form similarly to delicate bubbles in a solid, generating significant charges of opposite signs akin to the splitting of ion crystals. Subsequently, electric discharges occur between the walls of the cavitation bubble within the vapor–gaseous medium, leading to the excitation of gas molecules and atoms [39,40].
The authors [41,42,43,44] have previously observed the effects of plasma formation during cavitation in dielectric cells. This phenomenon is associated with the accumulation of static electric charge due to electrification at the dielectric boundary, which has varying dielectric permeability values, and the discharge of this charge as the dielectric fluid flows over the conductor’s surface. Electrification leads to electrical breakdown and the formation of mildly ionized plasma within the cavitation steam–gas bubble region.
Thus, in the process of cavitation, vapor–gas bubbles generate a mildly ionized plasma. This weakly ionized plasma discharge assists in the decomposition of water molecules, leading to the formation of transient species such as hydroxyl radicals (HO), hydroperoxide radicals (HO2), atomic hydrogen (H), atomic oxygen (O), and O2−. These discharges lead to the formation of reactive entities like free radicals and excited molecules, which are crucial for many atmospheric chemical reactions. Additionally, the emission of weakly ionized plasma aids in generating hydrogen peroxide (H2O2) and superoxide anions (O2−), which in turn help in the dissociation of water molecules. This recombination process ultimately produces hydrogen gas (H2), hydrogen peroxide (H2O2), and ozone (O3). The presence of hydrogen peroxide can be qualitatively detected when it reacts with starch and molecular iodine, changing the colorless polysaccharide solution to deep blue.
During separate and combined tests of hydraulic elements in cavitation–jet flow mode, the following characteristics were observed:
  • Axisymmetric channels that expand and contract, equipped with a rotational blade screw, Venturi tube, and Laval nozzle with a splitter–resonator, exhibit a consistent pattern of fluid pressure oscillation;
  • Fluid pressure fluctuations in the diffuser outlet line from the Venturi tube to the Laval nozzle range in the pressure-to-pressure ratio of the hydraulic element from 0.07 to 0.7, with double amplitude oscillations reaching 40–60% for the Venturi tube and nearly 100% for the Laval nozzle;
  • An increase in the fluid supply pressure results in a heightened amplitude of oscillation for each hydraulic element;
  • Cavitation auto-oscillations of the liquid in the moving element of the Venturi tube and the stationary resonator–splitter of the Laval nozzle, constructed from aluminum, lead to surface erosion resulting additional hydrogen generation.
Therefore, it may be inferred that a fundamental energy component of hydrodynamic cavitation is its “sound” accompaniment, arising from acoustic oscillations, which could potentially initiate sound and chemical reactions.

3.2. Hydrogen from Al in Cavitation–Jet Apparatus

The potential of hydrogen production via the formation of slightly ionized plasma in water flow, induced by cavitation within a hydrodynamic tube, was established earlier in [45]. Experimental results support the viability of safely producing hydrogen in cavitation streams and highlight the need for further investigation.
To enhance hydrogen production during cavitation–jet processing of water, various metals or alloys with differing affinities for liquid media were utilized in the CJR design. Notably, components of the CJC such as the screw, resonator–splitter, and flow reflector, which receive liquid from the centrifugal pump, are constructed from aluminum. This is because aluminum is a widely accepted metal that can act as an inexpensive hydrogen source [28,29,30,31,32,46,47,48]. Most cavitation bubbles rapidly collapse under environmental pressure shortly after their formation. At the end of this collapse, they momentarily generate extremely high pressures within the vapor–gas mixture inside the bubble. When a bubble is near a solid surface, it forms a microscopic cumulative jet from the liquid during the collapse, which erodes the oxidized layer on the aluminum surface [49,50,51].
The activation of aluminum, rendering it chemically reactive with water, is linked to the disruption of the dense oxide layer on its surface, achievable through various methods. Researchers [30,46] have observed hydrogen gas production during the wet cutting of aluminum and its alloys. This occurrence results from a chemical reaction between the freshly exposed aluminum surface and water, a reaction that is highly dependent on the surface’s freshness and is both safe and manageable.
The significantly negative standard redox potential (E0 = −1.66 V) of aluminum renders it a superior reducing agent, which can generate hydrogen gas when it comes into contact with water. This corrosion process uniquely does not involve the production of CO2. Such reactions can be initiated using an alkali or under neutral conditions as well as at high temperatures or through the reaction of aluminum with alcohol [48].
Due to its low equivalent weight, aluminum is an outstanding potential source of hydrogen by weight. However, it is surpassed by sodium borohydride, which can produce 2.4 L of hydrogen gas per gram of substance through hydrolysis. Aluminum and magnesium yield 1.245 L and 0.95 L per gram, respectively, while their corresponding hydrides, AlH3 and MgH2, generate 2.24 g·L−1 and 1.88 g·L−1, respectively [49].
During the intense collapse, temperature and pressure increase significantly, initiating chemical interactions between the solid surface of the cavitation–jet chamber and the activated water molecules within the cavitation bubbles. The reactions discussed in this study are presumed to occur within the bulk volume of bubbles, owing to water’s volatility and the hydrophilic characteristics of the active radicals generated in the cavitation–jet chamber.
Earlier, the authors [52] showed that under the cavitation conditions, HO and H radicals are produced by the pyrolysis of water molecules (H2O → HO + H). The HO radicals have a strong oxidation capacity, with a redox potential of 2.80 eV.
The primary outcome of the cavitation–jet processing of water is the generation of highly oxidizing active particles (HO) and peroxide compounds (H2O2), which possess a high oxidation potential concerning metals.
The chemical reactions that occur in aqueous media for pure aluminum to produce hydrogen and other by-products are as follows:
(a)
Reactions involving active OH radicals:
A l + H 2 O 2 A l + + O H ˙ + O H A l + + H 2 O 2 A l + 2 + O H ˙ + O H A l + 2 + H 2 O 2 A l + 3 + O H ˙ + O H A l + 3 O H ˙ + 2 H 2 O A l ( O H ) 3 + H 2 + 2 O H
(b)
Reactions in alkali solution:
2 A l + 2 N a O H + 6 H 2 O 2 N a A l O H 4 + 3 H 2 2 N a A l ( O H ) 4 2 N a O H + 2 A l ( O H ) 3  
(c)
Reaction in water:
2 A l + 6 H 2 O 2 A l ( O H ) 3 + 3 H 2
These reactions directly confirm the formation of molecular hydrogen. The Na+ ion acts as a catalyst, and the recovered aluminum hydroxide from the compound serves as a useful by-product, potentially used to produce hydrated sodium aluminate [29].
Electroplating aluminum with metals like copper, iron, and zinc is not feasible due to the lack of direct contact necessary to establish a potential difference.
Figure 5 illustrates that raising the concentration of the four metals, which are utilized in the construction of the cavitation–jet reactor, varies with temperature over time. The data show that the highest accumulation of aluminum ions, crucial for the formation of molecular hydrogen, occurs during the cavitation–jet processing of demineralized water and aqueous alkaline solutions.
Hydrogen production involves redox reactions with materials such as aluminum, which is used in the screw of the Venturi tube, as s liquid flow splitter in the confuser, and as a reflector in the diffuser of the Laval nozzle. It has been observed that using 0.1 wt.% sodium hydroxide to generate hydrogen results in a significantly higher yield of H2 compared to demineralized water. Additionally, cavitation–jet processing in both moving and stationary cavitation–jet chambers leads to the formation of various solid sediments, each with unique compositions and structures.
During the cavitation–jet processing of liquids, the resulting vapor and gas mixture is condensed using a water cooler situated beyond the receiver. This dehydrated mixture subsequently flows through calcium chloride and carbon adsorbents to eliminate any remaining water vapor completely. Excess oxygen is captured using a nitrogen trap, after which the gas mixture undergoes quantitative analysis via a multi-channel gas detector and gas chromatography.
Figure 6 illustrates the formation of gaseous products in a 0.1% NaOH aqueous solution during cavitation–jet processing. The primary gases formed are hydrogen, carbon monoxide, and methane. Oxygen and CO2 are not accounted for, as they may originate from the environment or be present in the initial domestic hot water or NaOH solution. Moreover, the dissolution of gases in water prevents excessive numbers of cavitation nuclei and improves the conditions for bubble collapse when the temperature rises during water compression. During the CJR operation gas in the cavitation–jet chamber can leak into the discharge zone of the Laval nozzle from the surrounding air.
Notably, the concentrations of hydrogen and carbon monoxide in the gas mixture increase at temperatures exceeding 55 °C. This rise in carbon monoxide levels may result from the reduction in carbon dioxide in the surrounding water and air. At a temperature of 75 °C, the cavitation of liquid methane occurs, resulting in the production and stabilization of the H2 and CO content. It is important to note that the data in Figure 7 do not represent the precise quantities of these gases in the mixture, as their concentrations surpass the detection limits of the gas detector.
The data of the gas chromatograph (Figure 6) shows that the resulting dry gas has a composition of hydrogen 59.97% vol., oxygen 9.15%, and nitrogen 30.87% by volume (carbon monoxide and methane content not defined due to technical limitations of the Chromos 1000 gas chromatograph due to the lack of detectors for their detection).
The XRD data (Figure 8a) indicate that the cavitation treatment of demineralized water mainly results in the formation of two polymorphic forms of calcium carbonate, namely calcite and aragonite, which manifest as a white suspension in the liquid. However, the production of hydrogen during cavitation was minimal and scarcely detectable by the hydrogen sensors.
The SEM images (Figure 8b) illustrate a significant difference in the morphology of polymorphic calcite crystals. Aragonite crystals resemble needles and have a structure akin to a flower, whereas calcite crystals appear as blocky, cubic particles [53,54]. It is possible to identify the repeating elements of individual aragonite and calcite crystals as well as their aggregates, which are reflected in both their internal (bI) and external structures (bII). The single element of the skeletal crystal structure is a needle-like sub-individual aragonite elongated along the axis and with cubic sub-individual calcite. The initially formed crystal of AG is aligned with the growth of similar crystals. The edge of one crystal grows in conjunction with the next oriented crystal. Additionally, the subsequent generation of lateral aragonite crystals also forms on the side plane of the cubic calcite crystal, creating an aragonite–calcite aggregate.
Thus, from the data presented (Figure 6 and Figure 7), it can be concluded that during the cavitation–jet processing of a polar liquid (water), a number of plasmo-chemical reactions occur, the nature of which cannot be explained from the viewpoint of classical thermodynamics. In principal, each cavitation bubble can be considered as a plasmochemical microreactor providing highly energetic processes at almost room temperature of the bulk solution. The photons and the “hot” particles produced inside the bubble enable exciting the nonvolatile species in solutions, thus increasing their chemical reactivity [39].
The cavitation event also gives rise to acoustic microstreaming or the formation of miniature eddies that enhance the mass and heat transfer in the liquid and also cause velocity gradients that results in shear forces. In heterogeneous sonochemistry, the mechanical effects of cavitation resulting from the erosion action of microjets formed during asymmetric collapse of bubbles at the vicinity of interfaces are also important [55].
It is believed that various reaction products may be formed at the boundary of the aluminum–water phase boundary during high-speed liquid flow through the elements of the cavitation–jet chamber. The Venturi tube with a screw facilitates the processes depicted in the reaction formulae (a, b, and c). As the accelerated gas–vapor mixture moves to the Laval nozzle, the carbon dioxide dissolved in the water is reduced to carbon monoxide following the outlined scheme.
C O 2 + H 2 C O + H 2 O
In the diffusor segment of the Laval nozzle, there is a significant increase in pressure and temperature resulting from the collapse of cavitation bubbles. This phenomenon leads to the creation of highly reactive radicals under extreme conditions. Such occurrences are referred to as “fragmented” collapses in the scientific literature, where the temperature and pressure may surpass the critical point for water (647 K and 22.1 MPa), resulting in physical properties that are intermediate between those of a gas and a liquid [50]. The high temperatures and pressures produced during cavitation supply the activation energy required to sever molecular bonds.
The majority of studies in the field of environmental sonochemistry have employed the concept of the “hot spot” in order to elucidate the experimental results. In accordance with this theory, a sono-chemical reaction is regarded as an exceptionally heterogeneous reaction in which reactive agents and heat are generated from a specific microreactor, designated as the “cavitation bubble” [49,50,51,52]. The “structured hot spot” model, as illustrated in Figure 3, identifies three distinct zones where chemical reactions are known to occur: (1) a hot gas nucleus; (2) an interphase region exhibiting a radial temperature gradient and local radical density; and (3) the bulk solution at ambient temperature.
Consequently, the collapse of bubbles can initiate reactions involving free radicals in various locations: within the collapsing bubble, on its surface, and in the adjacent fluid. The extreme conditions created during bubble collapse can cause bond breakdowns and the dissociation of water, vapors, and gases, leading to the generation of free radicals or excited states. The high temperatures and pressures from cavitation supply the energy necessary to sever these bonds. Newly formed radicals might combine to create novel molecules or disperse into the surrounding fluid, functioning as oxidants. Moreover, free radicals can combust and engage in reactions within the liquid shell encasing the bubble [52].
Figure 9 shows the X-ray diffraction plots of sediments on the solid surface of working part of the CJC formed during cavitation–jet processing of a 0.1% sodium hydroxide solution. During cavitation–jet processing, it is observed that the diffraction peaks of the Al disc and foil disappear, while the presence of Al(OH)3, the primary by-product of hydrogen generation, increases. The sediments in the first and second sections of CJC are predominantly composed of bayerite (B), sodium and magnesium salts of aluminum oxide (MX and Na17Al8O15), and copper oxides (I and II). In the area of total collapse of cavitation bubbles, that is, on the surface of the reflector, iron carbide is formed in addition to the above-mentioned compounds.
This is probably the area where the conversion of synthesis gas into methane occurs. Methane formation from CO and H2 is a complex catalytic process that involves a large number of consequent and parallel reactions. The process can be carried out at normal and elevated pressures and temperatures with catalysts that are based on transition metal of VIII groups (primarily Fe, Co, and Ru). Many studies have addressed this question, which are summarized in [55] and not covered in this article. It should be noted that an iron reinforcement connects the aluminum reflector with the diffuser part of the Laval nozzle, which plays a role as the catalyst.
The X-ray diffraction patterns of the reflector deposits display the characteristic peaks of iron carbide, Fe7C3, which is produced by the reduction of iron oxide (FeO) to carbon monoxide (CO) at temperatures between 527 and 727 °C [56,57]. The authors of [57] drew the diagram of formation for cementite from metallic iron in the atmosphere of CH4-H2O-H2-CO-CO2 at differing temperatures and pressures according to following reactions:
3 F e + C H 4 F e 3 C + 2 H 2 3 F e + 2 C O F e 3 C + C O 2
At temperature above 550 °C and pressure 1 atm, methane is thermodynamically unstable and decomposes to carbon and hydrogen. The reaction of methane decomposition is catalyzed by metallic iron, and methane cracking occurs through intermediate hydrocarbons to form cementite.
A chromatographic mass-spectroscopy data (Table 1) of a vapor–gas mixture produced by a cavitation–jet reactor during processing of a 0.1% solution of sodium hydroxide shows the presence of all gases that were investigated in the work [57] for producing iron carbide. Therefore, in the cavitation–jet treatment of liquids, we can realized the same conditions as in macroscopic processes. The temperature source for such processes is the heat produced by the collapse of cavitation bubbles, which can reach extremely high temperatures and pressures. This refers to the plasma’s chemical processes that come from ultrasound effects on water, which are widely described in the scientific literature [23,24,25,26,27].
To confirm the description of the structure and composition of the newly formed phases, the powders were analyzed using a scanning electron microscope equipped with an energy dispersive X-ray analyzer.
Figure 9 illustrates the data obtained from the scanning electron microscope (SEM) analysis of the aluminum disk, which was utilized in the fabrication of the working components of the cavitation–jet chamber. The aluminum foil (dimensions: 2.5 cm in length, 1.5 cm in height, and 1 mm in thickness) was positioned in parallel with the cavitation–jet stream of the vapor–gas flow mixture within the confusor section of the Laval nozzle, and the surface deposits resulting from the screw insertion within the Venture tube, splitter, and reflector were also observed.
Powders are defined as agglomerates of particles that exhibit a directed shape and a porous structure with a high degree of micro-irregularities. The surface of some particles displayed microsites with varying chemical compositions and structural heterogeneities, which suggests the occurrence of diverse chemical processes during the cavitation–jet processing stages of bubbles on the surfaces of CJC construction elements made of aluminum.
The elemental composition of the interparticle contacts in the powder was investigated through energy dispersive analysis, which revealed a notable increase in the quantities of oxygen and carbon, calcium, magnesium, and sodium within the shell encasing the contaminated particles. This was observed despite a reduction in the aluminum content of the original aluminum material.
The uniformity in the size of the craters from 2 μm to 16.2 μm in diameter formed on the foil surface due to the collapse of the bubbles is a consequence of the varying sizes of the bubbles in different parts of the cavitation–jet chamber. The SEM results demonstrate that the alkaline environment formed during the dissolution of aluminum in both water and sodium hydroxide solutions (Figure 4 and Figure 5) facilitates the partial dissolution of copper, magnesium, and iron, which are components of the alumina material, and the subsequent crystallization of mixed hydroxides of these metals on the substrate surface.
The principal processes occurring during the cavitation–jet treatment of water or sodium hydroxide solutions can be summarized as follows. In heterogeneous chemical reactions involving partial dissolution of aluminum in water, we can observe the formation of supersaturated solutions and mass crystallization of bayerite particles and associated particles of aluminum hydroxide salts, copper oxide, and iron carbide in areas of complete bubble explosion on the aluminum surface, particularly on reflector surfaces.
Particles exceeding 10.0–16.0 µm exhibit an irregular shape, while the smallest particles, measuring up to 3 µm, represent microcrystals from which larger particles are formed. As particle size increases, the particle shape approaches a spherical shape, which is the most favorable in fluidized bed processes (Figure 10(B1,B2)).
The solid product formed on the surface of the working parts of CJC during the cavitation–jet treatment process is an agglomerate of irregularly shaped, small-volume particles integrated into coaxial porous spherulites. The agglomerates are characterized by the presence of substituted solid solutions of Mg2+ and Al(OH)3 (MX) and calcium carbonate (CM) at their scale boundaries.
The data analysis indicates that an increase in the magnesium content of the source aluminum material results in a corresponding increase in the production of complex hydroxides (disc and foil). The surface of the foil is characterized by the formation of predominantly complex bayerite and calcite salts, which take the form of well-defined solid crystals with perfect pentagonal edges and an intact crystalline structure of 3 μm in diameter and 573 nm in thickness (Figure 10(A2,A3)). These particles are well localized in craters formed by the collapse of cavitation bubbles on the surfaces of PCB working parts made of aluminum.
Figure 11 illustrates the operational components of a cavitation–jet reactor during the intense generation of hydrogen from the reflector. Hydrogen is generated throughout the cavitation–jet chamber (Figure 2).
Thus, cavitation occurs from cavitation–jet processing and involves not only the formation of chemically active species but also the strong shear forces originating from the surface around the densely implanted bubbles, i.e., the working part of the cavitation–jet camera. Furthermore, the mechanical forces produced by cavitation are significantly more crucial in a heterogeneous system than in a homogeneous solution.
The inclusion of metal processing elements in the CJR design can be considered as a solid catalyst (Al or Fe), which is one of the most common ways to promote hydrogen production. The availability of certain materials can be practically useful to change the size of the particulate components in the cavitation reactor and to activate or modify the chemical properties of the catalyst surface during the cavitation–jet processing of the water system.
The findings are consistent with the results of the works [39,58]. Specifically, work [58] indicated that it is not always necessary to reach the cavitation threshold to induce sono-chemical reactions. In other words, sono-chemical reactions could occur without cavitation. This hypothesis has sparked the need for a new range of experimental sonochemistry to explore the concept of an “ordering effect” of the molecules, in which electric charges could develop. According to this idea, electron movement from one molecule to another could be triggered by such electrical charges. These reactions could even occur in the absence of cavitation. Furthermore, similar transient ordering effects could be induced by the shockwave accompanying bubble collapse, which could help explain some of the anomalous effects observed in sonochemistry under cavitation.

4. Conclusions

A significant outcome of using both cavitation–jet liquid treatment and the chemical method of aluminum surface activation is the recognition of synergy, which refers to the superiority of the obtained result compared to the anticipated results of using both procedures independently [59,60].
It is anticipated that a synergistic effect will result from combining cavitation–jet treatment with e-beam irradiation, improving water decomposition into hydrogen and other by-products. This effect is particularly notable when dissolved gases (such as CO2 and H2S) or liquid radioactive waste are present, which will be the focus of upcoming research. In the latter case, radionuclides can play a role as a catalyst for water radiolysis under the cavitation–jet processing of liquid radioactive waste, which may solve the global problem of reducing their volume.
Consequently, cavitation–jet processing holds significant promise for atmospheric greenhouse gas purification and hydrogen generation, owing to its ability to produce high concentrations of oxidizing agents like OH and H2O2 in water solutions. It also creates localized areas of high temperature and pressure, which could make it a convenient and user-friendly option. Hydrodynamic cavitation could emerge as an economically viable and highly efficient alternative to current methods.
It can be assumed that the non-equilibrium plasma produced during liquid cavitation–jet processing causes a self-oscillating process in which oxidation and reduction occur simultaneously with in a short period of time. Consequently, it is not enough to focus only on the production of active particles with oxidizing properties such as hydroxyl radical (HO) and hydrogen peroxide (H2O2). The production of reducing particles such as hydrogen radical (H) and carbon monoxide (CO) should also be considered.
This work provides a contribution to the study of the mechanism of hydrogen generation by cavitation–jet treatment of water and aqueous solutions, in which conditions are created for double cavitation in hydrodynamic tubes of different cross-sections.

Author Contributions

Conceptualization, G.K.M.; Methodology, Z.I.B.; Software, I.V.D.; Investigation, I.V.D. and Y.R.N.; Data curation, A.R.; Writing—original draft, G.K.M.; Supervision, G.K.M. All authors have read and agreed to the published version of the manuscript.

Funding

The work was performed under financial support of the State Institution “Science Committee of the Ministry of Science and Higher Education of the Republic of Kazakhstan” within the framework of the Scientific-Technical Program BR18574073.

Data Availability Statement

The original contributions presented in the study are included in the article, further inquiries can be directed to the corresponding author.

Conflicts of Interest

The authors declare no conflict of interest.

References

  1. Abuzreda, A. The use of Green Nano Hydrogen as Fuel and its Effect. Adv. Environ. Waste Manag. Recycl. 2022, 5, 350–351. [Google Scholar]
  2. Abdin, Z.; Zafaranloo, A.; Rafiee, A.; Mérida, W.; Lipiński, W.; Khalilpour, K.R. Hydrogen as an energy vector. Renew. Sustain. Energy Rev. 2020, 120, 109620. [Google Scholar] [CrossRef]
  3. Herraiz, L.; Lucquiaud, M.; Chalmers, H.; Gibbins, J. Sequential Combustion in Steam Methane Reformers for Hydrogen and Power Production With CCUS in Decarbonized Industrial Clusters. Front. Energy Res. 2020, 8, 180. [Google Scholar] [CrossRef]
  4. Committee on Climate Change [CCC]. Hydrogen in a Low-Carbon Economy; Committee on Climate Change [CCC]: London, UK, 2018. [Google Scholar]
  5. Udemu, C.; Font-Palma, C. Modelling of sorption-enhanced steam reforming (SE-SR) process in fluidised 2-bed reactors for low-carbon hydrogen production: A review. Fuel 2023, 340, 127588. [Google Scholar] [CrossRef]
  6. Abuzreda, A.; Hamad, T.A.M.; Elayatt, A.; Ahmad, I. A Review of Different Renewable Energy Resources and Their Energy Efficiency Technologies. Adv. Environ. Waste Manag. Recycl. 2023, 6, 384–389. [Google Scholar]
  7. Alqahtani, H.S. Lower Carbon Hydrogen Production from Wastewater: A Comprehensive Review. Sustainability 2024, 16, 8659. [Google Scholar] [CrossRef]
  8. Panov, V.A.; Abramov, A.G.; Ugrymov, A.V. Direct Plasma Chemical Conversion of Methane to Methanol (a review). Uspehi Prikl. fiziki. 2022, 10, 534–575. (In Russian) [Google Scholar] [CrossRef]
  9. Lackner, M.; Fei, Q.; Guo, S.; Yang, N.; Guan, X.; Hu, P. Biomass Gasification as a Scalable, Green Route to Combined Heat and Power (CHP) and Synthesis Gas for Materials: A Review. Fuels 2024, 5, 625–649. [Google Scholar] [CrossRef]
  10. Arutyunov, V.S.; Strekova, L.N. Gas chemical processes based on noncatalytic oxidation of hydrocarbons. Neft.-Him. 2020, 1, 17. (In Russian) [Google Scholar]
  11. Inbamrung, P.; Sornchamni, T.; Prapainainar, C.; Tungkamani, S.; Narataruksa, P.; Jovanovic, G.N. Modeling of a square channel monolith reactor for methane steam reforming. Energy 2018, 152, 383–400. [Google Scholar] [CrossRef]
  12. Meurer, A.; Kern, J. Fischer–Tropsch Synthesis as the Key for Decentralized Sustainable Kerosene Production. Energies 2021, 14, 1836. [Google Scholar] [CrossRef]
  13. Ostadi, M.; Cohn, D.R.; Zang, G.; Bromberg, L. CH4 and CO2 Reductions from Methanol Production Using Municipal Solid Waste Gasification with Hydrogen Enhancement. Sustainability 2024, 16, 8649. [Google Scholar] [CrossRef]
  14. Shirazi, M.; Neyts, E.C.; Bogaerts, A. DFT study of Ni-catalyzed plasma dry reforming of methane. Appl. Catal. B-Environ. 2017, 205, 605–614. [Google Scholar] [CrossRef]
  15. Msheik, M.; Rodat, S.; Abanades, S. Methane Cracking for Hydrogen Production: A Review of Catalytic and Molten Media Pyrolysis. Energies 2021, 14, 3107. [Google Scholar] [CrossRef]
  16. Wang, L.; Yi, Y.H.; Wu, C.F.; Guo, H.C.; Tu, X. One-step reforming of CO2 and CH4 into High-value liquid chemicals and fuels at room temperature by plasma-driven catalysis. Angew. Chem. 2017, 56, 13679–13683. [Google Scholar] [CrossRef]
  17. De Felice, G.; Li, S.; Gallucci, F.; Pourali, N.; Rebrov, E. On design of plasma jet reactor for non-oxidative methane conversion. React. Chem. Eng. 2023, 8, 1125–1133. [Google Scholar] [CrossRef] [PubMed]
  18. Bruggeman, P.J.; Kushner, M.J.; Locke, B.R.; Gardeniers, J.G.; Graham, W.; Graves, D.B.; Hofman-Caris, R.C.H.M.; Maric, D.; Reid, J.P.; Ceriani, E.; et al. Plasma-liguid interactions: A review and roadmap. Plasma Sources Sci. Technol. 2016, 25, 053002. [Google Scholar] [CrossRef]
  19. Nazir, H.; Louis, C.; Jose, S.; Prakash, J.; Muthuswamy, N.; Buan, M.E.M.; Flox, C.; Chavan, S.; Shi, X.; Kauranen, P.; et al. Is the H2 economy realizable in the foreseeable future? Part I: H2 production methods. Int. J. Hydrogen Energy 2020, 45, 13777–13788. [Google Scholar] [CrossRef]
  20. Fateev, V.I.; Porembsky, S.A.; Grigorev, I.E.; Baranov, S.A.; Ostrovsky, S.V.; Korobtsev, V.P.; Denisenko, V.N.; Nikolaev, I.I.; Kirillov, I.A.; Demkin, S.A.; et al. Research and development of hydrogen energy systems at the National Research Center «Kurchatov Institute». Power Eng. Res. Equip. Technol. 2021, 23, 128–148. [Google Scholar] [CrossRef]
  21. Corgnale, C.; Gorensek, M.B.; Summers, W.A. Review of Sulfuric Acid Decomposition Processes for Sulfur-Based Thermochemical Hydrogen Production Cycles. Processes 2020, 8, 1383. [Google Scholar] [CrossRef]
  22. Inamuddin; Asiri, A. (Eds.) Sustainable Green Chemical Processes and Their Allied Applications; Nanotechnology in the Life Sciences; Springer: Berlin/Heidelberg, Germany, 2020. [Google Scholar] [CrossRef]
  23. Dehane, A.; Merouani, S. Microscopic Analysis of Hydrogen Production from Methane Sono-Pyrolysis. Energies 2023, 16, 443. [Google Scholar] [CrossRef]
  24. Ge, M.; Sun, C.; Zhang, G.; Coutier-Delgosha, O.; Fan, D. Combined suppression effects on hydrodynamic cavitation performance in Venturi-type reactor for process intensification. Ultrason. Sonochem. 2022, 86, 106035. [Google Scholar] [CrossRef] [PubMed]
  25. Goncharuk, V.V.; Malyarenko, V.V.; Yaremenko, V.A. Use of ultrasound in water treatment. J. Water Chem. Technol. 2008, 30, 137–150. [Google Scholar] [CrossRef]
  26. Leighton, T.G. The Acoustic Bubble; Academic Press: London, UK, 1994. [Google Scholar]
  27. Suslick, K.S.; Flannigan, D.J. Inside a collapsing bubble: Sonoluminescence and the conditions during cavitation. Annu. Rev. Phys. Chem. 2008, 59, 659–683. [Google Scholar] [CrossRef]
  28. Singh, K.K.; Meshram, A.; Gautam, D.; Jain, A. Hydrogen production using waste aluminium dross: Fromindustrial waste to next-generation fuel. Agron. Res. 2019, 17, 1199–1206. [Google Scholar] [CrossRef]
  29. Elsarrag, E.; Elhoweris, A.; Alhorr, Y. The production of hydrogen as an alternative energy carrier from aluminium waste. Energy Sustain. Soc. 2017, 7, 9. [Google Scholar] [CrossRef]
  30. Michalik, M.; Kasina, M.; Kajdas, B.; Kowalski, P. Form of the Occurrence of Aluminium in Municipal Solid Waste Incineration Residue—Even Hydrogen Is Lost. Energies 2022, 15, 8186. [Google Scholar] [CrossRef]
  31. Wang, C.; Liu, Y.; Liu, H.; Yang, T.; Chen, X.; Yang, S.; Liu, X. A Novel Self-Assembling Al-based Composite Powder with High Hydrogen Generation Efficiency. Sci. Rep. 2015, 5, 17428. [Google Scholar] [CrossRef]
  32. Lee, S.; Kim, H.S.; Park, J.; Kang, B.M.; Cho, C.-H.; Lim, H.; Won, W. Scenario-Based Techno-Economic Analysis of Steam Methane Reforming Process for Hydrogen Production. Appl. Sci. 2021, 11, 6021. [Google Scholar] [CrossRef]
  33. Mamytbekov, G.; Shayakhmetov, N.; Aizhulov, D.; Kurmanseiit, M.; Tungatarova, M. Transport of Steam-Gas Mixture in Hydrodynamic Devices: A Numerical Study of Steam Reforming of Methane. Processes 2023, 11, 2991. [Google Scholar] [CrossRef]
  34. Doebelin, N.; Kleeberg, R. Profex: A graphical user interface for the Rietveld refinement program BGMN. J. Appl. Crystallogr. 2015, 48, 1573–1580. [Google Scholar] [CrossRef] [PubMed]
  35. Ivchenko, V.M. Cavitation and some problems of hydrodynamics. Appl. Hydrodyn. Stud. 1965, 70–78. (In Russian) [Google Scholar]
  36. Zangirov, E.I.; Kalimullin, R.R.; Svistunov, A.V.; Khakimov, R.F. Identifikatsiya protsessa nagreva rabochey zhidkosti v vikhrevom teplogeneratore [Identification of heating working fluid in vortex heat-generator]. Vestn. Ufim. Gos. Aviatsionnogo Tekhnicheskogo Univ. 2013, 17, 95–102. (In Russian) [Google Scholar]
  37. Mitrofanova, O.V. Gidrodinamika i Teploobmen zakruchennykh potokov v kanalakh yaderno-Energeticheskikh ustanovok [Hydrodynamics ant Heat Exchange of Swirling Flows in Ducts of Nuclear Power Plants]; Fizmatlit: Moscow, Russia, 2010; 288p. (In Russian) [Google Scholar]
  38. Efremova, K.D.; Pil’gunov, V.N. Cavitation properties of the liquids. Science and education. MGTU. Elekr. J. 2016, 3, 12–36. (In Russian) [Google Scholar] [CrossRef]
  39. Nikitenko, S.I. Plasma Formation during Acoustic Cavitation: Toward a New Paradigm for Sonochemistry. Adv. Phys. Chem. 2014, 173878. [Google Scholar] [CrossRef][Green Version]
  40. Okada, K.; Kudo, N.; Hassan, M.A.; Kondo, T.; Yamamoto, K. Threshold curves obtained under various gaseous conditions for free radical generation by burst ultrasound—Effects of dissolved gas, microbubbles and gas transport from the air. Ultrason. Sonochem. 2009, 16, 512–518. [Google Scholar] [CrossRef]
  41. Koldamasov, A.I. Plasma formation in cavitated dielectric liquid. Zhurnal Tekhnicheskoi Fiz. 1991, 61, 188–190. (In Russian) [Google Scholar]
  42. Margulis, M.A.; Margulis, I.M. Luminescence Mechanism of Acoustic and Laser-Induced Cavitation. Acoust. J. 2006, 52, 340–350. (In Russian) [Google Scholar] [CrossRef]
  43. Ohl, C.-D. Luminescence from acoustic-driven laser-induced cavitation bubbles. Phys. Rev. 2000, 61, 1497–1500. [Google Scholar] [CrossRef]
  44. Takada, N.; Hayasgi, Y.; Goto, M.; Sasaki, K. An Attempt to Produce Electrical Discharges in Acoustic Cavitation Bubbles. Plasma Fusion Res. 2016, 11, 1406113. [Google Scholar] [CrossRef]
  45. Bagrov, V.V.; Grafov, D.Y.; Desyatov, A.V.; Kruchinina, N.E.; Kuterbekov, K.A.; Nurakhmetov, T.N.; Yakushin, R.V. Ecologically Safe Cavity Way of Hydrogen Generation in Water Flows with Low Ionized Plasma Emergence. Ecol. Saf. 2013, 5, 21–23. [Google Scholar] [CrossRef][Green Version]
  46. Olivares-Ramirez, J.M.; de Jesus, A.M.; Jimenez-Sandoval, O.; Pless, R.C. Hydrogen Generation by Treatment of Aluminium Metal with Aqueous Solutions: Procedures and Uses. Hydrog. Energy—Chall. Perspect. 2012, 10, 48762. [Google Scholar] [CrossRef]
  47. Wang, H.Z.; Leung, D.Y.C.; Leung, M.K.H.; Ni, M. A review on hydrogen production using aluminum and aluminum alloys. Renew. Sustain. Energy Rev. 2009, 13, 845–853. [Google Scholar] [CrossRef]
  48. Ilyukhina, A.V.; Kravchenko, O.V.; Bulychev, B.M.; Shkolnikov, E.I. Mechanochemical activation of aluminum with gallams for hydrogen evolution from water. Int. J. Hydrogen Energy 2010, 35, 1905–1910. [Google Scholar] [CrossRef]
  49. Adewuyi, Y.G. Sonochemistry: Environmental Science and Engineering Applications. Ind. Eng. Chem. Res. 2001, 40, 4681–4715. [Google Scholar] [CrossRef]
  50. Hua, I.; Hoechemer, R.H.; Hoffmann, M.R. Sonolytic Hydrolysis of p-Nitrophenyl Acetate: The Role of Supercritical Water. J. Phys. Chem. 1995, 99, 2335–2342. [Google Scholar] [CrossRef]
  51. Colarusso, P.; Serpone, N. Sonochemistry II. Effects of ultrasounds on homogeneous chemical reactions and in environmental detoxification. Res. Chem. Intermed. 1996, 22, 61–89. [Google Scholar] [CrossRef]
  52. Riesz, P.; Berdahl, D.; Christman, C.L. Free Radical Generation by Ultrasound in Aqueous and Nonaqueous Solutions. Environ. Health Perspect. 1985, 64, 233. [Google Scholar] [CrossRef]
  53. Brecevic, L.; Kralj, D. On calcium carbonates: From fundamental research to application. Croat. Chem. Acta 2007, 80, 467–484. [Google Scholar]
  54. Issabayev, Y.A.; Boiko, G.I.; Lyubchenko, N.P. Synthesis of unexplored aminophosphonic acid and evaluationas scale inhibitor for industrial water applications. J. Water Process Eng. 2018, 22, 192–202. [Google Scholar] [CrossRef]
  55. Van Der Laan, G.P.; Beenackers, A.A.C.M. Kinetics and Selectivity of the Fischer-Tropsch Synthesis: A Literature Review. Catal. Rev. 1999, 41, 255–318. [Google Scholar] [CrossRef]
  56. Nekouei, S.R.K.; Soleymani, A.P.; Panjepour, M. Thermodynamic Study of Cementite Formation in Fe–C–O–H System. Miner. Process. Extr. Metall. Rev. 2013, 34, 176–184. [Google Scholar] [CrossRef]
  57. Zhang, J.; Ostrovski, O. Cementite Formation in CH4-H2-Ar Gas Mixture and Cementite Stability. ISIJ Int. 2001, 41, 333–339. [Google Scholar] [CrossRef][Green Version]
  58. Vinatoru, M.; Mason, T.J. Can Sonochemistry take place in the absence of cavitation?—A complementary view of how ultrasound can interact with materials. Ultrason. Sonochem. 2018, 52, 2–5. [Google Scholar] [CrossRef] [PubMed]
  59. Abdelkareem, M.A.; Ayoub, M.; Issa, R.; Najada, A.; Alami, A.H.; Olabi, A.G. Hydrogen from waste metals: Recent progress, production techniques, purification, challenges, and applications. Sustain. Horiz. 2024, 9, 100079. [Google Scholar] [CrossRef]
  60. El-Shafie, M.; Kambara, S.; Hayakawa, Y.; Miura, T. Preliminary results of hydrogen production from water vapor decomposition using DBD plasma in a PMCR reactor. Int. J. Hydrogen Energy 2019, 44, 20239–20248. [Google Scholar] [CrossRef]
Figure 1. General view of the cavitation–jet reactor: 1—cavitation–jet chamber; 2—liquid receiver vessel; 3—frequency converter; 4—centrifugal pump; 5, 6, 7, and 8—digital manometers.
Figure 1. General view of the cavitation–jet reactor: 1—cavitation–jet chamber; 2—liquid receiver vessel; 3—frequency converter; 4—centrifugal pump; 5, 6, 7, and 8—digital manometers.
Applsci 14 09415 g001
Figure 2. Schematic Diagram of the Mass Spectrum Analysis Stand for Residual Gases: MS—mass spectrometer, TP—turbomolecular pump, SP—spiral dry pump, V—vacuum valves, P—pressure sensor, BO—storage tank, and R—gas containing chamber.
Figure 2. Schematic Diagram of the Mass Spectrum Analysis Stand for Residual Gases: MS—mass spectrometer, TP—turbomolecular pump, SP—spiral dry pump, V—vacuum valves, P—pressure sensor, BO—storage tank, and R—gas containing chamber.
Applsci 14 09415 g002
Figure 3. The sections of cavitation–jet chamber.
Figure 3. The sections of cavitation–jet chamber.
Applsci 14 09415 g003
Figure 4. Dependence of pH and temperature of water on of cavitation–jet processing time (a) and the increase in water temperature in relation to the frequency of the current supplied to the centrifugal pump via the frequency converter (b).
Figure 4. Dependence of pH and temperature of water on of cavitation–jet processing time (a) and the increase in water temperature in relation to the frequency of the current supplied to the centrifugal pump via the frequency converter (b).
Applsci 14 09415 g004
Figure 5. Dependence of concentration of four metals on temperature and time of cavitation–jet processing of demineralized water (a) and aqueous solution of 0.1 wet % NaOH (b).
Figure 5. Dependence of concentration of four metals on temperature and time of cavitation–jet processing of demineralized water (a) and aqueous solution of 0.1 wet % NaOH (b).
Applsci 14 09415 g005
Figure 6. Accumulation of gaseous products as a function of temperature during cavitation–jet processing of a 0.1% solution in a cavitation–jet reactor.
Figure 6. Accumulation of gaseous products as a function of temperature during cavitation–jet processing of a 0.1% solution in a cavitation–jet reactor.
Applsci 14 09415 g006
Figure 7. Hydrogen accumulation data from gas chromatography during the cavitation–jet processing of 0.1% solution of NaOH in CJR.
Figure 7. Hydrogen accumulation data from gas chromatography during the cavitation–jet processing of 0.1% solution of NaOH in CJR.
Applsci 14 09415 g007
Figure 8. XRD (a), SEM (bI,bII) and EDA (bIII) data of the suspension formed during the cavitation–jet treatment of demineralized water. The colors of the lines indicate the element: calcium—brown line, carbon—turquoise line, oxygen—green line.
Figure 8. XRD (a), SEM (bI,bII) and EDA (bIII) data of the suspension formed during the cavitation–jet treatment of demineralized water. The colors of the lines indicate the element: calcium—brown line, carbon—turquoise line, oxygen—green line.
Applsci 14 09415 g008
Figure 9. XRD data of the powder formed during the cavitation–jet treatment of 0.1% NaOH solution on the surface of Aldisc/foil and working part (Screw, Reflector and Splitter) of the cavitation–jet chamber.
Figure 9. XRD data of the powder formed during the cavitation–jet treatment of 0.1% NaOH solution on the surface of Aldisc/foil and working part (Screw, Reflector and Splitter) of the cavitation–jet chamber.
Applsci 14 09415 g009
Figure 10. SEM data of the powder formed during the cavitation–jet treatment of 0.1% NaOH solution on the surface of working parts of cavitation–jet chamber, * means an increase in the scale of particle size measurement.
Figure 10. SEM data of the powder formed during the cavitation–jet treatment of 0.1% NaOH solution on the surface of working parts of cavitation–jet chamber, * means an increase in the scale of particle size measurement.
Applsci 14 09415 g010
Figure 11. Hydrogen generation on the reflector surface of the CJR.
Figure 11. Hydrogen generation on the reflector surface of the CJR.
Applsci 14 09415 g011
Table 1. Chromatographic mass-spectroscopy data of a vapor–gas mixture produced by a cavitation–jet reactor.
Table 1. Chromatographic mass-spectroscopy data of a vapor–gas mixture produced by a cavitation–jet reactor.
12345671–7
MassM2M16M17M18M28M32M44Mass sum
Name of gasesH2CH4NH3H2OCOO2CO2
Content, %26.44%3.12%14.43%54.90%0.87%0.02%0.22%100%
Disclaimer/Publisher’s Note: The statements, opinions and data contained in all publications are solely those of the individual author(s) and contributor(s) and not of MDPI and/or the editor(s). MDPI and/or the editor(s) disclaim responsibility for any injury to people or property resulting from any ideas, methods, instructions or products referred to in the content.

Share and Cite

MDPI and ACS Style

Mamytbekov, G.K.; Danko, I.V.; Beksultanov, Z.I.; Nurtazin, Y.R.; Rakhimbayev, A. Perspectives of Hydrogen Generation in Cavitation–Jet Hydrodynamic Reactor. Appl. Sci. 2024, 14, 9415. https://doi.org/10.3390/app14209415

AMA Style

Mamytbekov GK, Danko IV, Beksultanov ZI, Nurtazin YR, Rakhimbayev A. Perspectives of Hydrogen Generation in Cavitation–Jet Hydrodynamic Reactor. Applied Sciences. 2024; 14(20):9415. https://doi.org/10.3390/app14209415

Chicago/Turabian Style

Mamytbekov, G. K., I. V. Danko, Zh. I. Beksultanov, Y. R. Nurtazin, and A. Rakhimbayev. 2024. "Perspectives of Hydrogen Generation in Cavitation–Jet Hydrodynamic Reactor" Applied Sciences 14, no. 20: 9415. https://doi.org/10.3390/app14209415

APA Style

Mamytbekov, G. K., Danko, I. V., Beksultanov, Z. I., Nurtazin, Y. R., & Rakhimbayev, A. (2024). Perspectives of Hydrogen Generation in Cavitation–Jet Hydrodynamic Reactor. Applied Sciences, 14(20), 9415. https://doi.org/10.3390/app14209415

Note that from the first issue of 2016, this journal uses article numbers instead of page numbers. See further details here.

Article Metrics

Back to TopTop