Active Disturbance Rejection Control Combined with Improved Model Predictive Control for Large-Capacity Hybrid Energy Storage Systems in DC Microgrids
Abstract
1. Introduction
- (1)
- The ADRC outer voltage control loop is presented for n battery converters. Compared with traditional observers, the voltage expansion state observer of the proposed ADRC control is independent of the system model and parameters and consequently has strong disturbance immunity, and significantly reduces voltage overshoots during power fluctuations.
- (2)
- Improved MPC is employed in inner current control loops of n battery converters and the supercapacitor converter. The MPC-based inner current control loop accelerates current response speed and significantly decreases switching losses.
- (3)
- For n parallel battery converters, a compensatory approach eliminating DC bus voltage deviations introduced by droop control is presented, to effectively increase accuracy and maintain constant DC bus voltage.
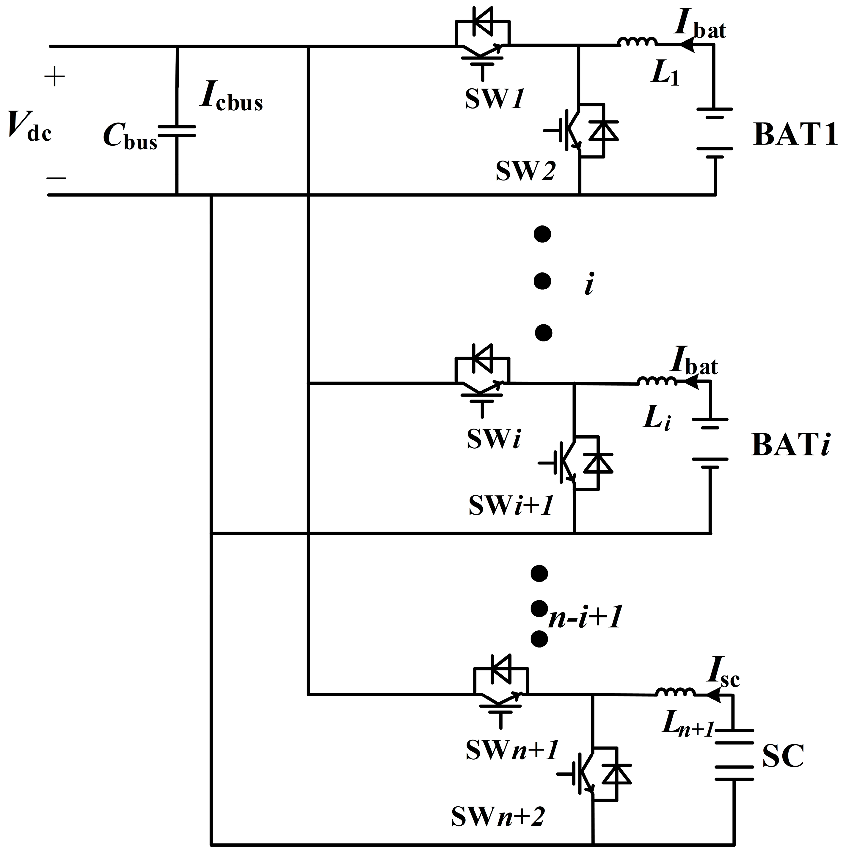
2. The Structure of Typical DC Microgrids and Traditional Control Strategies
2.1. Power Allocation between Different Energy Storage Systems of HESS
2.2. PI Double Closed-Loop Control
3. Active Disturbance Rejection Control Combined with Improved MPC of Large-Capacity HESS in DC Microgrids
3.1. Active Disturbance Rejection Control of Outer Voltage Control Loop
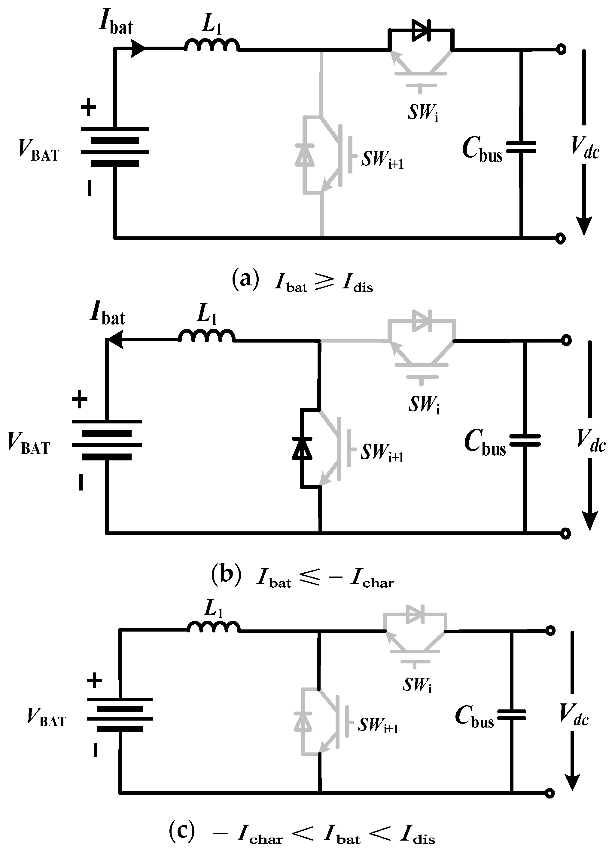
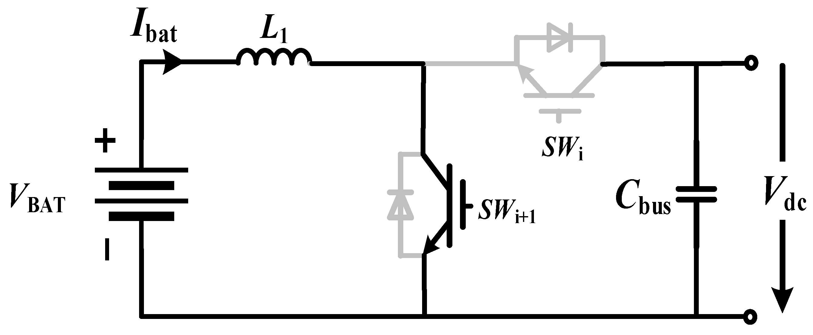
3.2. Improved Model Predictive Control of the Inner Current Control Loop
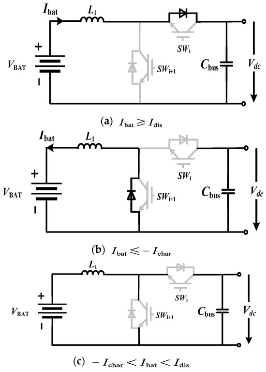
- Model the converters and identify all switching modes. Predict behaviors of the controlled variables (e.g., voltages, currents) under various switching modes.
- Define the evaluation function according to the system model and control variables and obtain values of the predicted evaluation function.
- Choose the optimal switching state corresponding to the minimized evaluation function.
3.3. Designing a Secondary DC Bus Voltage Compensator in the Condition of Voltage Drops
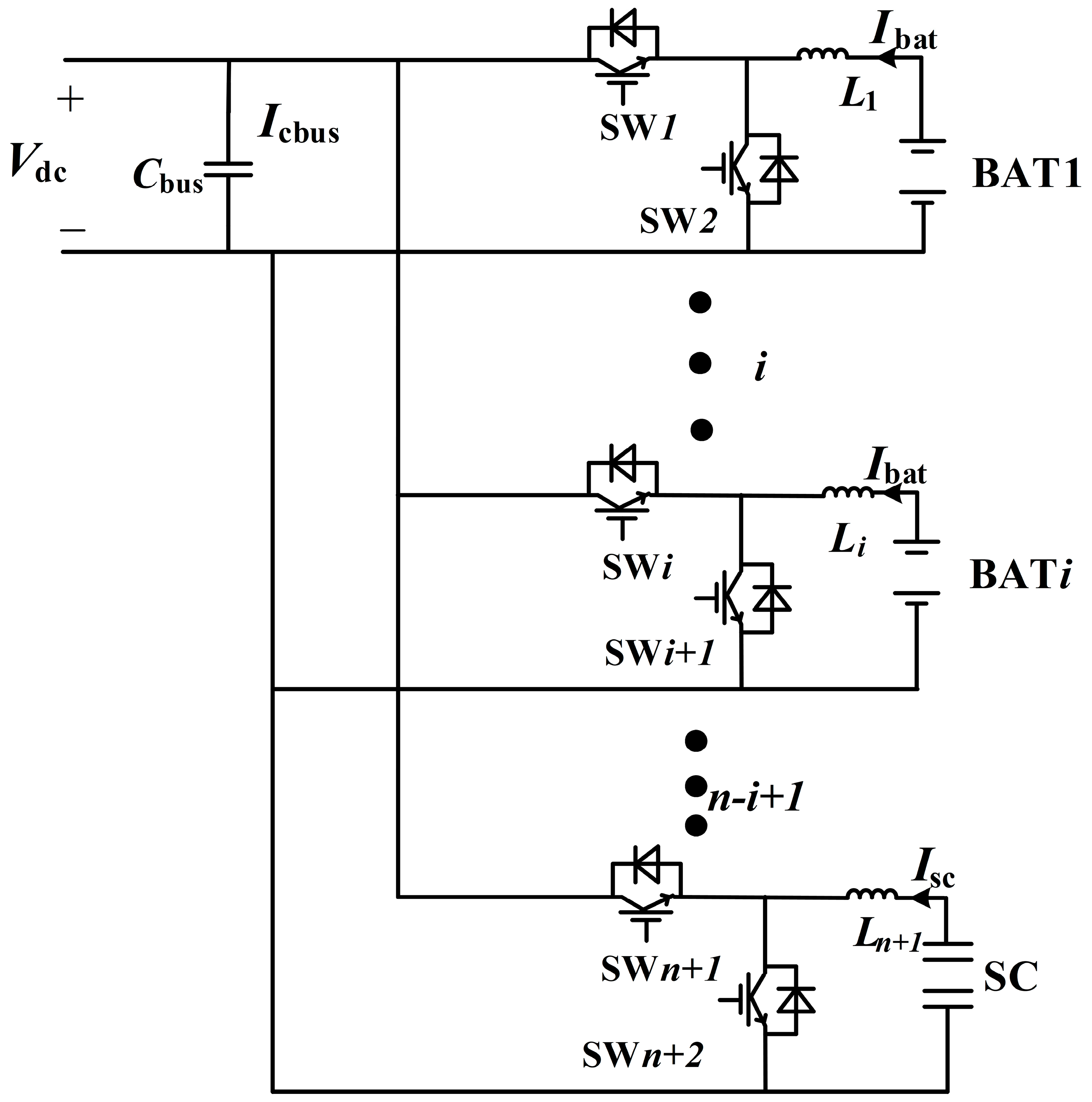
3.4. Design Procedure of Proposed Control Strategies of n Parallel Battery Converters and the Supercapacitor Converter in DC Microgrids
- (1)
- Based on (7), the reference power of the supercapacitor converter is achieved by a low-pass filter. The reference voltages of n battery converters are all rated DC bus voltage. The total perturbations of the Buck–Boost converter are obtained by (15), and the high-frequency gain b0 of the outer loop is also achieved. Based on the transfer functions in (29) and (30), the outer loop of ADRC is designed, and the reference value of the current inner loop is obtained.
- (2)
- The improved MPC control is modeled, and nine switching modes are enumerated and analyzed to obtain the minimum evaluation function of (43), and the state of all switch disconnects is considered.
- (3)
- By sampling voltages of each battery converter, the average sampling voltage is taken as inputs of ADRC. The compensation voltage is obtained according to (51), and the DC bus voltage remains constant.
4. Simulation Verifications
4.1. Validations of Improved MPC
4.2. Simulation Verifications of the Proposed DC Bus Voltage Compensator
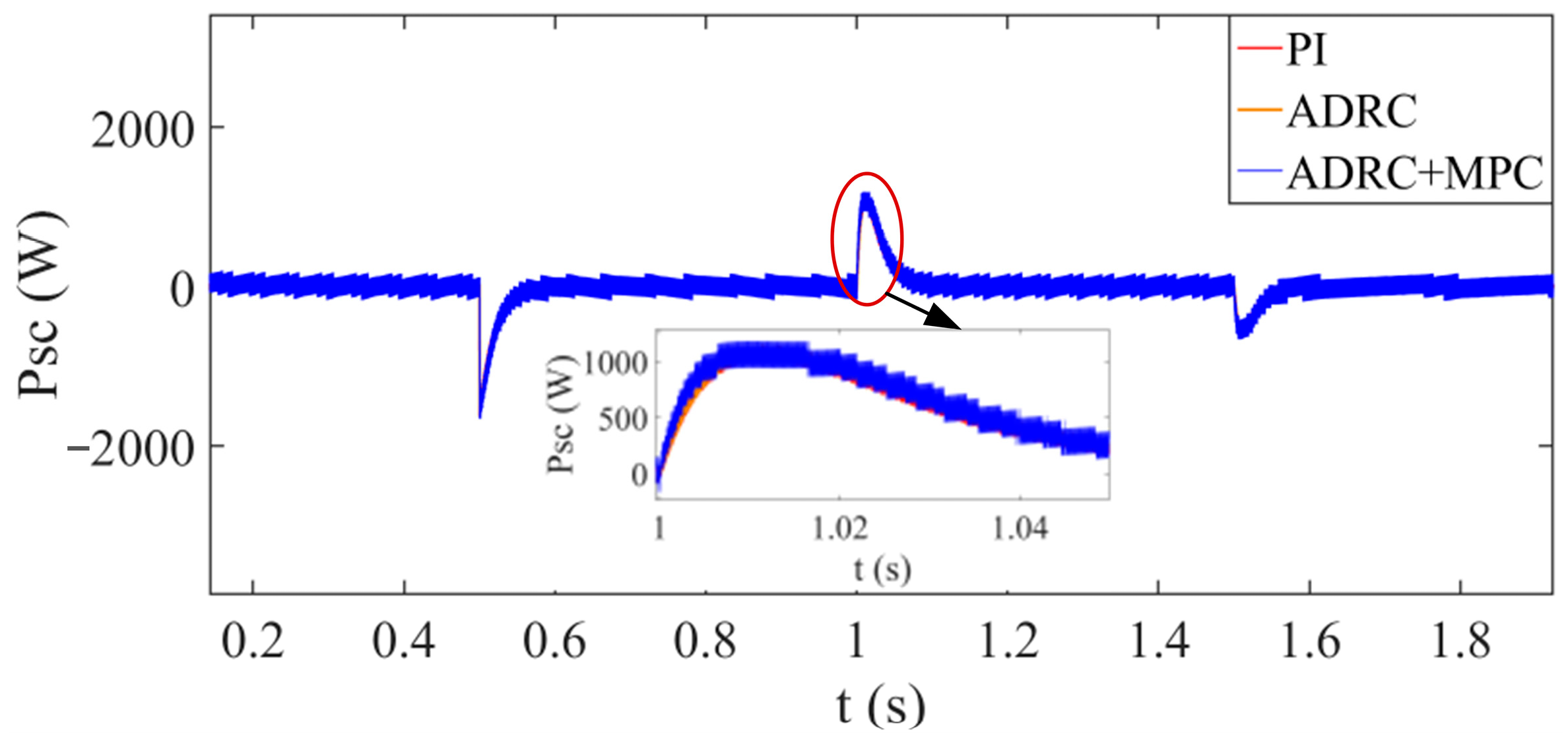
4.3. Validations of ADRC and Improved MPC
5. Experimental Results
5.1. Verifications of the Proposed DC Bus Voltage Compensator
5.2. Validations of ADRC Combined with Improved MPC
6. Conclusions
Author Contributions
Funding
Data Availability Statement
Conflicts of Interest
References
- Zhang, Q.; Zeng, Y.; Liu, Y.; Zhuang, X.; Zhang, H.; Hu, W.; Guo, H. An improved distributed cooperative control strategy for multiple energy storages parallel in islanded DC microgrid. IEEE J. Emerg. Sel. Top. Power Electron. 2022, 10, 455–468. [Google Scholar] [CrossRef]
- Li, Z.; Wang, B.; Xian, L.; Zhang, M.; Xu, Q. Decentralized Active Disturbance Rejection Control for Hybrid Energy Storage System in DC Microgrid. IEEE Trans. Ind. Electron. 2024, 71, 14232–14243. [Google Scholar] [CrossRef]
- Cui, J.; Tian, G.; Liu, G.; Wu, Y.; Guo, Z. Research on coordinated control strategy of isolated DC microgrid with PV/hybrid energy storage. Energy Rep. 2022, 8 (Suppl. 10), 893–899. [Google Scholar] [CrossRef]
- Zhou, Q.; Jin, J.; Yang, R. Static state power smoothing and transient power quality enhancement of a DC microgrid based on multi-function SMES/battery distributed hybrid energy storage system. Energy Rep. 2022, 8 (Suppl. 13), 44–51. [Google Scholar] [CrossRef]
- Zheng, Z.; Chen, X.; Hu, W.; Wang, Y.; Zong, Y.; Huang, C.; Ni, F. Dual Model Predictive Controlled Hybrid Energy Storage System for Naval DC Microgrids. IEEE Trans. Transp. Electrif. 2023, 9, 156–168. [Google Scholar] [CrossRef]
- Liu, X.; Suo, Y.; Song, X.; Zhou, J.; Qu, Y. Large-Signal Stabilization Method for Islanded DC Microgrids Considering Battery and Supercapacitor Hybrid Energy Storage Systems. Electronics 2022, 11, 2823. [Google Scholar] [CrossRef]
- Mitra, S.K.; Karanki, S.B. An SOC Based Adaptive Energy Management System for Hybrid Energy Storage System Integration to DC Grid. IEEE Trans. Ind. Appl. 2023, 59, 1152–1161. [Google Scholar] [CrossRef]
- Liu, X.; Suo, Y.; Zhang, Z.; Song, X.; Zhou, J. A New Model Predictive Current Control Strategy for Hybrid Energy Storage System Considering the SOC of the Supercapacitor. IEEE J. Emerg. Sel. Top. Power Electron. 2023, 11, 325–338. [Google Scholar] [CrossRef]
- Zhao, X.; Zhang, Y.; Cui, X.; Wan, L.; Qiu, J.; Shang, E.; Zhang, Y.; Zhao, H. Wavelet Packet-Fuzzy Optimization Control Strategy of Hybrid Energy Storage Considering Charge–Discharge Time Sequence. Sustainability 2023, 15, 10412. [Google Scholar] [CrossRef]
- Xiang, C.; Cheng, Q.; Zhu, Y.; Zhao, H. Sliding Mode Control of Ship DC Microgrid Based on an Improved Reaching Law. Energies 2023, 16, 1051. [Google Scholar] [CrossRef]
- Ahmed, K.; Hussain, I.; Seyedmahmoudian, M.; Stojcevski, A.; Mekhilef, S. Voltage Stability and Power Sharing Control of Distributed Generation Units in DC Microgrids. Energies 2023, 16, 7038. [Google Scholar] [CrossRef]
- Elnady, A.; Noureldin, A.; Adam, A.A. Improved Synergetic Current Control for Grid-connected Microgrids and Distributed Generation Systems. J. Mod. Power Syst. Clean Energy 2022, 10, 1302–1313. [Google Scholar] [CrossRef]
- Bonfiglio, A.; Procopio, R.; Rosini, A.; Incremona, G.P.; Ferrara, A. A Comprehensive Sliding Mode Approach for Photovoltaic-Storage Islanded Microgrids. In Proceedings of the 2023 IEEE Belgrade PowerTech, Belgrade, Serbia, 25–29 June 2023; pp. 1–5. [Google Scholar]
- Al Sumarmad, K.A.; Sulaiman, N.; Wahab, N.I.A.; Hizam, H. Energy Management and Voltage Control in Microgrids Using Artificial Neural Networks, PID, and Fuzzy Logic Controllers. Energies 2022, 15, 303. [Google Scholar] [CrossRef]
- Yuan, L.; Xiu, C.; Ma, X. Sliding mode control strategy for microgrid inverter systems. J. Power Electron. 2023, 23, 821–831. [Google Scholar] [CrossRef]
- Zhang, M.; Xu, Q.; Zhang, C.; Nordström, L.; Blaabjerg, F. Decentralized Coordination and Stabilization of Hybrid Energy Storage Systems in DC Microgrids. IEEE Trans. Smart Grid 2022, 13, 1751–1761. [Google Scholar] [CrossRef]
- Kim, S.-K.; Park, C.R.; Kim, J.-S.; Lee, Y.I. A stabilizing model predictive controller for voltage regulation of a DC/DC boost converter. IEEE Trans. Control. Syst. Technol. 2014, 22, 2016–2023. [Google Scholar] [CrossRef]
- Qiu, C.; Li, Z.; Tan, Q.; Huang, J.; Wang, D. Hybrid Model Linearization Predictive Control for DC Bus Stabilization in Spacecraft Combined Power System. IEEE J. Emerg. Sel. Top. Power Electron. 2022, 10, 5345–5356. [Google Scholar] [CrossRef]
- Peng, W.; Chen, Q.; Manandhar, U.; Wang, B.; Rodriguez, J. Event-Triggered Model Predictive Control for the Inverter of a Grid-Connected Microgrid With a Battery-Supercapacitor HESS. IEEE J. Emerg. Sel. Top. Power Electron. 2023, 11, 5540–5552. [Google Scholar] [CrossRef]
- Tian, M.; Wang, B.; Yu, Y.; Dong, Q.; Xu, D. Adaptive Active Disturbance Rejection Control for Uncertain Current Ripples Suppression of PMSM Drives. IEEE Trans. Ind. Electron. 2024, 71, 2320–2331. [Google Scholar] [CrossRef]
- Du, Y.; Cao, W.; She, J. Analysis and Design of Active Disturbance Rejection Control With an Improved Extended State Observer for Systems With Measurement Noise. IEEE Trans. Ind. Electron. 2023, 70, 855–865. [Google Scholar] [CrossRef]
- Long, B.; Zeng, W.; Rodríguez, J.; Garcia, C.; Guerrero, J.M.; Chong, K.T. Stability Enhancement of Battery-Testing DC Microgrid: An ADRC-Based Virtual Inertia Control Approach. IEEE Trans. Smart Grid 2022, 13, 4256–4268. [Google Scholar] [CrossRef]
- Shan, Z.; Wang, Y.; Liu, X.; Wei, C. Fuzzy Automatic Disturbance Rejection Control of Quadrotor UAV Based on Improved Whale Optimization Algorithm. IEEE Access 2023, 11, 69117–69130. [Google Scholar] [CrossRef]
- Tao, L.; Wang, P.; Wang, Y.; Ma, X.; Shi, H.; Yang, S. Automatic-Optimization ADRC-Based Disturbance Rejection Method for Low Voltage Interface Converter in Microgrid. In Proceedings of the 2022 IEEE Energy Conversion Congress and Exposition (ECCE), Detroit, MI, USA, 9–13 October 2022; pp. 1–6. [Google Scholar]
- Dai, T.; Mao, J.; Ding, Y.; Yin, C.; Zhang, X. Bus voltage stability control of the distributed photovoltaic and energy storage DC microgrid based on ADRC. In Proceedings of the 2021 IEEE International Conference on Recent Advances in Systems Science and Engineering (RASSE), Shanghai, China, 12–14 December 2021; pp. 1–7. [Google Scholar]
- Hai, T.; Liu, Y.; Wang, J.; Lu, J. Control Strategy of Photovoltaic Hybrid Energy Storage System Based on Model Predictive Control. J. Power Supply 2024, 1–12. [Google Scholar]
- Nguyen, H.D.; Tran, L.T.H.; Nguyen, T.D.; Pham, M.D. Load Profile-Based Setpoint Design for Piecewise Droop Controller to Mitigate Current Sharing Error in Dual Active Bridge System. IEEJ Trans. Electr. Electron. Eng. 2024, 19. [Google Scholar] [CrossRef]
- Chang, S.; Wang, C.; Luo, X.; Guan, X. Distributed predefined-time secondary control under directed networks for DC microgrids. Appl. Energy 2024, 374, 123993. [Google Scholar] [CrossRef]
- Li, X.; Wang, M.; Jiang, W.; Dong, C.; Xu, Z.; Wu, X. An Autonomous Finite-Time Backstepping Control for Decentralized Automatic Power Sharing of Hybrid Energy Storage Systems in DC Microgrids. IEEE Trans. Smart Grid 2024, 15, 3348–3360. [Google Scholar] [CrossRef]
- Lasabi, O.; Swanson, A.; Jarvis, L.; Aluko, A.; Brown, M. Enhanced Distributed Non-Linear Voltage Regulation and Power Apportion Technique for an Islanded DC Microgrid. Appl. Sci. 2023, 13, 8659. [Google Scholar] [CrossRef]
- Xing, L.; Qi, Y.; Liu, X.-K.; Wen, C.; Liu, M.; Tian, Y.-C. Discrete-Time Distributed Secondary Control for DC Microgrids via Virtual Voltage Drop Averaging. IEEE Trans. Sustain. Energy 2023, 14, 272–282. [Google Scholar] [CrossRef]
- Zeng, Y.; Zhang, Q.; Liu, Y.; Zhuang, X.; Guo, H. Hierarchical Cooperative Control Strategy for Battery Storage System in Islanded DC Microgrid. IEEE Trans. Power Syst. 2022, 37, 4028–4039. [Google Scholar] [CrossRef]
- Zhuo, S.; Ma, Y.; Liu, X.; Zhang, R.; Jin, S.; Huangfu, Y. Quasi-Resonant-Based ADRC for Bus Voltage Regulation of Hybrid Fuel Cell System. IEEE Trans. Ind. Electron. 2024, 1–10. [Google Scholar] [CrossRef]
- Li, J.; You, H.; Liu, S.; Li, X.; Ding, Z.; Zou, F. Active disturbance rejection distributed secondary control for DC microgrids. High Volt. 2024, 9, 241–251. [Google Scholar] [CrossRef]


























| Switching Modes | Battery Converter | Supercapacitor Converter | ||
|---|---|---|---|---|
| SWi | SWi+1 | SWn+1 | SWn+2 | |
| 1 | 1 | 0 | 1 | 0 |
| 2 | 1 | 0 | 0 | 1 |
| 3 | 0 | 1 | 1 | 0 |
| 4 | 0 | 1 | 0 | 1 |
| Switching Modes | Battery Converter | Supercapacitor Converter | Switches in on State | ||
|---|---|---|---|---|---|
| SWi | SWi+1 | SWn+1 | SWn+2 | n | |
| 1 | 1 | 0 | 1 | 0 | 2 |
| 2 | 1 | 0 | 0 | 1 | 2 |
| 3 | 1 | 0 | 0 | 0 | 1 |
| 4 | 0 | 1 | 1 | 0 | 2 |
| 5 | 0 | 1 | 0 | 1 | 2 |
| 6 | 0 | 1 | 0 | 0 | 1 |
| 7 | 0 | 0 | 1 | 0 | 1 |
| 8 | 0 | 0 | 0 | 1 | 1 |
| 9 | 1 | 0 | 0 | 0 | 0 |
| Parameters | Value |
|---|---|
| DC bus voltage | 400 V |
| 160 V | |
| 160 V | |
| 160 V | |
| Variable | 200 V |
| Droop coefficient of the first battery converter | 0.5 |
| Droop coefficient of the second battery converter | 0.5 |
| Bus capacitor | 3000 μF |
| The PV generation power | 4100 W |
| Initial power of the variable load | 3100 W |
| Parameter | Value |
|---|---|
| 64 V | |
| Battery voltage vbat1 | 35 V |
| Battery voltage vbat2 | 35 V |
| Supercapacitor terminal voltage vsc | 24 V |
| Variable load voltage vload | 48 V |
| Bus capacitors | 2.2 × 10−3 F |
| Initial power of the variable load | 80 W |
Disclaimer/Publisher’s Note: The statements, opinions and data contained in all publications are solely those of the individual author(s) and contributor(s) and not of MDPI and/or the editor(s). MDPI and/or the editor(s) disclaim responsibility for any injury to people or property resulting from any ideas, methods, instructions or products referred to in the content. |
© 2024 by the authors. Licensee MDPI, Basel, Switzerland. This article is an open access article distributed under the terms and conditions of the Creative Commons Attribution (CC BY) license (https://creativecommons.org/licenses/by/4.0/).
Share and Cite
Liu, X.; Chen, J.; Suo, Y.; Song, X.; Ju, Y. Active Disturbance Rejection Control Combined with Improved Model Predictive Control for Large-Capacity Hybrid Energy Storage Systems in DC Microgrids. Appl. Sci. 2024, 14, 8617. https://doi.org/10.3390/app14198617
Liu X, Chen J, Suo Y, Song X, Ju Y. Active Disturbance Rejection Control Combined with Improved Model Predictive Control for Large-Capacity Hybrid Energy Storage Systems in DC Microgrids. Applied Sciences. 2024; 14(19):8617. https://doi.org/10.3390/app14198617
Chicago/Turabian StyleLiu, Xinbo, Jiangsha Chen, Yongbing Suo, Xiaotong Song, and Yuntao Ju. 2024. "Active Disturbance Rejection Control Combined with Improved Model Predictive Control for Large-Capacity Hybrid Energy Storage Systems in DC Microgrids" Applied Sciences 14, no. 19: 8617. https://doi.org/10.3390/app14198617
APA StyleLiu, X., Chen, J., Suo, Y., Song, X., & Ju, Y. (2024). Active Disturbance Rejection Control Combined with Improved Model Predictive Control for Large-Capacity Hybrid Energy Storage Systems in DC Microgrids. Applied Sciences, 14(19), 8617. https://doi.org/10.3390/app14198617

