An Effective Concept for Teaching LabVIEW Programming to Engineering Students
Abstract
1. Introduction
2. Related Work
- To identify advantages and disadvantages of face-to-face and flipped classroom learning approaches on students’ understanding of LabVIEW programming concepts.
- To assess the quality of LabVIEW code produced by students using described teaching methods, focusing on factors such as functionality, usability, modularity, readability, and maintainability.
3. Teaching Methodology
3.1. Introduction to LabVIEW Course
- Create a front panel, block diagram, and icon/connector pane;
- Use various editing and debugging techniques;
- Use built-in functions;
- Create and save LabVIEW programs and use them as subroutines (subVIs);
- Use the programming structures and different data types;
- Display and log measured data;
- Create applications that use a DAQ device.
- Primary information about the course and the contact information of the professors and assistants;
- Contents of lectures with lecture notes;
- Laboratory work material and laboratory schedules;
- Knowledge tests with quiz activities;
- Exchange of documents, group mailing, and a discussion forum.
3.2. Advanced LabVIEW Course
Assessment Project
- Use the event-driven state machine design pattern;
- Use type definitions;
- Handle errors;
- Use a timestamp in the file name;
- Set the properties of the front panel programmatically;
- Create a stand-alone application;
- Pay attention to the design and programming practices (modular structure with meaningful names and icons of subVIs, front panel design, code readability, and documentation).
4. Results and Discussion
4.1. Results of Introduction to LabVIEW Course
4.2. Results of Advanced LabVIEW Course
4.3. Discussion
5. Conclusions
Author Contributions
Funding
Institutional Review Board Statement
Informed Consent Statement
Data Availability Statement
Conflicts of Interest
References
- Kodosky, J. LabVIEW. Proc. ACM Program. Lang. 2020, 4, 1–54. [Google Scholar] [CrossRef]
- Arpaia, P.; De Matteis, E.; Inglese, V. Software for measurement automation: A review of the state of the art. Measurement 2015, 66, 10–25. [Google Scholar] [CrossRef]
- Rao, M.; Lynch, L.; Coady, J.; Toal, D.; Newe, T. Integration of an MES and AIV Using a LabVIEW Middleware Scheduler Suitable for Use in Industry 4.0 Applications. Appl. Sci. 2020, 10, 7054. [Google Scholar] [CrossRef]
- Olejnik, P.; Awrejcewicz, J. Intelligent Mechatronics in the Measurement, Identification, and Control of Water Level Systems: A Review and Experiment. Machines 2022, 10, 960. [Google Scholar] [CrossRef]
- Gan, J.; Fan, X.B.; Song, Z. Research review on vehicle performance testing system. Int. J. Electr. Hybrid Veh. 2019, 11, 217–234. [Google Scholar] [CrossRef]
- Cotfas, P.A.; Cotfas, D.T. Comprehensive Review of Methods and Instruments for Photovoltaic–Thermoelectric Generator Hybrid System Characterization. Energies 2020, 13, 6045. [Google Scholar] [CrossRef]
- Kim, M.; Lee, S.G. LabVIEW programming for the KSTAR XICS towards real-time ion temperature measurement. Fusion Eng. Des. 2023, 190, 113549. [Google Scholar] [CrossRef]
- Bednarz, T.; Baier, A.; Paprocka, I. A Framework for Communicating and Building a Digital Twin Model of the Electric Car. Appl. Sci. 2024, 14, 1776. [Google Scholar] [CrossRef]
- Erwin, B.; Cyr, M.; Rogers, C. LEGO Engineer and RoboLab: Teaching Engineering with LabVIEW from Kindergarten to Graduate School. Int. J. Eng. Educ 2000, 16, 181–192. [Google Scholar]
- Ertugrul, N. Towards Virtual Laboratories: A Survey of LabVIEW-based Teaching/Learning Tools and Future Trends. Int. J. Eng. Educ 2000, 16, 171–180. [Google Scholar]
- Salzmann, C.; Gillet, D.; Huguenin, P. Introduction to Real-time Control using LabVIEW™ with an Application to Distance Learning. Int. J. Eng. Educ 2000, 16, 255–272. [Google Scholar]
- Mysorewala, M.; Cheded, L. A project-based strategy for teaching robotics using NI’s embedded-FPGA platform. Int. J. Electr. Eng. Educ. 2013, 50, 139–156. [Google Scholar] [CrossRef]
- Ali, S.; Badar, J.; Akhter, F.; Bukhari, S.S.H.; Ro, J.S. Real-Time Controller Design Test Bench for High-Voltage Direct Current Modular Multilevel Converters. Appl. Sci. 2020, 10, 6004. [Google Scholar] [CrossRef]
- Ding, Z.Q.; Zhang, R.Y.; Kan, Z. Quality and Safety Inspection of Food and Agricultural Products by LabVIEW IMAQ Vision. Food Anal. Meth. 2015, 8, 290–301. [Google Scholar] [CrossRef]
- Sanguino, T.D.M.; Webber, P.A.C. Making image and vision effortless: Learning methodology through the quick and easy design of short case studies. Comput. Appl. Eng. Educ. 2018, 26, 2102–2115. [Google Scholar] [CrossRef]
- Zhang, M.C.; Shi, H.; Yu, Y.; Zhou, M.S. A Computer Vision Based Conveyor Deviation Detection System. Appl. Sci. 2020, 10, 2402. [Google Scholar] [CrossRef]
- Chamunorwa, T.; Modran, H.A.; Ursuțiu, D.; Samoilă, C.; Hedeșiu, H. Reconfigurable Wireless Sensor Node Remote Laboratory Platform with Cloud Connectivity. Sensors 2021, 21, 6405. [Google Scholar] [CrossRef]
- Guzmán, J.L.; Berenguel, M.; Rodríguez, F.; Dormido, S. Web-Based Remote Control Laboratory Using a Greenhouse Scale Model. Comput. Appl. Eng. Educ. 2005, 13, 111–124. [Google Scholar] [CrossRef]
- Abdulwahed, M.; Nagy, Z.K. Developing the TriLab, a Triple Access Mode (Hands-On, Virtual, Remote) Laboratory, of a Process Control Rig Using LabVIEW and Joomla. Comput. Appl. Eng. Educ. 2013, 21, 614–626. [Google Scholar] [CrossRef]
- Chacón, J.; Vargas, H.; Farias, G.; Sánchez, J.; Dormido, S. EJS, JIL Server, and LabVIEW: An Architecture for Rapid Development of Remote Labs. IEEE Trans. Learn. Technol. 2015, 8, 393–401. [Google Scholar] [CrossRef]
- Galan, D.; Isaksson, O.; Rostedt, M.; Enger, J.; Hanstorp, D.; de la Torre, L. A remote laboratory for optical levitation of charged droplets. Eur. J. Phys. 2018, 39, 045301. [Google Scholar] [CrossRef]
- Kalendar, M.; Kokolanski, Z.; Gerazov, B.; Nadzinski, G.; Poposka, M.; Zlatkova, A.; Donchevski, F.; Markovska, M.; Sapeha, A.; Karpov, K.; et al. The UbiLAB Framework for Remote Laboratories. In Proceedings of the 2023 30th International Conference on Systems, Signals and Image Processing (IWSSIP), Ohrid, North Macedonia, 27–29 June 2023; pp. 1–5. [Google Scholar]
- Hercog, D.; Gergič, B.; Uran, S.; Jezernik, K. A DSP-Based Remote Control Laboratory. IEEE Trans. Ind. Electron. 2007, 54, 3057–3068. [Google Scholar] [CrossRef]
- Stefanovic, M.; Cvijetkovic, V.; Matijevic, M.; Simic, V. A LabVIEW-Based Remote Laboratory Experiments for Control Engineering Education. Comput. Appl. Eng. Educ. 2011, 19, 538–549. [Google Scholar] [CrossRef]
- Rampazzo, M.; Cervato, A.; Beghi, A. Remote Refrigeration System Experiments for Control Engineering Education. Comput. Appl. Eng. Educ. 2017, 25, 430–440. [Google Scholar] [CrossRef]
- Trentsios, P.; Wolf, M.; Frerich, S. Remote Lab meets Virtual Reality—Enabling immersive access to high tech laboratories from afar. In Proceedings of the 17th Global Conference on Sustainable Manufacturing (GCSM), Shanghai, China, 9–11 October 2019; pp. 25–31. [Google Scholar]
- Ahmad, S.A.; Alhayyas, S.K.; Almansoori, M.A.; Almenhali, N.A.; Alsudain, F.S.; Alkhaldi, A.H. Remote Control of the FESTO MPS PA Compact Workstation for the Development of a Remotely Accessible Process Control Laboratory. Int. J. Online Biomed. Eng. 2020, 16, 84–103. [Google Scholar] [CrossRef]
- Costas-Pérez, L.; Lago, D.; Fariña, J.; Rodriguez-Andina, J.J. Optimization of an Industrial Sensor and Data Acquisition Laboratory Through Time Sharing and Remote Access. IEEE Trans. Ind. Electron. 2008, 55, 2397–2404. [Google Scholar] [CrossRef]
- Malarić, R.; Jurčević, M.; Hegeduš, H.; Cmuk, D.; Mostarac, P. Electrical measurements student laboratory—Replacing hands-on with remote and virtual experiments. Int. J. Electr. Eng. Educ. 2008, 45, 299–309. [Google Scholar] [CrossRef]
- Restivo, M.T.; Mendes, J.; Lopes, A.M.; Silva, C.M.; Chouzal, F. A Remote Laboratory in Engineering Measurement. IEEE Trans. Ind. Electron. 2009, 56, 4836–4843. [Google Scholar] [CrossRef]
- Azaklar, S.; Korkmaz, H. A Remotely Accessible and Configurable Electronics Laboratory Implementation by Using LabVIEW. Comput. Appl. Eng. Educ. 2010, 18, 709–720. [Google Scholar] [CrossRef]
- Popović, B.; Popović, N.; Mijić, D.; Stankovski, S.; Ostojić, G. Remote Control of Laboratory Equipment for Basic Electronics Courses: A LabVIEW-Based Implementation. Comput. Appl. Eng. Educ. 2013, 21, E110–E120. [Google Scholar] [CrossRef]
- Tawfik, M.; Sancristobal, E.; Martin, S.; Gil, R.; Diaz, G.; Colmenar, A.; Peire, J.; Castro, M.; Nilsson, K.; Zackrisson, J.; et al. Virtual Instrument Systems in Reality (VISIR) for Remote Wiring and Measurement of Electronic Circuits on Breadboard. IEEE Trans. Learn. Technol. 2013, 6, 60–72. [Google Scholar] [CrossRef]
- Monzo, C.; Cobo, G.; Morán, J.A.; Santamaría, E.; García-Solórzano, D. Remote Laboratory for Online Engineering Education: The RLAB-UOC-FPGA Case Study. Electronics 2021, 10, 1072. [Google Scholar] [CrossRef]
- Reljić, V.; Milenković, I.; Bajči, B.; Šešlija, D.; Šulc, J. Remotely controlled compressed air spring—Design and implementation for distance education. Comput. Appl. Eng. Educ. 2018, 26, 2131–2140. [Google Scholar] [CrossRef]
- Chaos, D.; Chacón, J.; Lopez-Orozco, J.A.; Dormido, S. Virtual and Remote Robotic Laboratory Using EJS, MATLAB and LabVIEW. Sensors 2013, 13, 2595–2612. [Google Scholar] [CrossRef]
- Cotfas, P.A.; Cotfas, D.T. Design and implementation of RELab system to study the solar and wind energy. Measurement 2016, 93, 94–101. [Google Scholar] [CrossRef]
- Betancourt, R.J.; González-López, J.M.; Espejo, E.B.; Pérez-González, M.A.; Laureano, E.V.; Ledesma, J.A. Virtual instrumentation based learning methodology for teaching power system measurement and protection. Comput. Appl. Eng. Educ. 2019, 27, 1555–1570. [Google Scholar] [CrossRef]
- Gürkan, S.; Karapınar, M.; Sorgunlu, H.; Öztürk, O.; Doğan, S. Development of a photovoltaic panel emulator and LabVIEW-based application platform. Comput. Appl. Eng. Educ. 2020, 28, 1291–1310. [Google Scholar] [CrossRef]
- Allawi, F.A.M. Educational interactive LabVIEW simulations of field hydraulic conductivity tests below water table. Comput. Appl. Eng. Educ. 2021, 29, 1480–1488. [Google Scholar] [CrossRef]
- George, D.J.; Hammer, N.I. Studying the Binomial Distribution Using LabVIEW. J. Chem. Educ. 2015, 92, 389–394. [Google Scholar] [CrossRef]
- Beussman, D.J.; Walters, J.P. Complete LabVIEW-Controlled HPLC Lab: An Advanced Undergraduate Experience. J. Chem. Educ. 2017, 94, 1527–1532. [Google Scholar] [CrossRef]
- Schlattauer, L.; Parali, L.; Pechousek, J.; Sabikoglu, I.; Celiktas, C.; Tektas, G.; Novak, P.; Jancar, A.; Prochazka, V. Calibration of gamma-ray detectors using Gaussian photopeak fitting in the multichannel spectra with a LabVIEW-based digital system. Eur. J. Phys. 2017, 38, 055806. [Google Scholar] [CrossRef]
- Fu, Q.; Liu, L.; Wang, G.F.; Yu, J.; Fu, S.Y. A Refined Redox Titration Simulation Program for the Simple System. J. Chem. Educ. 2023, 100, 2182–2189. [Google Scholar] [CrossRef]
- Barański, R.; Wszołek, G. Educational Implementation of a Sound Level Meter in the LabVIEW Environment. Arch. Acoust. 2013, 38, 19–26. [Google Scholar] [CrossRef][Green Version]
- Polo, A.; Narvaez, P.; Algarín, C.R. Implementation of a Cost-Effective Didactic Prototype for the Acquisition of Biomedical Signals. Electronics 2018, 7, 77. [Google Scholar] [CrossRef]
- Arafa, A.; Saleh, H.I.; Ashoub, N. Development of an educational nuclear research reactor simulator. Kerntechnik 2014, 79, 518–527. [Google Scholar] [CrossRef]
- Li, Y.Q.C.; Melenbrink, E.L.; Cordonier, G.J.; Boggs, C.; Khan, A.; Isaac, M.K.; Nkhonjera, L.K.; Bahati, D.; Billinge, S.J.; Haile, S.M.; et al. An Easily Fabricated Low-Cost Potentiostat Coupled with User-Friendly Software for Introducing Students to Electrochemical Reactions and Electroanalytical Techniques. J. Chem. Educ. 2018, 95, 1658–1661. [Google Scholar] [CrossRef]
- Karnavas, Y.L.; Lygouras, E.I. Synchronous machine analysis and modelling in LabVIEW: An educational tool for transient stability studies. Int. J. Electr. Eng. Educ. 2020, 57, 202–229. [Google Scholar] [CrossRef]
- Campilho, A.; Cardoso, A. An electronic instrumentation course for non-electronic engineering students. Int. J. Electr. Eng. Educ. 2004, 41, 43–55. [Google Scholar] [CrossRef]
- Hercog, D.; Gergič, B. A Flexible Microcontroller-Based Data Acquisition Device. Sensors 2014, 14, 9755–9775. [Google Scholar] [CrossRef]
- See, A. Challenging Computer-Based Projects for a Mechatronics Course: Teaching and Learning Through Projects Employing Virtual Instrumentation. Comput. Appl. Eng. Educ. 2006, 14, 222–242. [Google Scholar] [CrossRef]
- Murphey, T.D.; Falcon, J.S. Programming from the Ground Up in Control Laboratories. Int. J. Eng. Educ. 2010, 26, 1241–1248. [Google Scholar]
- Tiernan, P. Enhancing the learning experience of undergraduate technology students with LabVIEW™ software. Comput. Educ. 2010, 55, 1579–1588. [Google Scholar] [CrossRef]
- Rodriguez-Reséndiz, J.; Herrera-Ruiz, G.; Rivas-Araiza, E.A. Adjustable Speed Drive Project for Teaching a Servo Systems Course Laboratory. IEEE Trans. Educ. 2011, 54, 657–666. [Google Scholar] [CrossRef]
- Zhan, W.; Porter, J.R.; Morgan, J.A. Experiential Learning of Digital Communication Using LabVIEW. IEEE Trans. Educ. 2014, 57, 34–41. [Google Scholar] [CrossRef]
- Uğurlu, Y. The Impact of Blended Learning on LabVIEW Certification Test Scores—A Case Study. Int. J. Eng. Educ. 2014, 30, 263–271. [Google Scholar]
- Melo, T.R.; Neto, J.S.D.; Silva, J.J. Integration of Virtual Instrumentation in the Teaching of Data Acquisition and Interface Systems Course. IEEE Rev. Iberoam. Tecnol. Aprendiz. 2021, 16, 154–160. [Google Scholar] [CrossRef]
- Gómez-de-Gabriel, J.M.; Mandow, A.; Fernández-Lozano, J.; García-Cerezo, A.J. Using LEGO NXT Mobile Robots With LabVIEW for Undergraduate Courses on Mechatronics. IEEE Trans. Educ. 2011, 54, 41–47. [Google Scholar] [CrossRef]
- Gómez-de-Gabriel, J.M.; Mandow, A.; Fernández-Lozano, J.; García-Cerezo, A. Mobile Robot Lab Project to Introduce Engineering Students to Fault Diagnosis in Mechatronic Systems. IEEE Trans. Educ. 2015, 58, 187–193. [Google Scholar] [CrossRef]
- Bower, T. Teaching Introductory Robotics Programming: Learning to Program with National Instruments’ LabVIEW. IEEE Robot. Autom. Mag. 2016, 23, 67–73. [Google Scholar] [CrossRef]
- Browne, A.F.; Conrad, J.M. A Versatile Approach for Teaching Autonomous Robot Control to Multi-Disciplinary Undergraduate and Graduate Students. IEEE Access 2018, 6, 25060–25065. [Google Scholar] [CrossRef]
- Toner, N.L.; King, G.B. Restructuring an undergraduate mechatronic systems curriculum around the flipped classroom, projects, LabVIEW, and the myRIO. In Proceedings of the American Control Conference (ACC), Boston, MA, USA, 6–8 July 2016; pp. 7308–7314. [Google Scholar]
- Moriarty, P.J.; Gallagher, B.L.; Mellor, C.J.; Baines, R.R. Graphical computing in the undergraduate laboratory: Teaching and interfacing with LabVIEW. Am. J. Phys. 2003, 71, 1062–1074. [Google Scholar] [CrossRef]
- Kuan, W.H.; Tseng, C.H.; Chen, S.F.; Wong, C.C. Development of a Computer-Assisted Instrumentation Curriculum for Physics Students: Using LabVIEW and Arduino Platform. J. Sci. Educ. Technol. 2016, 25, 427–438. [Google Scholar] [CrossRef]
- Jerzak, S.; George, M.C. LabVIEW for Data Acquisition and Instrument Control in an Introductory Physics Laboratory for Engineering Undergraduates. Int. J. Eng. Educ 2016, 32, 2585–2596. [Google Scholar]
- Zhao, X.; Gray, J.; Riché, T. A Survey-Based Empirical Evaluation of Bad Smells in LabVIEW Systems Model. In Proceedings of the 28th IEEE International Conference on Software Analysis, Evolution and Reengineering (SANER), Honolulu, HI, USA, 9–12 March 2021; pp. 177–188. [Google Scholar]










| Week (Duration) | Lesson | Topics |
|---|---|---|
| 1. (2 h) | Virtual Instruments (VIs) | Creating, Editing, and Debugging a VI Creating a SubVI Documenting a VI |
| 2. (3 h) | Programming Structures | Loops and Charts Timing a Loop Shift Register Case Structure Sequence |
| 3. (3 h) | Working with Data | Arrays and Graphs Clusters Strings and File I/O |
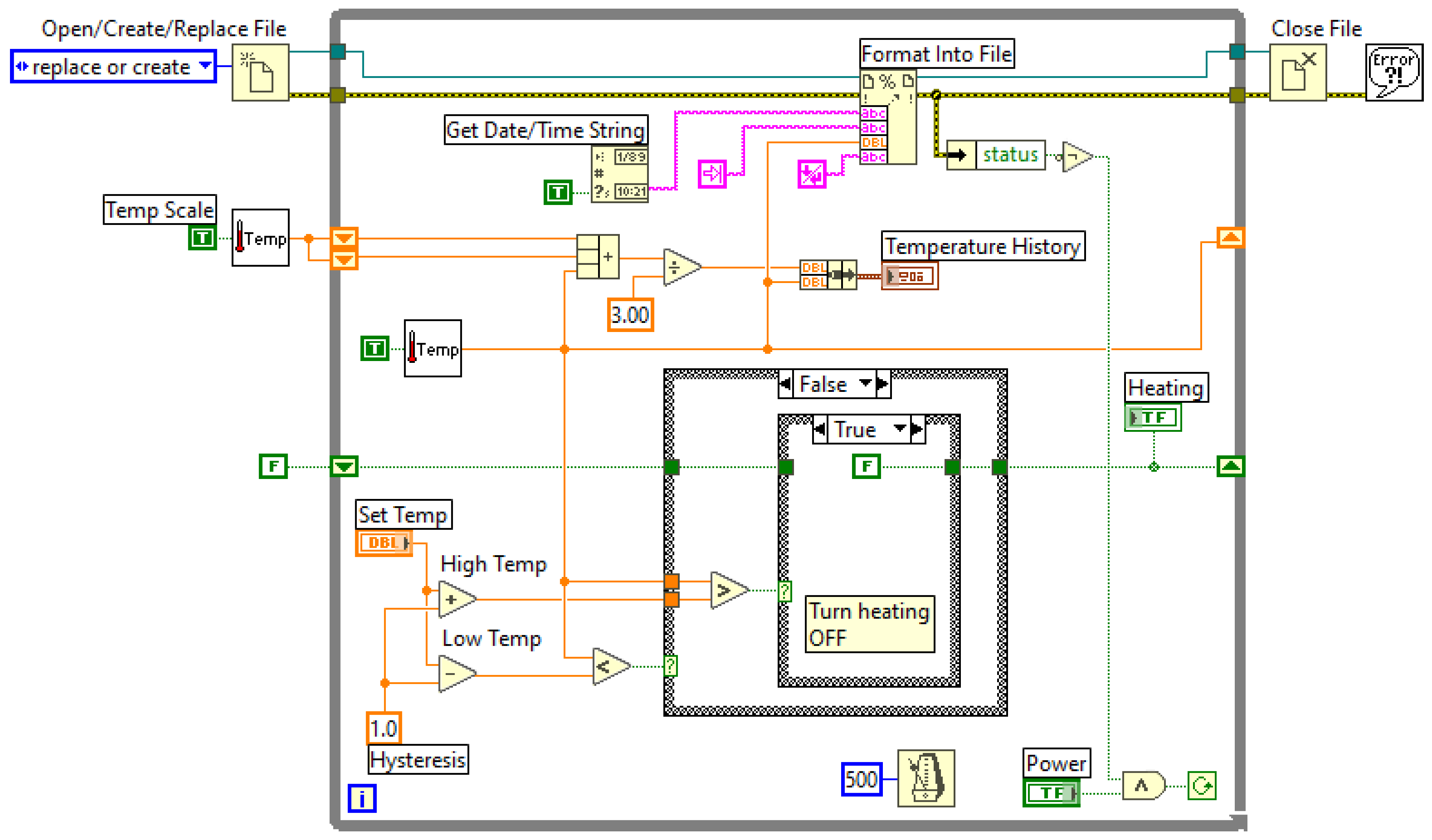
| 4. (4 h) | Data Acquisition with SimpleDAQ | SimpleDAQ Device Analog Inputs Digital I/O Temperature Control Application |
| Week | Lesson | Topics |
|---|---|---|
| 1. | Measurement with an NI DAQ Device | Overview of an NI USB-6001 DAQ Device Connecting and Testing an NI USB-6001 Analog I/O with an NI USB-6001 |
| 2. | LabVIEW Core 1—Part 1 | Writing and Reading Data to Files Controlling Data Type Changes |
| 3. | LabVIEW Core 1—Part 2 | Implementing a Sequencer |
| 4. | LabVIEW Core 2—Transferring Data | Communicating between Parallel Loops Exploring and Using Channel Wires Transferring Data Using Queues |
| 5. | Creating an Event-Driven User Interface | Event-Driven Programming User Interface Event Handler Design Pattern Event-Driven State Machine Design Pattern Producer/Consumer (Events) Design Pattern Channeled Message Handler (CMH) Design Pattern |
| 6. | Controlling Front Panel Objects, Managing Configuration Settings | VI Server Architecture Property Nodes and Invoke Nodes Configuration Settings Overview Managing Configuration Settings Using an Initialization (INI) File Homework: Event-Driven State Machine |
| 7. | Error Handling Strategy | Error Handling Overview Injecting Errors and Exploring Error Response Exploring Event Logging Homework: Example of a Final Project |
| 8. | Distributing LabVIEW Code | Preparing Code for Distribution Creating and Debugging a Stand-Alone Application Creating a Package for Distribution Reviewing Exemplary Final Project Solutions |
| 9. | Assessment Project | Four-Hour Assessment Project |
| Type | Name | Properties | Description |
|---|---|---|---|
| Numeric Control | Sampling frequency (Hz) | Representation: DBL Minimum: 200 (Coerce) Maximum: 100000 (Coerce) Increment: 1 (Ignore) Default: 50000 | The sampling frequency of the SimpleDAQ device. |
| Numeric Control | Number of samples | Representation: U16 Minimum: 10 (Coerce) Maximum: 1000 (Coerce) Increment: 1 (Ignore) Default: 200 | The number of samples acquired with the SimpleDAQ device. |
| Boolean Control | Acquire | Latch When Released | Waveform acquisition button. |
| Menu Ring Control (Type Def.) | Signal type | Representation: U8 Items: Sine Wave (B2) Triangle Wave (B3) Square Wave (B4) | Control created from the input terminal of the SimpleDAQ “Configure Function Generator.vi”. |
| Numeric Control | Output frequency (Hz) | Representation: DBL Minimum: 10 (Coerce) Maximum: 20000 (Coerce) Increment: 1 (Ignore) Default: 1000 | Output frequency of the SimpleDAQ function generator. |
| Boolean Control | Generate | Latch When Released | Waveform generation button. |
| Boolean Control | Log | Latch When Released | Waveform save button. |
| Boolean Control | Exit | Latch When Released | Exit application button. |
| Numeric Indicator | DC value (V) | Representation: DBL | DC value of waveform. |
| Numeric Indicator | RMS value (V) | Representation: DBL | RMS value of waveform. |
| File Path Indicator | Log file | File path | Log filename indicator. |
| Event | State Diagram Logic |
|---|---|
| “Acquire”: Value Change | Acquire the signal and display it on the graph, then enable the “Log” button. Afterward, analyze the signal by calculating the DC and RMS values using the “Basic Averaged DC-RMS.vi” function. |
| “Generate”: Value Change | Set the signal type and frequency of the generator, then acquire and analyze the signal. |
| “Log”: Value Change | Save the signal, then disable and gray out the “Log” button. |
| “Exit”: Value Change | Exit the application. |
| Number of Students Who: | |||||||
|---|---|---|---|---|---|---|---|
| Academic Year | Took the Assessment | Took the 1st Quiz | Passed the 1st Quiz | Took the 2nd Quiz | Passed the 2nd Quiz | Passed with Practical Tasks | Percentage of Successful (%) |
| 2021/2022 | 100 | 98 | 54 | 42 | 21 | 22 | 97 |
| 2022/2023 | 100 | 100 | 60 | 34 | 21 | 13 | 94 |
| 2023/2024 | 97 | 97 | 55 | 35 | 22 | 12 | 92 |
Disclaimer/Publisher’s Note: The statements, opinions and data contained in all publications are solely those of the individual author(s) and contributor(s) and not of MDPI and/or the editor(s). MDPI and/or the editor(s) disclaim responsibility for any injury to people or property resulting from any ideas, methods, instructions or products referred to in the content. |
© 2024 by the authors. Licensee MDPI, Basel, Switzerland. This article is an open access article distributed under the terms and conditions of the Creative Commons Attribution (CC BY) license (https://creativecommons.org/licenses/by/4.0/).
Share and Cite
Gergič, B.; Hercog, D. An Effective Concept for Teaching LabVIEW Programming to Engineering Students. Appl. Sci. 2024, 14, 8506. https://doi.org/10.3390/app14188506
Gergič B, Hercog D. An Effective Concept for Teaching LabVIEW Programming to Engineering Students. Applied Sciences. 2024; 14(18):8506. https://doi.org/10.3390/app14188506
Chicago/Turabian StyleGergič, Bojan, and Darko Hercog. 2024. "An Effective Concept for Teaching LabVIEW Programming to Engineering Students" Applied Sciences 14, no. 18: 8506. https://doi.org/10.3390/app14188506
APA StyleGergič, B., & Hercog, D. (2024). An Effective Concept for Teaching LabVIEW Programming to Engineering Students. Applied Sciences, 14(18), 8506. https://doi.org/10.3390/app14188506

