A Fault Diagnosis Approach Utilizing Artificial Intelligence for Maritime Power Systems within an Integrated Digital Twin Framework
Abstract
1. Introduction
2. Digital Twin Architecture
2.1. General Concept for Integrated Digital Twin Platform (IDTP)
2.2. Modular and Scalable AI Agent Approach
2.3. Data Acquisition System
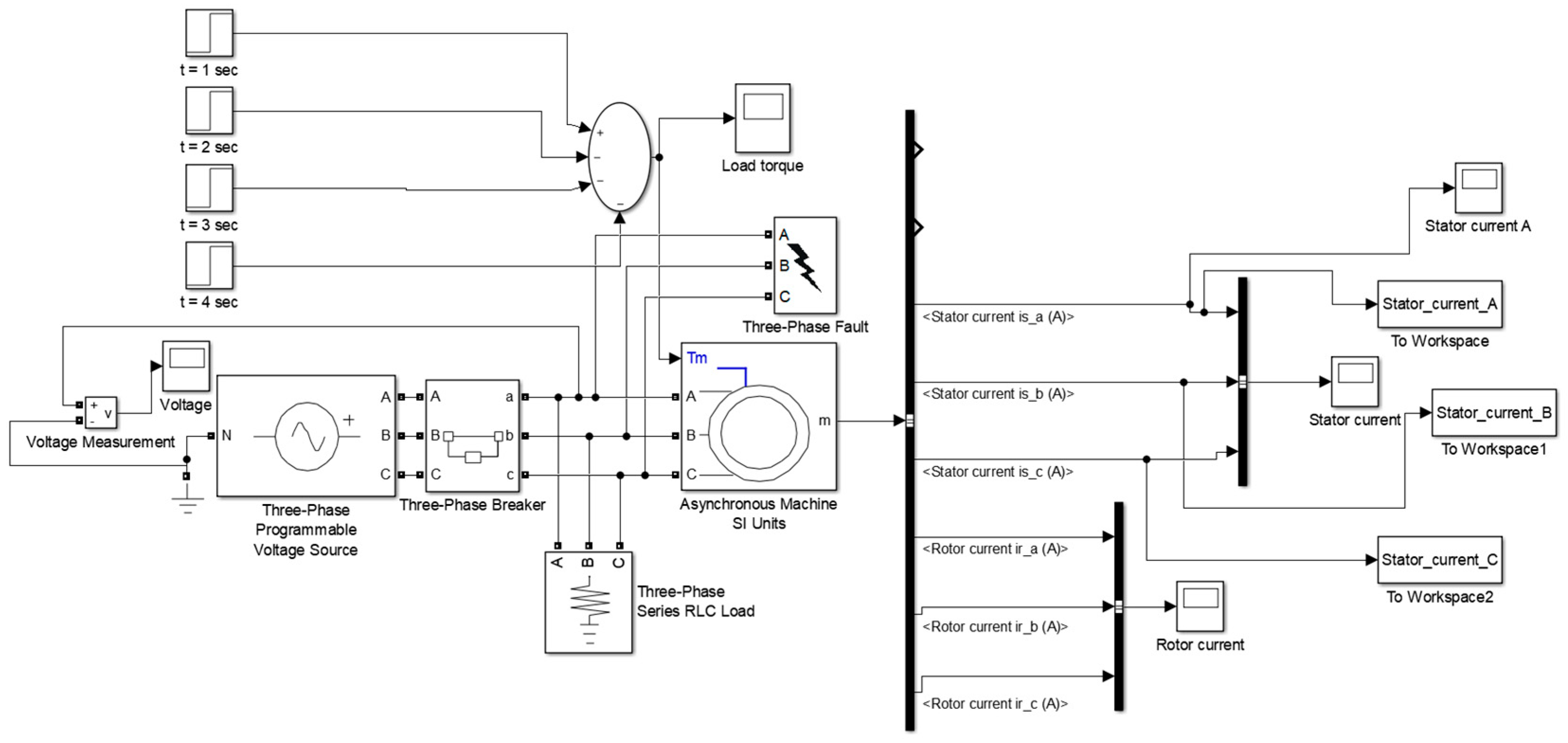
3. Simulation Test Case
4. Damage Detection Framework
4.1. Proposed Framework
4.2. Autoencoder Description
4.3. Mahalanobis Distance
5. Results
6. Discussion
6.1. Main Benefits of the Architecture
6.2. Business Applications
7. Conclusions
Author Contributions
Funding
Data Availability Statement
Acknowledgments
Conflicts of Interest
References
- IMO. Initial IMO Strategy on Reduction of GHG Emission from Ships; Resolution MEPC.304(72); International Maritime Organization: London, UK, 2018. [Google Scholar]
- Available online: https://op.europa.eu/webpub/eca/special-reports/greenhouse-gas-emissions-18-2019/el/index.html (accessed on 30 July 2024).
- Agarwala, P.; Chhabra, S.; Agarwala, N. Using digitalisation to achieve decarbonisation in the shipping industry. J. Int. Marit. Saf. Environ. Aff. Shipp. 2021, 5, 161–174. [Google Scholar] [CrossRef]
- Albrecht, P.F.; Appiarius, J.C.; McCoy, R.M.; Owen, E.L.; Sharma, D.K. Assessment of the Reliability of Motors in Utility Applications—Updated. IEEE Power Eng. Rev. 1986, PER-6, 31–32. [Google Scholar] [CrossRef]
- Omar, S.; Ngadi, M.; Jebur, H.; Benqdara, S. Machine Learning Techniques for Anomaly Detection: An Overview. Int. J. Comput. Appl. 2013, 975, 8887. [Google Scholar] [CrossRef]
- Senanayaka, J.S.L.; Khang, H.V.; Robbersmyr, K.G. Autoencoders and Data Fusion Based Hybrid Health Indicator for Detecting Bearing and Stator Winding Faults in Electric Motors. In Proceedings of the 21st International Conference on Electrical Machines and Systems (ICEMS), Jeju, Republic of Korea, 7–10 October 2018; pp. 531–536. [Google Scholar]
- Jayaswal, P.; Wadhwani, A.K. Application of artificial neural networks, fuzzy logic and wavelet transform in fault diagnosis via vibration signal analysis: A review. Aust. J. Mech. Eng. 2009, 7, 157–171. [Google Scholar] [CrossRef]
- Verma, A.K.; Nagpal, S.; Desai, A.; Sudha, R. An efficient neural-network model for real-time fault detection in industrial machine. Neural Comput. Appl. 2021, 33, 1297–1310. [Google Scholar] [CrossRef]
- Duan, L.; Hu, J.; Zhao, G.; Chen, K.; Wang, S.X.; He, J. Method of inter-turn fault detection for next-generation smart transformers based on deep learning algorithm. High Volt. 2019, 4, 282–291. [Google Scholar] [CrossRef]
- Hsueh, Y.-M.; Ittangihal, V.R.; Wu, W.-B.; Chang, H.-C.; Kuo, C.-C. Fault Diagnosis System for Induction Motors by CNN Using Empirical Wavelet Transform. Symmetry 2019, 11, 1212. [Google Scholar] [CrossRef]
- Wang, J.; Zhuang, J.; Duan, L.; Cheng, W. A multi-scale convolution neural network for featureless fault diagnosis. In Proceedings of the 2016 International Symposium on Flexible Automation (ISFA), Cleveland, Ohio, USA, 1–3 August 2016; pp. 65–70. [Google Scholar] [CrossRef]
- Agrawal, P.; Jayaswal, P. Diagnosis and Classifications of Bearing Faults Using Artificial Neural Network and Support Vector Machine. J. Inst. Eng. Ser. C 2020, 101, 61–72. [Google Scholar] [CrossRef]
- Singh, G.K.; Al Kazzaz, S.A.S. Induction machine drive condition monitoring and diagnostic research—A survey. Electr. Power Syst. Res. 2003, 64, 145–158. [Google Scholar] [CrossRef]
- Spandonidis, C.; Theodoropoulos, P.; Giannopoulos, F.; Galatsiatos, N.; Petsa, A. Evaluation of deep learning approaches for oil & gas pipeline leak detection using wireless sensor networks. Eng. Appl. Artif. Intell. 2022, 113, 104890. [Google Scholar]
- Fera, T.F.; Spandonidis, C. An Artificial Intelligence and Industrial Internet of Things-Based Framework for Sustainable Hydropower Plant Operations. Smart Cities 2024, 7, 496–517. [Google Scholar] [CrossRef]
- Principi, E.; Rosseti, D.; Squartini, S.; Piazza, F. Unsupervised electric motor fault detection by using deep autoencoders. IEEE/CAA J. Autom. Sin. 2019, 6, 441–451. [Google Scholar] [CrossRef]
- Husebo, A.B.; Kandukuri, S.T.; Klausen, A.; Huynh, K.; Robbersmyr, K.G. Rapid Diagnosis of Induction Motor Electrical Faults Using Convolutional Autoencoder Feature Extraction. 2020. Available online: https://papers.phmsociety.org/index.php/phme/article/view/1247 (accessed on 30 July 2024).
- Riveiro, M.; Pallotta, G.; Vespe, M. Maritime Anomaly Detection: A Review. Wiley Interdiscip. Rev.-Data Min. Knowl. Discov. 2018, 8, e1266. [Google Scholar] [CrossRef]
- Albrecht, P.F.; Appiarius, J.C.; Cornell, E.P.; Houghtaling, D.W.; McCoy, R.M.; Owen, E.L.; Sharma, D.K. Assessment of the Reliability of Motors in Utility Applications. In Proceedings of the 1984 Annual Meeting Industry Applications Society, Chicago, IL, USA, 30 September–4 October 1984. [Google Scholar]
- Spandonidis, C.C.; Theodoropoulos, P.; Papadopoulos, P.; Demagos, N.; Zafeiris, T.; Giordamlis, C. Development of a novel Decision-Making tool for vessel efficiency optimization using IoT and DL. In Proceedings of the International Conference on Decision Aid Sciences and Application (DASA), Sakheer, Bahrain, 7–8 December 2021; pp. 479–483. [Google Scholar]
- Theodoropoulos, P.; Spandonidis, C.C.; Themelis, N.; Giordamlis, C.; Fassois, S. Evaluation of different deep-learning models for the prediction of a ship’s propulsion power. J. Mar. Sci. Eng. 2021, 9, 116. [Google Scholar] [CrossRef]
- Paraskevopoulos, D.; Spandonidis, C.; Giannopoulos, F. Hybrid Wavelet–CNN Fault Diagnosis Method for Ships’ Power Systems. Signals 2023, 4, 150–166. [Google Scholar] [CrossRef]
- Laamari, Y.; Allaoui, S.; Bendaikha, A.; Saad, S. Fault Detection Between Stator Windings Turns of Permanent Magnet Synchronous Motor Based on Torque and Stator-Current Analysis Using FFT and Discrete Wavelet Transform. Int. Inf. Eng. Technol. Assoc. 2021, 8, 315–322. [Google Scholar] [CrossRef]
- Abadi, M.; Agarwal, A.; Barham, P.; Brevdo, E.; Chen, Z.; Citro, C.; Corrado, G.; Davis, A.; Dean, J.; Devin, M.; et al. TensorFlow: Large-Scale Machine Learning on Heterogeneous Distributed Systems. arXiv 2016, arXiv:1603.04467. [Google Scholar]
- Buljak, V.; Cocchetti, G.; Cornaggia, A.; Garbowski, T.; Maier, G.; Novati, G. Materials mechanical characterizations and structural diagnoses by inverse analyses. In Handbook of Damage Mechanics; Springer: New York, NY, USA, 2015; pp. 619–642. [Google Scholar]











| Block Name | Parameter | Value |
|---|---|---|
| 3-phase squirrel-cage IM (4 kW, 400 V, 50 Hz, 1430 rpm) | Stator resistance | 1.4050 Ω |
| Rotor resistance | 1.3590 Ω | |
| Stator inductance | 0.005839 H | |
| Rotor inductance | 0.005839 H | |
| Pole pairs | 2 | |
| Friction factor | 0.002985 N.m.s | |
| Inertia | 0.0131 J/kg.m2 | |
| Mutual inductance | 0.1722 H | |
| 3-phase block of fault | Damage resistance | 0.1 Ω |
| Ground resistance | 0.01 Ω | |
| Snubber resistance | 106 Ω |
| Duration (s) | Load Torque (Nm) | Rotational Speed (rpm) |
|---|---|---|
| 0–1 | 0 | 1499 |
| 1–2 | 26.72 | 1434 |
| 2–3 | 13.36 | 1468 |
| 3–4 | 6.68 | 1484 |
| 4–5 | 0 | 1499 |
| Layer | Dimensionality | Activation Function |
|---|---|---|
| Input | 2000 | - |
| Encoder 1 | 1800 | ReLU |
| Encoder 2 | 1400 | ReLU |
| Bottleneck | 600 | Tanh |
| Decoder 1 | 1400 | ReLU |
| Decoder 2 | 1800 | ReLU |
| Output | 2000 | Sigmoid |
| Measure | Value W–N = 60 Eb/No. | Value W–N = 78 Eb/No. | Derivation |
|---|---|---|---|
| Sensitivity | 0.9195 | 0.9195 | TPR = TP/(TP + FN) |
| Specificity | 1.0000 | 1.0000 | SPC = TN/(FP + TN) |
| Precision | 1.0000 | 1.0000 | PPV = TP/(TP + FP) |
| Negative Predictive Value | 0.9195 | 0.9195 | NPV = TN/(TN + FN) |
| False Positive Rate | 0.0000 | 0.0000 | FPR = FP/(FP + TN) |
| False Discovery Rate | 0.0000 | 0.0000 | FDR = FP/(FP + TP) |
| False Negative Rate | 0.0805 | 0.0805 | FNR = FN/(FN + TP) |
| Accuracy | 0.9581 | 0.9581 | ACC = (TP + TN)/(P + N) |
| F1 Score | 0.9581 | 0.9581 | F1 = 2TP/(2TP + FP + FN) |
Disclaimer/Publisher’s Note: The statements, opinions and data contained in all publications are solely those of the individual author(s) and contributor(s) and not of MDPI and/or the editor(s). MDPI and/or the editor(s) disclaim responsibility for any injury to people or property resulting from any ideas, methods, instructions or products referred to in the content. |
© 2024 by the authors. Licensee MDPI, Basel, Switzerland. This article is an open access article distributed under the terms and conditions of the Creative Commons Attribution (CC BY) license (https://creativecommons.org/licenses/by/4.0/).
Share and Cite
Fera, F.; Spandonidis, C. A Fault Diagnosis Approach Utilizing Artificial Intelligence for Maritime Power Systems within an Integrated Digital Twin Framework. Appl. Sci. 2024, 14, 8107. https://doi.org/10.3390/app14188107
Fera F, Spandonidis C. A Fault Diagnosis Approach Utilizing Artificial Intelligence for Maritime Power Systems within an Integrated Digital Twin Framework. Applied Sciences. 2024; 14(18):8107. https://doi.org/10.3390/app14188107
Chicago/Turabian StyleFera, Fation, and Christos Spandonidis. 2024. "A Fault Diagnosis Approach Utilizing Artificial Intelligence for Maritime Power Systems within an Integrated Digital Twin Framework" Applied Sciences 14, no. 18: 8107. https://doi.org/10.3390/app14188107
APA StyleFera, F., & Spandonidis, C. (2024). A Fault Diagnosis Approach Utilizing Artificial Intelligence for Maritime Power Systems within an Integrated Digital Twin Framework. Applied Sciences, 14(18), 8107. https://doi.org/10.3390/app14188107

