Innovative Deep Learning Approaches for High-Precision Segmentation and Characterization of Sandstone Pore Structures in Reservoirs
Abstract
1. Introduction
2. Materials and Methods
2.1. Overview
2.2. Model Architecture
2.2.1. GAN
2.2.2. StyleGAN2-ADA
2.2.3. U-Net
2.2.4. Adaptive Bagging
2.2.5. Pseudo-Labeling
| Algorithm 1: Adaptive Bagging and Pseudo-Labeling Algorithm | |
| Input: Labeled dataset , Unlabeled dataset , Validation Dataset , Number of models M, Consistency threshold , Maximum iterations T | |
| Result: Trained ensemble of models with high-quality pseudo-labeled data | |
| Initialize: Train M base models on different bootstrap samples from , Set iteration counter t = 0 | |
| 1 | while : | 
| 2 | |
| 3 | |
| 4 | |
| 5 | Calculate consistency score among predictions | 
| 6 | if : | 
| 7 | |
| 8 | |
| 9 | else: | 
| 10 | |
| 11 | end if | 
| 12 | |
| 14 | if : | 
| 15 | break | 
| 16 | |
| 17 | t = t + 1 | 
| 18 | end while | 
2.3. Data Acquisition
2.3.1. Micro-CT Scanning
2.3.2. Dataset Optimization
2.4. Evaluation Metrics
2.4.1. Evaluation Metrics for Image Generation Tasks
2.4.2. Evaluation Metrics for Image Segmentation Tasks
3. Results and Discussion
3.1. Training Details
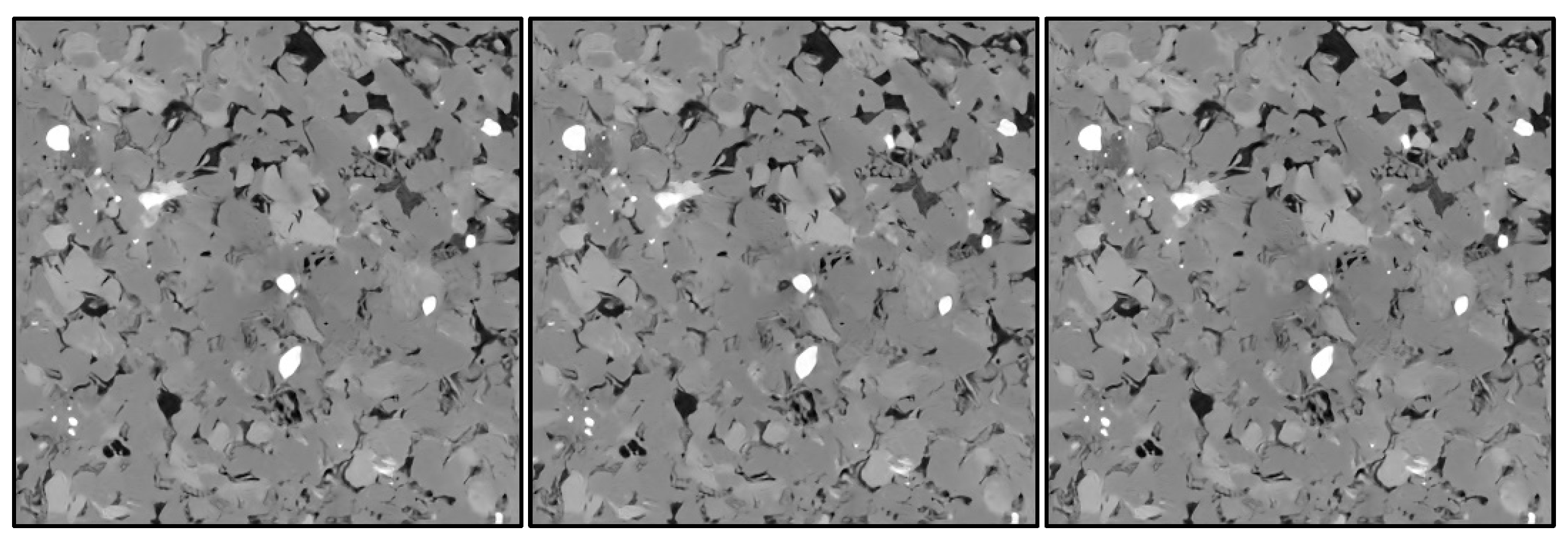
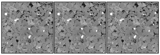
3.2. Image Generation Results
3.3. Image Segmentation Results
3.3.1. Ablation Experiments
3.3.2. Qualitative Analysis
3.3.3. Comparative Analysis
3.3.4. Three-Dimensional Pore Reconstruction and Micro-Pore Structure Analysis
3.4. Limitations Analysis and Future Prospects
4. Conclusions
Author Contributions
Funding
Institutional Review Board Statement
Informed Consent Statement
Data Availability Statement
Acknowledgments
Conflicts of Interest
References
- Jiang, L.; Liu, T.; Yu, C.; Meng, H.; Wang, L.; Alamin, M.; Cao, X. A Novel Inversion Combining NMR Log and Conventional Logs. Appl. Magn. Reson. 2020, 51, 85–101. [Google Scholar] [CrossRef]
- Zhang, L.; Jing, W.; Yang, Y.; Yang, H.; Guo, Y.; Sun, H.; Zhao, J.; Yao, J. The investigation of permeability calculation using digital core simulation technology. Energies 2019, 12, 3273. [Google Scholar] [CrossRef]
- March, R.; Egya, D.; Maier, C.; Busch, A.; Doster, F. Numerical computation of stress-permeability relationships of fracture networks in a shale rock. arXiv 2020, arXiv:2012.02080. [Google Scholar]
- Guo, Y.; Liang, Y.; Li, J.; Gong, B. A novel connectivity-based hierarchical model for multi-scale fracture system in carbonate reservoir simulation. Fuel 2019, 250, 327–338. [Google Scholar] [CrossRef]
- Zhao, Y.; Zhu, G.; Liu, S.; Wang, Y.; Zhang, C. Effects of pore structure on stress-dependent fluid flow in synthetic porous rocks using microfocus x-ray computed tomography. Transp. Porous Media 2019, 128, 653–675. [Google Scholar] [CrossRef]
- Zhang, Y.; Lin, C.; Ren, L. Flow Patterns and Pore Structure Effects on Residual Oil during Water and CO2 Flooding: In Situ CT Scanning. Energy Fuels 2023, 37, 15570–15586. [Google Scholar] [CrossRef]
- Zhu, L.; Zhang, C.; Zhang, C.; Zhou, X.; Zhang, Z.; Nie, X.; Liu, W.; Zhu, B. Challenges and prospects of digital core—Reconstruction research. Geofluids 2019, 2019, 7814180. [Google Scholar] [CrossRef]
- Liao, Q.; You, S.; Cui, M.; Guo, X.; Aljawad, M.S.; Patil, S. Digital Core Permeability Computation by Image Processing Techniques. Water 2023, 15, 1995. [Google Scholar] [CrossRef]
- Zha, W.; Li, X.; Li, D.; Xing, Y.; He, L.; Tan, J. Shale digital core image generation based on generative adversarial networks. J. Energy Resour. Technol. 2021, 143, 033003. [Google Scholar] [CrossRef]
- Zhang, T.; Li, D.; Lu, F. A pore space reconstruction method of shale based on autoencoders and generative adversarial networks. Comput. Geosci. 2021, 25, 2149–2165. [Google Scholar] [CrossRef]
- He, L.; Gui, F.; Hu, M.; Li, D.; Zha, W.; Tan, J. Digital core image reconstruction based on residual self-attention generative adversarial networks. Comput. Geosci. 2023, 27, 499–514. [Google Scholar] [CrossRef]
- Zhao, J.; Zhang, M.; Wang, C.; Mao, Z.; Zhang, Y. Application of the backpropagation neural network image segmentation method with genetic algorithm optimization in micropores of intersalt shale reservoirs. ACS Omega 2021, 6, 25246–25257. [Google Scholar] [CrossRef] [PubMed]
- Creswell, A.; White, T.; Dumoulin, V.; Arulkumaran, K.; Sengupta, B.; Bharath, A.A. Generative adversarial networks: An overview. IEEE Signal Process. Mag. 2018, 35, 53–65. [Google Scholar] [CrossRef]
- de Souza, V.L.T.; Marques, B.A.D.; Batagelo, H.C.; Gois, J.P. A review on generative adversarial networks for image generation. Comput. Graph. 2023, 114, 13–25. [Google Scholar] [CrossRef]
- Kramberger, T.; Potočnik, B. LSUN-Stanford car dataset: Enhancing large-scale car image datasets using deep learning for usage in GAN training. Appl. Sci. 2020, 10, 4913. [Google Scholar] [CrossRef]
- Chan, W.H.; Fung, B.S.; Tsang, D.H.; Lo, I.M. A freshwater algae classification system based on machine learning with StyleGAN2-ADA augmentation for limited and imbalanced datasets. Water Res. 2023, 243, 120409. [Google Scholar] [CrossRef] [PubMed]
- Ahn, G.; Choi, B.S.; Ko, S.; Jo, C.; Han, H.S.; Lee, M.C.; Ro, D.H. High-resolution knee plain radiography image synthesis using style generative adversarial network adaptive discriminator augmentation. J. Orthop. Res. 2023, 41, 84–93. [Google Scholar] [CrossRef]
- Liu, M.; Mukerji, T. Multiscale fusion of digital rock images based on deep generative adversarial networks. Geophys. Res. Lett. 2022, 49, e2022GL098342. [Google Scholar] [CrossRef]
- Bhosale, S.; Krishna, A.; Wang, G.; Mueller, K. Improving CT Image Segmentation Accuracy Using StyleGAN Driven Data Augmentation. arXiv 2023, arXiv:2302.03285. [Google Scholar]
- Huang, C.; Li, X.; Wen, Y. AN OTSU image segmentation based on fruitfly optimization algorithm. Alex. Eng. J. 2021, 60, 183–188. [Google Scholar] [CrossRef]
- Wu, Y.; Li, X.; Wang, Y.; Zhang, B. An Improved Algorithm in Porosity Characteristics Analysis for Rock and Soil Aggregate. Discret. Dyn. Nat. Soc. 2014, 2014, 798235. [Google Scholar] [CrossRef]
- Shou, Y.; Zhao, Z.; Zhou, X. Sensitivity analysis of segmentation techniques and voxel resolution on rock physical properties by X-ray imaging. J. Struct. Geol. 2020, 133, 103978. [Google Scholar] [CrossRef]
- Lin, W.; Li, X.; Yang, Z.; Lin, L.; Xiong, S.; Wang, Z.; Wang, X.; Xiao, Q. A new improved threshold segmentation method for scanning images of reservoir rocks considering pore fractal characteristics. Fractals 2018, 26, 1840003. [Google Scholar] [CrossRef]
- Michelucci, U. Applied Deep Learning: A Case-Based Approach to Understanding Deep Neural Networks; Apress: Berkeley, CA, USA, 2018. [Google Scholar]
- Menghani, G. Efficient deep learning: A survey on making deep learning models smaller, faster, and better. ACM Comput. Surv. 2023, 55, 259. [Google Scholar] [CrossRef]
- Ghosh, S.; Das, N.; Das, I.; Maulik, U. Understanding deep learning techniques for image segmentation. ACM Comput. Surv. (CSUR) 2019, 52, 73. [Google Scholar] [CrossRef]
- Liu, X.; Song, L.; Liu, S.; Zhang, Y. A review of deep-learning-based medical image segmentation methods. Sustainability 2021, 13, 1224. [Google Scholar] [CrossRef]
- Shen, T.; Huang, F.; Zhang, X. CT medical image segmentation algorithm based on deep learning technology. Math. Biosci. Eng. 2023, 20, 10954–10976. [Google Scholar] [CrossRef] [PubMed]
- Manzoor, S.; Qasim, T.; Bhatti, N.; Zia, M. Segmentation of digital rock images using texture analysis and deep network. Arab. J. Geosci. 2023, 16, 436. [Google Scholar] [CrossRef]
- Alqahtani, N.J.; Niu, Y.; Wang, Y.D.; Chung, T.; Lanetc, Z.; Zhuravljov, A.; Armstrong, R.T.; Mostaghimi, P. Super-resolved segmentation of X-ray images of carbonate rocks using deep learning. Transp. Porous Media 2022, 143, 497–525. [Google Scholar] [CrossRef]
- Wang, F.; Zai, Y. Image segmentation and flow prediction of digital rock with U-net network. Adv. Water Resour. 2023, 172, 104384. [Google Scholar] [CrossRef]
- Chen, X.; Tang, X.; Xiong, J.; He, R.; Wang, B. Pore characterization was achieved based on the improved U-net deep learning network model and scanning electron microscope images. Pet. Sci. Technol. 2024, 371, 131923. [Google Scholar] [CrossRef]
- Liu, X.; Zhang, Y.; Jing, H.; Wang, L.; Zhao, S. Ore image segmentation method using U-Net and Res_Unet convolutional networks. RSC Adv. 2020, 10, 9396–9406. [Google Scholar] [CrossRef]
- Li, G.; Xi, B.; He, Y.; Zheng, T.; Li, Y.; Xue, C.; Chanussot, J. Diamond-Unet: A Novel Semantic Segmentation Network Based on U-Net Network and Transformer for Deep Space Rock Images. IEEE Geosci. Remote Sens. Lett. 2024, 21, 8002205. [Google Scholar] [CrossRef]
- Zhang, M.; Zhou, Y.; Zhao, J.; Man, Y.; Liu, B.; Yao, R. A survey of semi-and weakly supervised semantic segmentation of images. Artif. Intell. Rev. 2020, 53, 4259–4288. [Google Scholar] [CrossRef]
- Han, K.; Sheng, V.S.; Song, Y.; Liu, Y.; Qiu, C.; Ma, S.; Liu, Z. Deep semi-supervised learning for medical image segmentation: A review. Expert. Syst. Appl. 2024, 245, 123052. [Google Scholar] [CrossRef]
- Ma, Z.; He, X.; Sun, S.; Yan, B.; Kwak, H.; Gao, J. Zero-Shot Digital Rock Image Segmentation with a Fine-Tuned Segment Anything Model. arXiv 2023, arXiv:2311.10865. [Google Scholar]
- Li, Y.; Guo, L.; Ge, Y. Pseudo labels for unsupervised domain adaptation: A review. Electronics 2023, 12, 3325. [Google Scholar] [CrossRef]
- Fan, Y.; Kukleva, A.; Dai, D.; Schiele, B. Revisiting consistency regularization for semi-supervised learning. Int. J. Comput. Vis. 2023, 131, 626–643. [Google Scholar] [CrossRef]
- Wang, H.; Wang, S.-B.; Li, Y.-F. Instance selection method for improving graph-based semi-supervised learning. Front. Comput. Sci. 2018, 12, 725–735. [Google Scholar] [CrossRef]
- Yin, B.; Hu, Q.; Zhu, Y.; Zhou, K. Semi-supervised learning for shale image segmentation with fast normalized cut loss. Geoenergy Sci. Eng. 2023, 229, 212039. [Google Scholar] [CrossRef]
- Liang, H.; Zou, J. Rock image segmentation of improved semi-supervised SVM–FCM algorithm based on chaos. Circuits Syst. Signal Process. 2020, 39, 571–585. [Google Scholar] [CrossRef]
- Huang, H.; Luo, X.; Xu, S.; Li, Y. Twin Pseudo-training for semi-supervised semantic segmentation. Comput. Graph. 2023, 115, 348–358. [Google Scholar] [CrossRef]
- Goodfellow, I.; Pouget-Abadie, J.; Mirza, M.; Xu, B.; Warde-Farley, D.; Ozair, S.; Courville, A.; Bengio, Y. Generative adversarial nets. Commun. ACM 2020, 63, 139–144. [Google Scholar] [CrossRef]
- Ronneberger, O.; Fischer, P.; Brox, T. U-net: Convolutional networks for biomedical image segmentation. In Proceedings of the Medical Image Computing and Computer-Assisted Intervention–MICCAI 2015: 18th International Conference, Munich, Germany, 5–9 October 2015; Proceedings, Part III 18. pp. 234–241. [Google Scholar]
- Zhang, R.; Isola, P.; Efros, A.A.; Shechtman, E.; Wang, O. The unreasonable effectiveness of deep features as a perceptual metric. In Proceedings of the IEEE Conference on Computer Vision and Pattern Recognition, Salt Lake City, UT, USA, 18–23 June 2018; pp. 586–595. [Google Scholar]
- Karras, T.; Aittala, M.; Hellsten, J.; Laine, S.; Lehtinen, J.; Aila, T. Training generative adversarial networks with limited data. Adv. Neural Inf. Process. Syst. 2020, 33, 12104–12114. [Google Scholar]
- Zhang, Y.; Ling, H.; Gao, J.; Yin, K.; Lafleche, J.-F.; Barriuso, A.; Torralba, A.; Fidler, S. Datasetgan: Efficient labeled data factory with minimal human effort. In Proceedings of the IEEE/CVF Conference on Computer Vision and Pattern Recognition, Nashville, TN, USA, 20–25 June 2021; pp. 10145–10155. [Google Scholar]












| Parameter | Unit | Value | 
|---|---|---|
| Current | uA | 90 | 
| Voltage | Kv | 170 | 
| Pixel Size | μm | 2.67 | 
| Total Training Images | Batch Size | IS | KID | LPIPS | 
|---|---|---|---|---|
| 500,000 | 4 | 1.0120 | 7.4536 | 0.5521 | 
| 8 | 1.4896 | 5.3625 | 0.5405 | |
| 16 | 1.6057 | 4.9057 | 0.5284 | |
| 1,000,000 | 4 | 1.6318 | 4.4064 | 0.5272 | 
| 8 | 1.8869 | 3.3446 | 0.5031 | |
| 16 | 2.0023 | 2.0271 | 0.4399 | |
| 2,000,000 | 4 | 2.0048 | 1.1501 | 0.4385 | 
| 8 | 2.1913 | 0.4203 | 0.4073 | |
| 16 | 2.2428 | 0.2132 | 0.3965 | 
| U-Net | Adaptive Bagging | Pseudo-Label | IoU | Recall | PA | Local Consistency | Porosity Difference | 
|---|---|---|---|---|---|---|---|
| 0.9615 | 0.9667 | 0.9624 | 0.9649 | 0.0231 | |||
| 0.9796 | 0.9680 | 0.9724 | 0.9841 | 0.0156 | |||
| 0.9801 | 0.9699 | 0.9843 | 0.9855 | 0.0128 | |||
| 0.9981 | 0.9927 | 0.9993 | 0.9973 | 0.0035 | 
| Methods | IoU | PA | Porosity Difference | 
|---|---|---|---|
| SegNet | 0.9538 | 0.9567 | 0.0968 | 
| ResNet+U-Net | 0.9710 | 0.9880 | 0.0552 | 
| U-Net++ | 0.9806 | 0.9699 | 0.0313 | 
| DAN | 0.9851 | 0.9712 | 0.0259 | 
| EM | 0.9866 | 0.9794 | 0.0116 | 
| MN | 0.9880 | 0.9824 | 0.0079 | 
| Ours | 0.9981 | 0.9993 | 0.0035 | 
| Disclaimer/Publisher’s Note: The statements, opinions and data contained in all publications are solely those of the individual author(s) and contributor(s) and not of MDPI and/or the editor(s). MDPI and/or the editor(s) disclaim responsibility for any injury to people or property resulting from any ideas, methods, instructions or products referred to in the content. | 
© 2024 by the authors. Licensee MDPI, Basel, Switzerland. This article is an open access article distributed under the terms and conditions of the Creative Commons Attribution (CC BY) license (https://creativecommons.org/licenses/by/4.0/).
Share and Cite
Suo, L.; Wang, Z.; Liu, H.; Cui, L.; Sun, X.; Qin, X. Innovative Deep Learning Approaches for High-Precision Segmentation and Characterization of Sandstone Pore Structures in Reservoirs. Appl. Sci. 2024, 14, 7178. https://doi.org/10.3390/app14167178
Suo L, Wang Z, Liu H, Cui L, Sun X, Qin X. Innovative Deep Learning Approaches for High-Precision Segmentation and Characterization of Sandstone Pore Structures in Reservoirs. Applied Sciences. 2024; 14(16):7178. https://doi.org/10.3390/app14167178
Chicago/Turabian StyleSuo, Limin, Zhaowei Wang, Hailong Liu, Likai Cui, Xianda Sun, and Xudong Qin. 2024. "Innovative Deep Learning Approaches for High-Precision Segmentation and Characterization of Sandstone Pore Structures in Reservoirs" Applied Sciences 14, no. 16: 7178. https://doi.org/10.3390/app14167178
APA StyleSuo, L., Wang, Z., Liu, H., Cui, L., Sun, X., & Qin, X. (2024). Innovative Deep Learning Approaches for High-Precision Segmentation and Characterization of Sandstone Pore Structures in Reservoirs. Applied Sciences, 14(16), 7178. https://doi.org/10.3390/app14167178
 
        

 
       