The Electrical Characteristics Generated by Resetting the Particle Organization Configuration of Rocks under Compressive Loads
Abstract
1. Introduction
2. Materials and Methods
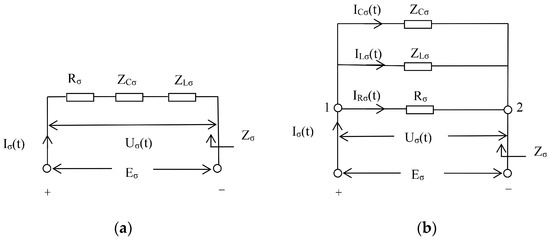
2.1. Electrophysical Analysis Model
2.2. Materials and Processes
2.2.1. Experimental Samples
- (1)
- Rock samples
- (2)
- Cement mortar sample
2.2.2. Experimental System
2.2.3. Experiment Process
3. Results
4. Discussion
4.1. Passive Form of Signal Source and Circuit System Model
4.2. Identification of Circuit System Pattern
- (1)
- The component of impedance and its mathematical model of output voltage response
- (2)
- Identification of LCR series attenuating oscillation circuit
- (3)
- Identification of LCR parallel attenuation oscillation circuit
4.3. Variation of Impedance during Loading
| Load P (kN) | 0 | 2 | 4 | 6 | 8 | 10 |
|---|---|---|---|---|---|---|
| 8# Granite sample | ||||||
| Zσ(t) (kΏ) | 0 | 0.264 | 0.102 | 0.326 | 0.309 | 0.480 |
| Zσ(0) (kΏ) | 374.0 | 146.0 | 129.0 | 119.0 | 112.0 | 106.0 |
| Rσ (kΏ) | 171.0 | 131.0 | 120.0 | 113.0 | 107.0 | 102.0 |
| 9# Granite sample | ||||||
| Zσ(t) (kΏ) | 0 | 0.697 | 1.597 | 1.406 | 1.497 | 1.296 |
| Zσ(0) (kΏ) | 965.0 | 887.0 | 890.0 | 862.0 | 853.0 | 841.0 |
| Rσ (kΏ) | 730.0 | 681.0 | 652.0 | 641.0 | 637.0 | 633.0 |
| 11# Red sandstone sample | ||||||
| Zσ(t) (kΏ) | 0 | 1.809 | 2.024 | 1.457 | 2.031 | 1.943 |
| Zσ(0) (kΏ) | 861.0 | 114.0 | 69.0 | 56.0 | 47.0 | 44.0 |
| Rσ (kΏ) | 56.0 | 45.0 | 32.0 | 29.0 | 27.0 | 25.0 |
| 10# Cement mortar sample | ||||||
| Zσ(t) (kΏ) | 0 | 2.233 | 5.138 | 3.679 | 2.050 | 2.739 |
| Zσ(0) (kΏ) | 3285.0 | 2790.0 | 2720.0 | 2660.0 | 2620.0 | 2580.0 |
| Rσ (kΏ) | 3940.0 | 3020.0 | 2890.0 | 2810.0 | 2750.0 | 2690.0 |
4.4. The Variation of Voltage and Current Generated by the Specimen under the Action of Load
5. Conclusions
Author Contributions
Funding
Institutional Review Board Statement
Informed Consent Statement
Data Availability Statement
Conflicts of Interest
References
- Wang, Z.; Wang, M.; Zhou, L.; Zhu, Z.; Shu, Y.; Peng, T. Research on uniaxial compression strength and failure properties of stratified rock mass. Theor. Appl. Fract. Mech. 2022, 121, 103499. [Google Scholar] [CrossRef]
- Du, S.; Ma, J.; Ma, L.; Zhao, Y. Unconfined compressive strength and failure behaviour of completely weathered granite from a fault zone. J. Mt. Sci.-Engl. 2024, 21, 2140–2158. [Google Scholar] [CrossRef]
- Frid, V.; Goldbaum, J.; Rabinovitch, A.; Bahat, D. Electric polarization induced by mechanical loading of Solnhofen limestone. Phil. Mag. Lett. 2009, 89, 453–463. [Google Scholar] [CrossRef][Green Version]
- Kaselow, A.; Shapiro, S.A. Stress sensitivity of elastic moduli and electrical resistivity in porous rocks. J. Geophys. Eng. 2004, 1, 1. [Google Scholar] [CrossRef]
- Jia, P.; Wang, Q.; Qian, Y.; Wang, Y. Variation characteristics of electric resistance in the quiet periods of acoustic emission of sandstone with different saturation. J. Cent. South Univ. 2023, 30, 1993–2003. [Google Scholar] [CrossRef]
- Wang, K.; Xia, Z.; Huang, Z.; Li, X. Damage Evolution of Sandstone under Constant-Amplitude Cyclic Loading Based on Acoustic Emission Parameters and Resistivity. Adv. Mater. Sci. Eng. 2021, 2021, 7057183. [Google Scholar] [CrossRef]
- Li, X.; Zhang, Q.; An, Z.; Chen, X.; Zhang, F. Experimental research on electrical resistivity variation of coal under different loading modes. Arab. J. Geosci. 2020, 13, 1068. [Google Scholar] [CrossRef]
- Qu, C.; Xue, Y.; Su, M.; Qiu, D.; Ma, X.; Liu, Q.; Li, G. Quantitative modeling of rock electrical resistivity under uniaxial loading and unloading. Acta Geophys. 2024, 72, 195–212. [Google Scholar] [CrossRef]
- Li, M.; Wang, H.; Wang, D.; Shao, Z. Experimental study on characteristics of surface potential and current induced by stress on coal mine sandstone roof. Eng. Geol. 2020, 266, 105468. [Google Scholar] [CrossRef]
- Li, W.; Fang, S.; Gao, X. Experimental investigation on the influence of wave impedance on dynamic mechanical response of granites undergone high temperature. ACS Omega 2023, 8, 42398–42408. [Google Scholar] [CrossRef] [PubMed]
- Negi, P.; Chakraborty, T.; Bhalla, S. Viability of electro-mechanical impedance technique for monitoring damage in rocks under cyclic loading. Acta Geotech. 2022, 17, 483–495. [Google Scholar] [CrossRef]
- Li, M.; Lu, Y.; Shi, S.; Wang, D.; He, S.; Ye, Q.; Li, H.; Zhu, S.; Wang, Z. The variation of micro-current in rock under loads and its microcosmic influence mechanism. Eng. Geol. 2022, 310, 106877. [Google Scholar] [CrossRef]
- Brady, B.T.; Rowell, G.A. Laboratory investigation of the electrodynamics of rock fracture. Nature 1986, 321, 488–492. [Google Scholar] [CrossRef]
- Cress, G.O.; Brady, B.T.; Rowell, G.A. Sources of electromagnetic radiation from fracture of rock samples in the laboratory. Geophys. Res. Lett. 1987, 14, 331–334. [Google Scholar] [CrossRef]
- Fukui, K.; Okubo, S.; Terashima, T. Electromagnetic radiation from rock during uniaxial compression testing: The effects of rock characteristics and test conditions. Rock Mech. Rock Eng. 2005, 38, 411–423. [Google Scholar] [CrossRef]
- Hadjicontis, V.; Mavromatou, C. Transient electric signals prior to rock failure under uniaxial compression. Geophys. Res. Lett. 1994, 21, 1687–1690. [Google Scholar] [CrossRef]
- Yoshida, S.; Uyeshima, M.; Nakatani, M. Electric potential changes associated with slip failure of granite: Preseismic and coseismic signals. J. Geophys. Res.-Solid Earth 1997, 102, 14883–14897. [Google Scholar] [CrossRef]
- Rabinovitch, A.; Frid, V.; Bahat, D.; Goldbaum, J. Fracture area calculation from electromagnetic radiation and its use in chalk failure analysis. Int. J. Rock Mech. Min. 2000, 37, 1149–1154. [Google Scholar] [CrossRef]
- Carpinteri, A.; Lacidogna, G.; Manuello, A.; Niccolini, G.; Schiavi, A.; Agosto, A. Mechanical and electromagnetic emissions related to stress-induced cracks. Exp. Tech. 2012, 36, 53–64. [Google Scholar] [CrossRef]
- Yamada, I.; Masuda, K.; Mizutani, H. Electromagnetic and acoustic emission associated with rock fracture. Phys. Earth Planet. Inter. 1989, 57, 157–168. [Google Scholar] [CrossRef]
- Frid, V.; Rabinovitch, A.; Bahat, D. Fracture induced electromagnetic radiation. J. Phys. D Appl. Phys. 2003, 36, 1620–1628. [Google Scholar] [CrossRef]
- Frid, V.; Vozoff, K. Electromagnetic radiation induced by mining rock failure. Int. J. Coal Geol. 2005, 64, 57–65. [Google Scholar] [CrossRef]
- Qiu, L.; Liu, Z.; Wang, E.; He, X.; Feng, J.; Li, B. Early-warning of rock burst in coal mine by low-frequency electromagnetic radiation. Eng. Geol. 2020, 279, 105755. [Google Scholar] [CrossRef]
- Ogawa, T.; Oike, K.; Miura, T. Electromagnetic radiations from rocks. J. Geophys. Res. Atmos. 1985, 90, 6245–6249. [Google Scholar] [CrossRef]
- Song, M.; Hu, Q.; Liu, H.; Li, Q.; Zhang, Y.; Hu, Z.; Liu, J.; Deng, Y.; Zheng, X.; Wang, M. Characterization and correlation of rock fracture-induced electrical resistance and acoustic emission. Rock Mech. Rock Eng. 2023, 56, 6437–6457. [Google Scholar] [CrossRef]
- Baddari, K.; Frolov, A.D.; Tourtchine, V.; Rahmoune, F. An integrated study of the dynamics of electromagnetic and acoustic regimes during failure of complex macrosystems using rock blocks. Rock Mech. Rock Eng. 2011, 44, 269–280. [Google Scholar] [CrossRef]
- Han, J.; Huang, S.; Zhao, W.; Wang, S.; Deng, Y. Study on electromagnetic radiation in crack propagation produced by fracture of rocks. Measurement 2019, 131, 125–131. [Google Scholar] [CrossRef]
- Wei, M.; Song, D.; He, X.; Li, Z.; Qiu, L.; Lou, Q. Effect of rock properties on electromagnetic radiation characteristics generated by rock fracture during uniaxial compression. Rock Mech. Rock Eng. 2020, 53, 5223–5238. [Google Scholar] [CrossRef]
- Li, X.; Li, H.; Yang, Z.; Li, Y.; Li, H.; Zhou, J. The influence of the internal structure of loaded composite coal-rock on the variation characteristics of electromagnetic radiation (EMR) signal. J. Appl. Geophys. 2023, 213, 105027. [Google Scholar] [CrossRef]
- Xiao, H.; He, X.; Wang, E. Research on transition law between EME and energy during deformation and fracture of coal or rock under compression. Rock Soil Mech. 2006, 27, 1097–1100. (In Chinese) [Google Scholar] [CrossRef]
- Nie, B.; He, X.; Wang, E.; Li, G.; Liu, W. Coupled stress-electricity model and its parameters computation method of coal or rock. J. China Univ. Min. Technol. 2007, 36, 505–508. (In Chinese) [Google Scholar]
- Li, Z.; Zhang, X.; Wei, Y.; Ali, M. Experimental study of electric potential response characteristics of different lithological samples subject to uniaxial loading. Rock Mech. Rock Eng. 2021, 54, 397–408. [Google Scholar] [CrossRef]
- Triantis, D.; Pasiou, E.D.; Stavrakas, I.; Kourkoulis, S.K. Hidden affinities between electric and acoustic activities in brittle materials at near-fracture load levels. Rock Mech. Rock Eng. 2022, 55, 1325–1342. [Google Scholar] [CrossRef]
- Wan, G.; Li, X.; Hong, L. Piezoelectric responses of brittle rock mass containing quartz to static stress and exploding stress wave respectively. J. Cent. South Univ. 2008, 15, 344–349. [Google Scholar] [CrossRef]
- Hafez, A.; Castagna, J.P. Distinguishing gas-bearing sandstone reservoirs within mixed siliciclastic-carbonate sequences using extended elastic impedance: Nile Delta—Egypt. Interpret.-J. Subsurf. Charact. 2016, 4, T427–T441. [Google Scholar] [CrossRef]
- Kirichek, A.; Chassagne, C.; Ghose, R. Predicting the dielectric response of saturated sandstones using a 2-electrode measuring system. Front. Phys. 2019, 6, 148. [Google Scholar] [CrossRef]











| Load P (kN) | Resistance Rσ (MΏ) | Inductance Lσ (mH) | Capacitance Cσ (pF) | Voltage Uσ (mV) | Current Iσ (mA) | Frequency f (kHz) |
|---|---|---|---|---|---|---|
| 8# Granite sample | ||||||
| 0 | 0.171 | 0 | 507.0 | 0 | 0 | 0 |
| 2 | 0.131 | 148.20 | 474.0 | 40.0 | 0.151 | 18.99 |
| 4 | 0.120 | 161.40 | 454.0 | 9.0 | 0.088 | 18.60 |
| 6 | 0.113 | 0.93 | 437.0 | 44.0 | 0.135 | 249.70 |
| 8 | 0.107 | 13.26 | 408.0 | 48.0 | 0.155 | 68.44 |
| 10 | 0.102 | 11.87 | 401.0 | 75.0 | 0.156 | 73.10 |
| 9# Granite sample | ||||||
| 0 | 0.730 | 0 | 104.0 | 0 | 0 | 0 |
| 2 | 0.681 | 4.72 | 87.0 | 110.1 | 0.158 | 248.48 |
| 4 | 0.652 | 5.01 | 82.5 | 185.3 | 0.116 | 247.76 |
| 6 | 0.641 | 41.01 | 80.0 | 220.7 | 0.157 | 87.91 |
| 8 | 0.637 | 44.83 | 77.9 | 220.2 | 0.147 | 85.21 |
| 10 | 0.633 | 52.99 | 76.7 | 210.0 | 0.162 | 78.98 |
| 11# Red sandstone sample | ||||||
| 0 | 0.056 | 0 | 185.5 | 0 | 0 | 0 |
| 2 | 0.045 | 40.78 | 1162.0 | 240.6 | 0.133 | 23.13 |
| 4 | 0.032 | 18.56 | 2060.0 | 251.0 | 0.124 | 25.75 |
| 6 | 0.029 | 12.29 | 2360.0 | 220.1 | 0.151 | 29.56 |
| 8 | 0.027 | 10.26 | 2843.0 | 321.0 | 0.158 | 29.48 |
| 10 | 0.025 | 9.87 | 2895.0 | 200.1 | 0.103 | 29.78 |
| 10# Cement mortar sample | ||||||
| 0 | 3.94 | 0 | 27.0 | 0 | 0 | 0 |
| 2 | 3.02 | 189.37 | 21.0 | 201.0 | 0.09 | 79.85 |
| 4 | 2.89 | 158.94 | 19.8 | 400.8 | 0.078 | 89.76 |
| 6 | 2.81 | 1870.67 | 18.9 | 320.1 | 0.087 | 26.78 |
| 8 | 2.75 | 1964.20 | 18.0 | 180.4 | 0.088 | 26.78 |
| 10 | 2.69 | 1354.81 | 17.0 | 260.2 | 0.095 | 33.18 |
Disclaimer/Publisher’s Note: The statements, opinions and data contained in all publications are solely those of the individual author(s) and contributor(s) and not of MDPI and/or the editor(s). MDPI and/or the editor(s) disclaim responsibility for any injury to people or property resulting from any ideas, methods, instructions or products referred to in the content. |
© 2024 by the authors. Licensee MDPI, Basel, Switzerland. This article is an open access article distributed under the terms and conditions of the Creative Commons Attribution (CC BY) license (https://creativecommons.org/licenses/by/4.0/).
Share and Cite
Ou, C.; Zhou, X.; Ma, B.; Chen, H. The Electrical Characteristics Generated by Resetting the Particle Organization Configuration of Rocks under Compressive Loads. Appl. Sci. 2024, 14, 6474. https://doi.org/10.3390/app14156474
Ou C, Zhou X, Ma B, Chen H. The Electrical Characteristics Generated by Resetting the Particle Organization Configuration of Rocks under Compressive Loads. Applied Sciences. 2024; 14(15):6474. https://doi.org/10.3390/app14156474
Chicago/Turabian StyleOu, Chuanjing, Xindong Zhou, Bin Ma, and Hongcai Chen. 2024. "The Electrical Characteristics Generated by Resetting the Particle Organization Configuration of Rocks under Compressive Loads" Applied Sciences 14, no. 15: 6474. https://doi.org/10.3390/app14156474
APA StyleOu, C., Zhou, X., Ma, B., & Chen, H. (2024). The Electrical Characteristics Generated by Resetting the Particle Organization Configuration of Rocks under Compressive Loads. Applied Sciences, 14(15), 6474. https://doi.org/10.3390/app14156474
