Lithium Battery SoC Estimation Based on Improved Iterated Extended Kalman Filter
Abstract
Featured Application
Abstract
1. Introduction
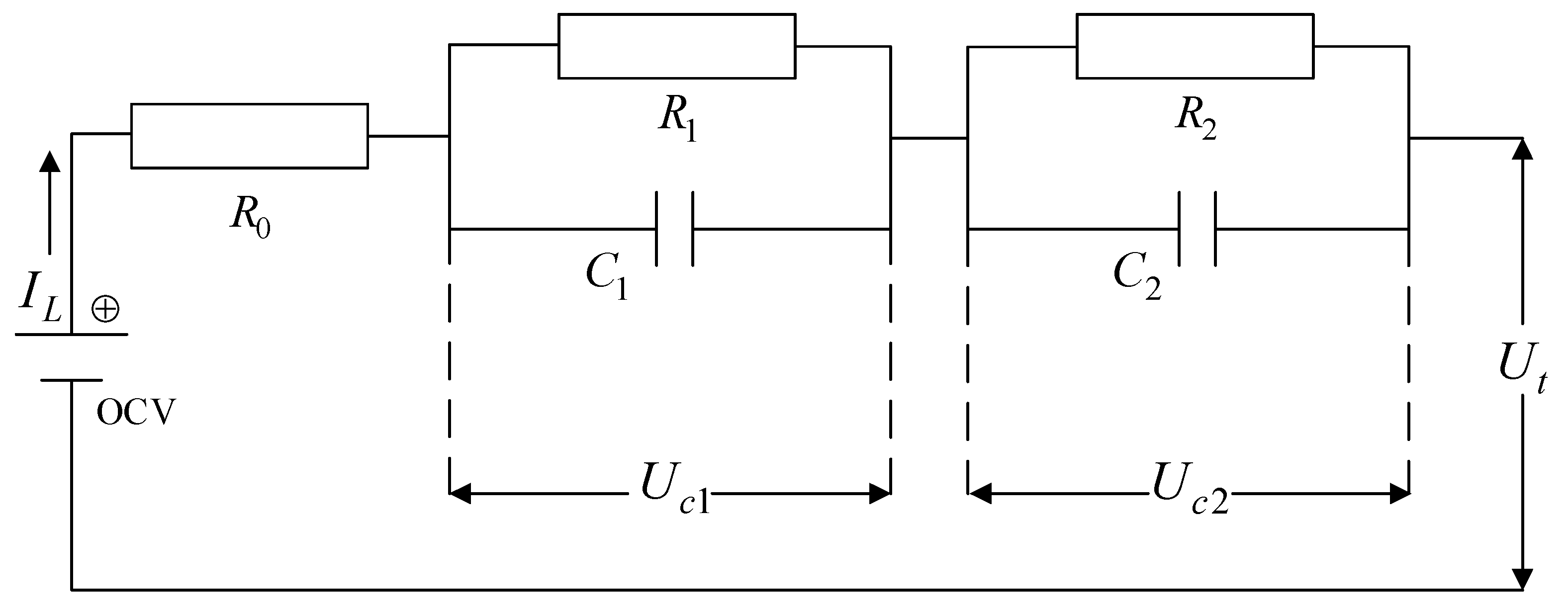
2. Construction of Battery Model
2.1. Selection of Equivalent Circuit Model
2.2. Equivalent Circuit Model Parameter Identification
- ①
- Fill the battery with a constant current and leave it for 2 h to restore the battery to equilibrium. This process brings the battery to a steady state, which is a prerequisite for HPPC testing.
- ②
- Discharge the battery using a current of 0.5 C for 12 min to reduce the SoC by 10%. The goal of stopping the discharge as soon as the discharge time is up is to accurately obtain the rebound characteristics of the voltage-to-SoC curve at every 10% of the charge.
- ③
- Let the battery stand for two hours. This process also brings the battery to a steady state so that the rebound characteristics of the voltage-to-SoC curve can be tested at a later date when other SoCs can be further tested.
- ④
- Repeat steps 2 and 3 until the SoC becomes zero. The open-circuit voltage of the battery is measured immediately after the end of each step ②, and these data will provide data support for the subsequent fitting of the OCV–SoC curve.
2.2.1. Fitting of OCV–SoC Curves
2.2.2. Second-Order Thevenin Model Parameter Identification
3. IEKF Algorithm Based on LM
3.1. Extended Kalman Filter
- (1)
- Set the initial values of the system’s state quantity and error covariance matrix :where is the set value of the initial state and is the error covariance matrix in the initial state. Since the set value of the initial quantity of the system may have a certain error, the error in the estimation result may be larger in the beginning stage of the EKF estimation. However, with the excellent correction ability of EKF in the process of many iterations, the estimation error will gradually decrease with the increase in the number of iterations.
- (2)
- Calculate the a priori estimate and the a priori error covariance :EKF approximately linearizes the nonlinear battery system via Taylor expansion and ignores the high-order terms. The value of matrix is the Jacobian matrix obtained using the state transition function for the state quantity at time , and is the prior value at time calculated from the error covariance matrix at time .
- (3)
- Calculate the Kalman gain matrix :Similarly, in order to satisfy the requirement of approximating the battery system as a nonlinear system, the matrix is set to the Jacobian matrix obtained by the observation function on the state quantity at time .
- (4)
- Compute the posterior estimator and update the error covariance matrix as follows:
3.2. The Procedure of the IEKF Algorithm Based on LM Optimization
- (1)
- Set the system state and error covariance matrix initial quantity:
- (2)
- Compute the prior estimate and the prior error covariance as follows:
- (3)
- The a priori estimates and the a priori error covariance during the iteration are computed:When the first iteration is performed; that is, when = 1, since the error covariance matrix has not been corrected, the calculation results of the prior estimate value and the prior error covariance are the same as the calculation results before the iteration process. However, when the number of iterations is greater than 1, the prior estimate value and the prior error covariance of the system will be updated.
- (4)
- The covariance matrix is modified by the LM method:A larger parameter means that the iterated calculation result of the algorithm is closer to the gradient descent method, while a smaller parameter means that the iterated calculation result of the LM method is closer to the calculation result of the Gauss–Newton method. Throughout the calculation process of this paper, we found that the calculation result is consistent with the direction of convergence when the parameter is small, so the initial value of is set to 0.15.
- (5)
- Calculate the Kalman gain matrix:
- (6)
- Calculate the posterior estimate and update the error covariance matrix:
3.3. Formulation of the State Space Equation of the System
4. Experimental Results and Simulation Analysis
4.1. 1 A Constant Current Discharge Conditio
4.2. FUDS Working Condition
4.3. BJDST Working Conditions
5. Conclusions
Author Contributions
Funding
Institutional Review Board Statement
Informed Consent Statement
Data Availability Statement
Conflicts of Interest
Abbreviations
References
- Xiao, T.; Shi, X.; Zhou, B.; Wang, X. (Eds.) Comparative Study of EKF and UKF for SOC Estimation of Lithium-ion Batteries. In Proceedings of the 2019 IEEE Innovative Smart Grid Technologies-Asia (ISGT Asia), Chengdu, China, 21–24 May 2019; IEEE: Piscataway, NJ, USA, 2019. [Google Scholar]
- Zheng, F.; Xing, Y.; Jiang, J.; Sun, B.; Kim, J.; Pecht, M. Influence of different open circuit voltage tests on state of charge online estimation for lithium-ion batteries. Appl. Energy 2016, 183, 513–525. [Google Scholar] [CrossRef]
- Ramezani-al, M.R.; Moodi, M. A novel combined online method for SOC estimation of a Li-Ion battery with practical and industrial considerations. J. Energy Storage 2023, 67, 107605. [Google Scholar] [CrossRef]
- Xiong, R.; Cao, J.; Yu, Q.; He, H.; Sun, F. Critical review on the battery state of charge estimation methods for electric vehicles. IEEE Access 2017, 6, 1832–1843. [Google Scholar] [CrossRef]
- Zhou, H.; Luo, J.; Yu, Z. Co-estimation of SOC and SOH for Li-ion battery based on MIEKPF-EKPF fusion algorithm. Energy Rep. 2023, 10, 4420–4428. [Google Scholar] [CrossRef]
- Xile, D.; Caiping, Z.; Jiuchun, J. Evaluation of SOC estimation method based on EKF/AEKF under noise interference. Energy Procedia 2018, 152, 520–525. [Google Scholar] [CrossRef]
- Ma, D.; Gao, K.; Mu, Y.; Wei, Z.; Du, R. An adaptive tracking-extended Kalman filter for SOC estimation of batteries with model uncertainty and sensor error. Energies 2022, 15, 3499. [Google Scholar] [CrossRef]
- Demirci, O.; Taskin, S.; Schaltz, E.; Demirci, B.A. Review of battery state estimation methods for electric vehicles-Part I: SOC estimation. J. Energy Storage 2024, 87, 111435. [Google Scholar] [CrossRef]
- Afshar, S.; Morris, K.; Khajepour, A. State-of-charge estimation using an EKF-based adaptive observer. IEEE Trans. Control. Syst. Technol. 2018, 27, 1907–1923. [Google Scholar] [CrossRef]
- Ling, L.; Wei, Y. State-of-charge and state-of-health estimation for lithium-ion batteries based on dual fractional-order extended Kalman filter and online parameter identification. IEEE Access 2021, 9, 47588–47602. [Google Scholar] [CrossRef]
- Khalil, I.; Ahsan, M.; Ullah, I.; Adnan, A.; Khan, N.; Nawaz, S. (Eds.) SOC prediction of lithium-ion battery using extended Kalman filter. In Proceedings of the 2018 International Symposium on Recent Advances in Electrical Engineering (RAEE), Islamabad, Pakistan, 17–18 October 2018; IEEE: Piscataway, NJ, USA, 2018. [Google Scholar]
- Tong, S.; Lacap, J.H.; Park, J.W. Battery state of charge estimation using a load-classifying neural network. J. Energy Storage 2016, 7, 236–243. [Google Scholar] [CrossRef]
- Charkhgard, M.; Farrokhi, M. State-of-charge estimation for lithium-ion batteries using neural networks and EKF. IEEE Trans. Ind. Electron. 2010, 57, 4178–4187. [Google Scholar] [CrossRef]
- Lee, K.-T.; Dai, M.-J.; Chuang, C.-C. Temperature-compensated model for lithium-ion polymer batteries with extended Kalman filter state-of-charge estimation for an implantable charger. IEEE Trans. Ind. Electron. 2017, 65, 589–596. [Google Scholar] [CrossRef]
- Zhigang, H.; Dong, C.; Chaofeng, P.; Long, C.; Shaohua, W. State of charge estimation of power Li-ion batteries using a hybrid estimation algorithm based on UKF. Electrochim. Acta 2016, 211, 101–109. [Google Scholar] [CrossRef]
- Bizeray, A.M.; Zhao, S.; Duncan, S.R.; Howey, D.A. Lithium-ion battery thermal-electrochemical model-based state estimation using orthogonal collocation and a modified extended Kalman filter. J. Power Sources 2015, 296, 400–412. [Google Scholar] [CrossRef]
- Zhou, H.; Wang, S.; Yu, C.; Xia, L.; Fernandez, C. Research on SOC Estimation for Lithium ion batteries Based on Improved PNGV Equivalence Model and AF-UKF Algorithm. Int. J. Electrochem. Sci. 2022, 17, 220836. [Google Scholar] [CrossRef]
- Moré, J.J. (Ed.) The Levenberg-Marquardt algorithm: Implementation and theory. In Numerical Analysis: Proceedings of the Biennial Conference Held at Dundee, 28 June–1 July 1977; Springer: Berlin/Heidelberg, Germany, 2006. [Google Scholar]
- Liu, X.; Li, W.; Zhou, A. PNGV equivalent circuit model and SOC estimation algorithm for lithium battery pack adopted in AGV vehicle. IEEE Access 2018, 6, 23639–23647. [Google Scholar] [CrossRef]
- Kim, J.; Cho, B.-H. State-of-charge estimation and state-of-health prediction of a Li-ion degraded battery based on an EKF combined with a per-unit system. IEEE Trans. Veh. Technol. 2011, 60, 4249–4260. [Google Scholar] [CrossRef]
- He, H.; Xiong, R.; Zhang, X.; Sun, F.; Fan, J. State-of-charge estimation of the lithium-ion battery using an adaptive extended Kalman filter based on an improved Thevenin model. IEEE Trans. Veh. Technol. 2011, 60, 1461–1469. [Google Scholar]
- Baccouche, I.; Jemmali, S.; Manai, B.; Omar, N.; Essoukri Ben Amara, N. Improved OCV model of a Li-ion NMC battery for online SOC estimation using the extended Kalman filter. Energies 2017, 10, 764. [Google Scholar] [CrossRef]
- Cui, Z.; Hu, W.; Zhang, G.; Zhang, Z.; Chen, Z. An extended Kalman filter based SOC estimation method for Li-ion battery. Energy Rep. 2022, 8, 81–87. [Google Scholar] [CrossRef]
- Zhang, L.; Peng, H.; Ning, Z.; Mu, Z.; Sun, C. Comparative research on RC equivalent circuit models for lithium-ion batteries of electric vehicles. Appl. Sci. 2017, 7, 1002. [Google Scholar] [CrossRef]
- Xia, Y. Comparison and Analysis of SOC Estimation Based on First-Order and Second-Order Thevenin Battery Models Based on EKF. Acad. J. Sci. Technol. 2023, 6, 10–18. [Google Scholar] [CrossRef]
- Zhang, H.; Deng, C.; Zong, Y.; Zuo, Q.; Guo, H.; Song, S.; Jiang, L. Effect of sample interval on the parameter identification results of RC equivalent circuit models of li-ion battery: An investigation based on HPPC test data. Batteries 2022, 9, 1. [Google Scholar] [CrossRef]
- Li, W.; Liu, W.; Deng, Y. SOC estimation for lithium-ion batteries based on EKF. China Mech. Eng. 2020, 31, 321. [Google Scholar]
- Xu, L.; Ma, K.; Yang, Q.; Song, L.; Ma, X. SOC estimation of power battery based on Kalman filter. J. Jiangsu Univ. (Nat. Sci. Ed.) 2024, 45. [Google Scholar]
- Huang, Y.; Li, Y.; Jiang, L.; Qiao, X.; Cao, Y.; Yu, J. (Eds.) Research on Fitting Strategy in HPPC Test for Li-ion battery. In Proceedings of the 2019 IEEE Sustainable Power and Energy Conference (iSPEC), Beijing, China, 21–23 November 2019; IEEE: Piscataway, NJ, USA, 2019. [Google Scholar]
- Białoń, T.; Niestrój, R.; Skarka, W.; Korski, W. HPPC Test Methodology Using LFP Battery Cell Identification Tests as an Example. Energies 2023, 16, 6239. [Google Scholar] [CrossRef]
- Luo, L.; Song, W.; Lin, S.; Lv, J.; Chen, Y.; Feng, Z. Research progress on effects of temperature on SOC and its estimation for LFP battery. Adv. New Renew. Energy 2015, 3, 59–69. [Google Scholar]
- Zhong, S.; Chirarattananon, P. Direct visual-inertial ego-motion estimation via iterated extended kalman filter. IEEE Robot. Autom. Lett. 2020, 5, 1476–1483. [Google Scholar] [CrossRef]
- Yan, C.; Dong, J.; Lu, G.; Zhang, D.; Qi, Y. (Eds.) An adaptive algorithm based on levenberg-marquardt method and two-factor for iterative extended Kalman filter. In Proceedings of the 2017 3rd IEEE International Conference on Computer and Communications (ICCC), Chengdu, China, 13–16 December 2017; IEEE: Piscataway, NJ, USA, 2017. [Google Scholar]
- Liu, Z.; Zhao, Z.; Qiu, Y.; Jing, B.; Yang, C. State of charge estimation for Li-ion batteries based on iterative Kalman filter with adaptive maximum correntropy criterion. J. Power Sources 2023, 580, 233282. [Google Scholar] [CrossRef]
- Duong, T.Q. USABC and PNGV test procedures. J. Power Sources 2000, 89, 244–248. [Google Scholar] [CrossRef]












| Estimation Methodology | Estimation Accuracy | Estimation of the Level of Complexity |
|---|---|---|
| Ampere-hour integration method | Poor | Easy |
| Open-circuit voltage method | Poor | Complex |
| Neural network method | High | Very complex |
| Kalman filter and its derivative algorithms | High | Generally complex |
| SoC | R0 | R1 | C1 | R2 | C2 |
|---|---|---|---|---|---|
| 0.9 | 0.22 | 0.01402 | 2627.675 | 0.004982 | 250,903.3 |
| 0.8 | 0.2202 | 0.01872 | 2065.171 | 0.005844 | 256,844.6 |
| 0.7 | 0.2203 | 0.02725 | 1923.303 | 0.006555 | 206,559.9 |
| 0.6 | 0.2205 | 0.02934 | 11,860.94 | 0.01199 | 123,603 |
| 0.5 | 0.2206 | 0.0132 | 4113.636 | 0.008128 | 155,757.9 |
| 0.4 | 0.2209 | 0.01515 | 4493.729 | 0.006479 | 229,973.8 |
| 0.3 | 0.2223 | 0.02021 | 4672.439 | 0.008961 | 172,302.2 |
| 0.2 | 0.2264 | 0.02082 | 5792.507 | 0.008059 | 201,017.5 |
| 0.1 | 0.1149 | 0.01611 | 3907.511 | 0.007703 | 279,501.5 |
| Work Condition | Algorithm | Maximum Error | Average Error |
|---|---|---|---|
| Constant current 1 A discharge | EKF | 4.1334 | 1.5419 |
| IEKF | 2.2845 | 0.6852 | |
| LM-IEKF | 1.4212 | 0.5786 | |
| FUDS | EKF | 4.5482 | 1.2942 |
| IEKF | 4.5326 | 1.1113 | |
| LM-IEKF | 1.9756 | 0.4714 | |
| EKF | 2.3198 | 0.7016 | |
| BJDST | IEKF | 2.7437 | 0.7915 |
| LM-IEKF | 1.9032 | 0.5619 |
Disclaimer/Publisher’s Note: The statements, opinions and data contained in all publications are solely those of the individual author(s) and contributor(s) and not of MDPI and/or the editor(s). MDPI and/or the editor(s) disclaim responsibility for any injury to people or property resulting from any ideas, methods, instructions or products referred to in the content. |
© 2024 by the authors. Licensee MDPI, Basel, Switzerland. This article is an open access article distributed under the terms and conditions of the Creative Commons Attribution (CC BY) license (https://creativecommons.org/licenses/by/4.0/).
Share and Cite
Wang, X.; Gao, Y.; Lu, D.; Li, Y.; Du, K.; Liu, W. Lithium Battery SoC Estimation Based on Improved Iterated Extended Kalman Filter. Appl. Sci. 2024, 14, 5868. https://doi.org/10.3390/app14135868
Wang X, Gao Y, Lu D, Li Y, Du K, Liu W. Lithium Battery SoC Estimation Based on Improved Iterated Extended Kalman Filter. Applied Sciences. 2024; 14(13):5868. https://doi.org/10.3390/app14135868
Chicago/Turabian StyleWang, Xuetao, Yijun Gao, Dawei Lu, Yanbo Li, Kai Du, and Weiyu Liu. 2024. "Lithium Battery SoC Estimation Based on Improved Iterated Extended Kalman Filter" Applied Sciences 14, no. 13: 5868. https://doi.org/10.3390/app14135868
APA StyleWang, X., Gao, Y., Lu, D., Li, Y., Du, K., & Liu, W. (2024). Lithium Battery SoC Estimation Based on Improved Iterated Extended Kalman Filter. Applied Sciences, 14(13), 5868. https://doi.org/10.3390/app14135868

